146732 (730130), страница 9
Текст из файла (страница 9)
10) Суммарная стоимость годовой выработки электроэнергии по Салтовскому трамвайному депо и троллейбусным депо № 2, 3:
Ссм = 4921803 + 3281301 = 11484475 /грн/год/.
Сроки окупаемости капитальных затрат для всех объектов равны 6,76 месяцев.
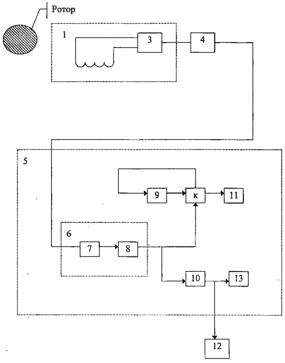
3.4. Устройство для измерения эксцентриситета ротора УИЭ-1
Устройство для измерения эксцентриситета ротора турбины, тягового двигателя предназначается для непрерывного дистанционного и бесконтактного измерения величины искривления вала в процессе его вращения. Данная технология может применяться при ТО ПС, как диагностическое оборудование, позволяющее значительно экономить материальные и трудовые ресурсы.
Технические данные
| Предел измерения эксцентриситета, мкм | 0 - 400 |
| Пределы измерения скорости вращения вала двигателя, об/мин | 3 - 4000 |
| Наибольшая приведенная погрешность, %, не более | 10 |
| Установочный зазор, мм | 2 |
| Питание от сети переменного тока: | |
| Напряжение, В, с содержанием гармоник до 5% | 220 |
| Частота, Гц | 50 |
| Потребляемая мощность, ВА, не более | 50 |
| Габаритные размеры: | |
| - преобразователя, мм | L = 180, D = 36 |
| - измерительного блока, мм | 460 200 160 |
| Масса: | |
| - преобразователя, кг | 0,8 |
| - измерительного блока, кг | 0,6 |
Структурная схема устройства для измерения эксцентриситета ротора, (рис. 3.5), включает в себя вихревой преобразователь - 1 и блок измерения 5.
Вихревой преобразователь содержит катушку индуктивности 2 контура автогенератора высокой частоты 3 генерирующего колебания с частотой f = 50 МГц.
Выход автогенератора 3 через линию связи 4 соединен с входом измерительного блока.
Блок измерения содержит усилитель преобразователь 6, состоящий из усилителя-ограничителя 7 и частотного детектора с линеаризатором 8. Это позволяет линеаризировать зависимость выходного напряжения от изменения зазора.
Выход усилителя преобразователя 6 соединен с входом пикового детектора 10 и коммутатора «К». Один выход коммутатора «К» соединен с входом пикового вольтметра 9, а второй с микроамперметром 11.
На выходе пиковых вольтметров сигнал, пропорциональный половине двойного размаха эксцентриситета, измеряется микроамперметром 11, самопишущим милливольтметром 12 типа КСП-4. Кроме того, с выхода пикового вольтметра 10 сигнал поступает на вход сигнализатора превышения заданного уровня величины эксцентриситета 13.
Работает устройство следующим образом.
При изменении величины зазора между катушкой L1, смотри принципиальную электрическую схему (чертеж на ватмане), и поверхностью металла ротора изменяется индуктивность контура генератора (VI, V2, V3, V4), в результате чего изменяется собственная частота колебаний генератора. Частотно-модульный сигнал (f = 10 МГц) по линии связи поступает на вход усилителя -ограничителя частотного детектора.
После усиления и ограничения (V5, V6, V7) исключаются все ранее внесенные амплитудные искажения в сигнал, несущий информацию о изменении зазора. Далее сигнал поступает на частотный детектор (V8, V10), где происходит детектирование модулированного по частоте высокочастотного напряжения.
Низкочастотный сигнал, пропорциональный изменению зазора, усиливается микросхемой А1 и поступает через коммутатор «К» на
пиковый вольтметр (А4, А6) для индикации на микроамперметре (РА) и, минуя коммутатор «К», через пиковый вольтметр (А5, А7) на выход на самопишущий милливольтметр.
Кроме того, сигнал с пикового вольтметра (А5, А7) поступает на сигнализатор превышения заданного уровня величины эксцентриситета (А2, V27), и (A3, V29).
Конструкция устройства
Вся электрическая схема собрана на печатной плате 1, которая фиксируется в корпусе с помощью перегородки2, втулки переходной 7, кольца 5 и стопорного кольца 6.
Датчик выполнен в металлическом корпусе.
Конструкция блока имеет блочно-модульный принцип построения и состоит из ряда унифицированных блоков и модулей, легко съемных и настраиваемых отдельно от прибора.
Платы блока измерения размещены на выдвижном каркасе 1 в общем корпусе с габаритами лицевой части 160 200 и длинной 460 мм.
На лицевой стороне блока расположены измерительный прибор, клавиши коммутации и сигнализации. На задней стенке размещены штепсельные разъемы для подключения внешней связи, тумблер, предохранители сети питания и клеммы для подключения самопишущих приборов, или разъема интерфейса персонального компьютера с соответствующим переходным блоком.
Конструктивно блок измерения состоит из двух основных частей:
а) корпуса с крышкой;
б) каркаса.
Корпус выполнен сварным из листовой стали. С лицевой стороны корпус имеет приведенную раму с двумя горизонтальными козырьками, к которым крепится крышка с застекленным окном и вмонтированным замком. При установке прибора в щите рама служит упором.
К наружным боковым поверхностям корпуса приварены планки с отверстиями для упорных угольников крепления прибора на щите.
Крышка уплотняется эластичной прокладкой и запирается замком.
Внутри корпуса на боковых стенках приварены штампованные неподвижные направляющие. В неподвижных направляющих помещены подвижные направляющие, по которым шасси выдвигается из корпуса.
На выдвижном каркасе расположены все платы и элементы прибора.
Каркас конструктивно выполнен из передней и задней панелей соединенных левой и правой рамами.
На рамах установлен силовой трансформатор и помещена кабельная часть разъемов печатных плат.
В рамах по направляющим устанавливается 5 печатных плат:
- плата преобразователя «П»;
- плата пиковых вольтметров «ПК»
- плата компаратора «ПК»;
- плата блоков питания «БП».
В передней части каркаса, со стороны передней панели, установлена плата коммутатора «К» с выводом клавишей коммутации на переднюю панель.
Порядок работы устройства приводится ниже
Блок измерения обеспечивает отсчет показаний по стрелочному индикатору в микрометрах, а так же запись уровня эксцентриситета на самопишущий милливольтметр, либо другую контрольную аппаратуру (возможно подключение компьютера).
После включения кнопки «Зазор», стрелка индикатора должна находится в середине (40-120 делений) шкалы. При необходимости установить рабочий зазор преобразователя, приближая или удаляя
датчик с помощью микрометрического винта приспособления на турбоагрегате или электродвигателе.
Далее следует включить кнопку «Х1мкм» и отсчитывать показания эксцентриситета в мкм по шкале стрелочного индикатора. В случае большого уровня эксцентриситета перейти на предел «Х2мкм» и показания прибора удваивать.
Рис. 3.5. Структурная схема устройства
3.5. Применение новых технологий по защите техники от коррозии старения и биоповреждений
Эффективность использования подвижного состава, оборудования на предприятиях горэлектротранспорта в большой мере обусловлена степенью их защищенности от коррозии, старения и биологических повреждений [15].
Наибольший ущерб наносит коррозия. Так, при хранении техники на открытых площадках скорость коррозии незащищенных деталей из малоуглеродистых сталей достигает 200 г/м2 и более в год, в закрытых помещениях - до 100 г/м2 в год.
В последнее время все больше внимания уделяется защите техники от повреждающей деятельности живых организмов.
Мишенью биоповреждающего действия микроорганизмов (грибов и бактерий) являются металл, краски, пластмассы, резина, ткань, кожа, электрооборудование, нефтепродукты, древесина и изделия из нее. Считают, что нет такого природного или искусственного материала, который бы рано или поздно не повреждали микроорганизмы.
Аналогичная тенденция наблюдается и в отношении использования конструкционных пластмасс. Правда, обладая большими достоинствами (малая масса, прочность, низкие стоимость и трудоемкость изготовления и т. д.), неметаллические материалы имеют характерный недостаток - склонность к старению. Пластмассовые детали теряют свой первоначальный цвет, деформируются, растрескиваются.
Стойкость полимерных материалов к старению обеспечивается, главным образом, при их создании путем введения специальных добавок - стабилизаторов.
Таким образом, наличие в конструкциях современных машин и механизмов различных материалов при многофакторном воздействии на них окружающей среды предопределяет необходимость защиты их не только от коррозии, но и от старения и биологических повреждений.
Коррозия, старение и биологические повреждения полимерных и неметаллических материалов - главные факторы, определяющие долговечность изделий. Чем сложнее изделие, тем больше содержится в нем деталей и агрегатов, выполненных из различных материалов, и тем труднее обеспечить его защиту. Причины возникновения и особенности процессов коррозии, старения и биоповреждений различны, следовательно, средства и способы подавления этих процессов не могут быть едиными. В определенных условиях получают даже обратный эффект: то, что способствует замедлению коррозионных процессов металлов (относительная влажность ниже 30%) вызывает ускорение деструкции полимерных материалов. Вместе с тем важно найти оптимальные сочетания средств и способов, обеспечивающих комплексную защиту от двух и даже трех перечисленных факторов. К средствам и способам комплексной защиты относятся:
- использование при изготовлении технических изделий конструкционных материалов, стойких к коррозии, старению и биоповреждениям;
- хранение технических изделий в замкнутых объемах с регулированием состава окружающей среды (например, наполнение азотом) или показателей относительной влажности и температуры среды; применение катодной защиты;
- применение средств консервации многоцелевого назначения (ингибиторы-фунгициды, биостойкие консервационные масла и смазки и другие нефтепродукты, биостойкие и противокоррозионные покрытия и т. п.);
- применение специальных защитных составов и покрытий для различных условий эксплуатации (кремнийорганические гидрофобизирующие жидкости, полимерные и лакокрасочные покрытия, модифицированные биоцидами или ингибиторами-биоцидами;
- металлические и консервационные покрытия, получаемые из растворов (электролитов),
Из полимерных легкосъемных и нефтяных пленочных покрытий, способных защищать металл от коррозии и некоторые полимерные материалы от старения, рекомендуется использовать НГ-224 и ХП-1
Для одновременного снижения коррозионных потерь и предотвращения микробиологических повреждений и процессов старения эффективна гидрофобизация поверхностей. Применяют гидрофобизирующие 3...5%-ные растворы метилейликоната натрия, этилсиликоната натрия или алюмометилсиликоната натрия с 5... 10-дневной выдержкой при 15...30°С.
Лучшие результаты в этом случае получают при обработке поверхностей с хорошо развитой пористостью, например фосфатные, оксидные и хромовые покрытия.
Лакокрасочные покрытия обладают повышенной биостойкостью, их модифицируют путем введения в верхний слой биоцида.
Для одновременной защиты металлов от коррозии и полимерных материалов от старения рекомендуется применять воднотатексные составы.
Виды коррозии и методы защиты.
Химическая коррозия - процесс взаимодействия металла со средой, не проводящей электрического тока.
Электрохимическая коррозия - процесс взаимодействия металлов с электролитами (водой или водными растворами кислот, щелочей и солей, а также с неводными электролитами).
Атмосферная коррозия - коррозия металлов в атмосфере воздуха, а также любого влажного газа,
Газовая коррозия металла происходит в газах при высоких температурах. Этот вид коррозии металлов возникает при работе различных металлических деталей и аппаратов (двигателей внутреннего
сгорания, элементов электронагревателей, газогенераторов, а также при термической обработке металла).
Жидкостная коррозия металла происходит в жидкой среде: в неэлектролите (органические растворители, жидкое топливо) и в электролите (кислотная, щелочная, солевая, морская, речная коррозия, коррозия в расплавленных солях и щелочах).
Коррозия металла в неэлектролитах, например в органических жидкостях, не обладающих электропроводностью, представляет собой разновидность химической коррозии.
Подземная коррозия - это коррозия металлов в почвах и грунтах.
Биокоррозия - особый вид коррозии, обусловленный жизнедеятельностью микроорганизмов.
Контактная коррозия - электрохимическая, вызываемая контактом металлов, имеющих разные стационарные потенциалы в данном электролите.
Коррозия может возникать и при контакте металла с неметаллом. В этом случае она связана с выделением из неметалла коррозийно-активных компонентов (например, при деструкции полимеров) или аккумулированием неметаллическим материалом агрессивной среды.
Щелевая коррозия образуется в щелях и зазорах между двумя металлами, а также в местах неплотного контакта металла с неметаллическим коррозийно-инертным материалом. Щелевая коррозия возникает и при погружении металла в электролит, и в атмосферных условиях. Наиболее чувствительны к щелевой коррозии пассивирующиеся металлы (нержавеющие стали и алюминиевые сплавы).















