146542 (729923), страница 2
Текст из файла (страница 2)
Расстояние, которое проходит груз без ускорения:
Время работы привода без ускорения:
Время цикла с учетом ускорения:
Рис. 3. Нагрузочная диаграмма двигателя.
По нагрузочной диаграмме находим новое значение эквивалентного момента:
Мэкв=35,53Мн;
Мmax2.5*Мн=2,5*47,748=119,37
Выбранный двигатель удовлетворяет условиям нагрева и допустимой нагрузки.
1.4. Выбор схемы и расчет элементов силового преобразователя.
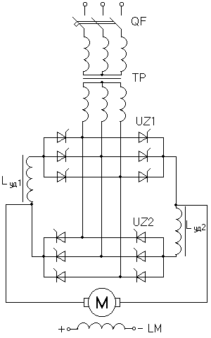
Для данного случая выбираем трехфазную мостовую схему. Схема приведена на рис.4:
Рис. 4. Мостовая реверсивная схема.
1.4.1. Выбор трансформатора.
Выбор силового трансформатора производится по расчетным значениям токов I1 и I2, напряжению U2 и типовой мощности Sтр.
Расчетное значение напряжения U2ф вторичной обмотки трансформатора, имеющего m-фазный ТП с нагрузкой на якорь двигателя в зоне непрерывных токов, с учетом необходимого запаса на падение напряжения в силовой части, определяется формулой:
где ku=0,461 – коэффициент, характеризующий отношение напряжений U2ф/Ud0 в реальном выпрямителе;
kc=1,1 – коэффициент запаса по напряжению, учитывающий возможное снижение напряжения сети;
k=1,1 – коэффициент запаса, учитывающий неполное открытие вентилей при максимальном управляющем сигнале;
kR=1,05 – коэффициент запаса по напряжению, учитывающий падение напряжения в обмотках трансформатора, в вентилях и за счет перекрытия анодов;
Ud=220 В – номинальное напряжение двигателя.
Расчетное значение тока вторичной обмотки:
где kI=0,815 – коэффициент схемы, характеризующий отношение токов I2ф/Id в идеальной схеме;
ki=1,1 – коэффициент, учитывающий отклонение формы анодного тока вентилей от прямоугольной;
Id – значение номинального тока двигателя.
Расчетная типовая мощность силового трансформатора:
где ks=1,065 – коэффициент схемы, характеризующий отношение мощностей Sтр/UdId для идеального выпрямителя с нагрузкой на противо-ЭДС.
Выбираем силовой трансформатор, удовлетворяющий условиям:
Sн11,644 кВА; U2фн128,854 В; I2фн36,822 А.
Выбираем трансформатор ТС-16.
Его характеристики:
Sн=16 кВА; U1нл=3805% В; U2нл=230-133 В; Р0=213 Вт; Рк=529 В; Uк=4,6% Y/Y0-
Коэффициент трансформации:
Расчетное значение тока первичной обмотки:
1.4.2. Выбор тиристоров.
Среднее значение тока тиристора:
где kзi=2,5 – коэффициент запаса по току;
kох – коэффициент, учитывающий интенсивность охлаждения силового вентиля. При естественном охлаждении kох=0,35;
mтр=3 – число фаз трансформатора.
Максимальная величина обратного напряжения:
где kзн=1,8 – коэффициент запаса по напряжению, учитывающий возможные повышения напряжения питающей сети (включая режим холостого хода) и периодические выбросы Uобр, обусловленные процессом коммутации вентилей;
kUобр=1,065 – коэффициент обратного напряжения, равный соотношению напряжений UBmax/Ud0 для мостовой реверсивной схемы выпрямления;
Ud0 – напряжение преобразователя при =0:
Из справочника [3] выбираем тиристор серии Т151-100.
1.4.3. Выбор индуктивности дросселей.
Под действием неуравновешенного напряжения, минуя цепь нагрузки, может протекать уравнительный ток, который создает потери в вентилях и обмотках трансформатора и может приводить к аварийному отключению установки.
Требуемая величина индуктивности уравнительных дросселей, исходя из ограничения амплитуды переменной составляющей уравнительного тока до величины, не превышающей 10%:
где U1п – удвоенное эффективное значение первой гармоники выпрямленного напряжения:
где Uп/Ud0=0.26 – определено по рисунку из [2] для m=6 и =900;
m=6 – число фаз выпрямления.
Уравнительные дроссели выберем частично насыщающимися, т.е.
Lуд=0,7Lуд.расч=0,029 Гн.
Выбираем дроссель серии ФРОС-150. Lуд=0,03 Гн.
Рассчитаем индуктивность сглаживающего дросселя:
где Uп=U1п/2=72,673 Гн – действующее значение первой гармоники выпрямленного напряжения.
Необходимая величина индуктивности сглаживающего дросселя:
Lсд=Lнеобх-(Lдв+2Lтр+Lуд),
где Lдв – индуктивность якоря и дополнительных полюсов двигателя:
2Lтр – индуктивность двух фаз трансформатора, приведенная к контуру двигателя.
Lсд=0,027-(0,010+0,00106+0,03)=-0,014 Гн
Т.к. Lсд0, то сглаживающий дроссель не требуется.
1.4.4. Определение расчетных параметров силовой цепи ТП-Д.
Расчетное сопротивление цепи выпрямленного тока:
где k=1+(tн-t)=1+0.004(100-15)=1.34;
=0,004 – температурный коэффициент сопротивления меди;
tн=1000 – рабочая температура двигателя для класса изоляции В;
t=150 – температура окружающей среды;
Rщ – сопротивление щеточного контакта:
Rп – сопротивление преобразователя:
где Rт – активное сопротивление обмоток трансформатора:
хт – индуктивное сопротивление обмоток трансформатора:
Rуд – активное сопротивление уравнительных дросселей:
Итак,
Выводы по главе 1.
В главе 1 на основе технических данных и требований электропривода подъемного механизма крана был произведен выбор схемы ЭП. В результате анализа и обзора применяемых систем регулирования показана целесообразность применения системы тиристорный преобразователь – двигатель.
Построение нагрузочных диаграмм производственного механизма и двигателя позволило предварительно выбрать двигатель, а затем проверить его по условиям нагрева и по перегрузке. Выбранный двигатель серии 2П удовлетворяет этим условиям.
Расчет силового преобразователя включил в себя выбор его элементов, а также определение расчетных параметров силовой цепи ТП-Д.
2. РАЗРАБОТКА СИСТЕМЫ УПРАВЛЕНИЯ ЭЛЕКТРОПРИВОДОМ.
2.1. Расчет и построение статических характеристик в разомкнутой системе.
Статические характеристики в разомкнутой системе могут быть построены по следующим выражениям:
где Rя.дв – сопротивление якорной цепи двигателя с учетом нагрева:
Ток возбуждения двигателя:
Номинальный ток якоря:
Статические скорость и момент:
с=144,67 1/с;
Мс.под=106,918 Нм;
Мс.сп=68,428 Нм.
Из уравнений для статических характеристик:
ЭДС преобразователя при с и Мс.под:
ЭДС преобразователя при с и Мс.сп:
Уравнение статической механической характеристики при Еп.необх.под:
Уравнение статической механической характеристики при Еп.необх.сп:
Максимальная ЭДС преобразователя при =0:
Уравнение статической характеристики при Еп.max:
Статическая характеристика при Еп=0:
Естественная статическая характеристика:
Рис.5. Статические и динамические характеристики в разомкнутой системе.
Рассчитаем нагрузочную диаграмму двигателя за цикл при линейном изменении ЭДС преобразователя.
Жесткость статической механической характеристики:
Электромеханическая постоянная времени:
Расчетная суммарная индуктивность цепи якоря:
Электромагнитная постоянная времени:
Соотношение постоянных времени:
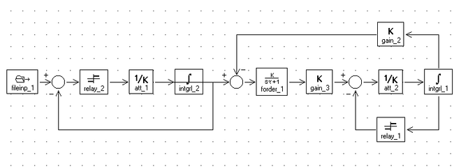
Для построения нагрузочной диаграммы двигателя за цикл при линейном изменении ЭДС, используем ЭВМ и программу 20-sim. Для моделирования введем в компьютер схему, представленную на рис. 6. Параметры для моделирования представлены в приложении 1.
Н
агрузочная диаграмма процесса представлена на рис. 7
Рис. 6. Схема для расчета нагрузочной диаграммы двигателя при линейном изменении ЭДС.
-
Выбор структуры замкнутой системы электропривода, расчет ее параметров.
В соответствии с рекомендациями выберем систему ТП-Д с подчиненным регулированием координат с настройкой на технический оптимум.
Рис. 8. Принципиальная схема подчиненного регулирования тока и скорости в системе ТП-Д.
2
.2.1. Расчет контура тока
Рис. 9. Структурная схема регулирования тока.
Отнесем время запаздывания тиристорного преобразователя п и инерционность фильтров Тф к некомпенсированным постоянным времени, т.е. Т=п+ Тф=0,01 с. Тогда, если не учитывать внутреннюю обратную связь по ЭДС двигателя, можно записать передаточную функцию объекта регулирования тока:
где kп – коэффициент усиления преобразователя.
Желаемая передаточная функция прямого канала разомкнутого контура при настройке на технический оптимум:
где ат=Тот/Т - соотношение постоянных времени контура.
Отношение Wраз.п к Wорт есть передаточная функция регулятора тока:
где Тит – постоянная интегрирования регулятора тока:
Из выражения для Wр.т. видно, что необходим ПИ-регулятор тока.
Коэффициент усиления пропорциональной части:
kут=Тя/Тпт или kут=Rост/Rзт
Постоянная времени ПИ-регулятора:
Тпт=RзтСост
Компенсируемая постоянная времени регулятора:
Отсюда,
где Тя=Тэ – электромагнитная постоянная времени.
Коэффициент обратной связи по току:
где kш – коэффициент передачи шунта;
kут – коэффициент усиления датчика тока.















