146483 (729842), страница 4
Текст из файла (страница 4)
Марка прицепа – 1-ПР-5
Грузоподъемность автопоезда по грунтовым дорогам – 4,5-7 т.
Число одновременно перевозимых труб 2195,0мм – 11шт.
Расход топлива на 100км.- 40л.
3. Сборка труб в нитку.
С
борка труб в нитку производится на бровке траншеи с предварительной разгрузкой с помощью крана с трубовоза. Нитка собирается из пяти труб длиной по 10 метров в результате получается секция длиной 50 метров и весом 1335 кг. Сварка звеньев производится с разделкой кромок. На ширину 10 см от стыка производится зачистка. При сборке труб в звенья, для удобства монтажа, используют наружные эксцентриковые центраторы марки: ЦНЭ-16-21 для
168-219 мм [5-стр.267, табл.28.3.];
4.3. Выбор грузоподъемных монтажных механизмов по монтажным параметрам.
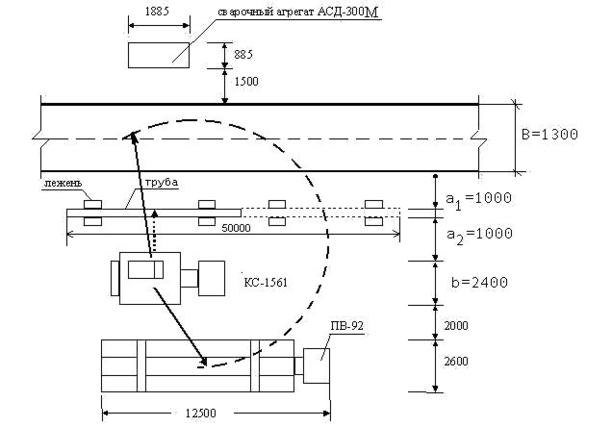
Для укладки секций трубопровода длиной 50 в метров траншею требуется три однотипных монтажных крана [5-стр.363,п.47.8.]. Монтажный кран подбирается по фактическому весу опускаемой трубы, приходящемуся на кран т.е. 1/3 веса одной секции, при соответствующем вылете стрелы.
Грузоподъемность крана:
Pэ – вес монтируемого элемента;
– вес оснастки – полотенца мягкие ПМ-521 весом 69 кг [5 – стр. 264, табл. 27.6.]
Расчетный вылет стрелы крана (от вертикальной оси вращения крана до центра траншеи) будет равен:
B - ширина траншеи по верху; b - ширина крана в зависимости от марки крана; a1 - расстояние от бровки траншеи до трубы принимается равной 0,7-1м [6-стр.22]; a2 - ширина места, занимаемого звеном (диаметр трубы); a3 – расстояние от трубы до оси крана. Сумма а1,а2 и а3 или расстояние от края траншеи до колес или гусениц крана должна быть не менее 1,5м [5-стр.342,п.46.5.]
Для выполнения монтажных работ подходит автомобильный гидравлический кран с унифицированной телескопической стрелой КС – 1571 [5-стр.255,табл.27.1.] со следующими основными техническими характеристиками:
Вылет стрелы на опорах: 3,3-5,6м;
-
Грузоподъемность при работе на опорах: 4-1,4т;
-
Базовый автомобиль: ГАЗ-53А
-
Размеры: длина-7,5м; ширина-2,4м; высота-2,9м;
-
Масса: 7,4т
Схема производства работ:
-
Схема разгрузки труб с трубовоза со сборкой их в секции.
2. Укладка трубопровода в траншею
Укладка трубопровода в траншею производится тремя кранами марки КС – 1571 грузоподъемностью 4т, расчетный вылет стрелы – 5,6 м с расстоянием между кранами 15м (5-стр.363,п.47.8) . В качестве грузозахватных приспособлений при укладке используются мягкие полотенца, грузоподъемностью 12,5т (5 – стр. 264, табл. 27.6.).
Схема укладки трубопровода траншею:
4
.4. Стыковое соединение звеньев.
Выполняется бригадой, состоящей из сварщика 5 разряда и двух монтажников 5 и 3 разрядов. Стыковое соединение трубопровода выполняется ручной дуговой сваркой, с помощью электрического сварочного агрегата с двигателем внутреннего сгорания АСБ-300М [5-стр.265,тбл.28.1.] с основными характеристиками:
-
Генератор:
марка: ГСО-300М
номинальное напряжение: 32В
номинальный сварочный ток: 300А
пределы регулирования тока: 75-320А
-
Двигатель:
марка: 407-Д1
мощность: 20 л/с
-
Масса: 550 кг
Сварка трубопровода поворотных и неповоротных стыков выполняется со скосом кромок
в два слоя. От стыка в обе стороны выполняется зачистка. Перед выполнением поворотного стыка делаются 3 прихватки по 20 - 40 мм длиной, а неповоротного 3 прихватки по 50-60мм [5-стр.343]. После проварке корневого шва производиться очистка от шлака и брызг металла. При сварке поворотных стыков первый слой шва накладывают в вертекальном положение на ¼ окружности с обеих сторон трубы; после поворота трубы на 90(стык остается в вертикальном положение) заваривают оставшиеся две четверти окружности. Второй слой накладывают против часовой стрелки при непрерывном повороте трубы. При сварке неповоротных стыков все слои шва наносятся снизу вверх на половину окружности трубы. Для сварки используются электроды марки УОНИ-13/55 диаметром 3мм.
4.5. Антикоррозийная изоляция.
Согласно ГОСТ 9. 015 - 74 магистральные стальные газопроводы вне населенных пунктах усиленной изоляцией (грунтовка, полимерная изоляционная лента – 2 слоя, наружная обертка [5-стр.357,табл.47.17.] . Газопровод изолируется полимерной липкой лентой толщиной 0,8 мм на трассе. Физико-механическая характеристика полимерных лент [5-стр.358,табл.47.18.]:
-
Толщина ленты / слоя клея: 0,3 / 0,1мм
-
Сопротивление разрыву: 7,8 Мпа
-
Морозостойкость: -30С
-
Адгезия к стали, г/см ширины: 100
Трубопровод перед изоляцией очищается от ржавчины и окалины химическим методом, а после наносится слой грунтовки во избежании воздушного окисления. После производиться изоляция из полимерной липкой ленты. Работы производятся изоляционно-очистной машиной ОМ-522П. Контроль производится после окончания изоляции участка трубопровода внешним осмотром и приборами.
Схема изоляции стыков приведена в схеме укладки.
4.6. Переход газопровода через железнодорожные пути.
Согласно СНиП 2.04.08-87* пересечения газопровод с железнодорожными путями следует предусматривать, как правило, под углом 90°.
Прокладку подземных газопроводов всех давлений в местах пересечений с железнодорожными путями общегородского значения следует предусматривать в стальных футлярах.
Концы футляра следует выводить на расстояния от крайнего водоотводного сооружения железнодорожного земляного полотна (кювета, канавы, резерва) не менее 3м
Глубину укладки газопровода под железнодорожными путями следует принимать в зависимости от способа производства строительных работ и характера грунтов с целью, обеспечения безопасности движения.
Минимальную глубину укладки газопровода до верха футляра от подошвы рельса, а при наличии насыпи от подошвы насыпи следует предусматривать, м:
под железными дорогами общей сети — 2,0 (от дна водоотводных сооружений — 1,5)
При этом на пересечениях железных дорог общей сети глубина укладки газопровода на участках за пределами футляра на расстоянии 50 м в обе стороны от земельного полотна должна приниматься не менее 2,10м от поверхности земли до верха газопровода.
Переход газопровода через железнодорожные пути производиться способом прокола.
Бестраншейная прокладка трубопроводов способом прокола грунта. Проколом называется такой способ проходки, при котором разработка грунта не производится, а отверстие для трубы образуется за счет уплотнения грунта в радиальном направлении. Прокалывание грунта трубами производят при помощи домкратов, лебедок, тракторов, рычагов и других механизмов, способных развивать усилия 25-300 Т. Усилие может сообщаться прокладываемой трубе при помощи шомпола или с помощью нажимных патрубков. Общая схема установки с двумя гидравлическими домкратами состоит из двух гидравлических домкратов марки ГД-170/1150 [5-стр.480,табл.57.3.]. которые задней своей частью опираются на упор 2. При помощи большой 3 и малой 4 опорных подкладок усилие домкратов передастся через нажимной патрубок 5 на прокладываемую трубу 6. Электродвигатель 7, имеющий щиток управления 8, приводит в движение гидравлический насос 9 с манометром 10. Масло или вода из гидронасоса поступает к домкратам по маслопроводам 11, которые выполняются из труб диаметром 18-25 мм, с толщиной стенки 4,5-5,5 мм. Вентили 12 позволяют в случае надобности отключать каждый из домкратов. Прокладываемая труба на переднем своем торце может иметь наконечник 13 или заглушку. Для сварки прокладываемых труб в передней части котлована устраивается приямок 14.
Процесс прокола заключается в следующем. В котлован на направляющие брусья 15 укладывают первое звено прокладываемой трубы. После выверки домкратом вдавливают трубу диаметром 300мм в грунт на длину хода штоков домкратов. Затем штоки домкратов возвращают в первоначальное положение и в образовавшееся пространство помещают нажимной патрубок. После вторичного вдавливания трубы в образовавшееся пространство ставят второй патрубок или нажимной патрубок удвоенной длины. Путем комбинации патрубков вдавливают первое звено трубы. Далее укладывают второе звено трубы и приваривают к первому. Процессы повторяют до выполнения проходки на проектную длину. Передний (режущий) торец прокладываемой трубы снабжают обычно коническим наконечником с диаметром основания 325мм. Укладка трубы в футляр осуществляется методом протаскивания с помощью лебедки и трактора марки ДЗ-8.
4.7. Испытание газопровода.
Газопровод в городе испытывается на прочность и плотность. Для очистки внутренней полости труб от окалины, влаги и загрязнений перед испытанием продувают. Продувку производят воздухом давлением 7*133.3 Па для чего устанавливают временные задвижки. Испытание газопровода на прочность производится воздухом во время строительства, испытательным давлением 4.5*105 Па. Время испытания - 1 ч. При этом не допускается видимое падение давления по манометру. Обнаруженные дефекты должны устраняться до испытания на плотность. Испытание газопровода на плотность производится воздухом испытательным давлением 3*105 Па, продолжительность испытания не менее 24 часов. Результаты испытания на плотность считаются положительными, если фактическое падение давления не превысит расчетной величины, определяемой для газопровода одного диаметра по формуле:
Газопровод при испытании на плотность выдерживают под давлением не менее 30 мин, после чего, не снижая давление, производят внешний осмотр и проверяют мыльным раствором все сварные, фланцевые и резьбовые соединения. При отсутствии видимого падения давления по манометру и утечек при обмыливании, газопровод считается выдержавшим испытание. При испытании газопровода в процессе производства работ устанавливают инвентарные заглушки с резиновыми уплотнениями.
4.8. Мероприятия по технике безопасности при производстве монтажных работ.
-
Во избежании повреждения изоляции при укладке звеньев газопровода нужно применять не менее двух кранов. При использовании автомобильных кранов последние размещают так, чтобы укладку плети можно было вести с одновременным поворотов обоих кранов.
-
Для защиты сварщика от поражения электрическим током при электродуговой сварке систематически проверяют состояние изоляции рукояти электрододержателя и всех токоведущих частей и проводов. Электрододержатель должен обеспечивать надежный зажим электрода, хороший контакт и быструю смену электрода.
-
При изоляционных работах рабочие, занятые очисткой труб металлическими щетками, должны работать в защитных очках.
-
При очистке, грунтовки и изоляции труб машинами необходимо до начала работ проверить исправность машин. При химическом способе очистки необходимо соблюдать особую осторожность в обращении с кислотами и едким натром.
-
Во время работы очистных и изоляционных машин категорически запрещается чистить их, налаживать, менять катушки и регулировать.
-
Во время контроля изоляционных покрытий детектором запрещается допускать к этим работам лиц, не прошедших специального инструктажа по технике безопасности и не знающих мер защиты и приемов оказания первой помощи при поражении электрическим током. Перед включением детектор должен быть заземлен. Рабочие, обслуживающие детектор, должны иметь резиновые перчатки и резиновые сапоги (или галоши).
-
Опускание в траншею труб, различных материалов и деталей производят механизированным способом с помощью кранов. Сбрасывать трубы и материалы в траншею запрещается.
-
На все машины и приспособления должны быть заведены паспорта и индивидуальные номера, по которым они записаны в специальный журнал учета их технического состояния.
-
Краны и другие грузоподъемные механизмы перед пуском в эксплуатацию необходимо освидетельствовать и испытать.
-
При работе стреловых кранов нельзя допускать пребывания людей в зоне их действия; во время опускания труб, фасонных частей , арматуры и других деталей в траншею и колодцы рабочие должны быть из них выведены
-
При испытании газопровода воздухом должны быть проверены самым тщательным образом все запорные, предохранительные и сбросные устройства.
-
При поднятии давления воздуха в газопроводе, находиться людям около инвентарных заглушек запрещается.
-
Никаких работ по ликвидации дефектов газопровода, находящегося под давлением, производить нельзя.
-
На концах испытываемого газопровода должны стоять инвентарные заглушки, а также закрепляющие улоры, воспринимающие усилия , возникающие в трубопроводе при повышении давления.
5. Организация технология производства работ
5.1 Калькуляция трудовых затрат и заработной платы.
На все виды работ составляется калькуляция трудовых затрат и заработной платы.
| № п/п | § ЕНиР | Наименование работ | Ед. изм. | Объем работ | Нормы на ед. изм. | На весь объем работ | |||||
| Нвр, чел.ч. | Нвр, маш.ч. | Расц. руб,коп. | Труд-ть чел.см. | Затр.тр. маш.см. | Ст-ть затр. тр.,руб | ||||||
| 1. | 2. | 3. | 4. | 5. | 6. | 7. | 8. | 9. | 10. | 11. | |
| Земляные работы | |||||||||||
| 1. | § Е2-1-5 п. 1а | Срезка растительного слоя бульдозером ДЗ-8 (Т-100) | 1000м2 | 22 | 0,84 | 0,84 | 0,89 | 2,31 | 2,31 | 19,58 | |
| 2. | § Е2-1-35 п. 2а | Предварительная планировка строительной площадки бульдозером ДЗ-8(Т-100) | 1000м2 | 22 | 0,29 | 0,29 | 0,307 | 0,8 | 0,8 | 6,75 | |
| 3. | § Е2-1-13 п. 4ж | Разработка траншеи экскаватором Э-651 | 100м3 | 21,45 | 1,6 | 1,6 | 1,7 | 4,29 | 4,29 | 36,47 | |
| 4. | § Е2-1-47 п. 1д, п. 1а | Подчистка дна траншеи в ручную (разработка грунта 3-мя землекопами 2-го разр., перекидка 3-мя землекопами 1-го разр.) | 1м3 | 143 | 0,97 | ---- | 1,845 | 17,3 | ---- | 263,84 | |
| 5. | § Е2-1-58 п. 2а | Обратная засыпка с трамбованием вручную(4 звена-1 звено: землекоп 2 разр. и землекоп 1разр.) | 1м3 | 456,2 | 0,79 | ---- | 1,944 | 45,05 | ---- | 886,85 | |
| 6. | § Е2-1-34 п. 2а | Механизированная засыпка бульдозером ДЗ-8 (Т-100) | 100м3 | 17,96 | 0,35 | 0,35 | 0,371 | 0,79 | 0,79 | 6,66 | |
| 7. | § Е2-1-35 п. 2а | Планировка бульдозером ДЗ-8(Т-100) | 1000м2 | 22 | 0,29 | 0,29 | 0,307 | 0,8 | 0,8 | 6,75 | |
| 8. | § Е2-1-36 п. 2а | Рекультивация земли бульдозером ДЗ-8 (Т-100) | 1000м2 | 22 | 0,38 | 0,38 | 0,403 | 1,05 | 1,05 | 8,87 | |
| Монтажные работы | |||||||||||
| 9. | § Е9-2-34 п. 2б | Устройство и разборка временных мостов | 1м2 | 31,5 | 0,94 | ---- | 0,63 | 3,7 | ---- | 19,85 | |
| 10. | § Е9-2-32 № 1 | Устройство песчаного основания в траншеи | 1м3 | 143 | 0,9 | ---- | 1,206 | 16,09 | ---- | 172,458 | |
| 11. | § Е9-2-1 № 3 | Сборка труб в звенья на бровке траншеи | 1м | 1100 | 0,04 | ---- | 0,032 | 5,5 | ---- | 35,2 | |
| 12. | § Е9-2-1 п. 3в | Укладка звеньев труб в траншею | 1м | 1090 | 0,11 | --- | 0,086 | 14,99 | --- | 93,74 | |
| 13. | § Е22-2-7 таб. 1 п. 4б | Прихватка стыков трубопровода | 1ст. | 109 | 0,06 | --- | 0,165 | 0,817 | --- | 17,985 | |
| 14. | § Е22-2-2 таб. 6 п. 3а | Электросварка стыков на бровке | 1ст. | 88 | 1,4 | ---- | 3,822 | 15,4 | ---- | 336,336 | |
| 15. | § Е22-2-2 таб. 6 п. 7а | Электросварка стыков в траншее | 1ст. | 21 | 1,58 | ---- | 1,438 | 4,147 | ---- | 30,198 | |
| 16. | § Е9-2-10 таб. 2 п. 1б п. 2б | Монтаж и демонтаж оборудования для прокола | 1уст. | 1 | 24,5 | ---- | 20,83 | 3,06 | ---- | 20,83 | |
| 17. | § Е9-2-10 таб. 4 п. 1б | Прокол грунта | 1м | 5 | 1,4 | ---- | 1,12 | 0,88 | ---- | 5,6 | |
| 18. | § Е9-2-11 таб. 2 № 2 | Укладка трубы в футляр | 1м | 10 | 0,48 | ---- | 0,384 | 0,6 | ---- | 3,84 | |
| 19. | § Е9-2-11 таб. 3 № 2 | Заделка кромок футляра | 1 футляр | 1 | 2,3 | ---- | 1,71 | 0,287 | ---- | 1,71 | |
| 20. | § Е9-2-12 п. 2б | Антикоррозионная изоляция стыков | 1ст. | 109 | 0,44 | ---- | 0,321 | 5,995 | ---- | 34,99 | |
| 21. | § Е9-2-9 таб. 2 п. 2а | Испытание трубопровода | 1м | 1100 | 0,2 | ---- | 0,163 | 27,5 | ---- | 179,3 | |
С учетом районного коэффициента стоимость затрат труда в ценах 1988 года:
.4. Стыковое соединение звеньев.















