146483 (729842), страница 2
Текст из файла (страница 2)
где 8 - количество часов работы машины в смену;
- норма машинного времени, учитывающая разработку экскаватором 100 м3 грунта и погрузку в транспортные средства или навымет, маш. час, определяемая по ЕНиР 2-1.
2. Удельные капитальные вложения на разработку 1 м3 грунта:
где 1,07 - коэффициент, учитывающий затраты на доставку машин завода-изготовителя на базу механизации; Си.р - инвентарно-расчетная стоимость машины входящей в комплект, руб; Тгод - нормативное число смен работы машины в год.
-
Приведенные затраты на разработку 1 м3 грунта:
,где Е = 0,15 - нормативный коэффициент эффективности капитальных вложений.
Расcчитываются технико-экономические показатели:
Для I варианта, где ведущей машиной является экскаватор обратная лопата Э – 651 емкость ковша 0,65 м3 (с механическим приводом), работающий навымет:
Для I I варианта, где ведущей машиной является экскаватор обратная лопата Э – 656 емкость ковша 0,65 м3 (с механическим приводом), работающий навылет:
Полученные данные сводятся в таблицу и сравниваются:
Для производства работ комплект машин и механизмов принимается I вариант, так как показатели этого комплекта выгоднее и экономичнее по сравнению с комплектом машин и механизмов I I варианта.
3.3. Подбор автосамосвалов для доставки песка при устройстве основания трубопровода.
-
Объем песка в плотном теле в ковше экскаватора:
,где Vков - принятый объем ковша экскаватора, м3; Кнап - коэффициент наполнения ковша, принимаемый: для обратной лопаты 0,8...1; драглайна 0,9...1,15; Кпр - коэффициент первоначального разрыхления грунта.
-
Масса песка в ковше экскаватора:
Q = Vгр. = 0,651,6 = 1,05 т,где
- плотность грунта при естественном залегании,
.
-
Количество ковшей грунта, загружаемых в кузов автосамосвала:
Для дальности транспортирования 1,5 км выбираем автосамосвал МАЗ – 503 Б грузоподъемностью 7 тонн.[3-табл. 5; 3-стр.78]
-
Объем песка в плотном теле, загружаемый в кузов самосвала:
Продолжительность одного цикла работы автосамосвала:
,где tп = VHвр / 100 - время погрузки грунта, мин; Нвр- норма машинного времени, учитывающая разработку экскаватором 100 м3 грунта и погрузку в транспортные средства, маш.мин. [2-стр.44,табл.7]; L - расстояние транспортировки грунта, км; vг - средняя скорость автосамосвала, км/ч, в загруженном состоянии[4-табл.7]; vп = 25...30 км/ч - средняя скорость автосамосвала в порожнем состоянии; tр = 1...2 мин - время разгрузки; tм = 2...3 мин - время маневрирования перед погрузкой и разгрузкой.
-
Требуемое количество автосамосвалов:
Для доставки песка с места разработки принимаются два автосамосвала марки МАЗ-503 Б грузоподъемностью 7 тонн.
3.3. Указания по производству земляных работ.
-
Срезка растительного слоя.
Процесс срезки растительного слоя производится бульдозером ДЗ - 8 на базе трактора Т – 100, с гидравлическим приводом неповоротного отвала. Набор грунта осуществляется прямоугольным способом, на глубину зарезания 0.15 м. Схема движения бульдозера - полоса рядом с полосой.
Схема набора грунта. Схема движения бульдозера.
2. Разработка траншеи.
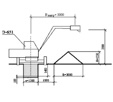
Разработка траншеи производится экскаватором марки Э-651, оборудованным обратной лопатой, с механическим приводом. Разработка ведется по лобовой схеме со складированием грунта в кавальер около траншеи, так как работы ведутся в нестесненных условиях за пределами строений.
Технические характеристики экскаватора Э-651:
1) Вместимость ковша – 0,65 м3;
2) Наибольшая глубина копания – 5,6 м;
3) Наибольший радиус резания – 9,2 м;
4)Радиус выгрузки – 5 м;
5) Высота выгрузки – 2,3 м;
6) Длина стрелы – 5,5 м.
Схема забоя экскаватора:
Максимальная ширина лобовой проходки экскаватора ЭО-651по верху при односторонней выгрузке грунта составляет:
, где
Rрез- наибольший радиус резания, (м); Lпер- длина рабочей передвижки экскаватор, (м); Rвыгр- наибольший радиус выгрузки, (м);В – ширина отвала грунта, (м)
Д
анная модель экскаватора Э-651 по результатам расчёта лобовой проходки обеспечивает разработку траншеи 1,3 м.
-
Ручная доработка и устройство основания траншеи.
Ручная доработка производится бригадой рабочих - землекопов с целью удаления лишнего грунта, не убранного экскаватором, из траншеи и выравнивания основания. Убираемый грунт складируется в кавальер на бровке траншеи. Объем ручной доработке равен объему песчаного основания под трубы.
Схема ручной доработки траншеи.
4
. Устройство основания траншеи.
Устройство основания траншеи производится той же бригадой - землекопов на высоту 10см от дна траншеи для укладки труб.
Песок доставляется с карьера самосвалами МАЗ-503Б и производиться разгрузка в траншею с помощью лотка.
Схема разгрузки самосвала в траншею.
-
Подбивка пазух с уплотнением.
Подбивка пазух производится с целью закрепления газопровода в траншее от сдвигов и перемещений. Грунт берется из кавальера. Уплотнение грунта производится в две проходки (послойно)на высоту 20 см каждая при помощи трамбовки марки ИЭ - 4502 вручную. Схема засыпки грунта в траншею аналогично схеме устройства основания.
-
Обратная засыпка.
Обратная засыпка производится бульдозером марки ДЗ -8 на базе трактора Т100, с неповоротным отвалом. Грунт перемещается из кавальера рядом с траншеей. Уплотнение грунта не производится ,т.к. газопровод прокладывается в нестесненных условиях(не в городе) и по этому засыпка производится с отметками немного больше отметки уровня земли для естественной осадки грунта.
Схема обратной засыпки траншеи:
-
Планировка и рекультивация.
Планировка и рекультивация производится бульдозером ДЗ - 8 на базе трактора Т - 100 . Схема движения бульдозера - полоса рядом с полосой. По завершению планировки производится рекультивация почвенного покрова возврат растительного слоя на прежнее место.
Схема движения:
3.4. Мероприятия по технике безопасности при выполнении земляных работ.
Общие требования техники безопасности при производстве земляных работ:
1. Во избежании несчастных случаев и повреждений машин и механизмов, обслуживающий персонал обязан знать и строго соблюдать правила техники безопасности.
2. К управлению машиной (оборудованием) допускается машинист, прошедший специальную подготовку и получивший удостоверение на управление машиной .
3. Машина (оборудование) должна содержаться в исправном состоянии. Не разрешается приступать к работе на неисправной машине (оборудовании).
4. Пуск двигателя должен осуществлять старший по смене. Перед началом пуска он должен дать сигнал предупреждения.
5. Прежде, чем тронуться с места, машинист обязан убедиться в отсутствии в опасной зоне людей и посторонних предметов.
6. Запрещается работа строительно - монтажных машин под проводами действующих ЛЭП.
7. Складирование материалов, движение и установка строительных машин и транспорта в пределах призмы обрушения грунта запрещено.
8. До начала производства земляных работ в местах расположения действующих подземных коммуникаций должны быть разработаны и согласованы с организациями, эксплуатирующими эти коммуникации, мероприятия по безопасным условиям труда, а расположение подземных коммуникаций на местности обозначено соответствующими знаками или надписями.
9. Производство земляных работ в зоне действующих подземных коммуникаций следует осуществлять под непосредственным руководством прораба или мастера, а в охранной зоне кабелей, находящихся под напряжением, или действующего газопровода, кроме того, под наблюдением работников электро- или газового хозяйства.
10. При обнаружении взрывоопасных материалов земляные работы в этих местах следует немедленно прекратить до получения разрешения от соответствующих органов.
11. Перед началом производства земляных работ на участках с возможным патогенным заражением почвы (свалка, скотомогильники, кладбища и т. п.) необходимо разрешение органов Государственного санитарного надзора.
12. Котлованы и траншеи, разрабатываемые на улицах, проездах, во дворах населенных пунктов, а также местах, где происходит движение людей или транспорта, должны быть ограждены защитным ограждением учетом требований ГОСТ 23407-78. На ограждении необходимо устанавливать предупредительные надписи и знаки, а в ночное время – сигнальное освещение. Места прохода людей через траншеи должны быть оборудованы переходными мостиками, освещаемыми в ночное время.
















