146415 (729722), страница 7
Текст из файла (страница 7)
Расчет режима резания при шлифовании
Цель работы: изучить методику расчета режима резания при шлифовании аналитическим способом. Приобрести навыки работы со справочной литературой.
ОБЩИЕ СВЕДЕНИЯ
Шлифование – процесс резания материалов с помощью абразивного инструмента, режущими элементами которого являются абразивные зерна. Движение резания при шлифовании – вращение шлифовального круга, движение подачи – возвратно-поступательное движение стола станка с заготовкой и (или) поступательное движение шлифовальной бабки со шлифовальным кругом.
Различают круглое наружное шлифование, внутреннее круглое шлифование, плоское шлифование, бесцентровое шлифование. Круглое наружное шлифование применяется для обработки цилиндрических наружных поверхностей и осуществляется двумя способами: с продольной подачей (метод врезания) – применяется если длина шлифуемой поверхности меньше ширины круга.
Разработку режимов резания при шлифовании начинают с выбора характеристики шлифовального круга.
Для этого устанавливают:
тип (форму) шлифовального круга [2] или [3],
материал абразивного зерна [2] или [3] , [6],
зернистость [2],
индекс зернистости [2],
твердость [2], [6],
структура [2], [6],
класс круга [2].
(Если выбор характеристики шлифовального круга производится по [3],
то ее следует перевести в новое обозначение).
Выбор характеристики шлифовального круга можно провести по приложению 1 к данной инструкции.
После выбора элементов характеристики следует записать полную характеристику, которая содержит такие параметры: форму (тип), марку зерна, зернистость, индекс зернистости, твердость круга, структуру, тип связки, класс круга, допустимую окружную скорость.
Основными элементами режима резания при шлифовании являются: окружная скорость в м/с (указывается в конце характеристики круга и является максимальной допускаемой прочностью круга);
скорость вращательного или поступательного движения детали в м/мин;
глубина шлифования t мм – слой металла, снимаемый шлифовальным кругом за один или двойной ход при круглом или плоском шлифовании или же равная всему припуску на сторону при врезном шлифовании;
продольная подача S – перемещение шлифовального круга вдоль своей оси в мм на оборот заготовки при круглом шлифовании или в мм на каждый ход стола при плоском шлифовании периферией круга;
радиальная подача Sp – перемещение шлифовального круга в радиальном направлении в мм на один оборот детали при врезном шлифовании.
Эффективная мощность (мощность необходимая для резания) рассчитывается по эмпирической формуле [2], [3] или определяется по таблицам нормативов.
Основное время при круглом шлифовании с продольной подачей
где h – припуск на сторону, мм;
Vc – скорость продольного хода стола , м/мин;
t – глубина шлифования, мм;
К – коэффициент выхаживания;
К=1,4 – при чистовом шлифовании;
К=1,1 – при предварительном шлифовании;
L – величина хода стола, мм
L=l-(1-Km)Bk , мм (7.2)
где l – длина шлифуемой поверхности;
К – число сторон перебега круга (К=2 – при сбеге круга в обе стороны, К=1 – при сбеге круга в одну сторону, К=0 – без сбега);
m – перебег в долях ширины круга;
Bk – ширина шлифовального круга, мм.
При круглом наружном шлифовании методом врезания
где nз – частота вращения заготовки, об/мин;
Sp – радиальная подача, мм/об.
При круглом шлифовании
где S – продольная подача, мм/об.
При круглом внутреннем шлифовании перебег круга в обе стороны равен 0,5В, тогда
L=l-(1-20,5)B, т.е.
L=l
Плоское шлифование
где Н – перемещение шлифовального круга в направлении поперечной подачи, мм;
L – величина хода стола, мм;
h – припуск на сторону;
Vc – скорость движения стола, м/мин;
g – число одновременно шлифуемых заготовок.
Н=Вз+Вк+5, мм
где Вз – суммарная ширина заготовок, установленных на столе, мм.
Вк – величина шлифовального круга, мм.
L=l+(1015), мм
где l – суммарная длина заготовок , установленных на столе, мм.
Пример решения задачи
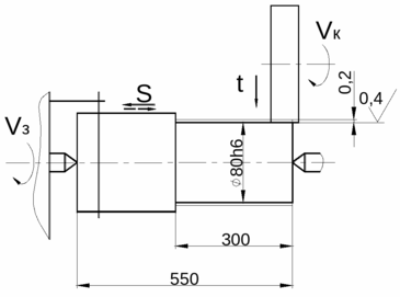
На круглошлифовальном станке 3М131 шлифуется шейка вала диаметром D=80h6 мм длиной l=300 мм, длина валаl1=550 мм. Параметр шероховатости обработанной поверхности Ra=0,4 мкм. Припуск на сторону 0,2 мм. Материал заготовки – сталь 45 закаленная, твердостью HRC45.
Необходимо: выбрать шлифовальный круг, назначить режим резания; определить основное время.
Решение
Рис.5
1. Выбор шлифовального круга.
Для круглого наружного шлифования с продольной подачей (шлифовать с радиальной подачей нельзя из-за большой длины шлифуемой поверхности), параметра шероховатости Ra=0,4 мкм, конструкционной закаленной стали до HRC45 принимаем шлифовальный круг формы ПП, [2],
характеристика – 24 А401К, [6],
индекс зернистости – Н, [2],
структура – 5, [6],
класс – А, [2],
Полная маркировка круга ПП24 А40НС15КА 35 м/с.
Размеры шлифовального круга Dk=600 мм; Вк=63 мм (по паспорту станка).
2. Режим резания
2.1 Скорость шлифовального круга Vk =35 м/с [2].
Частота вращения шпинделя шлифовальной бабки
Корректируя по паспортным данным станка, принимаем
nш=1112 об/мин.
(корректируется только в меньшую сторону).
Режимы резания для окончательного круглого наружного шлифования конструкционных сталей с подачей на каждый ход определяют по [2] или [3].
2.2 Окружная скорость заготовки Vз =1555 м/мин; принимаем Vз=30 м/мин.
Частота вращения шпинделя передней бабки, соответствующая принятой окружной скорости заготовки,
Так как частота вращения заготовки регулируется бесступенчато, принимаем nз=120 об/мин.
2.3 Глубина шлифования
t=0,0050,015 мм.
Принимаем, учитывая бесступенчатое регулирование поперечной подачи шлифовального круга на ход стола,
t=0,005 мм.
2.4 Продольная подача
S=(0,20,4)Вк , мм/об.
Принимаем S=0,25Вк=0,2563=15,75 мм/об.
2.5 Скорость продольного хода стола
С учетом паспортных данных (бесступенчатое регулирование скорости продольного хода стола) принимаем
Vc=1,9 м/мин.
3. Проверка достаточности мощности станка
3.1 Мощность затрачиваемая на резание
Np=CNVзztxSydq , кВт [2], [3],
где CN – коэффициент, учитывающий условия шлифования;
x, y, z, q – показатели степени;
V, t, S – элементы режима резания;
d – диаметр шлифования, мм.
Для круглого наружного шлифования закаленной стали с подачей на каждый ход шлифовальным кругом зернистостью 40, твердостью СМ1
CN=2,65; z=0,5; х=0,5; y=0,55; q=0,
тогда Np=2,65300,50,0050,515,750,551=2,655,480,074,55=4,63 кВт.
3.2 Мощность на шпинделе станка
Nшп=Nд , кВт
где Nд =7,5 кВт; =0,8 – паспортные данные станка (см. приложение 2 к данным методическим указаниям).
Nшп=7,50,8=6 кВт.
Так как Nшп=6 кВтNp=4,63 кВт, то обработка возможна.
4. Основное время
L=l-(1-Km)Вк , мм
где m – доля перебега круга , принимаем m=0,5 (т.е. половина круга); К=1 – число сторон перебега круга (см. эскиз обработки),
тогда
L=l-(1-10,5)Вк=l-0,5 Вк=300-0,563=268,5 мм
К=1,4 – коэффициент выхаживания
Задание на практическое занятие №7
Выполнить расчет режима резания аналитическим способом по заданному варианту.
Исходные данные приведены в таблице 7.
Порядок выполнения работы аналогичен предыдущим.
Таблица 7
| № | Материал заготовки и его свойства | Вид обработки и параметр шерохоатости поверхности, мкм | Размер шлифуемой поверхности, мм | Припуск на сторону , мм | Кол-во одновре-менно обраба-тыва-емых деталей | Модель станка |
| 1 | 2 | 3 | 4 | 5 | 6 | 7 |
| 1 | Сталь 45ХН закаленная, НRC45 | Окончательная, Ra=0,8 | D=60h8 l=240 | 0,22 | 1 | 3М131 |
| 2 | Сталь 40Х незакаленная | Окончательная, Ra=0,4 | D=55h7 l=40 | 0,15 | 1 | 3М131 |
| 3 | Серый чугун СЧ30, НВ220 | Предварительная, Ra=1,6 | D=120H8 l=140 | 0,25 | 1 | 3К228В |
Продолжение табл. 7
| 1 | 2 | 3 | 4 | 5 | 6 | 7 |
| 4 | Серый чугун СЧ15, НВ190 | Окончательная, Ra=0,8 | D=80H7 l=60 | 0,2 | 1 | 3К228В |
| 5 | Сталь 12Х18Н9Т незакаленная | Предварительная, Ra=1,6 | B=250 l=300 | 0,4 | 2 | 3П722 |
| 6 | Сталь 40Х закаленная, НRC52 | Окончательная, Ra=0,4 | D=55H7 l=50 | 0,18 | 1 | 3К228В |
| 7 | Сталь 47А закаленная, НRC60 | Окончательная, Ra=0,8 | B=200 l=300 | 0,25 | 6 | 3П722 |
| 8 | Серый чугун СЧ20, НВ200 | Предварительная, Ra=1,6 | B=280 l=650 | 0,5 | 1 | 3П722 |
| 9 | Бронза Бр АЖН 10-4 НВ170 | Окончательная, Ra=0,8 | D=45h7 l=120 | 0,2 | 1 | 3М131 |
| 10 | Сталь 40 закаленная, НRC35 | Окончательная, Ra=0,4 | D=84h7 l=300 | 0,1 | 1 | 3М131 |
| 11 | Сталь Ст5 незакаленная | Предварительная, Ra=1,6 | D=120h8 l=48 | 0,25 | 1 | 3М131 |
| 12 | Сталь 45Х закаленная, НRC45 | Окончательная, Ra=0,8 | D=85H7 l=60 | 0,18 | 1 | 3П722 |
| 13 | Сталь 40ХНМА закаленная, НRC55 | Окончательная, Ra=0,8 | B=120 l=270 | 0,2 | 6 | 3П722 |
| 14 | Латунь ЛМцЖ 52-4-1 | Предварительная, Ra=1,6 | D=120H8 l=80 | 0,25 | 1 | 3К228В |
| 15 | Сталь 48А закаленная, НRC60 | Окончательная, Ra=0,4 | D=80H7 l=70 | 0,15 | 1 | 3К228В |
| 16 | Сталь 35 незакаленная | Предварительная, Ra=1,6 | D=75h8 l=55 | 0,3 | 1 | 3М131 |
| 17 | Сталь 45 закаленная, НRC40 | Окончательная, Ra=0,8 | D=38h7 l=100 | 0,15 | 1 | 3М131 |
| 18 | Серый чугун СЧ10, НВ180 | Предварительная, Ra=1,6 | D=65h7 l=90 | 0,2 | 1 | 3М131 |
| 19 | Серый чугун СЧ30, НВ220 | Окончательная, Ra=0,8 | B=45 l=250 | 0,25 | 10 | 3П722 |
| 20 | Сталь 40 незакаленная | Предварительная, Ra=1,6 | D=58H8 l=60 | 0,3 | 1 | 3К228В |
| 21 | Сталь 40Х закаленная, НRC50 | Окончательная, Ra=0,4 | D=65H7 l=70 | 0,25 | 1 | 3К228В |
| 22 | Сталь Ст3 незакаленная | Предварительная, Ra=1,6 | B=55 l=150 | 0,45 | 20 | 3П722 |
| 23 | Сталь 45Х закаленная, НRC52 | Предварительная, Ra=1,6 | B=80 l=250 | 0,35 | 8 | 3П722 |
| 24 | Серый чугун СЧ20, НВ200 | Предварительная, Ra=1,6 | D=110h8 l=280 | 0,2 | 1 | 3М131 |
| 25 | Сталь 30ХГТС закаленная, НRC55 | Окончательная, Ra=0,4 | D=65h7 l=50 | 0,25 | 1 | 3М131 |
| 26 | Сталь 40Х закаленная, НRC40 | Окончательная, Ra=0,8 | D=65h7 l=200 | 0,3 | 1 | 3М131 |
ЛИТЕРАТУРА
-
Аршинов В.А., Алексеев Г.А. Резание металлов и режущий инструмент. – М.: Машиностроение, 1976.
-
Справочник технолога-машиностроителя. В двух томах. Т.2. Под ред. А.Г. Косиловой и Р.К. Мещерякова. – М.: Машиностроение, 1985.
-
Справочник технолога-машиностроителя. В двух томах. Т.2. Под ред. А.А. Малова . – М.: Машиностроение, 1972.
-
Общемашиностроительные нормативы режимов резания для технического нормирования работ на металлорежущих станках. Часть 1. – М.: Машиностроение, 1967.
-
Общемашиностроительные нормативы режимов резания для технического нормирования работ на металлорежущих станках. Часть 2. – М.: Машиностроение, 1967.
-
Справочник по обработке металлов резанием. Абрамов Ф.Н. и др. – К.: Техника, 1983.
-
Справочник нормировщика-машиностроителя: в 2 т./Под ред. Е.М. Стружестраха. – М.: ГОСИздат, 1961. – Т,2. – 892 с.
Приложение I















