146415 (729722), страница 3
Текст из файла (страница 3)
Расчет режимов резания при токарных работах с помощью нормативно-справочной литературы
Цель работы: Изучить методику назначения режима резания по таблицам нормативов. Ознакомиться и приобрести навыки работы с нормативами.
Общие положения
Точение широко распространенный метод обработки резанием тел вращения. Применяется для удаления наружных, внутренних и торцовых поверхностных слоев заготовок (цилиндрических, конических и фасонных). Рассматривают следующие виды точения:
-
черновое точение ("обдирка") - удаление дефектных слоев заготовки, разрезка, отрезка и подрезка торцов заготовки. Срезается поверхностная "корка" и основная (70%) часть припуска на обработку, позволяет получать шероховатость 50...12,5 Ra;
-
получистовое точение - снятие 20...25% припуска и позволяет получать шероховатость 6,3...3,2 Ra и точность 10...11-го квалитетов. Заготовка получает форму, близкую к детали.
-
чистовое точение - обеспечивает получение шероховатости 3,2...1,6 Ra и точность 7-9-го квалитетов. Деталь получает окончательную форму и размеры;
-
тонкое точение - позволяет при срезании очень тонких стружек получать на поверхностях детали шероховатость 0,40..0,20 Ra и точность 5-7-го квалитетов.
Определение режимов резания состоит в выборе по заданным условиям обработки наивыгоднейшего сочетания глубины резания , подачи и скорости резания, обеспечивающих наименьшую трудоемкость и себестоимость выполнения операции.
Режимы резания устанавливаются в следующем порядке:
1. Определение глубины резания t мм и числа проходов i. При черновом точении весь припуск целесообразно снимать за один проход ( в ряде случаев, когда имеется лимит мощности станка, бывает выгодно снимать припуск за несколько проходов). Целесообразность этого должна определяться сравнительным расчетом продолжительности оперативного времени. Деление припусков на несколько проходов производится также при получистовом и чистовом точении, а также при обработке резцами с дополнительной режущей кромкой (1=0).
2. Выбор подачи S мм/об. Подача выбирается в зависимости от площади сечения державки резца, диаметра обработки и глубины резания. Выбранная подача проверяется на допустимость по мощности электродвигателя , прочности державки резца, прочности пластин из твердого сплава и от заданной чистоты поверхности.
3. Определение нормативной скорости резания Vм/мин. И соответствующей ей частоты вращения n, мин-1. По значению скорости выбирается потребная частота вращения шпинделя, которая корректируется по паспорту станка.
4. Определяются усилия и мощности резания по выбранным значениям t,S и V.
5. Проверка возможности осуществления выбранного режима резания на заданном станке по его эксплуатационным данным. Если найденный режим не может быть осуществлен на заданном станке, а выбранная подача удовлетворяет, необходимо уменьшить скорость резания. Уменьшение скорости V осуществляется вводом поправочного коэффициента изменения скорости Kv в зависимости от отношения мощности на шпинделе, допустимой станком, к мощности по нормативам.
6. Корректировка выбранного режима по станку в соответствии с его паспортными данными.
Пример решения задачи
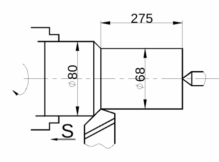
Рассчитать режим резания при предварительной обточке детали типа вал на станке 16К20.
Исходные данные: род и размер заготовки - прокат, сталь 45; в=550 МПа; D=80 мм; d=68 мм; l=275 мм; условия выполнения операции - заготовка устанавливается в самоцентрирующийся патрон с поджатием центра задней бабки.
Решение
2. Выбор режущего инструмента.
Для обтачивания вала из стали 45 принимаем токарный проходной резец прямой правый с пластиной из твердого сплава Т5К10 [2] или [3] =45; 1=10; с=4 мм (толщина пластинки); ВхН=25х25 (сечение державки); Ip=1,5 Н (вылет резца).
-
Назначение режимов резания.
Расчет режимов резания выполним в традиционной последовательности с использованием данных работы [7].
3.1 Глубина резания. При черновой обработке припуск срезаем за один проход , тогда
3.2 Назначаем подачу. Для державки резца сечением 25х25 мм, диаметра обработки до 100 мм и глубины резания до 8 мм рекомендуется подача S=0,5...0,7 мм/об;
Проверим допустимость рекомендуемой подачи по мощности электродвигателя , прочности державки резца и прочности пластинки твердого сплава.
Для глубины резания t=6 мм, мощности электродвигателя Nд=8 кВт и для резца 10 допускается подача S=0,7мм/об. Для стали с пределом прочности в=550 МПа (55 кг/мм2) поправочный коэффициент Кмs=1,07. Следовательно, подача, допускаемая мощностью электродвигателя (из условий обеспечения работы для твердого сплава со скоростью не ниже 50 м/мин) S=0,71,07=0,75 мм/об.
Для резца с державкой сечением 25х25 мм и глубиной резания t=6 мм находим подачу S=3 мм/об. Умножив эту подачу на поправочный коэффициент Кмs=1,07, соответствующий стали с пределом прочности в=550 МПа (55 кг/мм2), и Кмs=0,58, соответствующий вылету резца l=1,5 H, найдем подачу, допустимую прочностью державки резца: S=31,070,58=1,86 мм/об.
Для резца с главным углом в плане =45, толщиной пластинки твердого сплава с=4 мм и для глубины резания t=6 мм находим подачу S=1,11 мм/об.
С учетом поправочного коэффициента для стали (в=550 МПа), Кмs=1,07, допускается подача по прочности пластинки твердого сплава
S=1,111,07=1,19 мм/об.
Из сопоставления подач S=0,7 мм/об, S=1,86 мм/об и S=1,19 мм/об, видим, что величину подачи лимитирует мощность электродвигателя. Подача, допустимая мощностью электродвигателя, не ограничивает максимальную подачу S=0,7 мм/об. Такая подача имеется на станке (согласно паспортным данным), следовательно, ее и примем для выполнения технологического перехода обработки 68 .
3.3. Скорость резания и частота вращения шпинделя. Для глубины резания t=6 мм резца проходного прямого с главным углом в плане =45 для S=0,7 мм/об соответствует V=100 м/мин, Pz=6630 H, Nэ=10,7 кВт.
Определяем поправочные коэффициенты для измененных условий резца. В данном примере необходимо учесть только поправочный коэффициент в зависимости от предела прочности обработанного материала в. Для в=550 МПа находим Kmv =1,18,
,
.
Следовательно, для заданных условий обработки нормативные значения V, Pz и Nэ составляют: V=1001,18=118 м/мин; Pz=66300,92=6100 Н; Nэ=10,71,09=11,6 кВт.
Найденный режим не может быть осуществлен на заданном станке , так как эффективная мощность , потребная на резание Nэ=11,6 кВт, выше мощности на шпинделе, допустимой номинальной мощностью электродвигателя (7,5 кВТ по паспорту станка). Необходимо уменьшить скорость резания. Коэффициент изменения скорости резания зависит от отношения мощности на шпинделе, допускаемой станком, к мощности по нормативам.
В данном примере это отношение будет 7,5/11,6=0,6.
Для этого соотношения коэффициент изменения скорости резания: Kv =0,55 м/мин. Скорость резания, установленная по мощности станка ,
V=1880,55=65 м/мин
Частота вращения шпинделя
По паспорту станка выбираем n=250 об/мин. Тогда фактическая скорость резания
Окончательно для перехода обработки 80: глубина резания t=6мм, подача S=0,7 мм/об, n=250 об/мин, Vф=62,8 м/мин.
4. Основное время
где L - путь резца
L=l+l1=275+6=281 мм
здесь l1 - величина врезания резца (для данного примера). Для глубины резания t=6 мм и главном угле в плане =45 находим l1=6 мм;
l - длина обработанной поверхности.
Задание на практическое занятие №3.
Определить режимы резания по таблицам нормативов (по заданному варианту) для обработки на токарно-винторезном станке 16К20.
Исходные данные приведены в таблице 3.
Порядок выполнения работы
-
Пользуясь инструкцией и дополнительной литературой, изучить методику определения режима резания. Ознакомиться со справочником [7].
-
Выполнить эскиз обработки.
-
Выбрать режущий инструмент, выполнить эскиз.
-
Назначить глубину резания.
-
Определить подачу.
-
Определить скорость, силу и мощность затрачиваемую на резание.
-
Определить частоту вращения шпинделя и скорректировать по паспорту станка.
-
Определить действительную скорость резания.
-
Определить основное технологическое время. Таблица 3
| № | Заготовка, материал и его свойства | Вид обработки и параметр шероховатости | D, мм | d, мм | l, мм |
| 1 | 2 | 3 | 4 | 5 | 6 |
| 1 | Прокат. Сталь 45, в=600 МПа | Растачивание на проход, Ra=3,2 мкм | 97 | 100H10 | 120 |
| 2 | Прокат. Сталь 2Х13, в=600 МПа | Обтачивание на проход, Ra=3,2 мкм | 80 | 70h10 | 300 |
| 3 | Прокат. Сталь ШХ15, в=700 МПа | Растачивание в упор, Ra=12,5мкм | 90 | 95H12 | 50 |
| 4 | Отливка с коркой. Серый чугун СЧ 15, НВ197 | Обтачивание в упор, Ra=12,5 мкм | 100 | 94h12 | 150 |
| 5 | Прокат. Латунь ЛМцЖ 52-4-1 НВ220 | Растачивание на проход, Ra=12,5 мкм | 48 | 54H12 | 70 |
| 6 | Отливка. Чугун ВЧ 60-2. НВ240 | Растачивание, Ra=3,2 мкм | 70 | 63h10 | 60 |
| 7 | Прокат. Сталь 40Х, в=700 МПа | Обработка в упор, Ra=12,5 мкм | 66 | 70H12 | 100 |
| 8 | Обработанная. СЧ 24, НВ207 | Обработка в упор, Ra=3,2 мкм | 120 | 114h10 | 250 |
| 9 | Поковка. Чугун КЧ33 НВ163 | Обработка на проход, Ra=12,5 мкм | 110 | 116H12 | 150 |
| 10 | Обработанная.Сталь20Х, в=550 МПа | Обработка в упор, Ra=1,6 мкм | 80 | 70h7 | 200 |
| 11 | Прокат. Сталь 40ХН, в=700 МПа | Обработка на проход, Ra=3,2 мкм | 74 | 80H10 | 75 |
| 12 | Прокат. Сталь 18ХГТ, в=700 МПа | Обработка на проход, Ra=12,5 мкм | 170 | 155h12 | 125 |
| 13 | Обработанная.Сталь65Г, в=700 МПа | Обработка в упор, Ra=12,5 мкм | 62 | 70H12 | 80 |
| 14 | Отливка с коркой. Серый чугун СЧ 21, НВ205 | Обработка в упор, Ra=12,5 мкм | 125 | 113h12 | 275 |
| 15 | Поковка. Чугун КЧ35 НВ163 | Обработка на проход, Ra=3,2 мкм | 138 | 150H10 | 100 |
| 16 | Обработанная.Сталь1Х13,в=500МПа | Обтачивание на проход, Ra=3,2 мкм | 90 | 81h10 | 175 |
| 17 | Прокат. Сталь 1Х18Н9Т, в=550 МПа | Обработка в упор, Ra=12,5 мкм | 42 | 50H12 | 90 |
| 18 | Отливка с коркой. Бронза БрАЖН 10-4. НВ170 | Обтачивание на проход, Ra=1,6 мкм | 105 | 100h7 | 85 |
| 19 | Отливка с коркой. Серый чугун СЧ 40, НВ210 | Обработка на проход, Ra=3,2 мкм | 60 | 69H12 | 45 |
| 20 | Обработанная.Сталь35, в=560МПа | Обработка на проход, Ra=1,6 мкм | 115 | 100h7 | 280 |
| 21 | Прокат. Сталь 38ХА, в=680 МПа | Обработка на проход, Ra=1,6 мкм | 85 | 90H7 | 110 |
| 22 | Отливка с коркой. Сталь35ХГСЛ, в=800Мпа | Обтачивание, Ra=12,5 мкм | 95 | 90h12 | 70 |
| 23 | Прокат. Сталь 20, в=420 МПа | Обработка на проход, Ra=1,6 мкм | 65 | 70H7 | 50 |
| 24 | Обработанная.Сталь50, в=900МПа | Обработка в упор, Ra=12,5 мкм | 55 | 51h12 | 35 |
| 25 | Обработанная.Сталь50Х, в=650МПа | Обработка в упор, Ra=3,2 мкм | 32 | 35H10 | 20 |
| 26 | Отливка с коркой. Сталь30Л, в=480МПа | Обработка на проход, Ra=1,6 мкм | 100 | 92h7 | 195 |
Продолжение табл. 3
| 1 | 2 | 3 | 4 | 5 | 6 |
| 27 | Прокат. Сталь 30ХМ, в=1000 МПа | Обработка на проход, Ra=12,5 мкм | 75 | 80H12 | 120 |
| 28 | Прокат. Сталь 30, в=600 МПа | Обработка в упор, Ra=3,2 мкм | 116 | 98h10 | 115 |
| 29 | Отливка с коркой. Чугун ЖЧХ, НВ250 | Обработка на проход, Ra=12,5 мкм | 95 | 115H12 | 180 |
| 30 | Прокат. Сталь 65Г, в=700 МПа | Обработка на проход, Ra=12,5 мкм | 150 | 128h12 | 300 |
ПРАКТИЧЕСКОЕ ЗАНЯТИЕ №4















