146415 (729722), страница 2
Текст из файла (страница 2)
ПРАКТИЧЕСКОЕ ЗАНЯТИЕ №2
Расчет режима резания при точении аналитическим способом
Цель работы: изучить методику расчета режима резания аналитическим способом. Ознакомиться и приобрести навыки работы со справочной литературой.
ОБЩИЕ СВЕДЕНИЯ
Обработка заготовки точением осуществляется при сочетании двух движений: равномерного вращательного движения детали - движения резания (или главное движение) и равномерного поступательного движения резца вдоль или поперек оси детали - движение подачи. К элементам режима резания относятся: глубина резания t, подача S, скорость резания V.
Глубина резания - величина срезаемого слоя за один проход, измеренная в направлении, перпендикулярном обработанной поверхности, т.е. перпендикулярном направлению подачи. При черновой обработке , как правило, глубину резания назначают равной всему припуску, т.е. припуск срезают за один проход
где h - припуск , мм;
D - диаметр заготовки, мм;
d - диаметр детали, мм.
При чистовой обработке припуск зависит от требований точности и шероховатости обработанной поверхности.
Подача - величина перемещения режущей кромки инструмента относительно обработанной поверхности в направлении подачи за единицу времени (минутная подача Sм) или за один оборот заготовки. При черновой обработке назначают максимально возможную подачу исходя из жесткости и прочности системы СПИД, прочности пластинки, мощности привода станка; при чистовой обработке - в зависимости от требуемой степени точности и шероховатости обработанной поверхности.
Скорость резания - величина перемещения точки режущей кромки инструмента относительно поверхности резания в направлении движения резания за единицу времени. Скорость резания зависит от режущих свойств инструмента и может быть определена при точении по таблицам нормативов [4] или по эмпирической формуле
где Сv - коэффициент, учитывающий условия обработки;
m, x, y - показатели степени;
T - период стойкости инструмента;
t - глубина резания, мм;
S - подача, мм/об;
Kv - обобщенный поправочный коэффициент, учитывающий изменения условий обработки по отношению к табличным
где Kmv - коэффициент, учитывающий влияние материала заготовки;
Knv - коэффициент, учитывающий состояние поверхности заготовки;
Kuv - коэффициент, учитывающий материал инструмента;
Kv - коэффициент, учитывающий главный угол в плане резца;
Krv - коэффициент, учитывающий радиус при вершине резца - учитывается только для резцов из быстрорежущей стали.
При настройке станка необходимо установить частоту вращения шпинделя, обеспечивающую расчетную скорость резания.
Основное технологическое (машинное) время - время, в течение которого происходит снятие сружки без непосредственного участия рабочего
где L - путь инструмента в направлении рабочей подачи, мм;
i - количество проходов.
L=l+y+
, мм
где l - размер обрабатываемой поверхности в направлении подачи;
y - величина врезания, мм;
- величина перебега, мм,
=12 мм.
y=tctg ,
где t - глубина резания;
- главный угол в плане резца.
Пример решения задачи
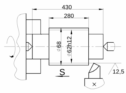
На токарно-винторезном станке 16К20 производится черновое обтачивание на проход вала D=68 мм до d=62h12 мм. Длина обрабатываемой поверхности 280 мм; длина вала l1= 430 мм. Заготовка - поковка из стали 40Х с пределом прочности в=700 МПа. Способ крепления заготовки - в центрах и поводковом патроне. Система СПИД недостаточно жесткая. Параметр шероховатости поверхности Ra=12,5 мкм. Необходимо: выбрать режущий инструмент, назначить режим резания; определить основное время.
Решение
-
Выполнение эскиза обработки.
рис. 1
-
Выбор режущего инструмента
Для обтачивания на проход вала из стали 40Х принимаем токарный проходной резец прямой правый с пластинкой из твердого сплава Т5К10 [2] или [3]. Форма передней поверхности радиусная с фаской [3]; геометрические параметры режущей части резца:
=150 ; =12; =0 [3],
=600 ; 1=150; [3],
r=1 мм; f=1 мм; [3].
-
Назначение режимов резания
3.1. Глубина резания. При черновой обработке припуск срезаем за один проход, тогда
-
Назначаем подачу. Для черновой обработки заготовки из конструкционной стали диаметром до 100 мм резцом сечением 16х25 (для станка 16К20) при глубине резания до 3 мм:
S=0,61,2 мм/об [2], [3].
В соответствии с примечанием 1 к указанной таблице и паспортным данным станка (см. Приложение 1 к данным методическим указаниям) принимаем S=0,8 мм/об.
-
Скорость резания , допускаемая материалом резца
где Cv=340; x=0,15; y=0,45, m=0,2, T=60 мин [2], [3]
Поправочный коэффициент для обработки резцом с твердосплавной пластиной
Kv=KmvKnvKuvKv
где Kr=1; nv=1 [2],
Knv=0,8 [2] или [3],
Kuv=0,65 [2] или [3],
Kv=0,9 [2] или [3].
3.4. Частота вращения, соответствующая найденной скорости резания
Корректируем частоту вращения шпинделя по паспортным данным станка
nд=315 об/мин.
-
Действительная скорость резания
-
Основное время
Путь резца L=l+y +
, мм
Врезание резца y=tctg=3ctg 600=30,58=1,7 мм
Пробег резца
=1,3 мм.
Тогда L=280+1,7+1,3=383 мм.
Задание на практическое занятие №2
Выполнить расчет режимов резания аналитическим способом (по эмпирической формуле) по заданному варианту для обработки на токарно-винторезном станке 16К20.
Исходные данные приведены в таблице 2.
Порядок выполнения работы
-
Пользуясь инструкцией и дополнительной литературой, изучить методику определения режима резания. Ознакомиться со справочником [2] или [3]. Ознакомиться с условием задания.
-
Выполнить эскиз обработки.
-
Выбрать режущий инструмент.
-
Назначить глубину резания.
-
Определить подачу.
-
Рассчитать скорость резания.
-
Определить частоту вращения шпинделя и скорректировать по паспорту станка.
-
Определить действительную скорость резания.
-
Рассчитать основное технологическое время.
-
Составить отчет по форме 2.
Таблица 2
| Номер вари-анта | Заготовка, материал и его свойства | Вид обработки и параметр шероховатости | D, мм | d, мм | l, мм |
| 1 | 2 | 3 | 4 | 5 | 6 |
| 1 | Прокат. Сталь 20, в=500 МПа | Обтачивание на проход Ra=12,5 мкм | 90 | 82h12 | 260 |
| 2 | Отливка с коркой. Серый чугун СЧ 20, НВ160 | Обтачивание на проход Ra=12,5 мкм | 120 | 110h12 | 310 |
| 3 | Поковка. Сталь 12Х18Н9Т, НВ180 | Обтачивание в упор Ra=1,6 мкм | 52 | 50e9 | 400 |
| 4 | Прокат. Сталь 14Х17Н2, НВ200 | Растачивание в упор Ra=3,2 мкм | 90 | 93H11 | 30 |
| 5 | Отливка без корки СЧ30, НВ220 | Растачивание на проход Ra=3,2 мкм | 80 | 83H11 | 50 |
| 6 | Отливка с коркой. Серый чугун СЧ 20, НВ210 | Растачивание на проход Ra=12,5 мкм | 120 | 124H12 | 100 |
| 7 | Прокат. Сталь 38ХА, в=680 МПа | Обтачивание на проход Ra=12,5 мкм | 76 | 70h12 | 315 |
| 8 | Обработанная. Сталь 35, в=560 МПа | Растачивание на проход Ra=3,2 мкм | 97 | 100H11 | 75 |
| 9 | Отливка с коркой. Серый чугун СЧ 15, НВ170 | Обтачивание в упор Ra=12,5 мкм | 129 | 120h12 | 340 |
| 10 | Обработанная. Серый чугун СЧ 10, НВ160 | Подрезание сплошного торца Ra=12,5 мкм | 80 | 0 | 3,5 |
| 11 | Поковка. Сталь 40ХН, в=700 МПа | Растачивание на проход Ra=3,2 мкм | 77 | 80H11 | 45 |
| 12 | Обработанная. Сталь Ст3, в=600 МПа | Подрезание сплошного торца Ra=12,5 мкм | 90 | 0 | 5 |
| 13 | Прокат. Сталь 40Х, в=750 МПа | Обтачивание в упор Ra=0,8 мкм | 68 | 62e9 | 250 |
| 14 | Обработанная. Сталь Ст5, в=600 МПа | Растачивание на проход Ra=12,5 мкм | 73 | 80H12 | 35 |
| 15 | Отливка с коркой. Серый чугун СЧ 20, НВ180 | Обтачивание на проход Ra=12,5 мкм | 62 | 58h12 | 210 |
| 16 | Отливка с коркой. Серый чугун СЧ 20, НВ200 | Подрезание втулки Ra=3,2 мкм | 80 | 40 | 2,5 |
| 17 | Поковка. Сталь 20Х, в=580 МПа | Растачивание сквозное Ra=1,6 мкм | 48 | 50H9 | 50 |
| 18 | Обработанная. Сталь 50, в=750 МПа | Подрезание торца втулки Ra=3,2 мкм | 60 | 20 | 2,0 |
| 19 | Отливка с коркой. Бронза Бр АЖН 10-4, НВ170 | Обтачивание на проход Ra=1,6 мкм | 88 | 85e12 | 140 |
| 20 | Прокат. Латунь ЛМцЖ 52-4-1, НВ220 | Растачивание в упор Ra=3,2 мкм | 48 | 53H11 | 65 |
Продолжение табл. 2
| 1 | 2 | 3 | 4 | 5 | 6 |
| 21 | Обработанная. Серый чугун СЧ 30, НВ220 | Подрезание торца Ra=1,6 мкм | 65 | 0 | 1,5 |
| 22 | Обработанная. Серый чугун СЧ 20, НВ220 | Обработка в упор Ra=3,2 мкм | 74 | 80H11 | 220 |
| 23 | Поковка. Сталь 30ХН3А, в=800 МПа | Обработка на проход Ra=12,5 мкм | 105 | 115H12 | 260 |
| 24 | Прокат. Сталь 30ХМ, в=780 МПа | Подрезание торца Ra=1,6 мкм | 80 | 0 | 2,5 |
| 25 | Обработанная. Сталь 45, в=650 МПа | Обработка на проход Ra=1,6 мкм | 72 | 80H9 | 100 |
| 26 | Прокат. Сталь ШХ15, в=700 МПа | Растачивание на проход Ra=3,2 мкм | 90 | 95H11 | 60 |
| 27 | Поковка. Ковкий чугун КЧ30, НВ163 | Обтачивание на проход Ra=12,5 мкм | 115 | 110h7 | 150 |
| 28 | Отливка с коркой. Серый чугун СЧ 15, НВ163 | Обтачивание в упор Ra=6,3 мкм | 150 | 142h8 | 70 |
| 29 | Прокат. Бронза Бр АЖ 9-4, в=500 МПа | Растачивание в упор Ra=12,5 мкм | 60 | 69H11 | 50 |
| 30 | Прокат. Сталь 35Г2, в=618 МПа | Подрезание торца втулки Ra=6,3 мкм | 100 | 80 | 3,0 |
Практическое занятие №3













