146280 (729490)
Текст из файла
-
Исходные данные для расчетов
Размеры и монтажный вес балок по типовым проектам Инв. №710/5
| ln, м | h, м | с1, м | l, м | Pкб, кН | Pаб, кН |
| 13,3 | 0,90 | 0,30 | 12,70 | 128,57 | 118,59 |
Размеры поперечного профиля автодорожных мостов СНиП 2.05.03–84
| Категория дороги | Общее число полос движения | Габарит | Ширина, м | |
| Полосы безопасности | Проезжей части | |||
| III | 2 | 10 | 1,5 | 7,0 |
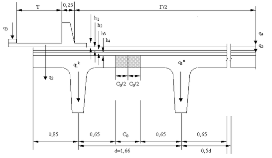
9. Вычисление постоянных нагрузок на 1 погонный метр главной балки.
Нормативная постоянная нагрузка на 1 погонный метр балки от ее собственного веса и веса стыка, объединяющего соседние балки, кН/м.
Для крайней балки:
Для любой промежуточной балки:
где
- соответственно монтажный вес крайней и промежуточной балок, кН
d – расстояние между осями балок, м
С0 – ширина стыка между соседними балками, м
- удельный вес железобетона (24,5
)
Рис. 12.1 Схема к определению постоянной нагрузки на крайнюю и промежуточную балки.
Нормативный вес 1 погонного метра типовых железобетонных блоков тротуаров пониженного типа (Инв. № 384/42)
q2 = 6,7 кН/м при ширине тротуара Т=1,5м
Нормативный вес 1 погонного метра типовых металлических перил (Инв. № 384/42)
q3 = 0,42 кН/м
Нормативный вес 1 погонного метра асфальтобетонного покрытия шириной Г кН/м
где h1 – толщина покрытия (0,07 – 0,08м)
1 – удельный вес асфальтобетона (23 кН/м3)
Г – габарит моста, м
Нормативный вес 1 погонного метра трехслойного основания под покрытие шириной Г кН/м.
где h2 – толщина защитного слоя бетона (0,4м);
h3 – толщина слоев гидроизоляции (0,01м);
h4 – толщина выравнивающего слоя бетона (0,03м);
2 –удельный вес защитного слоя бетона (23,5кН/м3);
3 –удельный вес слоя изоляции (15кН/м3);
4 –удельный вес выравнивающего слоя бетона (23,5кН/м3);
Примечание: Поперечный уклон на мосту рекомендуется создавать установкой балок на подферменники разной высоты или приданием уклона ригелю опоры.
9.1 Суммарная постоянная нормативная нагрузка на 1 погонный метр балки.
-
Суммарная постоянная расчетная нагрузка на 1 погонный метр балки
Расчетная постоянная нагрузка получается умножением постоянной нормативной нагрузки на соответствующие коэффициенты надежности по нагрузке, (
);
Для крайней балки, кН/м:
где
- коэффициент надежности по нагрузке для всех постоянных нагрузок кроме q4 и q5.
- коэффициент надежности по нагрузке для трехслойного основания под покрытие (q5).
- коэффициент надежности для асфальтобетонного покрытия, равной 1,5 для автодорожных и 2,0 для городских мостов.
10. Определение коэффициентов динамичности и коэффициентов поперечной установки.
Очевидно, что временная нагрузка, находящаяся на пролетном строении моста (А-II, НК-80, толпа на тротуарах), не одинаково нагружает каждую балку пролетного строения. Кроме того, при движении она создает дополнение к статической динамическую нагрузку.
При расчетах балок пролетных строений мостов динамическое воздействие временной нагрузки учитывается коэффициентом динамичности (1+), а неравномерность нагружения балок – коэффициентом поперечной установки ().
Коэффициент поперечной установки показывает, какая часть всей временной нагрузки приходится на конкретную балку пролетного строения.
В практике проектирования мостов применяют несколько методов вычисления коэффициента поперечной установки.
При пролетных строениях из балок без диафрагм для определения коэффициента поперечной установки можно применять метод упругих опор. Этот метод предполагает, что балки пролетного строения являются упруго проседающими опорами, а плита балок рассматривается как многопролетная (поперек пролетного строения) неразрезная балка. Распределения временной нагрузки между балками зависит от жесткости балок и плиты, пролета балок и плиты.
-
Коэффициенты динамичности для автодорожных и городских мостов.
Для автомобильной нагрузки А-II:
где - длина загружения линии влияния принимается равной расчетному пролету (l) балки при определении изгибающего момента в середине пролета балки.
Для колесной нагрузки НК-80:
(для промежуточных значений - по интерполяции)
Для толпы на тротуарах:
-
Коэффициенты поперечной установки.
Вначале необходимо вычислить геометрические характеристики поперечного сечения балки в середине пролета. Для этого фактическое сечение балки заменяем расчетными (рис.13.1)
Рис. 13.1 Схема к определению геометрических характеристик балки:
а – фактическое сечение балки;
б – расчетное сечение балки.
Расчетная толщина ребра балки:
Расчетная ширина плиты балки на стадии эксплуатации.
Ширина плиты балки (
), вводимая в расчет, должна быть не более
и не больше расстояния между осями балок, т.е. сначала вычисляем максимальную величину
.
где hп – фактическая толщина плиты балки, см
Если эта величина будет больше или равна расстоянию между осями балок (
), то расчетную ширину плиты принимаем равной d.
где d – расстояние между осями балок (166 см)
Свес плиты, считая от конца вута, см
где
- вводимая в расчет ширина плиты, см
Расчетная толщина плиты с учетом вутов, см:
где 1, 2, 3, 4 – площади участков плиты, приводимые к равновеликой площади прямоугольника шириной, равной
и высотой
.
Для балок по типовым альбомам 710/1 и 710/5 (рис. 13.1)
При этом ширина свесов плиты не должна быть больше шести ее толщин, т.е.
.
Площадь поперечного расчетного сечения балки, см2:
где h1 – высота ребра балки (
), см
h – полная высота балки, см
Статический момент сечения балки относительно оси I-I проходящей через верхнюю грань плиты, см3:
Расстояние с верха балки до центра тяжести сечения, см:
Момент инерции сечения балки относительно оси II-II (рис.3.1) проходящей через его центр тяжести, см:
Момент инерции сечения плиты, шириной один метр, см4:
где bпл=100 см
Для вычисления давлений на главную балку от единичной силы, перемещаемой поперек пролетного строения от одной крайней главной балки до другой, по которым в зависимости от коэффициента , характеризующего отношение жестокостей главной балки и плиты главных балок в пролетном строении, находят ординаты давлений на одну из главных балок.
где d – расстояние между осями главных балок, м;
l – расчетный пролет главной балки, м;
Ординаты давлений на главную балку в масштабе откладывают под схемой пролетного строения и концы ординат соединяют прямыми линиями, и таким образом строят линию влияния давлений на главную балку.
В таблицах /7/ ординаты давлений на главную балку обозначают буквой с цифрами индексами (
), из которых первая цифра обозначает номер балки, для которой находят ординаты давлений, вторая – номер балки, над которой находится единичный груз (Р=1).
Ординаты линии влияния под левой и правой консолями пролетного строения (
) вычисляют по формуле:
где dк, d – расстояние между осями главных балок и длина консоли плиты крайних балок.
Примечание. Для пролетных строений из балок по типовым альбомам инв. 710/1 и 710/5, dк=0,85м, d=1,66 м.
При вычислении
под левой консолью пролетного строения единичную силу (Р=1) располагают над левой крайней балкой, а единичный момент (М=1) прикладывают на консоль этой же балки.
Величины ординат
и
давлений на главную балку N2n соответственно от единичной силы и единичного момента находят по таблицам /7/, а ранее принятые обозначения индексов (n) и (r) сохраняются, т.е. n – означает номер балки, для которой строят линию влияния, и r – номер балки, к которой приложены единичные силы.
При вычислении
под правой консолью пролетного строения поступают иначе. Единичную силу прикладывают к правой крайней балке, а единичный момент оставляют приложенным к консоли левой крайней балки, но давление от единичного момента (
) в виду симметричности пролетного строения и особенности построения таблиц находят не для балки N2n, а для балки ей симметричной в пролетном строении. В этом случае значение индексов (n) и (r), ранее принятые, для ординаты давления на главную балку от единичного груза (
) сохраняются, а для ординаты давления от единичного момента (
) изменяются. Значение (n) принимается равное номеру балки, симметричной той, для которой строится линия влияния, а (r) – равное номеру левой крайней балки, т.е. нулю.
Характеристики
Тип файла документ
Документы такого типа открываются такими программами, как Microsoft Office Word на компьютерах Windows, Apple Pages на компьютерах Mac, Open Office - бесплатная альтернатива на различных платформах, в том числе Linux. Наиболее простым и современным решением будут Google документы, так как открываются онлайн без скачивания прямо в браузере на любой платформе. Существуют российские качественные аналоги, например от Яндекса.
Будьте внимательны на мобильных устройствах, так как там используются упрощённый функционал даже в официальном приложении от Microsoft, поэтому для просмотра скачивайте PDF-версию. А если нужно редактировать файл, то используйте оригинальный файл.
Файлы такого типа обычно разбиты на страницы, а текст может быть форматированным (жирный, курсив, выбор шрифта, таблицы и т.п.), а также в него можно добавлять изображения. Формат идеально подходит для рефератов, докладов и РПЗ курсовых проектов, которые необходимо распечатать. Кстати перед печатью также сохраняйте файл в PDF, так как принтер может начудить со шрифтами.















