146280 (729490), страница 3
Текст из файла (страница 3)
и т.д. до последнего ряда арматуры.
Далее с учетом снижения расчетного сопротивления арматуры (Rs) i–го и вышележащих рядов с умножением его на соответствующие коэффициенты ma6 , необходимо еще раз уточнить положение центра тяжести арматуры. Это удобнее сделать, если на коэффициенты ma6 умножить площади поперечного сечения арматуры соответствующих рядов.
Уточненная площадь сечения всей арматуры (Аs, y) будет равна:
Уточненное положение центра тяжести арматуры:
Полезная высота сечения балки, см
Высота сжатой зоны бетона (с учетом ma6).
Находим из уравнения равновесия внутренних сил, см.
Относительная высота сжатой зоны бетона:
Граничная относительная высота сжатой зоны бетона:
где 1=Rs=365МПа – для ненапрягаемой арматуры, МПа
2=500 МПа – предельное напряжение в арматуре сжатой зоны, зависящее от предельной сжимаемости бетона.
Если
, то несущая способность балки таврового сечения определяется как прямоугольного высотой h и шириной
.
Если
, прочность балки достаточна.
При
, высоту сжатой зоны бетона ограничивают величиной, равной:
.
В случае если
, то высоту сжатой зоны бетона находят также из уравнения равновесия внутренних сил:
Дальше повторяют все этапы расчета как для первого случая.
Окончательно несущую способность уже как для таврового сечения балки находят по формуле:
Если
, то прочность балки достаточна.
Если это условие не выполняется и
, то необходимо увеличить класс бетона и арматуры или увеличить высоту балки и повторить расчет.
-
Определение мест отгибов рабочей арматуры (построение эпюры материалов).
Количество арматуры в ребре балки определялось для сечения в середине пролета, где действует максимальный изгибающий момент. К опорам в разрезных балках момент уменьшается до нуля. В этом случае всю рабочую арматуру доводить до опоры нецелесообразно.
При изготовлении конструкций в целях экономии стали, часть арматуры обрывают в пролете или отгибают, а сжатую зову бетона и таким образом используют ее для восприятия поперечных сил.
При отгибе или обрыве арматуры необходимо доводить до опоры не менее 1/3 принятого количества стержней и не менее двух.
Стержни, обрываемые или отгибаемые в пролете, должны заходить за место теоретического обрыва (отгиба) в сторону опоры на величину заделки арматуры. Для арматуры класса А – II при классе бетона В 30 и выше ls должна составить не менее 22d и 25d при классе бетона В 20 – B 27,5 (d – номинальный диаметр арматуры). Для арматуры класса А – III длину заделки ls следует увеличивать соответственно на 5d.
Места теоретического отгиба (обрыва) арматуры определяются при проектировании конструкции по эпюре расчетного момента.
Полагая, что балка нагружена равномерно распределенной нагрузкой по всему пролету, эпюра изгибающих моментов будет параболической. Ордината параболы в середине пролета балки будет равна расчетному изгибающему моменту
, а в любом сечении пролета балки может, определена аналитически по зависимости:
где х – расстояние от опоры до расчетного сечения, м
l – расчетный пролет балки, м
– расчетный изгибающий момент в середине пролета балки, кНм
С помощью вычисленных моментов (Мх) строят эпюру действующих расчетных изгибающих моментов, откладывая их в масштабе на чертеже.
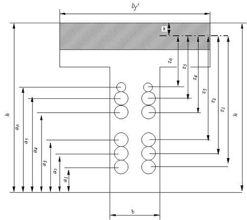
В таком же масштабе откладывают моменты М1 – М5. Они будут равны произведению площади поперечного сечения стержня (
) на расчетное сопротивление арматуры (Rs) и на плечо внутренней пары сил (z), равное расстоянию от центра сжатой зоны бетона до центра тяжести стержня соответствующего ряда. Для тех рядов стержней, которые расположены выше
, расчетное сопротивление (Rs) должно быть умножено на коэффициент ma6, вычисленный для каждого ряда арматуры.
Для рядов арматуры, лежащей ниже
, коэффициент ma6 принимается равным единице.
Точки пересечения линии расчетных изгибающих моментов с линией несущей способности балки (2) без двух стержней верхнего ряда, далее без двух стержней четвертого ряда и без двух стержней третьего ряда будут местами теоретического отгиба (обрыва) соответствующих стержней.
Места фактического отгиба (обрыва) стержней намечают на фасаде ребра балки, отступя от места теоретического отгиба на величину заделки (l3). горизонтальный и вертикальный масштабы фасада балки должны быть одинаковыми. Стержни отгибают в сжатую зону бетона под углом 30 - 60 (45) к продольной оси балки.
На участках длиной 2h0 от опорного сечения любое сечение, перпендикулярное продольной оси, должно пересекать не менее одного наклонного стержня. Если это условие не выполняется, необходимо в таком сечении установить дополнительные наклонные стержни.
Рис. 15.3 Схема к вычислению изгибающих моментов М1 – М5.
Концы отгибаемых стержней в балках пролетных строений мостов обычно приваривают к монтажным продольным стержням в сжатой зоне бетона.
Дополнительные наклонные стержни должны прикрепляться к продольным рабочим стержням односторонним сварным швом длиной 12d (двухсторонним – 6d) и высотой не менее 4 мм.
К одному стержню арматуры допускается приварить с каждого конца балки не долее двух наклонных стержней.
По рисунку определяется расстояние от оси опирания балки до начала отгибов стержней, которое должно быть воспроизведено при проверке несущей способности балки по поперечной силе.
32















