135834 (722673)
Текст из файла
Министерство образования РФ
ГОУ Самарский приборостроительный техникум
Дневное отделение
Специальность 1910
Радиоэлектронные приборостроительные устройства
Курсовой проект
На тему: Кодовый замок
Проектант Рогалев А.В.
Руководитель Маньков Е.Н.
Самара 2004 г
Тема: Кодовый замок
Содержание
Введение
1 Аналитический обзор
1. 1 Кодовый замок с цифровой клавиатурой
1. 2 Кодовый замок на тиристорах
1. 3 Программируемый кодовый замок
1. 4 Кодовый замок для камеры хранения
2 Обоснование и выбор схемы РТУ
3 Описание выбранного варианта
4 Электрический расчет. Расчет автоколебательного мультивибратора и
усилителя мощности
5 Разработка и метод изготовления печатных плат
6 Описание конструкции РТУ
Заключение
Библиографический перечень
Приложение: КП 1910.04.002Э3
КП 1910.04.002ПЭ3
КП 1910.04.003
КП 1910.04.004СБ
Введение
В настоящее время радио любительский рынок прочно наводнили устройства, которые используются в системах оповещения и сигнализации. Эти устройства , от самых простых до сложных, собраны, как правило, по стандартным классическим схемам. Данный курсовой проект представляет собой обзор широко распространенных радиолюбительских схем кодовых замков. Принципиальные схемы сопровождаются описанием их работы и рекомендациями по монтажу и настройке. Все рассматриваемые устройства доступны для повторения начинающими радиолюбителями - конструкторами, не обладающими глубокими теоретическими знаниями в электронике, и могут быть использованы для охраны таких объектов, как квартиры, офисы, дачи и т.п. от несанкционированного доступа.
Материал в данном курсовом проекте, собран и систематизирован на основе публикаций разных источников.
1 Аналитический обзор
1.1 Кодовый замок с цифровой клавиатурой
Уже неоднократно описывались конструкции кодовых замков, но интерес к подобным устройством по-прежнему велик. Описанные замки различаются по
сложности, секретности, способу ввода кода. Довольно много было описано замков с одно или двухкнопочным управлением, но все равно устройства с цифровой клавиатурой для ввода кода остаются более традиционными и позволяют получать большую секретность при сохранении удобства пользования. В последнее время промышленностью стали выпускаться механические кодовые замки, которые обычно устанавливают на двери в подъездах домов или офисах. Но эти замки не очень надежны, чем снижается защищенность охраняемого объекта.
Предлагаемый замок прост по схеме, что обеспечивает ему высокую надежность. Он имеет цифровую клавиатуру для ввода кода из 8 цифр, защиту от ошибки при нажатия нескольких клавиш одновременно и устройство включения сигнализации при наборе неправильного кода. Данное устройство может быть постоянно включенным, так как собрано на микросхемах КМОП и потребляет незначительный ток от источника питания.
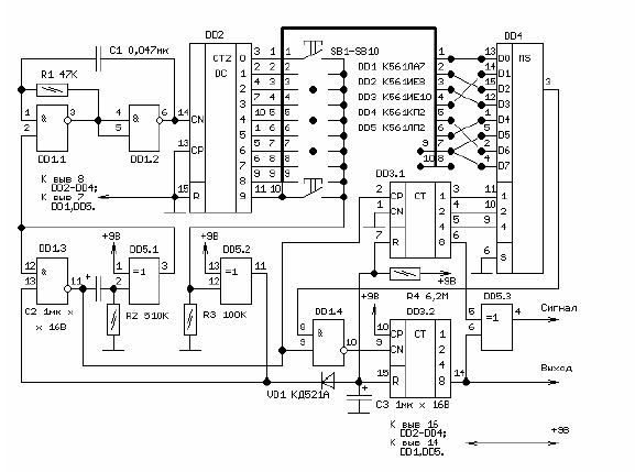
Принципиальная схема кодового замка приведена на рисунке 1. На счетчике DD2 и генераторе на элементах DD1.1 и DD1.2 выполнено устройство защиты от одновременного нажатия нескольких клавиш. Счетчик DD3.1 подсчитывает число введенных цифр, а счетчик DD3.2 число правильно введенных цифр. Одновибратор на элементах DD1.3 и DD5.1 подавляет дребезг контактов при нажатии клавиш.
На мультиплексоре DD4 собрано устройство сравнения введенной цифры с правильной цифрой кода. На элементе DD5.3 выполнен узел включения сигнального устройства при вводе неправильного кода. Элементы R4, C3, VD1 служат для приведения устройства в исходное состояние.
Рисунок 1- Принципиальная схема кодового замка с цифровой клавиатурой
В исходном положении счетчики DD3.1 и DD3.2 находятся в нулевом состоянии, тактовый генератор на элементах DD1.1 и DD1.2 вырабатывает импульсы, которые подаются на счетный вход счетчика DD2, на выходах которого последовательно появляется логическая 1. На адресные входы мультиплексора DD4 подан код 0, что соответствует первому входу. При нажатии на клавишу, например “3”, в момент появления логической 1 на соответствующем выходе счетчика DD2 запускается одновибратор на элементах DD1.3 и DD5.1, на выходе которого появляется логическая 1, запрещающая работу тактового генератора. Если цифра “3” является правильной, то логическая 1 действует на входе мультиплексора DD4, передается на его выход, разрешая увеличение на 1 значения счетчика DD3.2. Изменение состояния счетчика произойдет по спаду импульса на выходе одновибратора. Счетчик DD3.1 также увеличит на 1 свое значение. Если набранная цифра не была верной, то изменится только состояние счетчика DD3.1. Пока на выходе одновибратора будет присутствовать логическая 1 нажатие других клавиш или дребезг контактов нажатой не вызовут изменение состояния устройства. При вводе следующей цифры будет подключен вход 2 мультиплексора DD4 и так далее. После набора восьмой цифры при правильном наборе кода число правильных цифр будет равно 8, что соответствует присутствию на выходе 8 (вывод 14) счетчика DD3.2 логической 1, разрешающей работу исполнительного механизма замка, на выходе элемента DD5.3 будет логический 0, запрещающий работу сигнального устройства. При наборе неправильного кода число в счетчике DD3.2 будет меньше, чем в счетчике DD3.1, что вызовет появление логической 1 на выходе элемента DD5.3 и включения сигнализации. При каждом нажатии клавиши конденсатор C3 разряжается через диод VD1 и выходные цепи элемента DD5.2. После этого в течение некоторого времени (при указанных номиналах R4 и C3 около 7 с) напряжение на конденсаторе C3 достигает уровня логической 1, сбрасывая счетчики DD3.1 и DD3.2. Это необходимо для того, чтобы при допущении ошибки при наборе кода, можно было через некоторое время повторить набор. При подборе кода злоумышленником эта задержка создаст дополнительные трудности, так как увеличивает время попытки подбора кода. Время нажатия на клавишу должно быть коротким, меньше, чем импульс, формируемый одновибратором на элементах DD1.3, DD5.1, так как если клавиша останется нажатой, то одновибратор будет снова запущен и эта цифра будет введена вновь. Для злоумышленника это также станет дополнительной преградой.
Задание кода сводится к установке перемычек между выходами микросхем
DD2 и входами микросхемы DD4. Секретность замка составляет 108 комбинаций, что выше по сравнению, например с [1]. При необходимости число цифр в коде можно уменьшить до 4, подключив вывод 6 микросхемы DD5 к выводу 13 микросхемы DD3 и вывод 5 к выводу 5, предварительно отключив от цепей использованных ранее. Незадействованные входы микросхемы DD4 должны быть соединены с общим проводом. Естественно, секретность замка в этом случае будет ниже. Сигнальное устройство должно включаться высоким логическим уровнем и работать при исчезновении этого уровня после приведения электронной части замка в исходное состояние. Сброс замка в исходное состояние можно выполнять отдельной клавишей, размещенной вместе с остальными. В этом случае необходимо исключить элементы R4, C3 и VD1, подключив резистор сопротивлением 100 кОм между точкой соединения выводов 7 и 15 микросхемы DD3 и общим проводом и дополнительную клавишу между этой точкой и проводом питания. В этом случае обнуление счетчиков будет производиться этой клавишей. Надежность устройства несколько повысится, если между каждой клавишей и точкой соединения резистора R3 и выводом 12 элемента DD5.2 включить любые кремниевые диоды (например КД521) анодами к клавишам.
Желательно чтобы сигнальное устройство при включении блокировало дальнейшую работу замка, например, обесточивало электронную часть. Если это
не предусмотрено, то желательно доработать замок предварительно отключив вывод 5 DD1.2 от остальных цепей. При этом после включения сигнального устройства работа тактового генератора будет блокироваться, что усложнит дальнейшие попытки подбора кода.
1.2 Кодовый замок на тиристорах
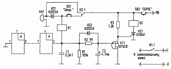
При установке кодового замка не всегда имеется возможность располагать кнопочную панель вблизи от схемы управления. В этом случае применение тиристоров в качестве триггеров запоминающих правильную комбинацию на бранного кода обеспечивает более высокую помехоустойчивость и стойкость к умышленному повреждению по сравнению со схемами собранными только на КМОП микросхемах.
Приведенная на рисунке 2 схема позволяет ограничить доступ в помещение посторонних. Для срабатывания открывающего защелку электромагнита YA1 необходимо в определенной последовательности набрать код из 4 цифр (из 10 возможных).
Работает схема следующим образом. В исходном состоянии на вход управления D1 1/6 через резистор R12 поступает лог 1 и внутренний ключ микросхемы будет замкнут. Нажатие кнопок в последовательности S4 S3 S2 S1 приведет к поочередному открыванию соответствующих тиристоров VS4, VS3, VS2, VS1. Ток через резисторы R8 R10 позволяют удерживать сработавшие тиристоры во включенном состоянии. Причем если при наборе номера ошибочно нажата любая другая кнопка, это приведет к срабатыванию ключа на элементе микросхемы D1. 3 что обеспечит появление лог 0 на входе D1. 1/6 — ключ разомкнется и частично правильно набранный код будет сброшен.
При правильном наборе номера появится ток, протекающий через резисторы R6, R7 и откроется транзистор VT1. При этом будет подаваться питание на электромагнит YA1. А чтобы электромагнит не находился под напряжением в течение длительного времени после срабатывания элемент D1. 2 совместно с цепью заряда конденсатора С1, R11 позволяет ограничить продолжительность его работы интервалом 24 секунды. Время определяется номиналом конденсатора С1. Как только напряжение на входе D1 2/12 в процессе заряда конденсатора достигнет порога срабатывания ключа, он подаст лог '0" на управление D1.1, что переведет все тиристоры в исходное состояние.
Устройство может работать при изменении питающего напряжения в более широких пределах, чем это указано на схеме, но его величина выбирается исходя из необходимой для надежного срабатывания применяемого электромагнита. При настройке схемы может потребоваться подбор номиналов резистора R7 и конденсатора С1.
Рисунок 2 - Принципиальная сема кодового замка на тиристорах
1.3 Кодовый замок камеры хранения
Кодовые замки достаточно широко применяются для ограничения доступа посторонних лиц к охраняемым объектам. Удобство пользования такими замками заключается в возможности как индивидуального, так и коллективного доступа (проход в служебные помещения, доступ к камерам хранения и т.п.).
Порядок работы с кодовым замком полностью идентичен работе с замками автоматических камер хранения. После набора внутреннего, скрытого от постороннего взора кода (установки переключателей SA2 в положение, определяемое пользователем), дверцу захлопывают. Замок автоматически защелкивается. Число возможных вариантов кодовых сочетаний равно числу позиций переключателей SA1 и SA2, возведенных в степень, равную числу типовых наборных элементов. Для того чтобы открыть замок, необходимо на его наборных элементах набрать необходимый код. Последовательность элементов замка представляет собой простейшую схему совпадения. В случае если набран правильный код, управляющий электрод аналога тиристора оказывается зашунтированным. В результате, при нажатии на кнопку SB1 "Откр.", сопряженную с ручкой дверцы, элемент управления замком (электромагнитное реле К1) оказывается подключенным к источнику питания. Реле срабатывает, его контакты К1.1 включают электромагнит замка, замок открывается.
При неправильном наборе кода и нажатии на кнопку SB1 "Открыть", напряжение через обмотку реле К1 поступает на управляющий электрод аналога тиристора, он открывается, включив реле К2. Контакты реле К2.1 размыкают цепь набора кода и включают сигнализацию (звонок НА1, сигнальную лампу и др.).
Повторный набор кода будет возможен только после нажатия на кнопку SB2 "Сброс". Поскольку ток через обмотку реле К1 в случае неправильного набора кода невелик (ограничен резистором R1 и другими элементами схемы), реле К1 не срабатывает. Таким образом, пользователю для открывания замка предоставляется всего одна попытка, что резко ограничивает возможность подбора кода посторонними лицами.
Диоды VD1, VD2, включенные параллельно обмоткам реле, препятствуют развитию колебательных процессов при коммутации индуктивной нагрузки. В схему введен элемент задержки срабатывания - конденсатор С1 большой емкости. Это задерживает срабатывание блокирующего устройства на несколько мгновений и позволяет пользователю убедиться в том, что дверца захлопнута, и замок закрыт. На случай аварийного отключения источника питания целесообразно предусмотреть резервное питание устройства от аккумулятора.
Несколько иной принцип действия использован в схеме кодового замка, изображенной на рисунок 3. Как и в предыдущих случаях, при правильном наборе кода последовательно включенные типовые элементы обеспечивают подачу напряжения питания на обмотку реле К1 при нажатии на кнопку SB1 "Открыть". Но одновременно с нажатием на эту кнопку включается звонок НА1, и подается звуковой сигнал, индицирующий факт открывания замка. Блокировки при этом не происходит.
Рисунок 3 - Принципиальная электрическая схема кодового замка
При неправильном наборе кода и нажатии на кнопку SB1 "Откр." также подается звуковой сигнал. Поскольку обмотка реле К1 последовательно соединена с резистором R1, ток через обмотку реле ничтожен, и его срабатывания не происходит. В то же время, напряжение питания поступает через резистор R2 на конденсатор С2.
В исходном состоянии сопротивление канала исток-сток полевого транзистора VT1 невелико, управляющий электрод тиристора "закорочен" на общий провод. Если кнопка SB1 "Откр." нажата свыше 5 с, или производятся попытки подбора кода с замыканием кнопки SB1, конденсатор С2 заряжается, транзистор VT1 разблокирует цепь управления тиристором VS1. Тиристор включается, реле К2 (нагрузка тиристора) своими контактами К2.1 размыкает цепь набора кода и включает звуковую (или иную, не показанную на схеме) сигнализацию. Последующие обращения к замку возможны лишь после деблокировки схемы - нажатия кнопки SB2 "Сброс".
Интервал времени задержки срабатывания определяется RC-цепочкой C2-R2. Для варьирования этого времени можно использовать переменный резистор R2. Диод VD2 предназначен для мгновенного разряда конденсатора С2 при "правильном" наборе кода и не обязателен.
1.4 Программируемый кодовый замок
В отличие от ранее опубликованных схем кодовых замков, в данной имеется возможность менять код замка с помощью трех кнопок, т.е. обеспечивается режим достаточно высокой секретности при минимальном количестве кнопок.
Рассмотрим порядок набора (записи) желаемого кода в память замка. Предварительно производится обнуление счетчиков DD6, DD7 кнопкой сброса SB6, после чего в них записывается двухзначный код цифр (О...7) с помощью кнопок (SB4 и SB5).
Характеристики
Тип файла документ
Документы такого типа открываются такими программами, как Microsoft Office Word на компьютерах Windows, Apple Pages на компьютерах Mac, Open Office - бесплатная альтернатива на различных платформах, в том числе Linux. Наиболее простым и современным решением будут Google документы, так как открываются онлайн без скачивания прямо в браузере на любой платформе. Существуют российские качественные аналоги, например от Яндекса.
Будьте внимательны на мобильных устройствах, так как там используются упрощённый функционал даже в официальном приложении от Microsoft, поэтому для просмотра скачивайте PDF-версию. А если нужно редактировать файл, то используйте оригинальный файл.
Файлы такого типа обычно разбиты на страницы, а текст может быть форматированным (жирный, курсив, выбор шрифта, таблицы и т.п.), а также в него можно добавлять изображения. Формат идеально подходит для рефератов, докладов и РПЗ курсовых проектов, которые необходимо распечатать. Кстати перед печатью также сохраняйте файл в PDF, так как принтер может начудить со шрифтами.
















