135834 (722673), страница 2
Текст из файла (страница 2)
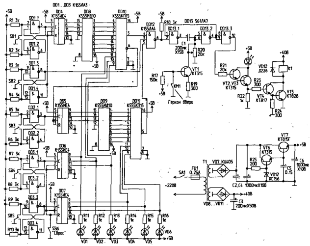
Индикация набранного кода читается по потухшим светодиодам (VD1...VD6) в двоичном исчислении. Для защиты от дребезга контактов кнопок применяются RS-триггеры на ИМС DD3.
Рассмотрим порядок работы схемы рисунок 4 при открывании замка двери. На пульте двери нажатием кнопки SB2 производится обнуление счетчика DD4. Кнопкой SB1 набирается первая цифра кода (соответствующим количеством нажатий). При правильно набранной цифре на выводе 6 DD10 появляется логический "О", который дает разрешение для набора следующей цифры.
Кнопкой SB3 набирается вторая цифра. На выводе 5 DD11 в случае правильно набранной цифры появляется логическая "1". На входах 3, 4, 5 DD12 устанавливается логическая "1", и запускается ждущий мультивибратор, собранный на ИМС DD13. Он обеспечивает включение электромагнита исполнительного механизма на время 5...6 с.
При открывании двери установленный на ней геркон КМ1 срабатывает, что приводит к разряду конденсатора С1 через открытый транзистор VT1, и электромагнит К1 обесточивается. Выбор времени работы электромагнита производится с помощью R20.
Рисунок 4 - Программируемый кодовый замок
2 Обоснование и выбор схемы РТУ
Эта конструкция смотри рисунок 5 отличается от подобных тем, что на случай попытки открыть дверь посторонними лицами она снабжена звуковой сигнализацией неправильного набора кода. Простота в конструкции.
3 Описание выбранного варианта. Кодовый замок с непрерывной сигнализацией при неправильном наборе кода
Рисунок 5 – схема электрическая принципиальная
При подаче напряжение питания цепь R1C1 устанавливает триггер DD1 в нулевое состояние и на инверсионном выводе 6 микросхемы DD1 - высокий уровень. При одновременном нажатии кнопок SB7- SB9 с этого вывода поступает сигнал на исполнительное устройство, которое состоит из транзисторного усилителя и тягового соленоида, управляющего ригелем замка.
Если код замка набирают не правильно, т.е. нажимают на любую из кнопок SB1-SB6, высокий уровень появляется на выводе 8 микросхемы. Открывается транзистор VS1 и включает звуковой сигнализатор – он выполнен на симметричном мультивибраторе (транзисторы VT1 - VT2), усилителя мощности (VT3) и динамической головке (ВА1) – она и издает звук. Отключают сигнализатор и приводят устройство в исходное состояние нажатием кнопки SB10.
Кнопки SB7- SB9 могут соответствовать любым кнопкам клавиатуры и образовывать соответствующий код, например 196. Кнопки SB1-SB6 – оставшиеся на клавиатуре. Кнопку SB10 устанавливают в потайном месте или, скажем, используют вместо нее, скажем кнопку «0» клавиатуры.
Транзисторы могут быть любые из указанных на схеме серии, тиристор из серии КУ101 с буквенными индексами Г, Е, И, его также можно на однотипный с VT1, VT2 транзистор. Конденсаторы – К50-3 и КМ-6, резисторы - МЛТ, динамическая головка любая со звуковой катушкой сопротивлением 4-8 Ом. Источник питания – выпрямитель или батарея гальванических элементов напряжением 6 В при токе нагрузки не менее 100 мА.
4 Электрический расчет. Расчет автоколебательного мультивибратора и усилителя мощности
Расчета автоколебательного мультивибратора.
Схема для расчета автоколебательного мультивибратора приведена на рисунке 6.
Рисунок 6 – Схема мультивибратора на транзисторах
Исходные данные: амплитуда положительного импульса UKu=12 В, длительность tu1=10 мкс, длительность фронта tф1≤1,0 мкс, длительность среза tc1≤2 мкс, период следования T=40 мкс Rн=2 кОм, максимальная температура окружающей среды t°окр=+40°С.
Выбор типа транзистора. Транзистор выбирается по определенной частоте fh21б=100 (МГц) максимально допустимому напряжению UКБmax=10 (В) и статическому коэффициенту передачи по току h21Э=120. Так как транзистор в схеме мультивибратора работает в ключевом режиме, поэтому выберем широко используемый маломощный высокочастотный транзистор типа КТ315 с параметрами: fh21б=100 (МГц), UКБmax=10 (В), h21Э=120, Iэ=5 (мА), Ik= 20 (мА), UКЭ= 10 (В).
Так как скважность определяется выражением
то транзистор должен иметь коэффициент передачи по току:
Необходимое значение предельной частоты выбираемого транзистора fh21б находится из следующих соображений. Малое значение длительности фронта импульса tф2≈τа≈ τа+RkCk получится в том случае, если постоянная времени заряда емкости С1 отвечает условию RkC1≥(5÷10) τа. Обычно τа≥RkCk, и поэтому принять RkC1≈10τа.
Так как
, то
. Но
и поэтому
Используя выражение для h21Э, после преобразования получаем:
Проведенные расчеты показали правильность выбранного транзистора.
Определим сопротивление резистора по формуле:
,
где
,
Согласно ряду номинальных значений сопротивлений примем значение резистора Rк равным 12 МОм. Для определения типа резистора рассчитаем его мощность рассеяния по формуле P=I2R, поэтому в качестве резистора R можно использовать резистор типа С2-33-0,25-10 12 Мом ± 5%
Ток коллектора насыщения IK нас определяется с учетом температуры окружающей среды по выражению:
Сопротивление резистора Rб определяется из условия режима насыщения открытого транзистора. Поэтому
Проверяем выполнения условия температурной стабильности схемы.
На основании полученного неравенства можно не учитывать влияния обратного тока коллектора на длительность и период следования импульса.
Вычисляем емкости конденсаторов С1 и С2.
Согласно ряду номинальных значений емкостей выберем конденсатор емкостью 330 пФ, следовательно, в качестве С1 можно использовать конденсатор типа К10-17б-Н90-330 пФ 10%
Согласно ряду номинальных значений емкостей выберем конденсатор емкостью 1000 пФ, следовательно, в качестве С2 можно использовать конденсатор типа К10-17б-Н90-1000 пФ 10%
Проверяем длительность фронта.
Расчет усилителя мощности.
В качестве выбрал транзистор типа КТ815Б, исходя из условия:
Uкэдоп=5 (В) IБ=5 (мА)
Епит=6 (В) Uб=0,6 (В)
Fh21=3 (мГц) Uk=10 (В)
Iko=5 (мА) Rk=2 (кОм)
Uбэ=1,2 (В)
Исходя из данных , найдем величину Rб.
Согласно ряду номинальных значений сопротивлений, выбирают резистор с номинальным сопротивлением Rб=100 (кОм) и рассчитывают его.
Р=I2Rб=0,15 (Вт)≈0,25 (Вт)
Поэтому в качестве Rб выбираем резистор типа С2-33-100 Ом- 0,25 Вт±5%
Рассчитаем величину Rкэ.
Согласно ряду номинальных сопротивлений, выберем резистор с сопротивлением RКЭ=1 (кОм), и рассчитаем его P=I2Rкэ≈0,125 (Вт), выберем резистор типа С1-22-1 кОм-0,125 Вт±10%.
Рассчитаем величину Ik, проходящего динамик ВА1.
Таким образом.
Все элементы схемы рассчитаны, выбраны их типы, следовательно, можно считать расчет законченным.
5 Разработка и метод изготовления печатных плат
В процессе изготовления плата подвергается действию химических реагентов: при больших размерах платы, возможно, ее коробление.
Размеры и очертания печатных проводников и элементов, контактных площадок, монтажных и контактных отверстий и т.п. на чертежах печатных плат указывают с помощью координатной сетки в прямоугольной системе координат. Правила выполнения чертежей печатных плат(ГОСТ 2.417-68) предусматривается также нанесение координатной сетки в полярной системе координат и указание размеров при помощи размерных выносных линий. Допускается комбинированный способ нанесения размеров.
По ГОСТ 10317-72 шаг координатной сетки в двух взаимно перпендикулярных направлениях должен равняться 2.5мм. Для особо малогабаритной аппаратуры, а так же в исключительных, технически обоснованных, случаях применение дополнительного шага 1.25мм.
Схемные детали и печатные проводники размещают на координатной сетке в соответствии с принципиальной схемой. При этом необходимо более экономно использовать площадь платы и избегать пересечения схемой.
Элементы, имеющие большие габариты следует размещать вне платы, а соединение осуществлять монтажным проводом. Все навесные детали обычно располагают с одной стороны платы, а печатные проводники – на другой. На сторону печатных проводников не должны выходить за крепежные детали, так как с этой стороны выполняется пайка. В ряде случаев целесообразно применить двухсторонний монтаж. Конденсаторы, резисторы, перемычки и другие навесные детали располагают параллельно координатной сетке. Расстояние между корпусами параллельно расположенных деталей должно быть не менее 1мм, а расстояние по торцу – не менее 1.5мм. Центры отверстий для установки навесных деталей располагают в точках пересечения координатной сетки.
Конструирование печатной платы начинают с разработки эскиза, который выполняют в увеличенном масштабе (2:1, 4:1 и т.д.). Для всех элементов, входящих в схему, изготовляют в том же масштабе шаблоны из картона и размешают на поле чертежа. После выбора лучшего варианта их расположения, наносят соединительные проводники. Печатные проводники расположенные на другой стороне платы, показывают штриховыми линиями.
Затем составляют чертеж печатной платы. В узлах координатной сетки показывают окружности, соответствующие местам установки навесных навесных элементов.
На изображении печатной платы проводники, экраны, контактные площадки и другие печатные элементы штрихуют. Проводники, ширина которых на чертеже менее 2мм., изображают сплошной утолщенной линией, равной примерно двум толщинам контурной. Контактные площадки, примыкающие к проводникам, изображены сплошной утолщенной линией, не штрихуют.
Наносим краской, лаком или специальным маркером позитивный рисунок схемы проводников. Последующим травлением в растворе хлорного железа удаляется медь с незащищенных участков, и на диэлектрике получается требуемая электрическая схема проводников.
Подготовка поверхности заготовки к нанесению рисунка заключается в очистке поверхности фольги. Зачистку целесообразно выполнять латунными или капроновыми щетками.
Химический метод при сравнительно простом технологическом процессе обеспечивают высокую прочность сцепления проводников с основанием, равномерную толщину проводников и их высокую электропроводность. В настоящее время химический метод является основными при изготовлении односторонних печатных плат. Недостатки этого метода необходимость в металлических втулках при двухстороннем монтаже и непроизводительный расход меди.
6 Описание конструкции РТУ
Корпус изготовить из удара прочного полистирола. Размеры корпуса 110*100*40. В левой стенки корпуса сделать 10 отверстий диаметром 8 мм для кнопок SB1-SB10. Динамик расположить в не корпуса над дверью, подвести проводами для этого в корпусе сделать 2 отверстия диаметром 3 мм, длинна проводов зависит от того на каком расстоянии находится динамик ВА1.
Заключение
В данном курсовом проекте рассмотрена схема кодового замка, в котором был рассчитан автоколебательный мультивибратор.
Я считаю, что в данном курсовом проекте на данную тему я достаточно подробно описал данный вариант и показал его достоинства перед другими схемами.
Библиографический перечень
1. Р. Трунин. Кодовый замок на тиристорах (Электроника в быту) — 1998, № 6, c. 47
2. Р. Жиздюк. Программируемый кодовый замок (Электроника в быту) — 1999, № 6, c. 31
3. С. Кулешов. Кодовый замок с цифровой клавиатурой (Электроника в быту) — 1999, № 9, c. 30
4. Г. Дударев. Кодовый замок для камеры хранения («Радио» — начинающим) — 2002, № 4, c. 51
5. А. М. Прыжевского. Справочник по полупроводниковым приборами их аналогам. Издательство АО «РОБИ» 1992 г.
















