135824 (722663)
Текст из файла
Содержание
Введение
1. Общая часть
1.1 Структурная схема устройства
динамической индикации
2.Расчетная часть
2.1 Разработка принципиальной
схемы коммутатора У1
2.2 Выбор микросхемы
преобразователя У2
2.3 Подключение семисигментных
индикаторов
2.4 Выбор микросхемы двоичного
счетчика У3
2.5 Синтез дешифратора У4
2.6 Принципиальная электрическая
схема устройства динамической
индикации(описание работы схемы)
Список использованных источников
Введение
На практике всегда была актуальна задача отображения информации в виде удобном для ее зрительного восприятия.В настоящее время большое распространение получили полупроводниковые , люминесцентные ,газоразрядные и вакуумные накапливаемые индикаторы .С помощью устройств отображения могут быть решены задачи сигнализации и индикации .
Сигнализация – это сообщение человеку о факте перехода контролируемой величины из одной области знаний в другую .
При визуальной сигнализации основным техническим устройством является светоизлучающий элемент ,который осуществляет световое воздействие на человека (сигнализаторы номинального питающего напряжения ,переход каждого параметра за допустимые рамки ,перегорание предохранителя и так далее).
Индикация – это представление о результатах контроля и измерения.
Контролирующими устройствами являются пробники ,не имеющие напряжение , сопротивление и ток , а фиксирующие их наличие или отсутствие .В многоуровневых устройствах наблюдается переход от контроля параметров к его количественной оценке : по мере роста тела индуцируемых уровней получится устройство индикации с дискретным отсчетом значения величины .
Шкальный индикатор может быть реализован на отдельных светоизолирующих элементах , а также на многоразрядном цифровом индикаторе , где шкалы складываются из отдельных сегментов .Индикатор можно классифицировать по принципу формирования изображений на знакомодулирующий (ЗМИ) и знакосинтезирующий (ЗСИ) Примером ЗМИ служит цифровой газоразрядный индикатор , изображение которого повторяет форму десяти кадров .Любое другое изображение получить невозможно . В ЗСИ изображение получается в виде мозаики управляемых элементов , каждый из которых является преобразователем ‘’сигнал-свет ‘’.
Среди ЗСИ различают сегментные индикаторы , элементы отображения которых являются сегментами в одну или несколько групп : матричные индикаторы , элементы отображения которых образуют матрицу . Сегменты ЗСИ могут индицировать только цифры (цифровой ЗСИ)или цифры и буквы русского и латинского алфавитов (буквенно-цифровые ЗСИ) .
1 Общая часть
Рисунок 1- Общая структурная схема
устройства динамической цифровой индикации.
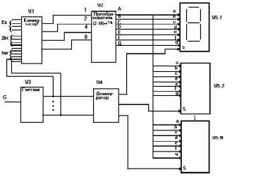
Структурная схема устройства индикатора (Рисунок 1)
обеспечивает динамическую индикацию 4-х десятичных цифр на
семисегментных полупроводниковых индикаторах. Ввод информа
ции производится параллельно в двоично десятичном коде.
Коммутатор Y1 обеспечивает поочередное подключение
входной информации. Преобразователь Y2 двоично десятичный код преобразует в код семисегментного цифрового индикатора.
Счетчик Y3 непрерывно подсчитывает входные импульсы, подаваемые от генератора G. Коэффициент пересчета счетчика N=4. Каждое состояние счетчика Y3 дешифрируется дешифратором Y4, подключая соответствующий индикатор. n=4.i=3.Цифра 7
2 Расчетная часть
2.1 Разработка принципиальной схемы
коммутатора У1
Выполним синтез мультиплексора, коммутирующего n=4 информационных входов. Число адресных входов А определяем из соотношения
,
где А - число разрядов адреса;
n - количество индикаторов.
Так как по условию n=4, A=2 т.е. адресные входы: А1, А2.
Приведем таблицу истинности требуемого мультиплексора и его условное изображение(таблица 1, рисунок 2).
Таблица 1 - истинности мультиплексора
| Адресные входы | Выход Q | |
| А2 | А1 | |
| 0 | 0 | D0 |
| 0 | 1 | D1 |
| 1 | 0 | D2 |
| 1 | 1 | D3 |
Инф. D1 MS
вход
D4
Q
A1
Адр.
вход A2
Рисунок 2 - Условно графическое изображение мультиплексора.
Запишем логическую функцию выхода в СДНФ
Q=A1A2D0 A1A2D1A1A2D2A1A2D3
Произведем построение логической схемы мультиплексора по полученной логической функции входа Q (Рисунок 2).
Рисунок 3 - Логическая схема
мультиплексора
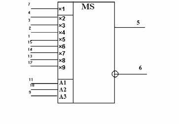
Произведем выбор микросхемы мультиплексора с числом информационных входов заданного числа n=4. Выбираем микросхему: К155КП7 (рисунок 4).
Назначение выводов микросхемы :
10,9,8 - адресные входы
4,3,2,1,15,14,13,12, - входы
5,6 - выходы
1,6 - Uпит
8 - общий, 7-вход разрешения.
Рисунок 4 - Условно графическое изображение мультиплексора
Рисунок 5 - Полная схема коммутатора на
микросхемах
2.2 Выбор микросхемы преобразователя У2
двоично - десятичного кода в код семисегментного индикатора.
Для преобраэования входного двоично десятичного кода в код семисегментного индикатора. Применяем микросхему К514ИД1
(
Рисунок 6).
7 1 DCA 13
1 2 B 12
2 4 C 11
6 8 D 10
4 Г E 9
F 15
G 14
7,1,2,6-Входы
8-общий
1,6-Un
12,8,11,13-16-входы
Рисунок 6 - условно графическое изображение
К514ИД1
Таблица 2 - таблица истинности
преобразователя
| № | Двоичный код | Состояние элементов | |||||||||
| п/п | X1 | X2 | X3 | X4 | A | B | C | D | E | F | G |
| 0 | 0 | 0 | 0 | 0 | 1 | 1 | 1 | 1 | 1 | 1 | 0 |
| 1 | 1 | 0 | 0 | 0 | 0 | 1 | 1 | 0 | 0 | 0 | 0 |
| 2 | 0 | 1 | 0 | 0 | 1 | 1 | 0 | 1 | 1 | 0 | 1 |
| 3 | 1 | 1 | 0 | 0 | 1 | 1 | 1 | 1 | 0 | 0 | 1 |
| 4 | 0 | 0 | 1 | 0 | 0 | 1 | 0 | 0 | 0 | 1 | 1 |
| 5 | 1 | 0 | 1 | 0 | 1 | 0 | 1 | 1 | 0 | 1 | 1 |
| 6 | 0 | 1 | 1 | 0 | 1 | 0 | 1 | 1 | 1 | 1 | 1 |
| 7 | 1 | 1 | 1 | 0 | 1 | 1 | 1 | 0 | 0 | 0 | 0 |
| 8 | 0 | 0 | 0 | 1 | 1 | 1 | 1 | 1 | 1 | 1 | 1 |
| 9 | 1 | 0 | 0 | 1 | 1 | 1 | 1 | 1 | 0 | 1 | 1 |
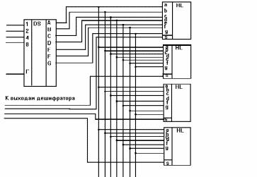
2.3 Подключение семисегментных
индикаторов
Сигналы с выходов ag преобразователя У2 , управляющих свечением сегментов индикатора, подаются параллельно на входы АG т.е. выход а преобразователя подключен к входу А каждого индикатора. В качестве индикатора используют светодиодный индикатор АЛС 324 (Рисунок 7).
Рисунок 7 - Схема подключения
Характеристики
Тип файла документ
Документы такого типа открываются такими программами, как Microsoft Office Word на компьютерах Windows, Apple Pages на компьютерах Mac, Open Office - бесплатная альтернатива на различных платформах, в том числе Linux. Наиболее простым и современным решением будут Google документы, так как открываются онлайн без скачивания прямо в браузере на любой платформе. Существуют российские качественные аналоги, например от Яндекса.
Будьте внимательны на мобильных устройствах, так как там используются упрощённый функционал даже в официальном приложении от Microsoft, поэтому для просмотра скачивайте PDF-версию. А если нужно редактировать файл, то используйте оригинальный файл.
Файлы такого типа обычно разбиты на страницы, а текст может быть форматированным (жирный, курсив, выбор шрифта, таблицы и т.п.), а также в него можно добавлять изображения. Формат идеально подходит для рефератов, докладов и РПЗ курсовых проектов, которые необходимо распечатать. Кстати перед печатью также сохраняйте файл в PDF, так как принтер может начудить со шрифтами.
















