135824 (722663), страница 2
Текст из файла (страница 2)
семисегментного индикатора
2.4 Выбор микросхемы двоичного счетчика У3
Двоичный счетчик У3 подсчитывает вых. импульсы тактового генератора G.Число индицируемых цифр представлено количеством индикаторовв схеме .(n=4).Число разрядов счетчика равно числу адресных входов мультиплексора, Коэффициент пересчета счетчиков N=n=4
Таблица 3 - таблицу состояний счетчика
| Вх. импульс | На выходах | Двоичн код |
| 0 | 0 | 0 |
| 1 | 0 | 1 |
| 2 | 1 | 0 |
| 3 | 1 | 1 |
| 4 | 0 | 0 |
1 2 3 4 0
Вх t
0 1 0 1 0
Q1 t
Q2 0 0 1 1 0 t
Рисунок 8 - Диаграмма состояния счетчика
Выбираем микросхему счетчика К155ИЕ5
12,9,8,11_ выходы
14______ Вход счетчика
1_______ вход делителя на 8
2,3_____ вход установки 0
Рисунок 9 - Микросхема счетчика К55ИЕ5
Для обеспечения N=n=4 необходимо, чтобы при появлении на выводе двоичного кода 0111(2) = 7(10) все триггеры счетчика сбрасываются в 0. Для этого необходимо ввести цепи ОС с выходов счетчика, на соответствующие входы. Для данного случая необходимо вывод 8 счетчика соеденить со схемой “сброс” (выводы 2,3). Тогда при появлении на выходе кода 0111 “ еденица “ с выхода 8 сбросит счетчик в исходное состояние.
2.5 Синтез дешифратора У4
ДешифраторУ4 в разрабатываемой схеме формирует номер (адрес) подключаемого индикатора. Сигнал с выхода дешифратора явл. управляющим для индикатора и подключение осущ. по входу S. Составим таблицу истинности дешифратора с учетом заданного числа n=4 (таьлица 4 ).
Таблица 4 - Таблица истинности дешифратора.
| Входы | № Выхода | |
| X2 | X1 | |
| 0 | 0 | 0 |
| 0 | 1 | 1 |
| 1 | 0 | 2 |
| 1 | 1 | 3 |
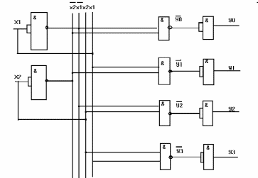
Запишем логические функции выходов через операцию И,ИЛИ,НЕ.
Рисунок 10 - Логическая схема в базисе И, ИЛИ, НЕ
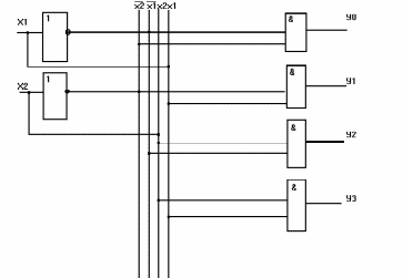
Рисунок 11 - Логическая схема в базисе И, НЕ
Выбираем микросхему дешифратора
Назначение выводов:
3,6,7,4__входы.
5______Un
12_____обший
1,2,8-11,13-16__выходы
Рисунок 12 - Дешифратор К155ИД1
2.6 Принципиальная электрическая схема
устройства цифровой динамической индикации. Описание работы схемы
Схема обеспечивает индикацию 4-х десятичных цифр на семисегментных полупроводниковых индикаторах. Ввод информации производится параллельно в двоично десятичном коде.
Коммутатор Y1 обеспечивает поочередное включение входной информации в соответствии с адресом, поступившим с входов счетчика У3 N которого равен 4. Двоичные комбинации на выходе счетчика отражаютего состояние при поступлении входных импульсов от генератораG.Преобразователь У2 двоично - десятичный код преобразует в код семисегментного индикатора, поступающий одновременно на все индикаторы. Номер подключаемого индикатора задается в двоичном коде выходов счетчика У3 и дешифрируются дешифратором У4 Выходы дешифратора подкл. к входам S индикатора У5 (У 5.1-У 5.4) обеспечивая подключение соответствующих индикаторов.Время подключения индикатора очень мало (10-15 м.сек) и подобрано таким образом, чтобы не было заметно мигания индикатора для глаз и опред. тактовой частотой G. Для того, чтобы высветить заданную цифру 4 необходимо получить со счетчика двоичный адрес 0010 . При этом информация 0111, соответствующая десятичной цифре 4, передается на выходы мультиплексора У1 и на вход преобразователя У2. Преобразователь преобразует двоично - десятичный код в код индикатора. Информация с выходов ag преобразователя поступает на входы всех индикаторов, но подключается только третий индикатор, т.к. активный сигнал с дешифратора поступает на вход S 3-го индикатора и в соответствии с информацией 0100 высвечиваем цифру 7.
Таблица 5 - Спецификация элементов
| Поз обознач. | Наименование | Кол | Примечания |
| Мультиплексоры | |||
| D.D1 | к155кп7 | 1 | |
| D.D2 | К155КП7 | 1 | |
| D.D3 | К155КП7 | 1 | |
| D.D4 | К155КП7 | 1 | |
| Кодопреобразователь | |||
| D.D5 | К155ИД1 | 1 | |
| Счетчик | |||
| D.D6 | К155ИЕ5 | 1 | |
| Дешифратор | |||
| D.D7 | К155ИД10 | 1 | |
| Индикаторы | |||
| D.D8 | АЛС324 | 1 | |
| D.D9 | АЛС324 | 1 | |
| D.D10 | АЛС324 | 1 | |
| D.D11 | АЛС324 | 1 |
Список использованных источников
1. Колобеков Б.А.,Мамзелев И.А., Цифровые устройства и микропроцессорные системы. -М: Радио и связь, 1987 г.
2. Коган И.А. Микропроцессорные устройства. Сборник методических указаний. - М: Радио и связь 1988г
3. Мальцева Л.А. и др. Основы цифровой техники. - М: Радио и связь 1986г.
4. Методические указания по курсовому проекту.
















