135818 (722658)
Текст из файла
| МИНИСТЕРСТВО ОБРАЗОВАНИЯ РОССИЙСКОЙ ФЕДЕРАЦИИ КРАСНОДАРСКИЙ КОЛЛЕДЖ ЭЛЕКТРОННОГО ПРИБОРОСТРОЕНИЯ | |||||||||
| Подп. и дата | |||||||||
| Инв. № | |||||||||
Тема курсового проекта предложена цикловой комиссии ЭВТ специальности 2201 «Вычислительные машины, системы, комплексы и сети» и утверждена директором Краснодарского колледжа электронного приборостроения. Важным фактором, определяющим конструктивно-технологические особенности любой РЭА, является ее рабочий диапазон частот. В зависимости от диапазона частот устройства диктуются требования к его конструктивному оформлению и технологии изготовления. С ростом частот повышаются требуемые точность изготовления, качество обработки деталей, чистота применяемых материалов и т. д. Основные особенности диапазона СВЧ, определяющие единый подход к конструированию устройств СВЧ. Длина волны электромагнитного сигнала, как правило, соизмерима или много меньше размеров изучаемого объекта. Это является принципиальными конструктивными и технологическими особенностями СВЧ-элементов РЭА и отличает физику их работы от аналогичных радио- и низкочастотных (НЧ) устройств. При конструктивно-технологическом анализе большое внимание следует уделять ее непосредственному назначению и условиям эксплуатации. Это предусмотрено общей характеристикой радиотехнических систем (РТС) и радиотехнических комплексов (РТК), в которые входит анализируемая аппаратура. Разнообразие и сложность выполняемых РТС и РТК функций и условий их работы, состав и особенности носителей аппаратуры в значительной степени определяют требования к ее конструкции и существенно влияют на выбор технологии изготовления элементов и сборочных единиц. Большие пространственные масштабы (включая континентальный, глобальный и космический) современных РТК приводят к пространственному разделению аппаратуры, составляющей единые РТС, входящие в РТК. | |||||||||
| Разработал | Яковенко М.В. | ККЭП 2201 028 000 ПЗ | Лист | | |||||
Проверил | Дегтярева Н.Е. | | | | | ||||
изм | лист | № докум | Подпись | Дата | | ||||
Это является источником огромных диапазонов и скоростей изменения разнообразных возмущающих воздействий, одновременно влияющих на различные составляющие части единой работающей в это время РТС. При этом зачастую аппаратура одной и той же РТС, выполняющей ответственные функции, расположена на различных типах объектов: стационарных пунктах и подвижных наземных, надводных и подводных объектах, атмосферных, космических, инопланетных и даже межгалактических летательных аппаратах; обслуживаемых и необслуживаемых объектах, носимой аппаратуре и др. Для разных типов объектов существуют различные требования на условия размещения аппаратуры, весьма различны комплексы возмущающих воздействий, их сочетания, диапазоны изменения и т. п. Всевозможные комбинации электромагнитных, тепловых, радиационных, виброакустических и других воздействий на аппаратуру должны быть обязательно приняты во внимание при проектировании и оптимизации технологических процессов (ТП) ее изготовления. При этом необходимо указать, что, поскольку возможности и ограничения различных технологических систем (ТС) изготовления аппаратуры в сильной степени определяют особенности ее функционирования в условиях различных комплексов возмущающих воздействий, перед конструктором и технологом ставится задача активно участвовать во всех этапах проектирования и создания РТК и РТС.Проектируемый в курсовом проекте прибор относится к группе наземных подвижных приборов. | |||||||||
| Разработал | Яковенко М.В. | ККЭП 2201 028 000 ПЗ | Лист | | |||||
Проверил | Дегтярева Н.Е. | | | | | ||||
изм | лист | № докум | Подпись | Дата | | ||||
| 2. Описание принципиальной электрической схемы «Детектора излучения сотового телефона». Схема электрическая принципиальная «Детектора излучения сотового телефона», графическая часть лист 1, состоит из амплитудного детектора СВЧ колебаний элементом которого служит диод VD1. Если амплитуда принятого сигнала достаточно велика, то выходное напряжение детектора откроет транзистор VT1. Это приведет к тому, что на выходе элемента DD1.1, образующего с элементом DD1.2 одновибратор, возникает импульс высокого логического уровня длительностью приблизительно 10 мс (0,7R6C3). Он разрешит работу мультивибратора (элементы DD1.3,DD1.4) на частоте приблизительно 1,5 кГц ,зависящего от номиналов резистора R5 и конденсатора C4. Пакет импульсов, усиленных по мощности транзисторами VT2 и VT3 будет воспроизведен динамической головкой ВА1 как громкий щелчок. Так прибор отреагирует на выход сотового телефона в эфир даже на очень короткое время. Но как не информативен акустический сигнал он не будет услышан, если по близости нет человека. Поэтому прибор дополнен узлом памяти и световой индикации. При срабатывании одновибратора на выходе DD1.2 возникает импульс низкого логического уровня, который переводит триггер на элементах DD2.1 и DD2.2, в состояние высокого логического уровня на выходе элемента DD2.1. Для того чтобы выяснить состояние триггера, необходимо нажать кнопку SB1 и если загорелся светодиод HL1, значит был принят СВЧ сигнал. Импульс, сформированный на выходе элемента DD2.3 при отпускании кнопки, возвращает триггер в исходное состояние. Схема имеет низкое энергопотребление прибора в дежурном режиме (менее 5мкА), что позволяет использовать для его питания любой источник напряжения 6В. Выключатель питания не обязателен – энергии такой батареи хватает на год непрерывной работы. | |||||||||
| Разработал | Яковенко М.В. | ККЭП 2201 028 000 ПЗ | Лист | | |||||
Проверил | Дегтярева Н.Е. | | | | | ||||
изм | лист | № докум | Подпись | Дата | | ||||
| 3. Конструктивные особенности типовых элементов схемы «Детектора излучения сотового телефона»
Согласно перечню элементов схемы, в неё входят: один конденсатор марки КМ–4, пять конденсаторов марки К10-17, один оксидный конденсатор К50-3А, одиннадцать резисторов 0,125Вт марки МЛТ, одна интегральная микросхема К561ЛА7, четыре транзистора КТ3102ЕМ, один СВЧ диод КД514А, один диод КД522Б, светодиод АЛ307КМ. Ниже приведем конструктивные данные корпусов этих элементов:
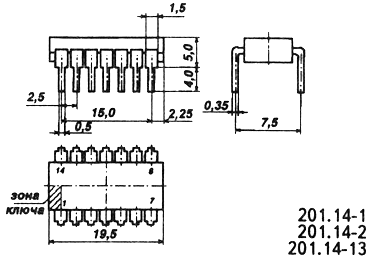
Интегральная микросхема К561ЛА7. Согласно справочнику, микросхема К561ЛА7 – четыре логических устройства «2И-НЕ». Данная микросхема помещена в прямоугольный пластмассовый корпус, тип которого 201.14-1, габаритные размеры 19,5х7,5х5,0 мм и масса 1г. Диапазон температур, при которых микросхема способна нормально функционировать –10…+70С. Входные токи при Е=+5В, I=3mА и при Е=+10В, I=7mA. Изображение корпуса микросхемы К561ЛА7 показано на рисунке 2.1.
Рисунок 2.1 | ||||||
| Разработал | Яковенко М.В. | ККЭП 2201 028 000 ПЗ | Лист | |||
| Проверил | Дегтярева Н.Е. | |||||
| изм | лист | № докум | Подпись | Дата | ||
| Резисторы МЛТ-0,125. Согласно справочнику, резисторы МЛТ с металло-электрическим проводящем слоем предназначены для работы в цепях постоянного, переменного и импульсного тока в качестве элементов навесного монтажа. Габаритные размеры корпуса: 0,125Вт 2,2х6,0мм, длина выводов 20мм, масса 0,15г, толщина выводов d=0.6мм. Диапазон номинальных сопротивлений 1,0-3*10³кΩ.Температура окружающей среды от –60 до +155 ºС. Относительная влажность воздуха до 98%. Пониженное атмосферное давление до 133Па. Изображение корпуса резистора показано на рисунке 2.2. Рисунок 2.2 Диод КД522Б. Согласно справочнику, диод КД522Б кремниевый эпитаксиально планарный. Выпускается в стеклянном корпусе с гибкими выводами. Габаритные размеры корпуса: 1,9х3,8мм, длина выводов 28мм, толщина выводов 0,6мм, масса неболее0,15г. Постоянное прямое напряжение 1,1В. Постоянный обратный ток 5мкА. Температура окружающей среды от –55 до +85°С Изображение корпуса диода показано на рисунке 2.3. Рисунок 2.3 | ||||||
| Разработал | Яковенко М.В. | ККЭП 2201 028 000 ПЗ | Лист | |||
| Проверил | Дегтярева Н.Е. | |||||
| изм | лист | № докум | Подпись | Дата | ||
| Диод КД514А. Согласно справочнику, диод кремниевый сплавный. Выпускается в стеклянном корпусе с гибкими выводами. Габаритные размеры корпуса: 7,5х3мм, длина выводов 25мм, толщина выводов 0,5мм, масса не более 0,3г. Постоянное обратное напряжение 30В. Постоянный прямой ток 20мА. Температура окружающей среды от –40 до +70 ºС. Изображение показано на рисунке 2.4 Рисунок 2.4Конденсаторы К10 – 17.Согласно справочнику, низковольтные, керамические, монолитные, для работы в цепях постоянного, переменного и импульсного тока. Конструктивно выполнены изолированными, типа 1 – отличаются относительно большой реактивной мощностью, низкими потерями, высоким сопротивлением изоляции, стабильностью ТКЕ. Ёмкость конденсаторов не зависит от температуры. Ширина конденсатора 9,0 мм, толщина выводов 0,8мм, расстояние между выводами 10мм, масса конденсатора 3,0г. Изображение конденсатора показано на рисунке 2.5 Рисунок 2.5 | ||||||
| Разработал | Яковенко М.В. | ККЭП 2201 028 000 ПЗ | Лист | |||
| Проверил | Дегтярева Н.Е. | |||||
| изм | лист | № докум | Подпись | Дата | ||
| Конденсатор К50-3А. Согласно справочнику, конденсатор К50-3А алюминиевый оксидно-электролитический, предназначен для работы в цепях постоянного и пульсирующего тока. Выпускается в цилиндрических металлических корпусах с разнонаправленными проволочными выводами. Номинальное напряжение 12В. Номинальная емкость 2 мкФ. D=6мм, L=22мм. Масса не более 2,5г. Изображение конденсатора К50-3А показано на рисунке 2.6 Рисунок 2.6 Светодиод АЛ 307 КМ. Согласно справочнику, светоизлучающий диод арсенид-галий-аллюминиевый в пластмассовом корпусе красного цвета свечения. Предназначен для визуальной индикации. Габаритные размеры корпуса: 5х4,7мм, длина выводов 15мм, толщина выводов 0,5мм, масса не более 0,25г. Сила света 0,15 мкд. Постоянное прямое напряжение 2В. Цвет свечения красный. Температура окружающей среды от –60 до +70 ºС. Изображение показано на рисунке 2.7 Рисунок 2.7 | ||||||
| Разработал | Яковенко М.В. | ККЭП 2201 028 000 ПЗ | Лист | |||
| Проверил | Дегтярева Н.Е. | |||||
| изм | лист | № докум | Подпись | Дата | ||
| Транзистор КТ3102Е. Согласно справочнику, транзистор кремниевый эпитаксиально-планарный n-p-n усилительный, высоко частотный, маломощный с нормированным коэффициентом шума. Предназначен для применения в усилительных и генераторных схемах высокой частоты. Выпускается в металлостеклянном корпусе с гибкими выводами. Габаритные размеры корпуса: 5,3х5,84мм, длина выводов 13,5мм, толщина выводов 0,5мм, масса не более 0,5г. Прямое напряжение 15В. Обратный ток 10мкА. Изображение показано на рисунке 2.8 Рисунок 2.8 Конденсатор КМ-4. Согласно справочнику, конденсатор предназначен для работы в цепях постоянного, переменного и импульсного тока. Габаритные размеры: L=5мм, A=2,5мм, H=3,3мм, расстояние между выводами 25мм, толщина выводов 0,8мм. Масса не более 0,5г. Изображение показано на рисунке 2.9 Рисунок 2.9 | ||||||
| Разработал | Яковенко М.В. | ККЭП 2201 028 000 ПЗ | Лист | |||
| Проверил | Дегтярева Н.Е. | |||||
| изм | лист | № докум | Подпись | Дата | ||
| Разработал | Яковенко М.В. | ККЭП 2201 028 000 ПЗ | Лист | |||
| Проверил | Дегтярева Н.Е. | |||||
| изм | лист | № докум | Подпись | Дата | ||
Характеристики
Тип файла документ
Документы такого типа открываются такими программами, как Microsoft Office Word на компьютерах Windows, Apple Pages на компьютерах Mac, Open Office - бесплатная альтернатива на различных платформах, в том числе Linux. Наиболее простым и современным решением будут Google документы, так как открываются онлайн без скачивания прямо в браузере на любой платформе. Существуют российские качественные аналоги, например от Яндекса.
Будьте внимательны на мобильных устройствах, так как там используются упрощённый функционал даже в официальном приложении от Microsoft, поэтому для просмотра скачивайте PDF-версию. А если нужно редактировать файл, то используйте оригинальный файл.
Файлы такого типа обычно разбиты на страницы, а текст может быть форматированным (жирный, курсив, выбор шрифта, таблицы и т.п.), а также в него можно добавлять изображения. Формат идеально подходит для рефератов, докладов и РПЗ курсовых проектов, которые необходимо распечатать. Кстати перед печатью также сохраняйте файл в PDF, так как принтер может начудить со шрифтами.
















