135673 (722502)
Текст из файла
Введение
Устройства функциональной электроники – это устройства, которые работают на различных физических явлениях, работа связана с использованием динамических неоднородностей ( временные дефекты в однородном твердом теле ). Их функционирование описывается уравнениями математической физики.
Любая ЭВС состоит из элементной базы: ИС, устройства функциональной электроники и электрорадиоэлементы.
Электрорадиоэлементы используются давно и подразделяются на:
-
активные ( п/п приборы и электровакуумные );
-
пассивные:
-
общего применения ( резисторы, конденсаторы и пр.)
-
СВЧ устройства ( элементы, размеры которых соизмеримы с длинной волны обрабатываемого сигнала).
Соединители и коммутационные устройства
Соединители – это устройства, предназначенные для механического соединения /разъединения электрических цепей в обесточенном состоянии.
Коммутационные устройства – это устройства, предназначенные для периодического замыкания/размыкания цепей под током.
Соединитель образует разъемное, контактное соединение. Существуют неразъемные соединения – паяные, сварные и пр.
Коммутационные устройства могут быть с ручным или электрическим управлением. Коммутационные устройства делятся на:
-
контактные – используют механическое соприкосновение двух контактных деталей;
-
бесконтактные – осуществляют коммутацию без механического соединения/разъединения.
Теория электрического контакта
В контактном устройстве протекает ряд сопутствующих явлений, кроме электрической проводимости.
После разреза сопротивление проводника увеличивается на некоторое переходное сопротивление (Rпер ) – одна из основных характеристик контакта ( чем меньше, тем лучше ).
Появление переходного сопротивления объясняется ( Rпер ):
-
Как бы чисто мы не обрабатывали разрез, на нем всегда существуют микро шероховатость, из-за этого проводник соединяется не по всей поверхности поперечного сечения:
Sреал.>Sперв.
Площадь контакта меньше реальной площади поперечного сечения.
-
На поверхностях контактирующих деталей появляются пленки. Причины их возникновения:
-
атомарный кислород оседает, образуя пленку;
-
за счет соединения O2 и металла – окисные пленки;
Существуют пассивирующие и рыхлые пленки. Рыхлые пленки могут существенно влиять на Rпер.. Чем больше температура, тем больше скорость роста пленки, но при достижении некоторой температуры пленка разрушается.
серебро …………… t пл.=150 C
алюминий…………tпл.=3000 С
-
осаждение пленки воды – оказывает малое влияние на Rпер., но при замерзании воды могут возникнуть пленки льда, а это уже диэлектрик.
-
сульфидные пленки – у них большая толщина и плотность.
Наличие пленок затрудняет прохождение электрического тока. В зоне контакта ток протекает благодаря эклектической проводимости металлов и ещё благодаря фрикинг-эффекту.
Фрикинг-эффект
Между несоприкасающимися пленками возникает большая напряженность электрического поля, из-за такой электрической напряженности возникает пробой, металл расплавляется и возникает электрический контакт.
Ток может протекать через пленку и благодаря туннельному эффекту.
-
Эффект стягивания
У
длиняется путь электронов из-за изменения траектории движения, вызванного разрезом проводника.
Эквивалентная схема контактного устройства
N
– количество шероховатостей ( величина случайная, при каждом соприкосновении N изменяется ).
RV1 – сопротивление шероховатостей;
Rст1 – сопротивление стягивания;
Rпл1 – сопротивление пленки.
В среднем можно считать переходное сопротивление по упрошенной формуле:
- удельное сопротивление материала контакта;
-
- коэффициент Пуассона ( механическая характеристика );
E – модуль упругости материала;
Q – усилие контактного нажатия;
hв – средняя высота выступа.
Статическая нестабильность переходного сопротивления – среднеквадратическое отклонение. Характеристикой контактного устройства является динамическая нестабильность – показывает степень изменения Rпер при воздействий на контактное устройство внешнего механического воздействия ( вибрация, удар ).
Более сложные физические явления работы наблюдаются в динамическом режиме работы – при замыкании / размыкании.
При размыкании возможно наблюдение явления дуги и следовательно расплавление контактов. Возникает из-за высокой ионизации между контактами.
Дуга зависит от:
-
материала;
-
напряжения и тока;
-
чистоты поверхности;
-
состава окружающей атмосферы;
-
от наличия реактивных элементов в коммутируемой цепи.
Р
азность потенциалов между контактами это инд. и ист.. Из-за дуговой эрозий очень ухудшается контакт.
Наблюдается явление мостиковой эрозии, возникает при низких напряжениях между контактами. При размыкании уменьшается число точек соприкосновения и увеличивается плотность тока, металл оплавляется и вытягивается, и, следовательно, контакт разрушается.
Электрические соединители.
Классификация по виду соединяемых частей:
1группа: - низковольтные, НЧ- предназначены для работы на Uh< 1500 В и f<3 МГц, длительность фронта < 0,1 мс.
2группа: - соединители с напряжением более 1,5 кВ.
3группа: - ВЧ- соединители, для соединения различных частей.
4группа: - комбинированные соединители, контакты НЧ – и ВЧ - типа.
По конструкционной особенности и форме изолятора, соединители различают:
-
Цилиндрические (форма сечения близка к кругу);
-
Прямоугольные;
Цилиндрические соединители делятся по способу сочленения и фиксации сочлененного соединения:
-
резьбовые;
-
врубные;
-
самозапирающиеся;
-
байнетные;
Прямоугольные делятся по способу монтажа:
-
приборные;
-
для печатного монтажа;
-
Приборные соединители
-
межблочные
-
блочные
-
кабельные
-
проходные
2. Соединители для печатного монтажа
-
торцевые
-
навесные
Все соединители делятся по габаритам.
1 – Соединители нормальных габаритов( шаг H между контактами больше 5 мм.).
2 – Соединители малогабаритные.(3,5 < H < 5 мм).
3 – Соединители субминиатюрные.(1,75 < H < 3,5 мм).
4 – Соединители миниатюрные.(1,25 < H < 1,75 мм).
5 – Соединители микроминиатюрные.(H=1,112).
6 – Соединители супермикроминиатюрные.(H=0,625).
Все соединители , по принципу контактирования, делятся на:
-
соединители c обычным контактом
-
униполярные соединители
-
соединители с опаевыми контактами
-
соединители с принудительным обжатием контактов
Некоторые условно графические обозначения.
-
Ш
тырь –
в
ВЧ-Соединителе –
-
Г
нездо –
в ВЧ - Соединителе –
при соединении с коаксиальным кабелем –
-
Н
еразъемное соединение –
-
Т
окосъем –
или
-
Для того чтобы показать, что гнезда принадлежат, к одному соединителю делают так:
А
) Б) X1.1
X1.2
X1.3
-
С
оединение –
Все соединители обозначаются буквой X.
XS – Гнездо
XP – Штырь
XW- ВЧ- соединитель.
Система обозначений
(ГОСТ- 17468-76)
Обозначение низкочастотного соединителя состоит из последовательности букв и цифр.
Первый блок состоит из трех букв.
-
Первая буква в обозначении означает:
О – общего применения.
Вторая буква обозначает
Н – низкочастотный, низковольтный или К – комбинированный.
Третья буква обозначает
Ц – цилиндрический либо П – прямоугольный
Если последние буквы строчные ц или п , то этот соединитель предназначен для печатного монтажа.
Следующий блок состоит из двух букв.
-
Первая буква определяет тип соединителя:
Б – байнетного типа;
Р – резьбового;
В – врубного;
С – самозапирающийся;
П – с принудительным обжатием контактов;
Вторая буква определяет габарит соединителя:
Н - соединители нормальных габаритов;
Г – соединители малогабаритные;
С – соединители субминиатюрные;
М – соединители миниатюрные;
К – соединители микроминиатюрные;
-
Число – порядковый номер разработки.
-
Число - количество контактов у соединителя.
-
Размер соединителя
-
для прямоугольного соединителя размер обозначается так: A*B (например 45*20).
-
для цилиндрического: А – это диаметр ( например 25).
Шестым блоком в обозначении идет буква.
-
В – вилка;
Р – розетка;
Г – гибрид;
У – униполярный;
-
Далее идет номер типа конструкции.
Рассмотрим пример обозначения соединителя.
ОНп – ВГ – 7 – 48/94*15 – В – 53
или
ОНц – БГ – 2 – 45/39 – Р – 11
Для ВЧ – Соединителя существуют свои обозначения.
-
Буквы СР или СРГ- соединитель радиочастотный.
-
Далее идет цифра , которая обозначает волновое сопротивление соединителя.
Например 50 или 75.
-
Третьим стоит номер разработки.
От 1 до 100 – байнетного типа;
от 101 до 500 – резьбового;
от 501 до 700 – врубного;
Вид изоляционного материала:
П – полиэтилен;
С – полистирол;
К – керамика;
Ф – фторопласт;
Пример обозначения ВЧ- соединителя: СР – 75 – 110Ф.
Основные параметры соединителей.
-
Контактное сопротивление – R к (5-15 мОм).
R к = Rпер + Rмк:
где Rпер – переходное сопротивление.
Rмк – сопротивление металлических контактов.
-
Статическая нестабильность Rст.
-
Динамическая нестабильность Rдин.
-
Максимальный рабочий ток (величина тока определяется температурным режимом).
-
Максимальное рабочее напряжение (которое может действовать между любыми контактами и корпусом).
-
Минимальное рабочее напряжение.
-
Сопротивление изоляции (определяется электропроводностью изолятора).
-
Усилие расчленения Fp.
Fp = n*Fpi + Fp k;
Fpi = Fтр = Kтр*Q;
-
Износостойкость (максимальное число сочленений/расчленения).
Конструктивные характеристики соединителей.
Любой соединитель включает в себя следующие конструктивные элементы.
а) Контактный узел.
б) Изолятор.
в) Корпусные детали.
-
Контактный узел – это основной функциональный элемент соединителя(состоит из штыря и гнезда).В свою очередь гнездо и штырь состоят из:
- Рабочий элемент (выполняет функцию электрического соединения и создания механического давления)
Различают рабочий элемент – с совмещенными электрическими и упругими парами (за счет использования цилиндрического разрезного штыря и гнезда).
Рабочий элемент – с разделенными электрическими и упругими элементами.
Рабочий элемент – с контактной парой с гиперболоидным гнездом.
-
Элемент крепления (выполняет функцию электрической изоляции и крепления контактного узла). Различают:
-
жесткое крепление (крепление армированием);
-
плавающее крепление;
-
Хвостовик – предназначен для крепления проводника.
Материалы контактного узла:
-
Упругие части – бронза;
-
Неупругие части – латунь (ковар);
-
Изолятор – предназначен для крепления контактного узла, электрической изоляции, передачи механического усилия при сочленении/расчленении.
Материал изолятора – пластмассы, керамика, стекло.
-
Корпусные детали – предназначены для крепления изолятора, защита соединителя от механических повреждений и воздействия окружающей среды.
Обеспечивает взаимную ориентацию ответных частей при сочленении. Фиксация при сочлененном положении. Крепление жгута или кабеля, крепление соединителя к стенке блока, экранирование.
Корпусные детали изготавливают из следующих материалов:
-
сталь;
-
цветные металлы и сплавы;
-
пластмассы;
Коммутационные устройства.
Коммутационным устройством можно считать устройство, которое может скачкообразно изменять свои выходные характеристики при пороговом значении входного параметра, независимо от закона его предшествующего изменения.
Y – выходная характеристика;
X – входной параметр.
Г
де:
Xср. – значение срабатывания – значение входного сигнала, при котором происходит скачкообразное изменение выходного параметра ( пороговое значение );
Xотп. – значение отпускания – значение входного сигнала, при котором происходит скачкообразное изменение выходного параметра ( пороговое значение ) ;
Xдоп. – допустимое значение входного параметра, превышение которого может привести к выходу из строя устройства.
Релейная характеристика.
Коммутационное устройство может находиться в двух состояниях: исходном и рабочем.
Значение выходного параметра, при п
роисходит переход из исходного состояния в рабочее - Xср., а обратный переход происходит при - Xотп. .
Любое коммутационное устройство состоит из:
В
коммутационных устройствах происходит преобразование одного вида энергии в другой.
К
лассификация коммутационных устройств:
-
по типу управляющего сигнала:
электрическое управыление;
механическое ( ручное ) управление.
-
по принципу коммутации:
контактные;
бесконтактные.
-
по принципу действия:
контактного типа:
механические;
электромагнитные;
магнитоуправляемые;
магнитогидродинамические;
электростатические;
электротепловые;
электромагнитнострикционные
бесконтактного типа:
электронные;
магнитные;
гальваномагнитные;
оптоэлектронные;электретные;
пьезоэлектрические;
криотронные;
халькогенидные;
оптические.
Коммутационные устройства с механическим управлением.
Коммутационные устройства с механическим управлением, или иначе переключатели. В зависимости от способа управления приводом все переключатели делятся:
-
нажимные ( кнопочные );
-
перекидные ( тумблер );
-
поворотные (галетные );
-
движковые;
-
сенсорные.
Первые 4-е типа могут быть контактные и бесконтактные, сенсорные как правило бесконтактные. Контактные переключатели в от формы контактов делятся на переключатели:
-
с накладными контактами;
-
с скользящими контактами.
Накладные контакты.
Конструкции.
Ф
ункции соединения и разрыва электрической цепи пространственно совпадают, для улучшения качества переключателей используют притирающиеся контакты.
Притирающиеся это когда точки контакта и протекания тока различны.
Скользящие контакты.
Функции соединения и разрыва пространственно разнесены. Но увеличиваются усилия для контакта, т.е. происходит интенсивное зачищение контакта.
О
сновные параметры:
-
Контактное сопротивление – R к.
-
Статическая нестабильность контактного сопротивления – R ст.
-
Динамическая нестабильность контактного сопротивления – R дин.
-
Максимальное рабочее напряжение – U max
-
Сопротивление изоляции – R из.
-
Коммутируемая мощность – P к.
-
Коммутируемая напряжение –U к.
-
Коммутируемая токи – I к.
-
Износостойкость.
На высоких частотах работы переключателя появляются паразитные параметры.
Эквивалентная схема коммутационного устройства ( на высоких частотах ).
В замкнутом состоянии. В разомкнутом состоянии.
L к – индуктивность контакта;
R пер – переходное сопротивление;
R мк – сопротивление металлических контактов;
C кз – емкость контакт-земля;
R из – сопротивление изоляции;
C к – емкость контакта.
-
В, П – выключатель или переключатель.
-
Кн, Т, Г, П, Д – кнопочный, тумблер, галетный, программируемые переключатели, движковые.
-
Б – бесконтактный, если нет обозначения – контактный.
-
N ( цифра ) – порядковый номер разработки.ъ
-
N ( цифра ) – номер типо-номинала.
-
N ( цифра ) – число полюсов.
Например: ПГ39-3-4
Условно-графические обозначения.
1.Замыкающий контакт
2.Размыкающий контакт
3
.Если есть несколько контактов, то общую принадлежность обозначают так:
Б) Позиционные обозначения
В) Штриховая линия
А
).
S1.1
S1.2
Буквенное обозначение контактов - S.
SA – выключатели \ переключатели.
SB – кнопка.
4.Переключатели без фиксации.
5.Контакт с опережением.
с
запаздыванием.
6. Контакт повторным нажатием
Нажатие \ отжатие разными кнопками.
7
.Переключатель без фиксации в кайних положениях.
8.Многопозиционный переключатель.
Разновидности переключателей.
-
Нажимные (кнопочные) – приводятся в действие нажатием кнопки.Такие переключатели обеспечивают наибольшую скорость переключения.В качестве коммутирующего устройства используются микропереключатели(их особеность мгновенное действие).
-
Перекидные (тумблер) –привод выполнен в виде рычага, который перекидывается (инода на рычаг наносится слой люминофора ).Такие переключатели имеют один, два, три, не более четырех полюсов.При переключении имеют два или три положения.
-
Поворотные (галетные) – это многопозиционные переключатели.Специальное условное обозначение таких переключателей:
24П15Н – 24 положения;
- 15 направлений.
Разовидности по форме конструкции.
1.Галетные (контактная группа в виде галеты). 2.Щеточного типа(особенность – большое усилие
контактонго нажатия, применяется при больших токах).
3
.Барабанного типа. 4.Кулачкового типа.
5.Движковые – имеют орган управления в виде движка.
6.Сенсорные – такие переключатели не имеют подвижного контакта.Включаются пир прикосновении пальца к не которой поверхности.Существуют также квазисенсорные переключатели которые имеют подвижный контакт , который замыкается или размыкается – он связан со схемой управления.
Коммутационные устройства с электрическим(дистанционным) управлением .
К коммутационным устройствам с электрическим управлением относятся различные реле .
Основные параметры реле.
-
Чувствительность – это минимальная величина входного параметра X, при котором происходит скачкообразное изменение выходного сигнала(это может быть мощность, напряжение, ток).
-
Рабочее напряжение(ток) Uраб ,Iраб – они выбираются больше, чем напряжение или ток срабатывания.
-
Коэффициент возврата Кв – это отношение Xотп к Xср .
Максимальное значение для коэффициента возврата равно единице.
Kв= Xотп / Xср
-
Сопротивление обмотки Rоб - сопротивление воспринимающей обмотки.
-
Время срабатывания(отпускания) tср(tотп) – это время с момента появления сигнала на входе , до момента срабатывания , соответственно время отпускания это время отсчитываемое с момента прекращения действия сигнала на входе , до момента отключения.
-
Сопротивление контактов Rк(Rвн) – характеристика выходной цепи (в замкнутом состоянии).
-
Коммутируемая мощность – это произведеие коммутируемого напряжения в разомкнутом состоянии и коммутируемого тока в замкнутом.
Pk = Uк раз * Iк зам
-
Износостойкость – максимальное число циклов коммутации.
Условно- графические обозначения.
1.Реле обозначаются буквой – К.
р
еле с обмоткой. - реле макс. тока.
К1
К1.1
К1.2
2
.Реле переменного тока. 3.Поляризованные реле.
Разновидности реле по принципу действия.
Электромагнитное реле – принцип действия у данного реле следующий, электрический сигнал подается на катушку и вследствие чего к не притягивается якорь, он связан с контактной группой.
Р
азличают реле переменного и постоянного тока.
Реле постоянного тока могут быть одно-стабильными( одно устойчивое состояние) и двустабильными( два устойчивых состояния при отсутствии напряжения на обмотке).
Одно-стабильные реле могут быть :
-
нейтральные(срабатывают при любой полярности напряжения);
-
поляризованные(срабатывают при определенной полярности);
По габаритам реле делятся:
-
Микроминиатюрные;
Масса m<6 грамм.
-
Миниатюрные;
m <16 грамм.
3. Малогабаритные;
m < 40 грамм.
4.Нормальные габариты;
m > 40 грамм.
Система обозначений.
Обозначение реле делится на несколько блоков:
-
Буква Р – реле
-
Принцип действия.
Э - электромагнитное;
П – поляризованное;
Г – герконовое;
-
Буква
К – низкочастотное;
А – высокочастотное;
-
Порядковый номер разработки.
Пример – РЭК- 20.
Преимущества электромагнитного реле:
Большой диапазон коммутируемых токов и напряжений. Малое переходное сопротивление в замкнутом состоянии. Очень высокое сопротивление между контактами в разомкнутом состоянии .Хорошие электроизоляционные свойства.
Недостатки:
Малое быстродействие.
Низкая чувствительность, наличие дребезга контактов.
М
агнитоуправляемое (герконовое)реле – магнитоуправляемое реле представляет собой катушку с герконом.
Геркон – балон с вакуумом ( или может быть наполнен спец. газом) с контактами изготовленными из пермаллоя.Поверхности контактов покрывают золотом или серебром.
Различают сухие герконы и жидкостные.
Ж
В баллон помещается капля ртути для получения более надежного контакта(переходное сопротивление более стабильное.)
идкостный геркон -
Недостатки жидкостного геркона:
-
нельзя поворачивать геркон на угол больше 300.
-
При низких температурах Т<300С ртуть замерзает.
Различают герконы:
-
Замыкающие;
-
Размыкающие;
-
Переключающие;
По габаритам герконы делят:
-
Длина баллона 50мм. – стандартные;
-
36мм.- промежуточные;
-
20мм. – миниатюрные;
-
10мм. – сверхминиатюрные;
Герсикон – герметичный силовой контакт. В баллон герсикона вмонтирована магнитная система, связанная с внешним электромагнитом. У герсиконов меньшее переходное сопротивление.
Система обозначения герконов.
-
МК – магнитный контакт.
-
А – замыкающий;
В – размыкающий;
С – переключающий;
-
Р – ртутный (если в обозначении геркона эта буква не указана , то геркон сухой)
-
Длина l геркона в мм.
-
Две цифры (в обозначении могут быть указаны любые две):
-
малой и средней мощности;
-
повышенной мощности;
-
мощный геркон;
-
высоковольтный геркон;
-
высокочастотный;
-
геркон с памятью;
Достоинства магнитоуправляемых реле:
Повышенное быстродействие;
Повышенный срок службы;
Очень малое(стабильное) Rперех – у жидкостных герконов;
Недостатки:
Большее и менее стабильное Rперех - у сухих герконов;
Меньшие возможности по диапазону коммутируемых токов и напряжений;
Чувствительность к внешним магнитным полям;
Магнитодинамические реле.
Принцип действия:
Д
ля переключения реле необходимо воздействовать магнитным полем на каплю ртути, и из-за тока проходящему по среднему управляющему выводу. Направление перемещения капли зависит от направления тока или магнитного поля. Объем ртути должен быть небольшим.
Достоинства:
-
очень стабильное и малое R пер.;
-
нет ограничений по числу коммутаций.
Недостатки:
-
не работает при температуре ниже -35 С;
-
гальваническая связь между входной и выходной цепью;
-
ограничение по коммутируемой мощности ( зависит от объёма капли ртути ).
Электростатические реле.
Принцип действия:
П
ринцип действия основан на использовании кулоновских сил, которые обеспечивают притяжение подвижного электрода с мембраной к неподвижному.
Достоинства:
-
малые габариты;
-
высокое быстродействие;
-
гальваническая развязка.
Недостатки:
-
высокое R пер. ( из плохого контактного нажатия );
-
ограничение по коммутируемым мощностям.
Электромагнитострикционные реле
Принцип действия:
П
ринцип действия основан на явлениях магнито- или электрострикций, то есть способности материалов изменять свой размеры под воздействием магнитных или электрических полей.
Достоинства схожи с электромагнитными реле, и так же наличие контактной группы.
Недостатки:
-
низкая чувствительность;
-
повышенная инерционность;
-
необходимость наличия сильных магнитных или электрических полей.
Электротепловые реле.
Принцип действия:
О
снован принцип действия на различных ТКЛР металлов в системе биметаллической пластины.
Используются в качестве:
-
датчика температуры;
-
реле времени ( из-за высокой инерционности );
-
обычное реле;
-
устройство зашиты от перегрузок.
Достоинства:
-
многофункциональность;
-
малая стоимость.
Недостатки:
-
малое быстродействие;
-
малый диапазон выдержки времени ( около 30с. );
-
малая точность времени.
Электронные реле.
Это обычный электронный ключ, например на транзисторах ( различают: биполярные, полевые, КМОП и МОП структуры ).
На КМОП-структуре: На биполярном транзисторе:
-
полная ( функциональная, конструктивная ) совместимость с интегральными схемами;
-
высокое быстродействие;
-
отсутствие дребезга контактов;
-
высокая чувствительность.
Недостатки:
-
отсутствие гальванической развязки между входом и выходом;
-
ограничения по коммутируемым мощностям;
-
не достаточно низкое сопротивление в замкнутом состоянии;
-
не достаточно высокое сопротивление в разомкнутом состоянии;
-
восприимчивость к спец. факторам ( -, -излучениям и пр. ).
Оптоэлектронные реле.
Оптоэлектронным реле называют оптроном или оптоэлектронной парой. Представляют собой 3-и системы:
-
преобразует электрический ток в световое излучение - светоизлучатель;
-
передающая система – для передачи света;
-
обратное преобразование светового потока в электрический сигнал – фотоприемник.
В качестве светоизлучателей используют:
-
электролюминисцентные конденсаторы;
-
светодиоды;
-
сверхминиатюрные лампы накаливания.
Для светодиодов справедливо следующее:
h – постоянная Планка;
c – скорость света;
E – ширина запрещенной зоны полупроводника.
Длина волны видимого света от 0,45мкм. до 0,68мкм., более 0,9мкм. инфракрасное излучение.
Передающая система – вспомогательная система. Должна быть высокопрозрачной, с хорошей адгезией к материалам свето- приемника и излучателя, а также равенство ТКЛР и хорошие диэлектрические свойства. Применяют прозрачные клеи и лаки.
Исполнительная система. По ней различают типы оптопар:
-
диодные;
-
резисторные;
-
транзисторные;
-
однопереходные транзисторы;
-
тиристорные оптопары.
Резисторная оптопара.
И
спользуется полупроводниковый фоторезистор – это селенид кадмия, сернистый кадмий. Их сопротивление падает при излучении на них света. Для диапазона ИК-лучей используют PbS или PbSe. Недостаток – это зависимость от температуры сопротивления. Достоинства – возможность работать на переменном токе.
Для излучателей используют сверхминиатюрные лампы накаливания ( оптопара ОЭП-1 ), электролюминисцентные конденсаторы ( оптопара ОЭП-8 ) и светодиоды ( оптопара ОЭП-7, ОЭП-6 ( с ИК диодом)).
tвкл. 200 мс tвкл. 600 мс tвкл. 120 мс
Диодная оптопара.
И
спользуются полупроводниковые диоды в фотодиодном режиме, либо фотогенераторном режиме. Наибольшим быстродействием обладают p-i-n диоды ( очень малое время включения ).
В качестве излучателя используется фотодиод.
АОД-101 ( tвкл. =1мкс)
На p-i-n диоде tвкл. 1мкс
Транзисторные оптопары.
В качестве излучателей используется ИК-диоды, но можно использовать и обычный свет.
АОТ-123 ( tвкл. 2мкс)
Для выключения прибора приходится коммутировать выходную цепь, из-за лавинного образования электронов.
tвкл. 10 мкс
АОУ-103
На основе однопереходных транзисторов ( двухбазовый диод )
Облучается эмиттер. И его можно использовать в различных режимах работы ( фотодиодный, однопереходный транзистор и пр. ).
АОТ-102 (tвкл. 5мкс )
Бывают с прямым прохождением света или с отражением света.
Достоинства оптоэлектронных реле:
-
полная гальваническая развязка между входом и выходом;
-
высокая чувствительность;
-
высокое быстродействие;
-
«полная» совместимость с интегральными схемами.
Недостатки такие же, как и у электронных реле.
Гальваномагнитные реле.
Используют для коммутации либо эффект Холла, либо эффект Гаусса.
Достоинства:
-
бесконтактного реле;
-
малые габариты.
Недостатки:
-
восприимчивость к спец. факторам;
-
критичность к температурным воздействиям.
Электретные реле.
З
десь в качестве диэлектрика в конденсаторе используется тонкая пленка электрета ( пленка из фторопласта ). Величина тока в цепи будет зависеть от скорости перемещения подвижной обкладки.
Это бесконтактное реле, не потребляет тока, отсутствие дребезга контактов. Недостатки: восприимчивость к воздействию спец. факторов. Эти устройства имеют механическое управление ( или дистанционное ).
Магнитные реле - в простейшем случае это двух обмоточный трансформатор (сердечник может быть выполнен из ферромагнитного материала).
П
ри подаче напряжения на вход появляется напряжение на выходе .Обычно работает на переменном токе.
Достоинства:
Полная гальваническая развязка.
Неограниченное число коммутаций.
Недостаток:
Большие габариты.
П
ьезоэлектрические реле – работа основана на том, что при деформации некоторых материалов возникает ЭДС, она и будет выходным сигналом.
Недостаток:
Необходимость приложения больших усилий, для вызова ЭДС. Для появления ЭДС = 1В необходимо приложить усилие равную 100 Н.
Криотронные реле – используют свойство некоторых материалов при низкой температуре переходить в состояние сверх проводимости и выходить из этого состояния под действием магнитного поля, при этом не изменяя температуры.
Достоинства:
Очень низкое сопротивление в замкнутом состоянии.
Недостаток:
Не очень высокое сопротивление в разомкнутом состоянии.
Необходимость наличия охлаждающей жидкости.
Халькогенидные реле – в таких реле используются халькогенидные стекла.
Эти материалы резко изменяют свои свойства под действием электрического и магнитного поля.
Оптические реле – такие коммутационные устройства используются для коммутации световых сигналов. Все такие устройства можно разделить на:
-
устройства оптоэлектронного типа (в процессе коммутации используется преобразование электрического сигнала в оптический сигнал, а затем обратное преобразование);
-
оптические устройства (прямая коммутация оптического сигнала);
Резисторы, конденсаторы и катушки индуктивности.
Резисторы.
-
Резистор – элемент электронной аппаратуры, предназначенный для создания в электрической цепи заданной величины активного сопротивления.
(в нем электрическая энергия преобразуется в тепловую и рассеивается).
Классификация резисторов.
-
По постоянству значения сопротивления.
а). Постоянные (сопротивление не меняется);
В свою очередь постоянные делятся на:
-
Общего применения:
-
Прецизионные;
-
Высокочастотные;
-
Высоковольтные;
-
Высокоомные;
б). Переменные (сопротивление меняется при эксплуатации);
-
Подстроечные;
-
Регулировочные;
-
Линейные;
-
Нелинейные;
в). Специальные резисторы;
-
Варисторы;
-
Терморезисторы;
-
Фоторезисторы;
-
Магниторезисторы;
2. По принципу создания резистивного элемента.
а). Проволочные;
б). Непроволочные;
-
Пленочные;
-
Объемного типа;
Система обозначения резисторов.
Различают две системы обозначения до и после 80-го года.
-
Система до 80-го года.
А) Буква С – сопротивление;
СП – переменный резистор;
СТ – терморезистор;
СН – варистор;
СР – фоторезистор;
Б) Материал резистивного элемента.
-
углеродистый (пиролитический углерод);
-
металлоокисные или металлопленочные;
-
пленочные композиционные;
-
объемные композиционные;
-
проволочные резисторы;
В) Номер разработки.
Пример обозначения: С2-1.
2. Система после 80-го года.
А) Буква Р – резистор постоянный;
РП – переменный;
ТР – терморезистор;
ТРП – позистор;
ВР – варистор;
Б) Цифра 1- непроволочный;
2- проволочный;
(эти цифры указываются для Р и РП.)
В) Порядковый номер разработки.
Пример обозначения: Р1-26
ТР- 7
Условно графические обозначения.
R- позиционное обозначение резисторов.
1.Резистор постоянный.
В
схеме можно указывать номинальную мощность.
2.Резистор с отводом.
3. Реостат (резистор переменный)
а
) регулировочный б) подстроечный
4
.Потенциометр
5.Специальные резисторы (в место буквы t указывается параметр который влияет на сопротивление).
Основные параметры резисторов.
-
Номинальное сопротивление Rном .
Различают шесть рядов сопротивлений:
Е6, Е12, Е24, Е48, Е96, Е192.Число указывает на число номиналов в ряде.
-
Допуск на номинальное сопротивление - это разница между номинальным и действительным значением. Выражается в процентах. Всего существует 11 допусков:
-
Номинальная мощность рассеяния- это мощность которую может рассеивать резистор в течении длительного времени.
-
Уровень собственных шумов.
Различают собственные шумы и шумы скольжения (Характерны для переменных резисторов (при регулировке). Уровень этого шума существенно выше токовых шумов.). Собственные делятся на тепловые(обусловленные хаотичным движением электронов. Имеют непрерывный широкий спектр , их уровень практически не зависит от материала , но зависит от температуры. Существуют, не зависимо есть или нет ток.) и токовые (обусловленные дискретной (зернистой) структурой резистора. При прохождении тока возникает пробой он и есть источник шума. Зависят от материала резистора. Уровень токовых шумов существенно больше тепловых.).
Собственные шумы измеряются в мкВ/В.
= Е/U [мкВ]/[В].
-
Температурный коэффициент сопротивления – показатель температурной стабильности. Показывает относительное изменение сопротивления при изменении температуры на один градус.
R= R/ t *1/R0
А – линейная зависимость;
Б – логарифмическая;
В – показательная;
Схема замещения резистора.
R
R - сопротивление резистивного элемента;
RК - сопротивление металлических контактов;
LR - паразитная индуктивность (зависит от конструкции резистора);
CR - паразитная емкость;
RИЗ – сопротивление изоляции (оно обычно учитывается у высокоомных резисторов);
Особенности резисторов.
-
Непроволочные резисторы.
-
широкая номенклатура R и P;
-
малая величина L и C;
-
малые габариты и стоимость;
Разновидности:
-
углеродистые (пленочного типа).
Пленка пиролитического углерода (толщина сотые, десятые доли мкм).
Дешевые и высокостабильные, обладают низким уровнем шумов.
Недостаток это низкая стабильность высокоомных резисторов.
Пример резисторов – ВС, С1- 8.
-
металлоокисные, металлопленочные (пленка сплава металла, либо окисла металла).
Достоинством таких резисторов является повышенная термостойкость и низкий уровень шумов. Недостаток это малая устойчивость к импульсным перегрузкам.
Пример резисторов – МЛТ, МТ.
-
композиционные резисторы (смесь проводящего материала – углерода и диэлектрической связки).
Такие резисторы могут быть объемного типа и пленочного типа.
Достоинство – малая стоимость. Недостаток – зависимость сопротивления от напряжения и тока, высокий уровень шумов, низкая стабильность.
Пример резисторов –ТВО, С3- 2.
2. Проволочные резисторы.
(проволока из нихрома, константана или манганина).
Достоинство:
-
высокая стабильность;
-
высокая термостойкость;
-
малый уровень шумов;
-
высокая перегрузочная способность;
Пример резисторов – ПЭВ, С5- 35.
3.Специальные резисторы.
Используется для стабилизации и ограничения напряжения (для стабилизации напряжения).
Основные параметры:
-
классификационное напряжение UКЛ;
-
классификационный ток IКЛ;
-
коэффициент нелинейности;
= RСТ / rДИН
4.Терморезисторы.
Как правило имеют отрицательный ТКС, хотя есть и позисторы с положительным ТКС. Терморезисторы характеризуются:
-
номинальным сопротивлением при 20С;
-
ТКС;
-
номинальная мощность рассеяния;
-
постоянная времени - характеризует тепловую инерционность: это время, в течении которого температура терморезистора изменяется на 63% при переносе его из воздушной среды при 0С в воздушную среду с температурой 100С.
5.Магниторезисторы.
Работают на основе магниторезистивного эффекта, это свойство полупроводникового устройства. Характеризуется зависимостью сопротивления от индукции магнитного поля ( В ). Строят график их зависимости, и рассматривают работу магниторезистора.
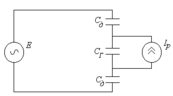
Конденсаторы.
Это элемент радиоэлектронной аппаратуры, обладающий сосредоточенной электрической емкостью, то есть способностью накапливать электрические заряды.
Классификация конденсаторов:
-
по характеру изменения емкости:
постоянные;
переменные;
подстроечные;
специальные ( вариконды ) – нелинейные конденсаторы, емкость зависит от приложенного напряжения;
-
по виду диэлектрика:
с органическими диэлектриками;
с неорганическими диэлектриками;
с газообразными диэлектриками;
с оксидными диэлектриками.
Система обозначений.
-
К – постоянный конденсатор;
КТ – подстроечный конденсатор;
КП – переменный конденсатор;
КН – вариконд.
-
число – обозначает тип диэлектрика:
10 керамический, с рабочим напряжением менее 1600В;
15 керамический, с рабочим напряжением более 1600В;
22 стекляннокерамический;
21 стеклянный;
31 слюдяной, малой мощности;
32 слюдяной, большой мощности;
40 бумажные, с рабочим напряжением менее 2 кВ;
41 бумажные, с рабочим напряжением более 2 кВ;
42 металлобумажные;
50 оксидные, электролитические алюминиевые;
51 оксидные, электролитические танталовые;
52 оксидные, объемно-пористые;
53 оксидные, полупроводниковые;
60 воздушные;
61 вакуумные;
71 полистирольные;
72 фторопластовые;
-
лавсановые.
Эти обозначения применимы для конденсаторов типа К, а для КП и КТ могут быть следующие обозначения:
-
вакуумные;
2 воздушные;
3 газообразные;
-
твердые.
-
номер разработки.
Например:
К50-6
КТ4-1.
Условные графические обозначения.
Основные параметры.
1.) Номинальная емкость.
- диэлектрическая проницаемость;
S – площадь обкладок;
d – расстояние между обкладками.
У воздуха =1, поэтому воздушные конденсаторы очень большие, для уменьшения их габаритов на обкладки добавляют какой-либо диэлектрик.
Все емкости стандартизованы по рядам номинальных ёмкостей:
Е3; Е6; Е12; Е24.
Е3 1; 2.2; 4.7
2.) Допуск на ёмкость.
Разность между номинальным и фактическим значением. Существует 14 допусков:
0.1% - прецизионные;
-20% до +80% - последний класс точности.
3.) Номинальное рабочее напряжение.
Напряжение, при котором конденсатор работает в течение всего срока эксплуатации.
4.) Тангенс угла потерь.
tg() – тангенс угла диэлектрических потерь, из-за переполяризации диэлектрика, так как энергия рассеивается в виде тепла. Из-за наличия потерь угол между U и I становиться меньше 90.
, где Rп. – сопротивление потерь.
Тангенс угла потерь это величина обратная добротности, поэтому:
5.) Сопротивление изоляции и ток утечки.
Ток утечки – это ток, который существует постоянно в диэлектрике конденсатора.
Rиз. – сопротивление изоляции;
Iут. – ток утечки.
6.) Температурный коэффициент емкости.
Характеризует температурную стабильность емкости, это:
С0 – ёмкость при температуре 20С.
ТКЕ нормируется, например для керамических конденсаторов по ТКЕ существует 16 групп:
-2200*10-6 1/С М2200
+100**10-6 1/С П100.
Эти обозначения производятся на корпусе или обозначаются цветом.
Слюдяные конденсаторы делятся на 4 группы:
А не нормированное значение ТКЕ;
Б 200**10-6 1/С
В 100**10-6 1/С
Г 50**10-6 1/С
7.) Закон изменения емкости.
Используется для характеристики переменных конденсаторов:
-
прямоемкостные ( прямая зависимость между емкостью и углом поворота ротора);
-
прямоволновые (прямая зависимость между длиной волны и углом поворота ротора);
-
прямочастотные (прямая зависимость между частотой колебательного контура и углом поворота ротора);
-
логарифмические ( логарифмическая зависимость емкости от угла поворота ротора ).
Схема замещения конденсатора.
С
– номинальная емкость;
Сз – емкость относительно корпуса;
Rиз – сопротивление изоляции;
Rп – сопротивление потерь;
Lc – емкостная индуктивность ( проявляется на больших частотах ).
Особенности конденсаторов.
Бумажные.
Выполняются в виде бумаги пропитанной маслом, и фольговых обкладок, которые затем сворачиваются в рулон. Достоинства:
широкие интервалы номиналов мощностей ( от 0.01 мкФ до 10мкФ ).;
широкие интервалы рабочих напряжений.
Недостатки:
малая температурная и временная стабильность;
большие потери.
Например: БМ ( бумажный малогабаритный );
КБГ ( бумажный герметизированный );
К40-1.
Металлобумажные.
Они выполнены из диэлектрической бумаги, а на неё с двух сторон напыляются обкладки, у них емкость больше и меньшие габариты. Достоинства: способность самовосстанавливаться после пробоя ( так как из-за малой толщины обкладок, металл в месте пробоя испаряется).
Например: МБМ;
К42-2.
Слюдяные.
Берется пакет из слюдяных пластинок и обкладки ( алюминий или оловянно-свинцовый сплав ), а затем всё это герметизируется. У таких конденсаторов малые потери ( работают до 100МГц ), хорошая стабильность, но имеют большие габариты.
Например: КСО
К31-3.
Керамические.
Диэлектрик выполнен из ВЧ керамики, обкладки наносятся методом вжигания серебра. Конструкции: дисковые, трубчатые, пластинчатые, бочоночные, проходные, опорные и литые щелевидные. Эти конденсаторы высокостабильные, с малыми потерями и дешевые.
Например: КТ ( трубчатый );
КМ-6 ( малогабаритный ).
Стеклянные.
В качестве диэлектрика используется стекло, удельная емкость выше чем у слюдяных. Они дёшевы, малогабаритны и стабильны, с высокой электрической прочностью.
Например: КС
К21-5.
Стеклянно керамические.
Диэлектрик – это стекло смешанное с керамикой, для увеличения .
Например: СКМ;
К22-5.
Пленочные.
Диэлектрик – это синтетическая пленка с фольговым или металлизированными обкладками. В качестве диэлектрика используются органические полярные ( большие потери ) и неполярные ( малые потери ) диэлектрики.
Например: ПСО ( полистирольные ) – полистирол плавится при низкой температуре;
К70-6;
ФТ ( фторопластовые );
К72-2;
К73-3 ( лавсановые – полярный диэлектрик ).
Оксидные.
В качестве диэлектрика применяется пленка окисла металла. В качестве пленок используются окислы тантала, ниобия или алюминия. Все эти конденсаторы полярные.
Разновидности: оксидные электролитические алюминиевые;
оксидные электролитические танталовые ( ниобиевые );
объемно-пористые;
оксидные полупроводниковые.
Для увеличения площади обкладок используется травление фольги.
Например: К50-3 ( К50-6 ).
у танталового окисла в 2.5 раза больше, чем у окисла алюминия, следовательно, меньшие габариты, дорогие, стабильные, но с малым рабочим напряжением. У ниобия больше в 5 раз, чем у алюминия, но он дороже тантала.
Например: К51-3 ( танталовый ).
Объемно-пористые конденсаторы чаше всего танталовые, представляют собой пористое тело с танталом, залитое электролитом, следовательно, большая емкость.
У оксидных полупроводниковых диэлектриков электролит заменен полупроводником, здесь нет проблем с испарением электролита, что увеличивает стабильность. Они выпускаются алюминиевые, танталовые и ниобиевые.
Например: К53-8;
К53-4;
К53-1.
Катушки индуктивности.
1.Катушки индуктивности – это элемент электронной аппаратуры, функционирование которого определяется эффектом взаимодействия электрических и магнитных полей.
Такой эффект позволяет создать элемент имеющий реактивное сопротивление переменному току и не оказывающий сопротивление постоянному току.
Классификация катушек индуктивности.
1.По постоянству значения индуктивности.
-
перестраиваемые (вариометр);
-
подстраиваемые;
-
не перестраиваемые;
2.По конструкции.
-
каркасные;
-
бескаркасные;
-
однослойные;
-
многослойные;
- экранированные;
-
неэкранированные;
-
с сердечником;
-
без сердечника;
-
цилиндрические;
-
кольцевые;
-
броневые;
-
спиральные;
Условно графические обозначения.
Катушка индуктивности имеет следующее позиционное обозначение – L.
-
Катушка индуктивности - 2. Если катушка с отводами –
3.Катушка с сердечником:
-
-
магнитодиэлектрический сердечник; ферритовый;
4.Немагнитный материал;
-
С
ердечник с зазором; Вариометр;
-
Подстраиваемая катушка;
4
. Индуктивная связь:(Точка показывает начало обмотки).
-
катушка с отдельными подстроенными сердечниками;
Основные параметры катушек индуктивности.
Рассмотрим принцип действия катушек индуктивности. Если через катушку индуктивности пропустить ток, то возникнет переменное магнитное поле, оно хар – ся магнитным потоком Ф , при изменении потока в проводнике возникает ЭДС – самоиндукции, и она направлена противоположно основной ЭДС, именно поэтому катушка и оказывает сопротивление переменному току – называемое реактивным сопротивлением.
Коэффициент пропорциональности между величиной этого реактивного сопротивления и частотой переменного тока и называется индуктивностью L.
XL = L
1.Индуктивность L.
а). L = 2l(ln (4l/d) – 1) – индуктивность прямого проводника.
l – длина;
d – диаметр;
Если l = 1м, d = 1мм, то L = 1,2 мкГн.
Для увеличения индуктивности проводник можно свернуть в спираль, при этом в магнитном поле созданным каждым витком оказываются и другие витки, что соответственно приводит к увеличению индуктивности.
б). L - индуктивность однослойной цилиндрической катушки.
L = L0 W2 D ; L0 = L0(l/d)
D - диаметр катушки;
l – длина катушки;
Для дальнейшего увеличения индуктивности в катушку вводят сердечник.
в).Lc – индуктивность катушки с сердечником.
Lc = эфL;
эф – эффективная магнитная проницаемость сердечника, которая зависит от начальной магнитной проницаемости и конструкции сердечника.
-
Допуск на индуктивность.
Допуск не нормируется, требуемая точность (0,1)(30).
Для регулирования в катушку вводят регулировочный сердечник.
3. Добротность Q – характеризует величину потерь (отношение реактивного сопротивления к активному сопротивлению).
Q=L/rL;
Реальные значения Q – (20600).
rL = r0 + Rq + RC + RCL + Rd
r0 - омическое сопротивление катушки;
Rq – сопротивление потерь на вихревые токи;
RC – сопротивление потерь в сердечнике;
RCL – сопротивление потерь в собственной емкости;
Rd – сопротивление диэлектрических потерь;
4
.Собственная емкость CL – емкость, измеренная на выводах, ее наличие приводит к ограничению собственной частоты.
-
Стабильность.
Температурная стабильность - L = L/t * 1/ L0;
Добротная стабильность - C = Q/t * 1/ Q0;
Временная стабильность - = L/T * 1/ L0;
Схема замещения катушки.
Особенности катушек индуктивности.
-
Однослойные катушки – они могут быть с шаговой и рядовой обмоткой, такие катушки обычно используются на высоких частотах до 100 МГц.
Для увеличения добротности используют бескаркасные катушки либо выполненные на ребристых каркасах.
Т
акже для увеличения добротности часто используют серебрение проводника. Для увеличения стабильности однослойных катушек используют горячую намотку либо воженную намотку, но при этом снижается добротность.
-
Многослойные катушки выполняют рядовой намоткой, произвольной, синусонированной либо универсальной намоткой.
Наличие большой собственной емкости ограничивает частоту до 2 МГц. Для увеличения добротности используют провод - лицендрат (несколько проводников в жгут и на конце спаиваются).
-
Спиральные катушки - имеют невысокую добротность, не большая индуктивность.
Экранированные катушки индуктивности.
Экран необходим для снижения действия магнитного поля.
Эффективность экранирования оценивается отношением H в определенной точке пространства с экраном и без экрана.
Для повышения эффективности экранирования, нужно использовать экраны с меньшим (экраны с посеребрением). Эффективность увеличится с увеличение толщины стенки экрана, она также увеличится с ростом частоты.
Но наличие экрана приведет увеличению собственной емкости и к некоторому уменьшению индуктивности, уменьшению добротности.
Принято использовать экраны с диаметром: Dэ= 2Dк
Dк – наружный диаметр катушки;
При этом L уменьшиться на 15-18%.
При Dэ= 2,5Dк - влияние экрана на параметры меньше, в этом случае L уменьшиться на 5%.
-
Катушки индуктивности с сердечником.
Сердечники бывают из магнитных и не магнитных материалов.
Для высокочастотных катушек используют следующие материалы:
-
магнитодиэлектрики;
-
ферриты;
1. Магнитодиэлектрик – смесь порошка магнитного материала и диэлектрической связки. Такая структура позволяет снизить потери.
Виды магнитодиэлектрических сердечников:
-
магнетитовые сердечники;
-
карбонильные сердечники;
-
альсиферовые сердечники;
Такие сердечники имеют высокую стабильность, малые потери и стоимость.
Ферритовые сердечники.
-
магнитомягкий феррит (имеет узкую петлю гистерезиса);
Используются никель – цинковые и марганце – цинковые ферриты.
Обозначение:
2000 Н Н 1;
В М
2000 – начальная намагниченность;
Первая Н – низкочастотные, В – высокочастотные;
Вторая Н - никель – цинковые, М - марганце – цинковые;
1 – порядковый номер разработки;
Немагнитные материалы.
Используется диамагнетик, они имеют <1. Используются для подстройки индуктивностей. Материал: латунь, алюминий, медь. При таких сердечниках индуктивность и добротность ниже, но они высокостабильные и недорогие.
Показатель любого сердечника это эф .Эффективная магнитная проницаемость зависит от начальной намагниченности 0 и конструкции (большая или меньшая длина магнитной силовой линии).
Типы сердечников:
-
цилиндрические;
-
кольцевые;
-
броневые;
Цилиндрические – имеют малое эф, используются для подстройки.
Кольцевые – обеспечивают максимальную эф, малые габариты и малые поля рассеяния. Недостаток это сложность намотки и подстройки.
Обозначение:
К10 6 3;
К – кольцевой;
10 – наружный диаметр (мм);
6 – внутренний диаметр (мм);
3 – высота (мм);
Броневой - обладает большой эф, для увеличения стабильности используют сердечники с зазором.
Обозначение:
Б – 6;
Б – броневой;
6 - наружный диаметр (мм);
СБ – 12а;
Материал – карбонильное железо;
а – зазор;
б – нет зазора;
Элементы индикации.
Это устройства предназначенные для преобразования электрического сигнала в видимое изображение.
Классификация:
-
по принципу светоотдачи:
-
пассивные – модуляция светового потока под действием электрического сигнала, сами не светятся;
-
активные – преобразование электрической энергии в световую, сами светятся;
-
-
по принципу действия:
-
накаливаемые – свечение раскаленного тела в вакууме;
-
газоразрядные – свечение газового разряда;
-
электронно-лучевые – высоковольтная катодолюминесценция;
-
вакуумные катодолюминесцентные – низковольтная катодолюминесценция;
-
электролюминесценция – предпробойная электролюминесценция;
-
полупроводниковые или светодиодные – инжекционная электролюминесценция;
-
жидкокристаллические индикаторы;
-
электрохромные индикаторы – изменение цвета под действием электрического поля
-
электрофаритические индикаторы – на основе явления электрофореза;
-
электромеханические индикаторы.
Основные параметры индикаторов:
1. Эргономические характеристики:
-
допустимое расстояние наблюдения – L;
-
высота знака – Н;
L и H завися друг от друга:
-
угол обзора – угол, в пределах которого возможно считывание информации с индикатора.
2. Светотехнические характеристики:
-
яркость – L – величина определяемая силой свет I0, излучаемая единицей поверхности светящегося тела:
-
контрастность – K – позволяет различить с точки зрения яркости 2-а соседних элемента:
-
освещенность –E – характеризуется световым потоком Ф0, падающим на единицу площади поверхности:
Индикатор накаливания.
Разновидности:
-
сегментный индикатор ( несколько нитей накаливания );
-
обычная лампа накаливания;
-
с подсветкой в торец ( каждый знак подсвечивается ).
Достоинства:
-
высокая яркость свечения ( до 5000 – 6000 канделл );
-
широкий угол обзора;
-
цветовая гибкость ( широкий спектр излучения );
-
малая стоимость.
Недостатки:
-
малый КПД ( большая часть энергии расходуется на тепло );
-
наличие стеклянного баллона ( блики, хрупкость );
-
выделение тепла.
Газоразрядные индикаторы.
Свечение газового разряда, первый индикатор был использован в 1910 г. Рассмотрим ВАХ газоразрядной лампы:
-
АБ – участок характеризуется, тем что через прибор протекает ток, из-за наличия в газе электронов и ионов, полученных за счет внешнего космического излучения;
- БВ – участок насыщения, то есть все носители задействованы в протекании тока;
- ВГ – участок характеризуется возникновением заряда, энергии электронов достаточно для ионизации атомов газа, появляются новые носители;
- ГД – участок самостоятельного газового разряда, лавинообразный процесс;
- ДЕ – участок нормального тлеющего разряда, на поверхности катода появляется тлеющий разряд;
- ЕЖ – участок анормального тлеющего разряда, весь катод покрыт тлеющим разрядом, рабочий участок;
- ЖЗ – участок дугового разряда, возникает электрическая дуга.
Участки ВГ и ГД свечения не дают. Разновидности газоразрядных индикаторов:
-
сигнальные неоновые лампы;
-
цветные люминисцентные индикаторы;
-
индикаторные тиратроны;
-
знаковые индикаторы;
-
шкальные индикаторы;
-
газоразрядные индикаторные панели.
Сигнальные неоновые лампы.
Простейший индикатор: анод и катод, под колпаком неон – добавляется для уменьшения напряжения зажигания. Используются на переменном и постоянном токах ( соблюдая полярность).
Основные параметры: Iраб., Uраб., Uзаж..
Например:
МН-6
Цветные люминисцентные индикаторы.
Обычная неоновая лампа – внутри анод с катодом, но внутренняя поверхность баллон покрыта слоем люминофора. Под действием тлеющего заряда люминофор светиться. Промышленностью выпускается 4-е цвета.
Достоинства: возможность получения различных цветов, большая равномерность свечения, больший угол обзора.
Недостатки: различные яркости индикаторов различных цветов, малый срок службы.
Индикаторные тиратроны.
Тиратроны используются с токовым и электростатическим управлением. Тиратрон с токовым управлением ( недостаток: большая мощность управления):
МТХ-90.
С электростатическим управлением:
ТХ-4Б.
С
1 – электрод подготовительного разряда, вызывает тлеющий разряд, но не на катоде, служит для начальной ионизации газа.
С2 – управляющая сетка, она включает индикатор.
Тиратроны с несколькими сетками способны выполнять некоторые логические функции.
Шкальные индикаторы.
Существует две разновидности: дискретного и аналогового типа.
Аналоговый тип:
И
спользует участок нормального тлеющего разряда. Можем получить начальную точку ( за счет малого нароста ) и изменяя ток можно получать растущий светящийся столб. Для стартовой точки: приближают анод к катоду или добавляют в этом месте дополнительный электрод.
Дискретный тип:
И
ндикатор с динамическим управлением, первоначальное напряжение подается на первый анод, возникает свечение напротив этого анода, далее работа происходит в 3 такта:
1. напряжение подается на 1-ю шину, возникает свечение на первом аноде этой шины, так как он ближе к источнику ионизации;
2. снимаем напряжение на 1-ой шине, подаем на 2-ю шину, горит первый индикатор в этой шине;
3. подается напряжение на 3-ю шину, при снятом напряжении на 2-ой шине.
Большая точность отображения информации, точность около 1%.
Индикаторы.
Индикаторы также могут быть фигурными и сегментными.
4).Фигурные – это пакет катодов, каждый из катодов имеет форму какого – либо знака, сегментные – это катоды в форме сегментов - для знаков и букв.
Фигурные – недостаток, каждый знак находится на разной глубине.
-
ГИП постоянного тока с внешней адресацией;
-
ГИП постоянного тока с самосканированием;
-
ГИП переменного тока с запоминанием;
1).
-
М
еталлические электроды напыленные на внутреннюю поверхность пластины. -
Стеклянная пластина.
-
Перфорированная матрица, на перекрестии анода и катода отверстия, внутри газ.
Недостаток ГИП – это большая инерционность, отсутствие внутренней памяти, сложность управления.
2).
-
Стеклянная пластина с анодами индикации.
-
Перфорированная диэлектрическая матрица.
-
Катоды сканирования.
-
Катод сброса.
-
Проволочные катоды сканирования.
Катоды объедены в три группы, на электрод 5 - напряжение подается постоянно.
Цикл работы:
-
Подача напряжения на катод сброса, возникает газовый разряд под катодом сброса.
-
Напряжение на первую группу катодов, при этом разряд перемещается от первого катода первой группы.
-
Напряжение на вторую группу катодов.
-
Напряжение на третью группу катодов.
-
Повторение со второго пункта, пока не дойдет до конца панели.
Для получения изображения нужно в нужный такт подать напряжение на аноды.
Здесь повышается быстродействие из – за дежурного разряда, упрощается аппаратное управление, но нет памяти.
3). В ГИП переменного тока с запоминанием, катод и анод наносятся на наружный слой стекла.
Э
квивалентная схема одной ячейки.
СГ – емкость газа;
Сд – емкость диэлектрика;
Амплитуда импульса Е меньше напряжения зажигания, для того чтобы зажечь ячейку подается поджигающий импульс с амплитудой достаточной для зажигания ячейки, емкость СГ закорачивает, а емкость Сд заряжается, Uпод - заканчивается ячейка гаснет. После этого приходит импульс противоположной полярности – его сумма с напряжением на Сд - и этой суммы достаточно для зажигания ячейки – ячейка светится.
Я
чейка будет светится долго, для ее гашения подается гасящий импульс UГАС, импульс прошедший после него погасит ячейку.
Катодолюминесцентные индикаторы.
Каждый анод покрывается люминофором, сетка это разрешающий электрод.
Такие индикаторы обладают высокой яркостью свечения: 300 – 700 Кд/м2.
Обычно это знаковые индикаторы сегментного типа, либо шкальные индикаторы, либо многоразрядные индикаторы (иногда их делают с динамическим управлением – один катод, сетка и сегменты знаков объединены).
Полицветные индикаторы – аноды сделаны в виде точек, которые светятся разными цветами.
Электронно-лучевые индикаторы.
О
снованы на явлении высоковольтной катодолюминисценции, люминофор светится при высоких энергиях электронов. Выпускают монохромные и цветные индикаторы.
Катод К - либо прямого, либо косвенного канала (с подогревом).
М
– модулятор, на него подается положительное напряжение, через модулятор пройдут только те электроны, которые летят с нужным вектором скорости, модулятор служит также для регулировки яркости.
УФ и ФЭ - это ускоряющая и фокусирующая электронная линзы.
Для формирования изображения используется отклоняющая система ОС, электростатического или электромагнитного типа. Сам экран покрыт слоем люминофора, с некоторым послесвечением.
Цветные индикаторы, разновидности:
-
с дискретной структурой люминофорного экрана;
-
с энергетическим переключением цветов;
-
с внешним переключением цветов;
-
Индикаторы с дискретной структурой люминофорного экрана делятся:
-
с дельтовидным расположением пушек ( красная, зеленая, синяя). Экран покрыт люминофором трех разных цветов, перед экраном имеется маска напротив каждой триады – для точной фокусировки луча.
-
с планарным расположением электронных пушек. Экран покрывают полосами, маска кинескопа имеет щелевидные отверстия, размер отверстия больше (больше яркость без потерь качества).
-
Одна электронная пушка (с индексным люминофором, на экран наносится 4 полосы, одна из которых индексная).
Характеристики
Тип файла документ
Документы такого типа открываются такими программами, как Microsoft Office Word на компьютерах Windows, Apple Pages на компьютерах Mac, Open Office - бесплатная альтернатива на различных платформах, в том числе Linux. Наиболее простым и современным решением будут Google документы, так как открываются онлайн без скачивания прямо в браузере на любой платформе. Существуют российские качественные аналоги, например от Яндекса.
Будьте внимательны на мобильных устройствах, так как там используются упрощённый функционал даже в официальном приложении от Microsoft, поэтому для просмотра скачивайте PDF-версию. А если нужно редактировать файл, то используйте оригинальный файл.
Файлы такого типа обычно разбиты на страницы, а текст может быть форматированным (жирный, курсив, выбор шрифта, таблицы и т.п.), а также в него можно добавлять изображения. Формат идеально подходит для рефератов, докладов и РПЗ курсовых проектов, которые необходимо распечатать. Кстати перед печатью также сохраняйте файл в PDF, так как принтер может начудить со шрифтами.
еразъемное соединение –
еталлические электроды напыленные на внутреннюю поверхность пластины.














