135584 (722362), страница 6
Текст из файла (страница 6)
Таблицы получены с помощью методики проектирования согласующе-выравнивающих цепей транзисторных усилителей, предполагающей составление и решение систем компонентных уравнений [5], и методики синтеза прототипа передаточной характеристики, обеспечивающего максимальный коэффициент усиления каскада при заданной допустимой неравномерности АЧХ в заданной полосе частот [13].
Для перехода от схемы на рис. 7.7 к схеме на рис. 7.6 следует воспользоваться формулами пересчета:
,
- нормированные относительно
и
значения элементов
и
.
Табличные значения элементов
, в этом случае, выбираются для значения
равного:
где
- коэффициент, значение которого приведено в таблицах.
Пример 7.3. Рассчитать
каскада и значения элементов
,
,
,
,
межкаскадной КЦ (рис. 7.5), если в качестве
и
используются транзисторы КТ610А (
= 3 нГн,
= 5 Ом,
= 4 пФ,
= 86 Ом,
= 1 ГГц), требуемый подъем АЧХ каскада на транзисторе
равен 3 дБ,
= 50 Ом,
= 0,9,
= 260 МГц.
Решение. Нормированные значения элементов
,
и
равны:
=
= 0,56;
=
/
= 0,058;
=
/
= 0,057. Значение
= 0,9 соответствует неравномерности АЧХ 1 дБ. По таблице 7.4 найдем, что для подъема АЧХ равного 3 дБ коэффициент
= 4,9. По (7.12) определим:
= 0,05. Ближайшее табличное значение
равно 0,07. Для этого значения
из таблицы имеем:
= 0,959;
= 1,917;
= 4,816;
= 4,817;
= 0,224. Теперь по (7.11) и (7.10) получим:
= 1,13;
= 0,959;
= 1,917;
= 4,256;
= 3,282;
= 0,229;
= 4,05. После денормирования элементов найдем:
=
= 82,5 Ом;
=
/
= 100 нГн;
=
/
= 30,3 пФ;
= 23,4 пФ;
= 12 нГн.
8. РАСЧЕТ УСИЛИТЕЛей С ЧАСТОТНЫМ РАЗДЕЛЕНИЕМ КАНАЛОВ
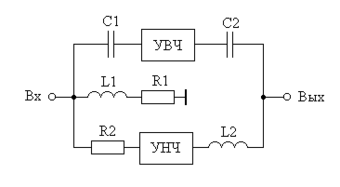
При разработке усилителей с рабочими частотами от нуля либо единиц герц до единиц гигагерц возникает проблема совмещения схемных решений построения низкочастотных и сверхвысокочастотных усилителей. Например, использование больших значений разделительных конденсаторов и дросселей питания для уменьшения нижней граничной частоты, связано с появлением некорректируемых паразитных резонансов в области сверхвысоких частот. Этого недостатка можно избежать, используя частотно-разделительные цепи (ЧРЦ). Наибольший интерес представляет схема усилителя с ЧРЦ, предназначенного для усиления как периодических, так и импульсных сигналов [15,16,17]. Схема усилителя с ЧРЦ приведена на рис. 8.1, где УВЧ – усилитель верхних частот, УНЧ – усилитель нижних частот.
Рис. 8.1
Принцип работы схемы заключается в следующем. Усилитель с ЧРЦ состоит из двух канальных усилителей. Первый канальный усилитель УВЧ является высокочастотным и строится с использованием схемных решений построения усилителей сверхвысоких частот. Второй канальный усилитель УНЧ является низкочастотным и строится с использованием достоинств схемных решений построения усилителей постоянного тока либо усилителей низкой частоты. При условии согласованных входов и выходов канальных усилителей, выборе значения резистора
равным
, а
много больше значения
, усилитель с ЧРЦ оказывается согласованным по входу и выходу. Каждый из канальных усилителей усиливает соответствующую часть спектра входного сигнала. Выходная ЧРЦ осуществляет суммирование усиленных спектров в нагрузке.
Если обозначить нижнюю и верхнюю граничные частоты УВЧ как
и
, а нижнюю и верхнюю граничные частоты УНЧ как
и
, то дополнительным необходимым условием построения усилителя с ЧРЦ является требование:
В этом случае полоса пропускания разрабатываемого усилителя с ЧРЦ будет охватывать область частот от
до
.
С учетом вышесказанного расчет значений элементов ЧРЦ усилителя сводится к следующему.
Значения резисторов
и
выбираются из условий:
По заданному коэффициенту усиления УВЧ
определяется необходимый коэффициент усиления УНЧ
из соотношения:
где
- входное сопротивление УНЧ.
Значения элементов ЧРЦ рассчитываются по формулам [15]:
Пример 8.1. Рассчитать значения элементов
,
,
,
,
,
, коэффициент усиления УНЧ и его
для усилителя с ЧРЦ, схема которого приведена на рис. 8.1, при условиях:
= 10;
= 1 МГц;
=
;
=
= 50 Ом.
Решение. В соответствии с формулами (8.1) и (8.2) выбираем:
= 10 МГц,
=50 Ом,
=500 Ом. Теперь по (8.3) найдем:
=110, а по (8.4) определим:
= 3,2 нФ;
= 8 мкГн;
= 320 пФ;
=800 нГн.
Список использованных источников
-
Мамонкин И.Г. Усилительные устройства. Учебное пособие для вузов. - М.: Связь. 1977.
-
Шварц Н.З. Линейные транзисторные усилители СВЧ. - М.: Сов. радио, 1980.
-
Широкополосные радиопередающие устройства / Алексеев О.В., Головков А.А., Полевой В.В., Соловьев А.А.; Под ред. О.В. Алексеева. - М.: Связь, 1978.
-
Титов А.А., Бабак Л.И., Черкашин М.В. Расчет межкаскадной согласующей цепи транзисторного полосового усилителя мощности // Электронная техника. Сер. СВЧ-техника. – 2000. - Вып. 1.
-
Бабак Л.И., Шевцов А.Н., Юсупов Р.Р. Пакет программ автоматизированного расчета транзисторных широкополосных и импульсных УВЧ - и СВЧ усилителей // Электронная техника. Сер. СВЧ – техника. – 1993. – Вып. 3.
-
Петухов В.М. Полевые и высокочастотные биполярные транзисторы средней и большой мощности и их зарубежные аналоги: Справочник. В 4 томах. – М.: КУбК-а, 1997.
-
Никифоров В.В., Терентьев С.Ю. Синтез цепей коррекции широкополосных усилителей мощности с применением методов нелинейного программирования // Сб. «Полупроводниковая электроника в технике связи». /Под ред. И.Ф. Николаевского. - М.: Радио и связь, 1986. – Вып. 26.
-
Титов А.А. Упрощенный расчет широкополосного усилителя. // Радиотехника. - 1979. - № 6.
-
Мелихов С.В., Колесов И.А. Влияние нагружающих обратных связей на уровень выходного сигнала усилительных каскадов // Сб. «Широкополосные усилители». - Томск: Изд-во Том. ун-та, 1975. – Вып. 4.
-
Бабак Л.И. Анализ широкополосного усилителя по схеме со сложением напряжений // Сб. «Наносекундные и субнаносекундные усилители» / Под ред. И.А. Суслова. - Томск: Изд-во Том. ун-та, 1976.
-
Бабак Л.И., Дергунов С.А. Расчет цепей коррекции сверхширокополосных транзисторных усилителей мощности СВЧ // Сб. «Радиотехнические методы и средства измерений» - Томск: Изд-во Том. ун-та, 1985.
-
Титов А.А. Расчет межкаскадной корректирующей цепи многооктавного транзисторного усилителя мощности. // Радиотехника. – 1987. - №1.
-
Титов А.А. Расчет диссипативной межкаскадной корректирующей цепи широкополосного усилителя мощности // Радиотехника. - 1989. - №2.
-
Альбац М.Е. Справочник по расчету фильтров и линий задержки. – М.: Госэнергоиздат, 1963.
-
Ильюшенко В.Н., Титов А.А. Многоканальные импульсные устройства с частотным разделением каналов. // Радиотехника. - 1991. - № 1.
-
Пикосекундная импульсная техника. /В.Н. Ильюшенко, Б.И. Авдоченко, В.Ю. Баранов и др. / Под ред. В.Н. Ильюшенко.- М.: Энергоатомиздат, 1993.
-
Авторское свидетельство № 1653128 СССР, МКИ НОЗF 1/42. Широкополосный усилитель / В.Н. Ильюшенко, А.А. Титов // Открытия, Изобретения. – 1991 - №20.















