135584 (722362), страница 2
Текст из файла (страница 2)
– входное сопротивление и входная емкость нагружающего каскада.
Значения
, входное сопротивление и входная емкость каскада рассчитываются по формулам (2.5), (2.6), (2.7).
Пример 2.2. Рассчитать
,
,
,
каскада, приведенного на рис. 2.2, при использовании транзистора КТ610А (данные транзистора приведены в примере 2.1) и условий:
= 0,9;
= 10;
,
нагружающего каскада - из примера 2.1.
Решение. По известным
и
из (2.8) получим:
= 10.5 Ом. Зная
из (2.10) найдем:
= 11,5 Ом. По формуле (2.9) определим:
= 310-9 с. Подставляя известные
,
в соотношение (2.5) получим
= 25,5 МГц. По формулам (2.6) и (2.7) определим
= 126 Ом,
= 196 пФ.
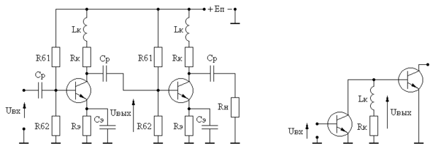
3. РАСЧЕТ КАСКАДА С ВЫСОКОЧАСТОТНОЙ ИНДУКТИВНОЙ КОРРЕКЦИЕЙ
3.1. ОКОНЕЧНЫЙ КАСКАД
Принципиальная схема каскада с высокочастотной индуктивной коррекцией приведена на рис. 3.1,а, эквивалентная схема по переменному току - на рис. 3.1,б.
а) б)
Рис. 3.1
При отсутствии реактивности нагрузки высокочастотная индуктивная коррекция вводится для коррекции искажений АЧХ вносимых транзистором. Корректирующий эффект в схеме достигается за счет возрастания сопротивления коллекторной цепи с ростом частоты усиливаемого сигнала и компенсации, благодаря этому, шунтирующего действия выходной емкости транзистора.
В соответствии с [1] коэффициент усиления каскада в области верхних частот, при оптимальном значении
равном:
описывается выражением:
и
рассчитываются по (2.3) и (2.4).
При заданном значении
,
каскада равна:
Значения
,
каскада рассчитываются по формулам (2.6), (2.7).
Пример 3.1. Рассчитать
,
,
,
,
каскада с ВЧ индуктивной коррекцией, схема которого приведена на рисунке 3.1, при использовании транзистора КТ610А (данные транзистора приведены в примере 2.1) и условий
= 50 Ом;
= 0,9;
= 10.
Решение. По известным
и
из (3.2) получим
= 10,5 Ом. Зная
из (3.3) найдем
= 13,3 Ом. Рассчитывая
по (3.5) и подставляя в (3.1) получим
= 13,710-9 Гн. Определяя к по (3.4) и подставляя в (3.6) определим
= 350 МГц. По формулам (2.6), (2.7) найдем
= 196 пФ,
= 126 Ом.
3.2. ПРОМЕЖУТОЧНЫЙ КАСКАД
Принципиальная схема промежуточного каскада с высокочастотной индуктивной коррекцией приведена на рис. 3.2,а, эквивалентная схема по переменному току - на рис. 3.2,б.
а) б)
Рис. 3.2
В соответствии с [1] коэффициент усиления каскада в области верхних частот, при оптимальном значении
равном:
определяется выражением:
– входное сопротивление и емкость нагружающего каскада;
и
рассчитываются по (2.3) и (2.4).
Значения
,
,
каскада рассчитываются по формулам (3.6), (2.6), (2.7).
Пример 3.2. Рассчитать
,
,
,
,
каскада с ВЧ индуктивной коррекцией, схема которого приведена на рис. 3.2, при использовании транзистора КТ610А (данные транзистора приведены в примере 2.1) и условий:
= 0,9;
= 10;
,
нагружающего каскада - из примера 2.1.
Решение. По известным
и
из (3.8) получим
= 10,5 Ом. Зная
из (3.9) найдем
= 11,5 Ом. Рассчитывая
по (3.11) и подставляя в (3.7) получим
= 34,710-9 Гн. Определяя
по (3.10) и подставляя в (3.6) определим
= 308 МГц. По формулам (2.6), (2.7) найдем
= 196 пФ,
= 126 Ом.
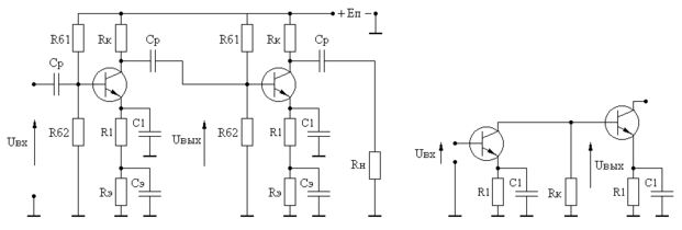
4. РАСЧЕТ КАСКАДА С ЭМИТТЕРНОЙ КОРРЕКЦИЕЙ
4.1. ОКОНЕЧНЫЙ КАСКАД
Принципиальная схема каскада с эмиттерной коррекцией приведена на рис. 4.1,а, эквивалентная схема по переменному току - на рисунке 4.1,б, где
- элементы коррекции. При отсутствии реактивности нагрузки эмиттерная коррекция вводится для коррекции искажений АЧХ вносимых транзистором, увеличивая амплитуду сигнала на переходе база-эмиттер с ростом частоты усиливаемого сигнала.
а) б)
Рис. 4.1
В соответствии с [1], коэффициент передачи каскада в области верхних частот, при выборе элементов коррекции
и
соответствующими оптимальной по Брауде форме АЧХ, описывается выражением:
При заданном значении
, значение
определяется выражением:
Подставляя известные
и
в (4.1) найдем:
Входное сопротивление каскада с эмиттерной коррекцией может быть аппроксимировано параллельной RC-цепью [1]:
Пример 4.1. Рассчитать
,
,
,
,
каскада с эмиттерной коррекцией, схема которого приведена на рисунке 4.1, при использовании транзистора КТ610А (данные транзистора приведены в примере 2.1) и условий:
= 0,9;
= 10;
= 100 Ом.
Решение. По известным
,
,
и
из (4.2), (4.3) получим:
= 4,75. Подставляя
в (4.4) и (4.8) найдем
= 4 Ом;
= 1,03. Рассчитывая
по (4.7) и подставляя в (4.5), (4.6) получим:
= 50,5 пФ. По известным
,
,
,
и
из (4.9) определим:
= 407 МГц. По формулам (4.10), (4.11) найдем
= 71 пФ,
= 600 Ом.
4.2. ПРОМЕЖУТОЧНЫЙ КАСКАД
Принципиальная схема промежуточного каскада с эмиттерной коррекцией приведена на рис. 4.2,а, эквивалентная схема по переменному току - на рис. 4.2,б.
а) б)
Рис. 4.2
В соответствии с [1], коэффициент передачи каскада в области верхних частот, при выборе элементов коррекции
и
соответствующими оптимальной по Брауде форме АЧХ, описывается выражением:
– входное сопротивление и емкость нагружающего каскада;
и
рассчитываются по (2.3) и (2.4).
При заданном значении
, значение
определяется выражением:
Подставляя известные
и
в (4.12) найдем:
Входное сопротивление и входная емкость каскада рассчитываются по соотношениям (4.10) и (4.11).
Пример 4.2. Рассчитать
,
,
,
,
промежуточного каскада с эмиттерной коррекцией, схема которого приведена на рис. 4.2, при использовании транзистора КТ610А (данные транзистора приведены в примере 2.1) и условий:
= 0,9;
=10;
,
нагружающего каскада - из примера 4.1;
.
Решение. По известным
,
и
из (4.13) получим:
= 28,5. Подставляя
в (4.15) найдем:
= 29 Ом. Рассчитывая по формуле (4.19) значение n и подставляя его в (4.20) определим:
= 0,76. Зная
, по (4.16) и (4.17) рассчитаем:
= 201 пФ. По известным
,
,
,
и
из (4.21) найдем:
= 284 МГц. По формулам (4.10), (4.11) определим:
= 44 пФ;
=3590 Ом.
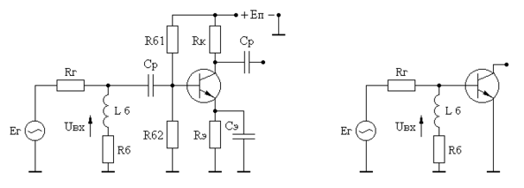
5. КОРРЕКЦИЯ ИСКАЖЕНИЙ ВНОСИМЫХ ВХОДНОЙ ЦЕПЬЮ
5.1. РАСЧЕТ ИСКАЖЕНИЙ ВНОСИМЫХ ВХОДНОЙ ЦЕПЬЮ
Принципиальная схема входной цепи каскада приведена на рис. 5.1,а, эквивалентная схема по переменному току - на рис. 5.1,б.
а) б)
Рис. 5.1
При условии аппроксимации входного сопротивления каскада параллельной RC-цепью, коэффициент передачи входной цепи в области верхних частот описывается выражением [1]:
–
входное сопротивление и входная емкость каскада.
Значение
входной цепи рассчитывается по формуле (2.5), где вместо
подставляется величина
.
Пример 5.1. Рассчитать
и
входной цепи, схема которой приведена на рис. 5.1, при использовании транзистора КТ610А (данные транзистора приведены в примере 2.1) и условий:
= 50 Ом и
= 0,9.
Решение. Из примера 2.1 имеем:
= 126 Ом,
= 196 пФ. Зная
и
из (5.1) получим:
= 0,716. По (5.2) найдем:
= 710-9 с. Подставляя известные
и
в (2.5) определим:
= 11 МГц.
5.2. РАСЧЕТ ВХОДНОЙ КОРРЕКТИРУЮЩЕЙ ЦЕПИ
Из приведенных выше примеров расчета видно, что наибольшие искажения АЧХ обусловлены входной цепью. Для расширения полосы пропускания входных цепей в [7] предложено использовать схему, приведенную на рис. 5.2.
а) б)
Рис. 5.2
Работа схемы основана на увеличении сопротивления цепи
с ростом частоты усиливаемого сигнала и компенсации, благодаря этому, шунтирующего действия входной емкости каскада. Коэффициент передачи входной цепи в области верхних частот можно описать выражением [1]:
–
входное сопротивление и входная емкость каскада.
Значение
, соответствующее оптимальной по Брауде АЧХ, рассчитывается по формуле:













