135584 (722362), страница 5
Текст из файла (страница 5)
После расчета
,
,
, истинные значения элементов находятся из соотношений:
Пример 7.2. Рассчитать
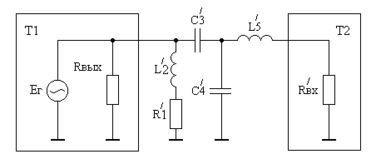
каскада и значения элементов
,
,
,
межкаскадной КЦ (рис. 7.3), при использовании транзисторов КТ610А (
= 3 нГн,
= 5 Ом,
= 4 пФ,
= 86 Ом,
= 1 ГГц) и условий
= 50 Ом,
= 0,9,
= 260 МГц.
Решение. По таблице 7.2 для
= 0,9, что соответствует неравномерности АЧХ 1 дБ, определим:
= 2,52;
= 2,012;
= 2,035. Находя нормированные значения
= 0,56,
= 0,055,
= 0,058 и подставляя в (6.19), получим:
= 1,8;
= 0,757;
= 0,676. Рассчитывая
и подставляя в (6.18) найдем:
= 3,2, а из (6.20) определим:
= 3,75 кОм. После денормирования элементов по (6.21) получим:
= 12,8 пФ;
= 5,4 пФ;
= 35,6 нГн.
7.3. РАСЧЕТ КАСКАДА С ЗАДАННЫМ НАКЛОНОМ АЧХ
Проблема разработки широкополосных усилительных каскадов с заданным наклоном АЧХ связана с необходимостью компенсации наклона АЧХ источников усиливаемых сигналов; устранения частотно-зависимых потерь в кабельных системах связи; выравнивания АЧХ малошумящих усилителей, входные каскады которых реализуются без применения цепей высокочастотной коррекции. На рис. 7.5,а приведена принципиальная схема усилителя с реактивной межкаскадной КЦ четвертого порядка, позволяющей реализовать заданный наклон АЧХ усилительного каскада, эквивалентная схема по переменному току приведена на рис. 7.5,б [14].
Рис. 7.5
Используя однонаправленную эквивалентную схему замещения транзистора, схему (рис. 7.5) можно представить в виде, приведенном на рис. 7.6.
Рис. 7.6
Вводя идеальный трансформатор после конденсатора
, с последующим применением преобразования Нортона [3], перейдем к схеме представленной на рис. 7.7.
Рис. 7.7
В соответствии с [2, 11], коэффициент передачи последовательного соединения межкаскадной КЦ и транзистора
, при условии использования выходной КЦ, равен:
- нормированные относительно
и
значения элементов
.
Таблица 7.3 - Нормированные значения элементов КЦ для
=0,25 дБ
Наклон | ||||||
| +4 дБ | 0.027 0.0267 0.0257 0.024 0.02 0.013 0.008 0,0 | 1.058 1.09 1.135 1.178 1.246 1.33 1.379 1.448 | 2.117 2.179 2.269 2.356 2.491 2.66 2.758 2.895 | 3.525 3.485 3.435 3.395 3.347 3.306 3.29 3.277 | 6.836 6.283 5.597 5.069 4.419 3.814 3.533 3.205 | 0.144 0.156 0.174 0.191 0.217 0.248 0.264 0.287 |
| +2 дБ | 0.0361 0.0357 0.0345 0.0325 0.029 0.024 0.015 0.0 | 1.59 1.638 1.696 1.753 1.824 1.902 2.014 2.166 | 3.18 3.276 3.391 3.506 3.648 3.804 4.029 4.332 | 3.301 3.278 3.254 3.237 3.222 3.213 3.212 3.227 | 5.598 5.107 4.607 4.204 3.797 3.437 3.031 2.622 | 0.172 0.187 0.207 0.225 0.247 0.269 0.3 0.337 |
| +0 дБ | 0.0493 0.049 0.047 0.045 0.04 0.03 0.017 0.0 | 2.425 2.482 2.595 2.661 2.781 2.958 3.141 3.346 | 4.851 4.964 5.19 5.322 5.563 5.916 6.282 6.692 | 3.137 3.13 3.122 3.121 3.125 3.143 3.175 3.221 | 4.597 4.287 3.753 3.504 3.134 2.726 2.412 2.144 | 0.205 0.219 0.247 0.263 0.29 0.327 0.36 0.393 |
| -3 дБ | 0.0777 0.077 0.075 0.07 0.06 0.043 0.02 0.0 | 4.668 4.816 4.976 5.208 5.526 5.937 6.402 6.769 | 9.336 9.633 9.951 10.417 11.052 11.874 12.804 13.538 | 3.062 3.068 3.079 3.102 3.143 3.21 3.299 3.377 | 3.581 3.276 2.998 2.68 2.355 2.051 1.803 1.653 | 0.263 0.285 0.309 0.34 0.379 0.421 0.462 0.488 |
| -6 дБ | 0.132 0.131 0.127 0.12 0.1 0.08 0.04 0.0 | 16.479 17.123 17.887 18.704 20.334 21.642 23.943 26.093 | 32.959 34.247 35.774 37.408 40.668 43.284 47.885 52.187 | 2.832 2.857 2.896 2.944 3.049 3.143 3.321 3.499 | 2.771 2.541 2.294 2.088 1.789 1.617 1.398 1.253 | 0.357 0.385 0.42 0.453 0.508 0.544 0.592 0.625 |
Таблица 7.4 - Нормированные значения элементов КЦ для
=0,5 дБ
Наклон | ||||||
| +6 дБ | 0.012 0.0119 0.0115 0.011 0.0095 0.0077 0.005 0.0 | 0.42 0.436 0.461 0.48 0.516 0.546 0.581 0.632 | 0.839 0.871 0.923 0.959 1.031 1.092 1.163 1.265 | 6.449 6.278 6.033 5.879 5.618 5.432 5.249 5.033 | 12.509 11.607 10.365 9.624 8.422 7.602 6.814 5.911 | 0.09 0.097 0.109 0.117 0.134 0.147 0.164 0.187 |
| +3 дБ | 0.0192 0.019 0.0185 0.017 0.015 0.012 0.007 0.0 | 0.701 0.729 0.759 0.807 0.849 0.896 0.959 1.029 | 1.403 1.458 1.518 1.613 1.697 1.793 1.917 2.058 | 5.576 5.455 5.336 5.173 5.052 4.937 4.816 4.711 | 8.98 8.25 7.551 6.652 6.021 5.433 4.817 4.268 | 0.123 0.134 0.146 0.165 0.182 0.2 0.224 0.249 |
| 0 дБ | 0.0291 0.0288 0.028 0.0265 0.024 0.019 0.01 0.0 | 1.012 1.053 1.096 1.145 1.203 1.288 1.404 1.509 | 2.024 2.106 2.192 2.29 2.406 2.576 2.808 3.018 | 5.405 5.306 5.217 5.129 5.042 4.94 4.843 4.787 | 6.881 6.296 5.79 5.303 4.828 4.271 3.697 3.301 | 0.16 0.175 0.19 0.207 0.226 0.253 0.287 0.316 |
| -3 дБ | 0.0433 0.043 0.0415 0.039 0.035 0.027 0.015 0.0 | 1.266 1.318 1.4 1.477 1.565 1.698 1.854 2.019 | 2.532 2.636 2.799 2.953 3.13 3.395 3.708 4.038 | 5.618 5.531 5.417 5.331 5.253 5.172 5.117 5.095 | 5.662 5.234 4.681 4.263 3.874 3.414 3.003 2.673 | 0.201 0.217 0.241 0.263 0.287 0.321 0.357 0.391 |
| -6 дБ | 0.0603 0.06 0.058 0.054 0.048 0.04 0.02 0.0 | 1.285 1.342 1.449 1.564 1.686 1.814 2.068 2.283 | 2.569 2.684 2.899 3.129 3.371 3.627 4.136 4.567 | 6.291 6.188 6.031 5.906 5.812 5.744 5.683 5.686 | 5.036 4.701 4.188 3.759 3.399 3.093 2.634 2.35 | 0.247 0.264 0.295 0.325 0.355 0.385 0.436 0.474 |
В таблицах 7.3 и 7.4 приведены значения элементов
, вычисленные для случая реализации усилительного каскада с различным наклоном АЧХ, лежащим в пределах + 6 дБ, при допустимом уклонении АЧХ от требуемой формы
равном 0,25 дБ и 0,5 дБ, и для различных значений
.















