135584 (722362), страница 3
Текст из файла (страница 3)
При заданном значении
и расчете
по (5.5) верхняя частота полосы пропускания входной цепи равна:
Пример 5.2. Рассчитать
,
,
входной цепи, приведенной на рис. 5.2, при использовании транзистора КТ610А (данные транзистора приведены в примере 2.1) и условий:
= 50 Ом,
= 0,9, допустимое уменьшение
за счет введения корректирующей цепи – 5 раз.
Решение. Из примера 5.1 имеем:
= 126 Ом,
= 196 пФ,
= 0,716. Используя соотношение (5.3) и условия задачи получим:
= 10 Ом. Подставляя
в (5.5) найдем:
= 7,54 нГн. Подставляя результаты расчетов в (5.6), получим:
= 108 МГц. Используя соотношения (5.4), (2.5) определим, что при простом шунтировании каскада резистором
= 10 Ом
каскада оказывается равной 50 МГц.
5.3. РАСЧЕТ КАСКАДА С ПАРАЛЛЕЛЬНОЙ ОТРИЦАТЕЛЬНОЙ ОБРАТНОЙ СВЯЗЬЮ
Для исключения потерь в усилении, обусловленных использованием входной корректирующей цепи (см. раздел 5.2), в качестве входного каскада может быть использован каскад с параллельной ООС. Принципиальная схема каскада приведена на рис. 5.3,а, эквивалентная схема по переменному току - на рис. 5.3,б.
а) б)
Рис. 5.3
Особенностью схемы является то, что при большом значении входной емкости нагружающего каскада и глубокой ООС (
мало) в схеме, даже при условии
= 0, появляется выброс на АЧХ в области верхних частот. Поэтому расчет каскада следует начинать при условии:
= 0. В этом случае коэффициент передачи каскада в области верхних частот описывается выражением:
–
входное сопротивление и емкость нагружающего каскада.
При заданном значении
,
каскада равна:
Формулой (5.9) можно пользоваться в случае, если
. В случае
схема имеет выброс на АЧХ и следует увеличить
. Если окажется, что при
меньше требуемого значения, следует ввести
. В этом случае коэффициент усиления каскада в области верхних частот описывается выражением:
Оптимальная по Брауде АЧХ достигается при условии:
При заданном значении
,
каскада может быть найдена после нахождения действительного корня
уравнения:
При известном значении
,
каскада определяется из условия:
Пример 5.3. Рассчитать
,
,
каскада с параллельной ООС, схема которого приведена на рис. 5.3, при использовании транзистора КТ610А (данные транзистора приведены в примере 2.1) и условий:
= 50 Ом,
= 0,9,
= 1,5,
нагружающего каскада – из примера 4.2 (
= 44 пФ,
= 3590 Ом).
Решение. По известным
и
из (5.11) определим
=75 Ом. Рассчитывая
и
формулы (5.7) найдем, что
. Поэтому следует увеличить значение
. Выберем
= 6. В этом случае из (5.11) определим:
= 150 Ом. Для данного значения
. По формуле (5.9) получим:
= 76 МГц. Для расширения полосы пропускания рассчитаем
по (5.12):
=57 нГн. Теперь найдем действительный корень уравнения (5.13):
, и по (5.14) определим:
= 122 МГц.
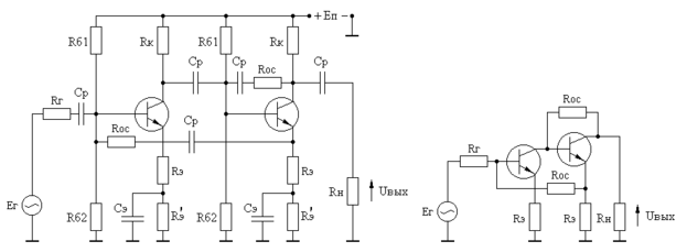
6. СОГЛАСОВАННЫЕ КАСКАДЫ С ОБРАТНЫМИ СВЯЗЯМИ
6.1. РАСЧЕТ КАСКАДА С КОМБИНИРОВАННОЙ ООС
Принципиальная схема каскада с комбинированной ООС приведена на рис. 6.1,а, эквивалентная схема по переменному току - на рис. 6.1,б.
а) б)
Рис.6.1
Совместное использование параллельной ООС по напряжению и последовательной ООС по току позволяет стабилизировать коэффициент усиления каскада, его входное и выходное сопротивления. При условии
>>
и выполнении равенств:
схема оказывается согласованной по входу и выходу с КСВН не более 1,3 в диапазоне частот, где выполняется условие
0,7. Поэтому взаимное влияние каскадов друг на друга при их каскадировании отсутствует [8].
При выполнении условий (6.1), коэффициент передачи каскада от генератора в нагрузку в области верхних частот описывается выражением:
Задаваясь значением
, из (6.1) и (6.3) получим:
При заданном значении
,
каскада равна:
В [9] показано, что при выполнении условий (6.1) ощущаемое сопротивление нагрузки транзистора каскада с комбинированной ООС равно
, а максимальная амплитуда сигнала, отдаваемого каскадом в нагрузку, составляет величину:
где
- максимальное значение выходного напряжения отдаваемого транзистором.
Пример 6.1. Рассчитать
,
,
каскада приведенного на рис. 6.1, при использовании транзистора КТ610А (данные транзистора приведены в примере 2.1) и условий:
= 50 Ом;
=0,9;
=3.
Решение. По известным
и
из (6.4) получим:
=200 Ом. Подставляя
в (6.1) найдем:
=12,5 Ом. Рассчитывая коэффициенты
,
формулы (6.2) и подставляя в (6.5) определим:
=95 МГц. Теперь по (6.6) можно найти величину потерь выходного сигнала, обусловленных использованием ООС:
.
6.2. РАСЧЕТ КАСКАДОВ С ПЕРЕКРЕСТНЫМИ ООС
Принципиальная схема каскадов с перекрестными ООС приведена на рис. 6.2,а, эквивалентная схема по переменному току - на рис. 6.2,б.
а) б)
Рис. 6.2
По идеологии построения рассматриваемая схема похожа на усилитель, в котором использованы каскады с комбинированной ООС. Однако при заданном коэффициенте усиления схема обладает большей полосой пропускания, которая практически не сокращается при увеличении числа каскадов, что объясняется комплексным характером обратной связи на высоких частотах.
Усилитель с перекрестными ООС, также как и каскад с комбинированной ООС, при выполнении равенств (6.1) оказывается согласованной по входу и выходу с КСВН не более 1,3 [8, 9]. Коэффициент передачи двухтранзисторного варианта усилителя, изображенного на рис. 6.2, выполненного на однотипных транзисторах и при пренебрежении величинами второго порядка малости, описывается выражением:
При заданном значении
,
каскада равна:
Величина потерь выходного сигнала, обусловленных использованием ООС, определяется соотношением (6.6).
При увеличении числа каскадов, верхняя граничная частота всего усилителя
практически не меняется и может быть рассчитана по эмпирической зависимости:
- верхняя частота полосы пропускания двухтранзисторного варианта усилителя, рассчитываемая по формуле (6.9).
Коэффициент усиления n-каскадного усилителя рассчитывается по формуле (6.8).
Пример 6.2. Рассчитать
,
,
двухтранзисторного варианта усилителя приведенного на рис. 6.2, при использовании транзистора КТ610А (данные транзистора приведены в примере 2.1) и условий:
=50 Ом;
=0,81;
=10.
Решение. Подставляя в (6.8) заданные значения
и
найдем:
= 160 Ом. Подставляя
в (6.1) получим:
=15,5 Ом. Теперь по (6.9) определим:
=101 МГц.
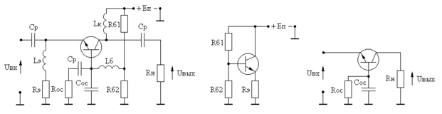
6.3. РАСЧЕТ КАСКАДА СО СЛОЖЕНИЕМ НАПРЯЖЕНИЙ
Принципиальная схема каскада со сложением напряжений [10] приведена на рис. 6.3,а, эквивалентная схема по постоянному току – на рис. 6.3,б, по переменному току – на рис. 6.3,в.
а) б) в)
Рис. 6.3
При выполнении условия:
напряжение, отдаваемое транзистором каскада, равно амплитуде входного воздействия. Коэффициент усиления по току транзистора включенного по схеме с общей базой равен единице. В этом случае ток, отдаваемый предыдущим каскадом, практически равен току нагрузки. Поэтому ощущаемое сопротивление нагрузки каскада равно половине сопротивления
, его входное сопротивление также равно половине сопротивления
, вплоть до частот соответствующих
= 0,7. Это следует учитывать при расчете рабочих точек рассматриваемого и предоконечного каскадов.
Коэффициент усиления каскада в области верхних частот, с учетом выполнения равенства (6.10), описывается выражением:
Оптимальная по Брауде АЧХ каскада реализуется при расчете
и
по формулам [10]:
а значение
определяется из соотношения:
Пример 6.3. Рассчитать
,
,
каскада со сложением напряжений приведенного на рис. 6.3, при использовании транзистора КТ610А (данные транзистора приведены в примере 2.1) и условий:
= 50 Ом;
= 0,9.
Решение. По формулам (6.11), (6.12) получим
= 3 кОм;
= 10,4 пФ. Теперь по (6.13) найдем:
=478 МГц.















