135558 (722265)
Текст из файла
РАСЧЕТ КОРРЕКТИРУЮЩИХ ЦЕПЕЙ ШИРОКОПОЛОСНЫХ УСИЛИТЕЛЬНЫХ КАСКАДОВ НА БИПОЛЯРНЫХ ТРАНЗИСТОРАХ
Цель работы – получение законченных аналитических выражений для расчета коэффициента усиления, полосы пропускания и значений элементов корректирующих цепей наиболее известных и эффективных схемных решений построения усилительных каскадов на биполярных транзисторах (БТ). Основные результаты работы – вывод и представление в удобном для проектирования виде расчетных соотношений для усилительных каскадов с простой индуктивной и истоковой коррекциями, с четырехполюсными диссипативными межкаскадными корректирующими цепями четвертого порядков, для входной и выходной корректирующих цепей. Для всех схемных решений построения усилительных каскадов на БТ приведены примеры расчета.
ВВЕДЕНИЕ
В теории усилителей нет достаточно обоснованных доказательств преимущества использования того либо иного схемного решения при разработке конкретного усилительного устройства. В этой связи проектирование широкополосных усилителей во многом основано на интуиции и опыте разработчика. При этом, разные разработчики, чаще всего, по-разному решают поставленные перед ними задачи, достигая требуемых результатов. Данная работа предназначена для начинающих разработчиков широкополосных усилителей и содержит: наиболее известные и эффективные схемные решения построения широкополосных усилительных каскадов на БТ; соотношения для их расчета по заданным требованиям; примеры расчета. Поскольку, как правило, широкополосные усилители работают в стандартном 50 либо 75-омном тракте, соотношения для расчета даны исходя из условий, что оконечные каскады усилителей работают на чисто резистивную нагрузку, а входные каскады усилителей работают от чисто резистивного сопротивления генератора.
-
ИСХОДНЫЕ ДАННЫЕ ДЛЯ РАСЧЕТА
В соответствии с [1, 2, 3], приведенные ниже соотношения для расчета усилительных каскадов основаны на использовании эквивалентной схемы замещения транзистора приведенной на рисунке 1.1, либо на использовании его однонаправленной модели [2, 3] приведенной на рисунке 1.2.
Рисунок 1.1 - Эквивалентная схема Джиаколетто
Рисунок 1.2 - Однонаправленная модель
Значения элементов схемы Джиаколетто могут быть рассчитаны по паспортным данным транзистора по следующим формулам [1]:
=3 - для планарных кремниевых транзисторов,
=4 - для остальных транзисторов,
где
- емкость коллекторного перехода;
- постоянная времени цепи обратной связи;
- статический коэффициент передачи тока в схеме с общим эмиттером;
- граничная частота коэффициента передачи тока в схеме с общим эмиттером;
- ток эмиттера в рабочей точке в миллиамперах.
В справочной литературе значения
и
часто приводятся измеренными при различных значениях напряжения коллектор-эмиттер
. Поэтому при расчетах
значение
следует пересчитать по формуле [1]
где
- напряжение
, при котором производилось измерение
;
- напряжение
, при котором производилось измерение
.
Поскольку
и
оказываются много меньше проводимости нагрузки усилительных каскадов, в расчетах они обычно не учитываются.
Элементы схемы замещения приведенной на рисунке 1.2 могут быть рассчитаны по следующим эмпирическим формулам [4]:
где
- индуктивность вывода базы;
- индуктивность вывода эмиттера;
- предельное значение напряжения
;
- предельное значение постоянного тока коллектора.
При расчетах по эквивалентной схеме, приведенной на рисунке 1.2, вместо
используют параметр
- коэффициент усиления транзистора по мощности в режиме двухстороннего согласования [2], равный:
где
- частота, на которой коэффициент усиления транзистора по мощности в режиме двухстороннего согласования равен единице;
- текущая частота.
2 РАСЧЕТ НЕКОРРЕКТИРОВАННОГО КАСКАДА С ОБЩИМ ЭМИТТЕРОМ
2.1 ОКОНЕЧНЫЙ КАСКАД
Схема каскада по переменному току приведена на рисунке 1.3, где
- сопротивление нагрузки;
- сопротивление в цепи коллектора.
Рисунок 2.1 - Схема оконечного некорректированного каскада.
При отсутствии реактивности нагрузки, полоса пропускания каскада определяется параметрами транзистора. В соответствии с [1] коэффициент усиления каскада в области верхних частот можно описать выражением:
При заданном уровне частотных искажений
верхняя частота
полосы пропускания каскада равна:
Входное сопротивление каскада может быть аппроксимировано параллельной RC цепью [1]:
Пример 1.1. Рассчитать
,
,
,
каскада, приведенного на рисунке 1.3 при использовании транзистора КТ610А (
=5 Ом,
=1 Ом,
=0,0083 Сим,
=4 пФ,
=160 пФ,
=1 ГГц,
=120,
=0,95 А/В,
=0,99,
=55 мА), и условий:
=50 Ом;
=0,9;
=10.
Решение. По известным
и
в соответствии с (1.2) имеем
=10,5 Ом. Зная
находим
=13,3 Ом. По формуле (1.3) найдем
=1,0310-9с. Подставляя известные
и
в соотношение (1.6) получим
=74,9 МГц. По формулам (1.7) и (1.8) определим
=196 пФ,
=126 Ом.
2.2 ПРОМЕЖУТОЧНЫЙ КАСКАД
Схема каскада по переменному току приведена на рисунке 1.4, где
- сопротивление в цепи коллектора;
,
- входное сопротивление и входная емкость нагружающего каскада.
Рисунок 2.2 - Схема промежуточного некорректированного каскада.
В соответствии с [1] коэффициент усиления каскада в области верхних частот описывается выражением:
Значения
,
,
каскада рассчитываются по формулам (1.6), (1.7), (1.8).
Пример 2. Рассчитать
,
,
,
каскада приведенного на рисунке 1.4 при использовании транзистора КТ610А (данные транзистора приведены в примере 1.1) и условий
=0,9;
=10;
,
- из примера 1.
Решение. По известным
и
из (1.9) получим
=10.5 Ом. Зная
из (1.11) найдем
=11,5 Ом. По формуле (1.10) определим
=310-9 с. Подставляя известные
,
в соотношение (1.6) получим
=25,5 МГц. По формулам (1.7) и (1.8) определим
=126 Ом,
=196 пФ.
3 РАСЧЕТ КАСКАДА С ВЫСОКОЧАСТОТНОЙ ИНДУКТИВНОЙ КОРРЕКЦИЕЙ
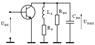
3.1 ОКОНЕЧНЫЙ КАСКАД
Схема каскада по переменному току приведена на рисунке 3.1.
Рисунок 3.1 - Схема оконечного каскада с высокочастотной индуктивной коррекцией.
При отсутствии реактивности нагрузки высокочастотная (ВЧ) индуктивная коррекция вводится для коррекции искажений АЧХ вносимых транзистором. В соответствии с [1] коэффициент усиления каскада в области верхних частот, при оптимальном значении
равном
описывается выражением
и
определяются выражениями (1.4) и (1.5).
Значения
,
каскада рассчитываются по формулам (1.7), (1.8).
Пример 3 Рассчитать
,
,
,
,
каскада с ВЧ индуктивной коррекцией, схема которого приведена на рисунке 3.1, при использовании транзистора КТ610А (данные транзистора приведены в примере 1) и условий
=0,9;
=10;
=50 Ом.
Решение. По известным
и
из (1.13) получим
=10,5 Ом. Зная
из (1.14) найдем
=13,3 Ом. Рассчитывая
по (1.16) и подставляя в (1.12) получим
=13,710-9 Гн. Определяя к по (1.15) и подставляя в (1.17) определим
=350 МГц. По формулам (1.7), (1.8) найдем
=196 пФ,
=126 Ом.
3.2 ПРОМЕЖУТОЧНЫЙ КАСКАД
Схема каскада по переменному току приведена на рисунке 3.2.
Рисунок 3.2 - Схема промежуточного каскада с высокочастотной индуктивной коррекцией
В соответствии с [1] коэффициент усиления каскада в области верхних частот, при оптимальном значении
равном
определяется выражением:
и
определяются выражениями (1.4), (1.5). Значения
,
,
каскада рассчитываются по формулам (1.17), (1.7), (1.8).
Пример 4. Рассчитать
,
,
,
,
каскада с ВЧ индуктивной коррекцией, схема которого приведена на рисунке 3.2, при использовании транзистора КТ610А (данные транзистора приведены в примере 1.1) и условий:
=0,9;
=10;
,
- из примера 3.
Решение. По известным
и
из (1.19) получим
=10,5 Ом. Зная
из (1.20) найдем
=11,5 Ом. Рассчитывая
по (1.22) и подставляя в (1.18) получим
=34,710-9 Гн. Определяя
по (1.21) и подставляя в (1.17) определим
=308 МГц. По формулам (1.7), (1.8) найдем
=196 пФ,
=126 Ом.
4 РАСЧЕТ КАСКАДА С ЭМИТТЕРНОЙ КОРРЕКЦИЕЙ
4.1 ОКОНЕЧНЫЙ КАСКАД
Схема каскада по переменному току приведена на рисунке 4.1.
Рисунок 4.1. Схема оконечного каскада с эмиттерной коррекцией
Характеристики
Тип файла документ
Документы такого типа открываются такими программами, как Microsoft Office Word на компьютерах Windows, Apple Pages на компьютерах Mac, Open Office - бесплатная альтернатива на различных платформах, в том числе Linux. Наиболее простым и современным решением будут Google документы, так как открываются онлайн без скачивания прямо в браузере на любой платформе. Существуют российские качественные аналоги, например от Яндекса.
Будьте внимательны на мобильных устройствах, так как там используются упрощённый функционал даже в официальном приложении от Microsoft, поэтому для просмотра скачивайте PDF-версию. А если нужно редактировать файл, то используйте оригинальный файл.
Файлы такого типа обычно разбиты на страницы, а текст может быть форматированным (жирный, курсив, выбор шрифта, таблицы и т.п.), а также в него можно добавлять изображения. Формат идеально подходит для рефератов, докладов и РПЗ курсовых проектов, которые необходимо распечатать. Кстати перед печатью также сохраняйте файл в PDF, так как принтер может начудить со шрифтами.















