135558 (722265), страница 3
Текст из файла (страница 3)
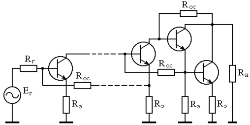
Рисунок 6.2 Схема усилительных каскадов с перекрестными ООС
По идеологии построения рассматриваемая схема похожа на усилитель, в котором использованы каскады с комбинированной ООС. Однако при заданном коэффициенте усиления схема обладает большей полосой пропускания, которая практически не сокращается при увеличении числа каскадов, что объясняется комплексным характером обратной связи на высоких частотах.
Также как и каскад с комбинированной ООС схема оказывается согласованной по входу и выходу с КСВН не более 1,5 и 1,3 соответственно, при условиях [9, 10]:
При выполнении условий (1.60) и при пренебрежении величинами второго порядка малости, коэффициент усиления двухтранзисторного варианта усилителя изображенного на рисунке 6.2 описывается выражением:
При заданном значении
,
двухтранзисторного варианта усилителя равна:
При увеличении числа каскадов усилителя, верхняя граничная частота всего усилителя
практически не меняется и может быть рассчитана по эмпирической зависимости
где
- общее число каскадов;
- верхняя частота полосы пропускания двухтранзисторного варианта усилителя, рассчитываемая по формуле (1.66).
Подключение дополнительных каскадов усиления к двухтранзисторному варианту усилителя приводит к возрастанию усиления в
раз, и общий коэффициент усиления, в этом случае, равен:
Для повышения выходной мощности рассматриваемого усилителя можно воспользоваться его модифицированной схемой приведенной на рисунке 6.3 [11].
Рисунок 6.3 Схема усилителя с повышенной выходной мощностью.
Для схемы приведенной на рисунке 6.3 справедливы все соотношения приведенные выше, однако она имеет вдвое большую величину выходной мощности благодаря параллельному включению выходных транзисторов [9
Пример 11. Рассчитать
,
,
двухтранзисторного варианта усилителя приведенного на рисунке 6.2, при использовании транзистора КТ610А (данные транзистора приведены в примере 1) и условий:
=50 Ом;
=0,81;
=10.
Решение. Подставляя в (1.62) различные значения
найдем, что
=10 при
=0,262. Теперь по (1.64) определим:
=101 МГц. Используя (1.63), получим:
=13,1 Ом;
=191 Ом.
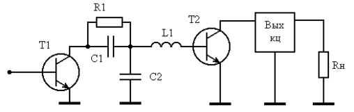
6.3 РАСЧЕТ КАСКАДА СО СЛОЖЕНИЕМ НАПРЯЖЕНИЙ
Схема каскада по переменному току приведена на рисунке 6.4 [10].
Рисунок 6.4 Схема каскада со сложением напряжений
При условии:
напряжение, отдаваемое транзистором каскада, равно входному, ток же, отдаваемый предыдущим каскадом, практически равен току нагрузки. Поэтому ощущаемое сопротивление нагрузки каскада равно половине сопротивления
, его входное сопротивление также равно половине сопротивления
, вплоть до частот соответствующих
=0,7. Это следует учитывать при расчете рабочих точек рассматриваемого и предоконечного каскадов.
При выполнении условия (1.67) коэффициент усиления каскада в области верхних частот описывается выражением:
Оптимальная по Брауде АЧХ каскада реализуется при расчете
,
по формулам [12]:
а значение
определяется из соотношения:
Пример 12. Рассчитать
,
,
каскада со сложением напряжений приведенного на рисунке 6.4, при использовании транзистора КТ610А (данные транзистора приведены в примере 1) и условий:
=50 Ом;
=0,9.
Решение. По формулам (1.68), (1.69) получим
=3 кОм;
=10,4 пФ. Теперь по (1.70) найдем
=478 МГц.
7 РАСЧЕТ УСИЛИТЕЛЬНЫХ КАСКАДОВ С ЧЕТЫРЕХПОЛЮСНЫМИ КОРРЕКТИРУЮЩИМИ ЦЕПЯМИ
7.1 РАСЧЕТ ВЫХОДНОЙ КОРРЕКТИРУЮЩЕЙ ЦЕПИ
В рассматриваемых выше усилительных каскадах расширение полосы пропускания было связано с потерей части выходной мощности в резисторах корректирующих цепей, либо цепей ООС. Этого недостатка лишены усилители, построенные по принципу последовательного соединения корректирующих цепей (КЦ) и усилительных элементов [2].
Пример построения такой схемы усилителя по переменному току приведен на рисунке 7.1.
Рисунок 7.1 Схема усилителя с корректирующими цепями
При этом расчеты входных, выходных и межкаскадных КЦ ведутся с использованием эквивалентной схемы замещения транзистора приведенной на рисунке 1.2. Из теории усилителей известно [3], что для получения максимальной выходной мощности в заданной полосе частот необходимо реализовать ощущаемое сопротивление нагрузки, для внутреннего генератора транзистора, равное постоянной величине во всем рабочем диапазоне частот. Это можно реализовать, включив выходную емкость транзистора (см. рисунок 1.2) в фильтр нижних частот, используемый в качестве выходной КЦ. Схема включения выходной КЦ приведена на рисунке 7.2.
Рисунок 7.2 Схема выходной корректирующей цепи
При работе усилителя без выходной КЦ, модуль коэффициента отражения |
| ощущаемого сопротивления нагрузки внутреннего генератора транзистора равен [3]:
где
- текущая круговая частота.
При этом уменьшение выходной мощности относительно максимального значения, обусловленное наличием
, составляет величину:
где
- максимальное значение выходной мощности на частоте
при условии равенства нулю
;
- максимальное значение выходной мощности на частоте
при наличии
.
Описанная в [3] методика Фано позволяет при заданных
и
рассчитать такие значения элементов выходной КЦ
и
, которые обеспечивают минимально возможную величину максимального значения модуля коэффициента отражения
в полосе частот от нуля до
. В таблице 7.1 приведены нормированные значения элементов
,
, рассчитанные по методике Фано, а также коэффициент
, определяющий величину ощущаемого сопротивления нагрузки
относительно которого вычисляется
.
Таблица 7.1 Нормированные значения выходной КЦ
|
| ||||
| 0,1 0,2 0,3 0,4 0,5 | 0,180 0,382 0,547 0,682 0,788 | 0,099 0,195 0,285 0,367 0,443 | 0,000 0,002 0,006 0,013 0,024 | 1,000 1,001 1,002 1,010 1,020 |
| 0,6 0,7 0,8 0,9 1,0 | 0,865 0,917 0,949 0,963 0,966 | 0,513 0,579 0,642 0,704 0,753 | 0,037 0,053 0,071 0,091 0,111 | 1,036 1,059 1,086 1,117 1,153 |
| 1,1 1,2 1,3 1,4 1,5 | 0,958 0,944 0.927 0,904 0,882 | 0,823 0,881 0,940 0,998 1,056 | 0,131 0,153 0,174 0,195 0,215 | 1,193 1,238 1,284 1,332 1,383 |
| 1,6 1,7 1,8 1,9 | 0,858 0,833 0,808 0,783 | 1,115 1,173 1,233 1,292 | 0,235 0,255 0,273 0,292 | 1,437 1,490 1,548 1,605 |
Истинные значения элементов рассчитываются по формулам
Пример 13. Рассчитать выходную КЦ для усилительного каскада на транзисторе КТ610А (
=4 пФ), при
=50 Ом,
=600 МГц. Определить
и уменьшение выходной мощности на частоте
при использовании КЦ и без нее.
Решение. Найдем нормированное значение
:
=
=
=0,7536. В таблице 7.1 ближайшее значение
равно 0,753. Этому значению
соответствуют:
=1,0;
=0,966;
=0,111;
=1,153. После денормирования по формулам (1.73) получим:
=12,8 нГн;
=5,3 пФ;
=43,4 Ом. Используя соотношения (1.71), (1.72) найдем, что при отсутствии выходной КЦ уменьшение выходной мощности на частоте
, обусловленное наличием
, составляет 1,57 раза, а при ее использовании - 1,025 раза.
7.2 РАСЧЕТ КАСКАДА С РЕАКТИВНОЙ МЕЖКАСКАДНОЙ КОРРЕКТИРУЮЩЕЙ ЦЕПЬЮ ТРЕТЬЕГО ПОРЯДКА
С
хема каскада по переменному току приведена на рисунке 7.3 [4, 14].
Рисунок 7.3 Каскад с межкаскадной корректирующей цепью третьего порядка















