PART_6 (721976), страница 2
Текст из файла (страница 2)
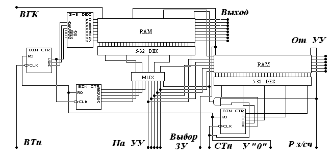
Дальнейшая разработка принципиальной схемы КОММУТАЦИОННОГО ЭЛЕМЕНТА сводится к подстановке разработанных библиотечных элементов в соответствии с функциональной схемой данного блока. Запоминающие устройства на принципиальной схеме блока представлены в виде отдельных элементов. Разработка принципиальной схемы велась при помощи программы схемотехнического моделирования, и все элементы данного устройства представлены в стандарте ANSI. Принципиальная схема коммутационного элемента представлена на рисунке 7.10.
Функционирование данной схемы описано в ГЛАВЕ 7, но необходимо отметить, что в запоминающем устройстве коммутации при записи и считывании информация представляется в разной форме (при записи побитно, а при считывании словарно) и поэтому дешифратор строк при считывании информации необходимо отключить.
Рис. 7.10. Принципиальная схема коммутационного элемента.
-
ПРИНЦИПИАЛЬНАЯ СХЕМА БЛОКА ФОРМИРОВАНИЯ ИСХОДЯЩИХ КАНАЛОВ
Р
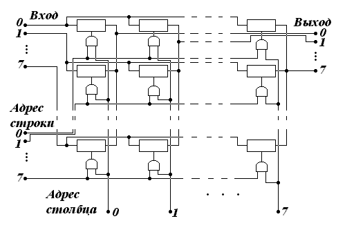
азработка принципиальной схемы БЛОКА ФОРМИРОВАНИЯ ИСХОДЯЩИХ КАНАЛОВ, не отличается от разработки предыдущих принципиальных схем. Рассмотрим принцип работы запоминающего устройства. При записи запоминающее устройство воспринимает информацию словарно по 8 бит, и записывает ее в соответствующий столбец (для этого необходимо объединить входы элементов входящих в одну строку), а считывание информации происходит из соответствующей строки (для этого необходимо объединить элементы, входящие в один столбец) (см. рис. 7.11)
Рис. 7.11. Принципиальная схема запоминающего устройства.
Д
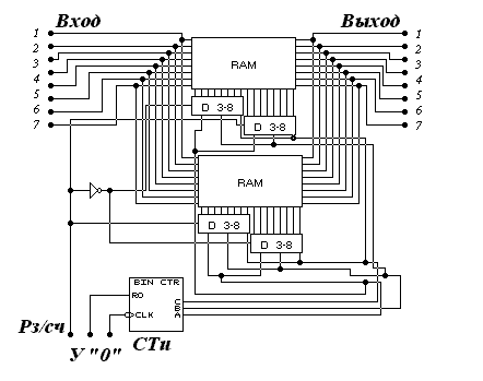
ля построения принципиальной схемы всего блока, также была использована программа схемотехнического работающая в стандарте ANSI. Принципиальная схема блока представлена на рисунке 7.12.
Рис. 7.12. Принципиальная схема блока формирования исходящих каналов.
Функционирование данного блока более подробно описано в ГЛАВЕ 3.
















