PART_4 (721974)
Текст из файла
ГЛАВА 4
ВЫБОР СХЕМО-ТЕХНОЛОГИИ ПРОЕКТИРУЕМОЙ БИС
-
КРАТКИЙ ОБЗОР СУЩЕСТВУЮЩИХ СХЕМО-ТЕХНОЛОГИЙ ПРИМЕНЯЕМЫХ В ИНТЕГРАЛЬНЫХ СХЕМАХ
Рассмотрим наиболее распространенные схемотехнологии применяемые в интегральных схемах:
-
Транзисторно-транзисторная логика (ТТЛ).
-
Эмиттерно-связанная логика (ЭСЛ).
-
Логика, построенная на основе структуры метал-диэлетрик-полупроводник с п-каналом (пМДП).
-
Логика, построенная на основе структуры метал-диэлетрик-полупроводник с транзисторами разной проводимости (КМДП).
-
ТЕХНОЛОГИЯ ТТЛ.
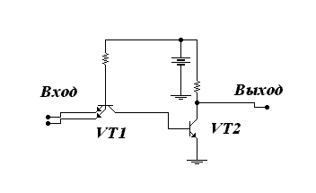
Технология ТТЛ основана на биполярных структурах. Базовый элемент ТТЛ представляет собой схему, содержащую один многоэмиттерный транзистор и один обычный (см. рис. 5.1), это логическая схема И-НЕ (функцию И выполняет транзистор VT1, а функцию инверсии выполняет транзистор VT2).
Рис. 5.1. Базовый элемент ТТЛ.
Подобная схема обладает низкой помехоустойчивостью и низким быстродействием, быстродействие можно увеличить, используя сложный инвертор, который позволяет сократить время включения (переход из логического «0» в логическую «1»); но время выключения (переход из логической «1» в логический «0») сократить, не удается.
Более высокое быстродействие позволяют получить схемы субсемейства ТТЛШ (транзисторно-транзисторная логика с использованием транзисторов с барьером Шотки; см. рисунок 5.2). В таких схемах барьер Шотки создает нелинейную обратную связь в транзисторе, в результате транзисторы не входят в режим насыщения, хотя и близки к этому режиму. Следовательно, практически исключается время рассасывания, что позволяет существенно увеличить быстродействие.
Р
ис. 5.2. Транзистор Шотки.
-
ТЕХНОЛОГИЯ ЭСЛ.
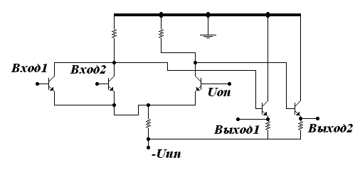
Т
ехнология ЭСЛ является так же, как и технология ТТЛ, биполярной, т.е. элементы строятся с использованием биполярных структур. Основой элементов ЭСЛ является так называемый «переключатель тока», на основе которого строится базовый элемент этой технологии - ИЛИ- -НЕ (см. рис. 5.3); по выходу1 данной схемы реализуется логическая функция ИЛИ-НЕ, а по выходу2 - ИЛИ.
Рис. 5.3. Базовый элемент ЭСЛ.
Из-за низкого входного сопротивления схемы ЭСЛ обладают высоким быстродействием и работают преимущественно в активном режиме, следовательно, помеха попавшая на вход усиливается. Для повышения помехоустойчивости шину коллекторного питания делают очень толстой и соединяют с общей шиной.
По сравнению со схемами ТТЛ схемы ЭСЛ обладают более высоким быстродействием, но помехоустойчивость у них гораздо ниже. Схемы ЭСЛ занимают большую площадь на кристалле, потребляют большую мощность в статическом состоянии, так как выходные транзисторы открыты и через них протекает большой ток. Схемы, построенные по данной технологии не совместимы со схемами, построенными по другим технологиям, использующим источники положительного напряжения.
-
ТЕХНОЛОГИЯ пМДП.
В отличие от технологий, рассмотренных выше, технология пМДП основана на МДП - структурах, которые обеспечивают следующие преимущества по сравнению с биполярными:
-
Входная цепь (цепь затвора) в статическом режиме практически не потребляет тока (высокое входное сопротивление);
-
Простая технология производства и меньшая занимаемая площадь на кристалле.
О
сновными логическими схемами изготовлеваемыми на основе пМДП являются схема ИЛИ-НЕ и И-НЕ (см. рис. 5.4 и рис. 5.5).
Р
ис. 5.4. Схема ИЛИ-НЕ.
Рис. 5.5. Схема И-НЕ.
К недостаткам этих схем можно отнести невысокое быстродействие, по сравнению со схемами ТТЛШ и ЭСЛ. Но в настоящее время благодаря применению новых технологий (окисная изоляция, использование поликремневых затворов, технология «кремний на сапфире») создаются быстродействующие МДП структуры.
5.1.4. ТЕХНОЛОГИЯ КМДП.
Следующим шагом развития МДП технологии стало использование комплиментарных МДП транзисторов, т.е. транзисторов с разным типом проводимости, причем основными являются транзисторы п-типа; а транзисторы р-типа используются в качестве динамической нагрузки.
Использование КМДП-схем по сравнению со схемами пМДП позволяет снизить потребляемую мощность, повысить быстродействие и помехоустойчивость, однако это достигается за счет увеличения площади занимаемой на кристалле и усложнения технологии производства.
Б
азовыми элементами КМДП-схем являются, как и для пМДП, логические элементы ИЛИ-НЕ и И-НЕ (см рис. 5.6 и 5.7).
Р
ис. 5.6. Схема ИЛИ-НЕ.
Рис. 5.7. Схема И-НЕ.
К особенностям интегральных схем, построенных по технологии КМДП можно отнести следующее:
-
Чувствительность к статическому электричеству (для защиты в буферные каскады ставятся диоды);
-
Тиристорный эффект (в КМДП структурах образуются паразитные биполярные, подобные тиристору, структуры между шинами питания). При включении питания тиристор включается и замыкает шину «+» на общую шину (для защиты используется окисная изоляция).
-
ВЫБОР СХЕМОТЕХНОЛОГИИ ПОСТРОЕНИЯ БИС
При сравнении рассмотренных выше схемотехнологий не трудно придти к следующим выводам:
-
В биполярных технологиях базовым является элемент реализующий лишь одну логическую функцию (И-НЕ в ТТЛ(Ш) и ИЛИ-НЕ в ЭСЛ), в то время как базовыми в МДП технологиях являются и те и другие логические элементы. Конечно, можно любую логическую функцию перевести в базисы И-НЕ или ИЛИ-НЕ, но это усложняет и процесс создания схемы, и саму схему. Следовательно с этой позиции схемы предпочтительней строить на основе МДП структур.
-
Так как внутреннее умножение частоты в проектируемой БИС было устранено, то быстродействие не играет значительной роли, следовательно, технология ЭСЛ отпадает; так как интегральные схемы, построенные по данной технологии, потребляют значительную мощность и менее помехоустойчивы, чем все остальные; а для обеспечения питания таких схем необходимы специальные каскады.
-
У схем МДП более простая технология изготовления, что сказывается на себестоимости всего устройства в целом, следовательно, с этих позиций технология МДП предпочтительней биполярной.
В результате анализа различных технологий (см. ГЛАВА 9) было отдано предпочтение технологии КМДП, как наиболее оптимальной для решения данной задачи.
-
СХЕМЫ КМДП С ТРЕЬИМ СОСТОЯНИЕМ
Для решения некоторых задач, например, таких как подключение нескольких устройств к одной шине, используются схемы с третьим состоянием. Помимо двух логических уровней у такой схемы есть еще одно - третье состояние, в котором выход (иногда вход) схемы отключен, и сигналы проходящие по шине в этот момент не влияют на элементы данной схемы, и в тоже время на шину не поступают сигналы от отключенных таким способом элементов. В результате схемы с третьим состоянием позволяют избежать наложения сигналов от разных устройств, подключенных к одной шине и, следовательно, избежать помех в общих для нескольких устройств проводниках. Так как для построения схемы была выбрана технология КМДП, то рассмотрим схему с тремя состояниями на примере инвертора построенного по технологии КМДП, схема этого устройства изображена на рисунке 5.8.
Транзисторы VT1 и VT2 представляют собой обычный КМДП инвертор, подключенный к источнику питания и общей шине через транзисторные ключи, построенные на транзисторах VT3 и VT4.
Р
ис. 5.8. Схема КМДП с тремя состояниями.
Р
ассмотрим принцип работы данной схемы. Управление ей осуществляется двумя входами Z и Z. Если на вход Z подать напряжение логической единицы, то транзисторы VT3 и VT4 откроются и схема работает как обычный инвертор, а при подаче на управляющий вход напряжения логического нуля транзисторы VT3 и VT4 закроются и на выходе схемы окажется очень большое сопротивление. Таблица истинности такого элемента сведена в таблицу 5.1.
Таблица 5.1.
|
Вход | Z | Z | Выход |
| 0 1 0 1 | 0 0 1 1 | 1 1 0 0 | Отключен Отключен 1 0 |
Характеристики
Тип файла документ
Документы такого типа открываются такими программами, как Microsoft Office Word на компьютерах Windows, Apple Pages на компьютерах Mac, Open Office - бесплатная альтернатива на различных платформах, в том числе Linux. Наиболее простым и современным решением будут Google документы, так как открываются онлайн без скачивания прямо в браузере на любой платформе. Существуют российские качественные аналоги, например от Яндекса.
Будьте внимательны на мобильных устройствах, так как там используются упрощённый функционал даже в официальном приложении от Microsoft, поэтому для просмотра скачивайте PDF-версию. А если нужно редактировать файл, то используйте оригинальный файл.
Файлы такого типа обычно разбиты на страницы, а текст может быть форматированным (жирный, курсив, выбор шрифта, таблицы и т.п.), а также в него можно добавлять изображения. Формат идеально подходит для рефератов, докладов и РПЗ курсовых проектов, которые необходимо распечатать. Кстати перед печатью также сохраняйте файл в PDF, так как принтер может начудить со шрифтами.
















