126328 (717756)
Текст из файла
Размещено на http://www.allbest.ru/
-
ЕЛЕКТРОПРИВІД РУЧНИХ ЕЛЕКТРИЧНИХ МАШИН.
ВИМОГИ ДО ЕЛЕКТРОПРИВОДА
Ручна електрична машина (РЕМ) це така машина, в якій головний робочий рух виконується від електричного двигуна або електромагніта, а допоміжний рух та керування машиною — вручну.
У сільському господарстві РЕМ достатньо широко застосовуються для стрижки овець, а також для механізації монтажних, ремонтних та інших слюсарних робіт у ремонтних та деревообробних майстернях. Застосування цих машин значно підвищує продуктивність праці, скорочує частку ро біт, які вимагають значних фізичних зусиль від працівника.
Промисловість випускає більше 100 типів РЕМ, серед яких є свердлильні машини, електричні дискові пилки, шліфувальні машини, електроножиці, електрорубанки, електролобзики, гайковерти, універсальні машини зі змінними насадками та інші.
Оскільки РЕМ працюють у безпосередньому контакті з людиною, до них ставлять такі основні ергономічні вимоги: невелика маса, безпека в роботі, зручність в експлуатації, нормовані величини шуму та вібрації, економічність.
Будь-яка РЕМ складається з електродвигуна або електромагніта, передавального пристрою, робочого інструменту та регулювальних пристроїв, які дають напрямок та глибину свердління, різання, заточування тощо. Є також додаткові складові частини — корпус або рама, підшипники, вимика чі, штепсельні з'єднання, шнури або кабелі.
Маса РЕМ на 70 - 80 % визначається масою електродвигунного пристрою, тому для їх привода застосовують високошвидкісні двигуни, якнайменші за масою. З другого боку, підвищення частоти обертання двигуна для РЕМ з невеликою швидкістю руху робочого органу зумовлює необхідність редукторних передач, які ускладнюють машину і тим самим збільшують масу РЕМ. Тому при конструюванні РЕМ знаходять оптимальний варіант співвідношення маси двигуна (т в) та маси редуктора (тр) для даної швидкості обертання робо чого органа п (рис. 1). Найменшій загальній масі т„ +тпа р дв відповідає оптимальна частота обертання електродвигуна.
За робочою напругою і ступенем безпеки згідно з ГОСТ 12.2.013-75 РЕМ виготовляють трьох класів:
-
клас І — з номінальною напругою вище 42 В і основною ізоляцією деталей, що перебувають під напругою, та штепсельною вилкою із заземлюючим контактом;
-
клас II — з номінальною напругою вище 42 В і в яких всі деталі, що перебувають під напругою, мають подвійну або посилену ізоляцію без пристрою для заземлення;
-
клас III — з номінальною напругою до 42 В включно, що живляться від автономних джерел струму або загальної мережі через ізолюючий трансформатор чи перетворювач, напруга холостого ходу якого не перевищує 50 В, а вторинне електричне коло не з'єднане з землею.
Ручні електричні машини розраховані на номінальні на пруги 36, 42, 220, 380 В змінного струму та частоти 50, 200, 400 Гц.
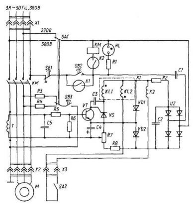
Для підвищення безпеки роботи з РЕМ класу І та запобігання ураженню електричним струмом у виробничих умовах останні приєднують до електричної мережі через захисно-вимикальні пристрої. Схему одного з цих пристроїв И39814 наведено на рис. 2. Датчиком струму витікання є трансформатор Т, первинна обмотка якого увімкнена послідовно в коло захисного нульового проводу. Пристрій підключається до електричної мережі і ручної машини че рез штепсельні з‘єднання XI і Х2. Вмикають пристій на тисканням на кнопку 8В2. При цьому через випрямляч VI подається напруга на об мотку іГІ.2 герконового реле Кі, замикаючий контакт якого шунтує кнопку 8В2. Для вмикання двигуна руч ної машини М натискують на вмонтований у рукоятку машини вимикач 8А2, через який подається напруга на обмотку герконового реле К2. Контакт реле К2 замикає коло котушки магнітного пускача КМ. Головні контакти останнього вмикають двигун М у мережу.
Рис. 1. Залежність маси електродвигуна та редуктора РЕМ від частоти обертання
При пробої ізоляції ручної машини на корпус у нульовому проводі з'являється струм, який індукує є. р. с. у вторинній обмотці датчика трансформатора Т. Під дією цієї є. р. с. відкривається транзистор УТ і тиристор Т^5. Струм, що проходить через обмотку КІЛ герконового реле К1, розмагнічує його, контакт К1 розмикається і знеструмлює котушку магнітного пускача КМ. Останній вимикає ручну машину з мережі. Одночасне гасне лампа НЬ, що сигналізує про вимкнення пристрою. Тривалість спрацювання захисту 0,05 с. Величина струму витоку, при якому спрацьовує захист, не повинна перевищувати 10 мА і регулюється резистором Е1. Для перевірки роботоздатності пристрою натискують на кнопку ЗБЗ, створюючи штучне замикання на корпус. Вимикають пристрій кнопкою ВВІ. Залежно від величини напруги мережі перемикач 8А1 встановлюють у положення "220 В" або "380 В". Згідно з діючою класифікацією умовне позначення РЕМ складається з таких позицій: ИЗ — електричний привід; перша цифра за буквами означає номер групи (
Рис. 2. Схема вмикання ручної електричної машини класу І через захисний пристрій И39814
1 — свердлильні; 2 — шліфувальні та полірувальні; 3 — різена-різні; 4 — ударні та ударно-обертальні; 5 — фрезерні; пилки дискові; 9 — перетворювачі, захисні пристрої); друга цифра — номер підгрупи (0 — прямі; 1 — кутові; 2 - 3 — тор цеві); додатковий індекс З означає особливості машини, в деяких випадках — електронне регулювання швидкості.
-
ХАРАКТЕРИСТИКА ЕЛЕКТРОДВИГУНІВ, ЩО ВИКОРИСТОВУЮТЬ ДЛЯ ПРИВОДА РЕМ
Для привода РЕМ використовують спеціальні електродвигуни уніфікованої серії, які повинні відповідати таким вимогам: достатньо жорстка механічна характеристика, велика перевантажувальна здатність, механічна міцність, невелика маса.
Ці двигуни поділяють на три основні серії:
а) три- та однофазні асинхронні електродвигуни з корот козамкненим ротором промислової частоти 50 Гц (АН); на пругою 36, 42, 220 та 380 В; потужністю 120, 180 270 400 600, 800 та 1000 Вт;
б) трифазні асинхронні з короткозамкненим ротором час тотою 200 Гц (АП); напругою 36, 42 та 220 В; потужністю ЗО, 50, 80, 120, 180, 270, 400, 600, 800, 1000, 1200, 1600, 2200 Вт;
в) універсальні колекторні промислової частоти (КН) на пругою 220 В; частотою 50 Гц; потужністю 18, ЗО, 50 80 100, 180, 270, 400, 800, 1000, 1200 Вт.
Однофазні асинхронні двигуни з короткозамкненим рото ром залежно від типу пускового пристрою поділяють на: АЕ — з пусковою обмоткою (рис. 3), АУ — з пусковим конденсатором Сп, АТ — робочим конденсатором Ср, АУТ — пусковим та робочим конденсаторами, з електронним регу люванням частоти обертання та реверсування (РР). Механіч ні характеристики цих двигунів наведені на рис. 3, б. Перевагою їх є простота і надійність конструкції, невелика вар тість.
Універсальні колекторні електродвигуни серії КН (рис. '•о, а) можуть працювати як на змінному, так і на постійному струмі, але в основному їх використовують з живленням від мережі змінного струму частотою 50 Гц. Двигуни мають механічну характеристику, яка забезпечує велику перевантажувальну здатність при низьких частотах обертання, тому їх застосовують у РЕМ, де вимагаються великі моменти, а також пуск при повному навантаженні (наприклад, електросвердла, електроножиці тощо).
Недоліком колекторних двигунів є складність конструкції, підвищена витрата міді на їх виготовлення, підвищені вимоги до обслуговування, особливо при роботі в приміщеннях з агресивним середовищем.
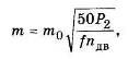
Маса електродвигуна при однаковій потужності на валу Р2 із збільшенням частоти обертання гадв, об/хв, та частоти струму живлення /, Гц, зменшується відповідно до рівняння
де т0 — експериментальний коефіцієнт, для двополюсних трифазних двигунів промислової частоти т0 =11, для двополюсних двигунів підвищеної частоти (200 Гц) т0 = 12 - 13.
З цієї точки зору оптимальна частота обертання привідного електродвигуна перебуває в межах 8-12 тис. об/хв. Практично використовують двигуни з частотою обертання від 3000 об/хв (асинхронні з короткозамкненим ротором, частотою 50 Гц) до 12 тис. об/хв (асинхронні частотою 200 Гц та колекторні).
Рис. 3. Схеми вмикання електродвигунів РЕМ колекторного (а), однофазного (б) та їх механічні характеристики
Питомі показники маси для універсальних колекторних двигунів дорівнюють ЗО - 65 Вт/кг, трифазних асинхронних підвищеної частоти 200 Гц — 50 - 80 Вт/кг, асинхронних частоти 50 Гц — 20 - 40 Вт/кг.
За конструктивним виконанням та способом монтажу двигуни РЕМ відносяться до окремої групи (7М9000). Як правило, це вбудовані двигуни, що конструктивно з'єднані з редуктором чи робочим органом як одне ціле. Вихідний вал двигуна може бути виконаний із зубчастою нарізкою і є частиною редуктора (електросвердла тощо). В електрорубанку застосовують спеціальну конструкцію електродвигуна, в якому ротор знаходиться зовні статора і на ньому безпосередньо закріплені робочі ножі.
Потужність привідного двигуна для РЕМ вибирають за максимальним зусиллям на робочому органі та частотою обертання чи лінійного руху робочого органу. Оскільки зу силля подачі робочого органу створюються вручну робітником, то вони можуть коливатися в широких межах, тому, як правило, користуються експериментальними даними і потужність двигуна вибирають зі значним запасом. Так, потужність двигуна для свердлильних електричних машин визна чають за потужністю на свердлі Рсв, кВт:
де п — частота обертання свердла, об/хв; Мсв — крутний момент на свердлі, Н • м.
Мсв визначають за формулою
де И — діаметр свердла, мм; 5 — подача на один оберт свердла, мм; с, х, у — коефіцієнти, які визначаються експериментально і залежать від фізико-механічних властивостей оброблюваного матеріалу (для чавуну с = 11,6; х = 2,0; у = 0,6; для вуглецевої сталі середньої міцності с = 44; х = 1,8; у = 0,8).
Потужність на валу двигуна складається з Рсв та потужності холостого ходу машини (20 - ЗО % від Рсв).
-
ДЖЕРЕЛА ЖИВЛЕННЯ РЕМ
Ручні електричні машини в польових умовах живляться від пересувних електростанцій невеликої потужності, а за наявності електричної мережі 380/220 В безпосередньо від неї або через знижувальні трансформатори чи перетворювачі частоти.
Знижувальні трансформатори призначені для перетворення трифазної напруги змінного струму 660, 380, 220 В у трифазну напругу 12, 24, 36, 42, 127, 220 та 380 В.
Для живлення РЕМ випускають сухі трансформатори типу ТСЗИ потужністю 0,63; 1,0; 1,6; 2,5 та 4 кВА з різними схемами з'єднання первинних та вторинних обмоток. Для перемикання обмоток трансформатора із "зірки" на "трикутник" і навпаки на клемній дошці є спеціальні перемички. Корпус трансформатора заземлюється приєднанням до нього нульового проводу мережі 220/380 В.
Машинний перетворювач частоти типу ИЗ-9401 призначений для перетворення змінного трифазного струму частотою 50 Гц при напрузі 220 або 380 В у змінний трифазний струм підвищеної частоти 200 Гц при напрузі 36 В.
Перетворювач частоти типу ИЗ-9401 (рис. 4) складається з двополюсного асинхронного двигуна М з короткозамкненим ротором і шестиполюсного асинхронного генератора С з фазним ротором. Ротори двигуна і генератора знаходяться на одному валу і обертаються з однаковою частотою. На валу закріплені три ізольованих одне від одного кільця, до яких приєднані виводи обмоток ротора генератора. На кільця генератора через щітки і на обмотки статора електродвигуна подається напруга мережі 220 або 380 В. Напруга 36 В частотою 200 Гц знімається з обмотки статора генератора. Принцип роботи перетворювача такий. У шестиполюсному роторі магнітне поле обертається з частотою 1000 об/хв навколо ротора. У свою чергу ротор генератора обертається в напрямку обертання магнітного поля з частотою близь ко 3000 об/хв. Тому магніт ні силові лінії перетинають витки нерухомої обмотки статора генератора з часто тою обертання близько 4000 об/хв. У цьому випадку в шестиполюсних обмотках статора виникає напруга змінного струму з частотою близько 200 Гц.
Синхронно-реактивний перетворювач частоти ИЗ-9403 призначений для пере творення трифазного змінного струму частотою 50 Гц і напругою 220/380 В у змінний трифазний струм частотою 200 Гц і напругою 36 В.
Принцип дії перетворювача ґрунтується на виділенні і використанні вищих гармонік магнітного поля (рис. 5).
Перетворювач складається із статора, вертикально розміщеного ротора та підшипникових щитів. У пазах статора розміщені дві трифазні обмотки: одна двополюсна (пер винна) під'єднується до мережі і призначена для створення обертового магнітного поля в машині, друга восьмиполюсна (вторинна) призначена для одержання струму високої частоти.
Характеристики
Тип файла документ
Документы такого типа открываются такими программами, как Microsoft Office Word на компьютерах Windows, Apple Pages на компьютерах Mac, Open Office - бесплатная альтернатива на различных платформах, в том числе Linux. Наиболее простым и современным решением будут Google документы, так как открываются онлайн без скачивания прямо в браузере на любой платформе. Существуют российские качественные аналоги, например от Яндекса.
Будьте внимательны на мобильных устройствах, так как там используются упрощённый функционал даже в официальном приложении от Microsoft, поэтому для просмотра скачивайте PDF-версию. А если нужно редактировать файл, то используйте оригинальный файл.
Файлы такого типа обычно разбиты на страницы, а текст может быть форматированным (жирный, курсив, выбор шрифта, таблицы и т.п.), а также в него можно добавлять изображения. Формат идеально подходит для рефератов, докладов и РПЗ курсовых проектов, которые необходимо распечатать. Кстати перед печатью также сохраняйте файл в PDF, так как принтер может начудить со шрифтами.
















