124005 (717307)
Текст из файла
БЕЛОРУССКИЙ ГОСУДРАСТВЕННЫЙ УНИВЕРСИТЕТ ИНФОРМАТИКИ И РАДИОЭЛЕКТРОНИКИ
Кафедра ЭТТ
РЕФЕРАТ
На тему:
«Различные виды обработки металлов давлением»
МИНСК, 2008
Резка
Резка объединяет большую группу различных операций, в которую входят:
– отрезка;
– вырубка;
– пробивка;
– обрезка;
– надрезка;
– зачистка;
– и некоторые другие операции.
Отрезка заготовок от листового материала производится, в основном, на специальных станках-ножницах различных типов – гильотинных, параллельных, дисковых. Отрезка применяется в большинстве случаев для получения полос материала, необходимых в качестве заготовок для проведения различных операций холодной штамповки.
Рис. 1. Вырубка
Вырубка – это операция полного отделения материала по замкнутому контуру, когда отделенная часть является изделием или готовой заготовкой. Эту операцию осуществляют в штампе, пуансон которого вдавливает отделяемую часть в отверстие матрицы.
Отверстие матрицы и форма пуансона соответствует профилю готовой заготовки. Для нормального выполнения вырубки кромки пуансона и матрицы должны быть острыми, а зазор на одну сторону между пуансоном и матрицей должен быть в пределах 5–10% толщины материала.
При правильном зазоре трещины в материале, идущие от пуансона и матрицы встречаются, и заготовка имеет гладкую кромку. Неправильный зазор является причиной образования ступенек на кромке заготовок. При затоплении кромок пуансона на заготовке образуется заусенец.
Пробивка – операция полного отделения материала, по замкнутому контуру, когда отделяемая часть является отходом, т.е. операция получения отверстия в заготовке. Пробивка ничем не отличается от вырубки по схеме деформации.
При вырубке отверстие матрицы равно размерам детали (или заготовки), а размеры пуансона меньше на величину зазора. При пробивке размер пуансона равен размеру отверстия в заготовке, а размер отверстия матрицы больше на величину зазора.
Из-за особенностей процесса штамповки при применении вырубки и пробивки следует учитывать некоторые ограничивающие условия.
Рис. 2. Пробивка
1. Минимальный диаметр пробиваемого отверстия берется обычно не менее толщины материала:
d≥S.
2. Расстояние между двумя отверстиями и радиусы закругления:
а≥S; r≥S.
-
Расстояние между краем отверстия и краем детали (заготовки):
b≥S.
Рис. 3. Пример пробивки
В ряде случаев, при применении сильного прижима, некоторые соотношения могут быть изменены, например диаметр пробиваемого отверстия может быть уменьшен:
d≥0,3S.
Однако в целом при не соблюдении указанных соотношений уменьшается точность изготовления и увеличивается процент брака. Усилие вырубки и пробивки ориентировочно определяется как произведение длины контура вырубки и пробивки (т.е. периметра) на толщину материала и на сопротивление материала срезу:
, (1)
где К – коэффициент, учитывающий влияние конструктивно-технологических факторов; L – длина линии реза; S – толщина металла; σср – сопротивление металла срезу (м.б. σв – предел прочности материала).
Одновременная пробивка нескольких отверстий или одновременная вырубка нескольких деталей требует соответствующего увеличения усилия при штамповке.
Прорезка – операция отделения по краю контура с удалением отделенной части.
Рис. 4. Прорезка
Надрезка – операция отделения материала по незамкнутому контуру без удаления отделенной части.
Рис. 5. Надрезка
Обрезка – операция полного отделения излишков материала по контуру заготовки, полученной путем вытяжки или объемной штамповки.
Зачистка – операция отделения срезанием небольшого (0,2–0,3 мм) припуска от детали. Зачистная штамповка применяется для чистовой обрезки по контуру предварительно вырубленных или пробитых деталей с целью удаления шероховатой поверхности среза.
Гибка
Гибка – образование или изменение углов между частями заготовки или придание ей криволинейной формы.
Рис. 6. Гибка
Гибка листового металла осуществляется в результате упруго-пластической деформации. При гибке происходит растяжение наружных и сжатие внутренних слоев материала изгибаемой детали. После гибки растянутые и сжатые слои стремятся возвратиться в исходное положение под действием упругих сил. В следствие этого форма детали после гибки не будет соответствовать форме штампа на некоторый угол за счет упругости, что необходимо учитывать при изготовлении инструмента. При свободной «V» образной гибке усилие определяют по формуле:
, (2)
где В – ширина заготовки; S – толщина листового материала; σв – предел прочности материала; R – радиус закругления угла.
Минимально допустимые радиусы гибки должны соответствовать пластичности металла и не допускать образования трещин. Выбираются по таблицам.
Вытяжка
Вытяжка – это процесс образования полой заготовки или детали из плоской или полой листовой заготовки.
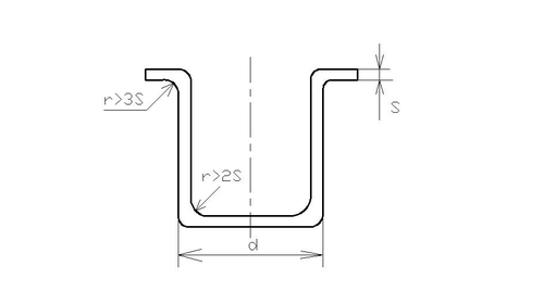
Рис. 7. Вытяжка
Вытяжка производится за счет пластической деформации, сопровождаемой смещением значительного объема металла. При изготовлении сравнительно неглубоких деталей с отношением высоты к диаметры h / d ≤ 0,5 вытяжка может быть произведена за одну операцию. При отношении h / d = 3 – 10 требуется уже несколько последовательных операций вытяжки.
Вытяжка – относительно сложный технологический процесс, требующий тщательной конструктивной отработки штампов, подбора материала обязательных промежуточных отжигов, эффективной смазки и т.д.
При изготовлении деталей вытяжкой ограничивающие условия более существенны, чем при других операциях штамповки. Детали должны иметь радиусы закругления: в месте сопряжения дна со стенками r ≥ 2S; в местах сопряжения стенок между собой, стенок с фланцами – r ≥ 3–4S.
Формовка
Формовка объединяет несколько операций изменения формы листовой заготовки путем местных деформаций различного характера. Сюда относятся:
– рельефная формовка;
– отбортовка отверстий и наружного контура;
– обжатие и др.
Рельефная формовка представляет собой изменение формы заготовки, заключается в образовании мелких углублений и выпуклостей за счет растяжения материала. Наиболее часто рельефная формовка применяется для штамповки ребер жесткости и выдавок.
Рис. 8. Рельефная формовка
При проектировании выдавок и ребер жесткости следует иметь ввиду, что глубина выдавливания не должна быть слишком большой из-за возможности образования складок и трещин.
Отбортовка наружного контура применяется при изготовлении детали типа крышек и др. Применение отбортовки также увеличивает жесткость детали.
Отбортовка отверстий – образование борта по краю отверстия. В основном выполняется для нарезания резьбы в штампованных деталях. Отбортовка под резьбу возможна лишь для мелких резьб (до М5). Шаг резьбы при этом должен быть меньше половины толщины материала.
Рис. 9. Отбортовка
За одну операцию можно получить высоту бота h, определяемую соотношением h = (0,1–0,4)D.
Обжатие – операция образования в полых заготовках местных суженных участков без преднамеренного изменения толщины стенок.
Рис. 10. Обжатие
Листовая штамповка пластмасс
Наиболее широкое распространение получили операции вырубки и пробивки при изготовлении деталей из листовых и рулонных полимерных материалов.
Для штамповки термопластов используют эксцентриковые прессы усилием 10 – 50 кН, для реактопластов – прессы усилием 50 – 1000 кН. Вырубка деталей простой конфигурации осуществляется на кривошипных и эксцентриковых прессах, вырубка деталей повышенной точности и сложной конфигурации в многослойном пакете – на гидравлических прессах. Это связано с тем, что при плавном и равномерном приложении усилия качество вырубки детали выше, чем при вырубке ударным приложением усилия.
В качестве основной технологии при изготовлении деталей из полимерных материалов используется последовательная штамповка в открытых штампах с прижимом заготовки и ее предварительным подогревом.
Эти технические приемы позволяют устранить такие дефекты как появление трещин, ареолы вокруг пробитых отверстий, сколы на поверхности среза.
Выбор способа нагрева определяется производственными условиями. Режимы нагрева выбираются в зависимости от марки заготовки, сложности контура детали, толщины материала, температур матрицы, съемника и т.д.
Наименьшие возможные размеры отверстий в деталях и слоистых пластмасс, образованные штамповкой с подогревом, принимаются в зависимости от толщины материала и формы отверстий:
– для круглых отверстий d ≥ 0,5 S;
– для квадратных – d ≥ 0,45 S;
– для прямоугольных d ≥ 0,35 S;
где S – толщина материала.
Для исключения возможного образования трещин разработаны пуансоны специальной конструкции, имеющие предразрушающий выступ, диаметр которого меньше диаметра пуансона.
Формообразование пластмассовых листовых заготовок производится также с подогревом материала. Различают три способа штамповки:
Рис. 11. Способы штамповки пластмасс: а – заготовка между матрицей (1) и пуансоном (2); б – Штампование в матрицу (2) материала эластичным пуансоном; в – Формирование материала толкателем. 1– матрица; 2 – пуансон; 3 – листовая заготовка; 4 – зажимная рама; 5 – воздушный канал; 6 – поддон; 7– толкатель;
I – первый способ применяется для более сложных деталей; II – второй способ применяется при штамповке простых деталей на малую длину. Пуансон эластичный, обычно из губчатой резины. III – третий способ для получения деталей виде усеченного конуса, пирамиды и т.д.
Оборудование и специальная технологическая оснастка для листовой штамповки
Характеристики
Тип файла документ
Документы такого типа открываются такими программами, как Microsoft Office Word на компьютерах Windows, Apple Pages на компьютерах Mac, Open Office - бесплатная альтернатива на различных платформах, в том числе Linux. Наиболее простым и современным решением будут Google документы, так как открываются онлайн без скачивания прямо в браузере на любой платформе. Существуют российские качественные аналоги, например от Яндекса.
Будьте внимательны на мобильных устройствах, так как там используются упрощённый функционал даже в официальном приложении от Microsoft, поэтому для просмотра скачивайте PDF-версию. А если нужно редактировать файл, то используйте оригинальный файл.
Файлы такого типа обычно разбиты на страницы, а текст может быть форматированным (жирный, курсив, выбор шрифта, таблицы и т.п.), а также в него можно добавлять изображения. Формат идеально подходит для рефератов, докладов и РПЗ курсовых проектов, которые необходимо распечатать. Кстати перед печатью также сохраняйте файл в PDF, так как принтер может начудить со шрифтами.
















