123199 (717129)
Текст из файла
Инвертор. Принцип работы, разновидность, область применения
Последовательный инвертор
Электрическая схема, рабочие фазы и формы выходных сигналов последовательного инвертора изображены на рис. 1. Такая схема называется последовательным инвертором, поскольку в ней нагрузочное сопротивление включено последовательно с емкостью. R - нагрузочное сопротивление, L и С - коммутационные элементы. Такой тип инвертора содержит два тиристора. Рассмотрим подробнее фазы работы такой схемы.
Фаза I. Тиристор Т1 включается в момент времени to. Начинается заряд конденсатора от источника питания. Последовательная цепь R, L и С формирует синусоидальный ток через нагрузочное сопротивление и выполняет функцию демпфирующей цепи. Когда ток в цепи уменьшается до нуля, тиристор Т1 запирается. Напряжение на нагрузочном сопротивлении находится в фазе с током тиристора. Формы напряжений VL и Vc можно получить с помощью теоремы Кирхгофа: (VL+ Vc = E), величины VL и Vc должны удовлетворять условиям этого уравнения.
Фаза II. Тиристор Т2 не должен включаться сразу после того, как ток через тиристор Г, уменьшится до нуля. Для лучшего запирания тиристора Т1, к нему необходимо приложить небольшое обратное напряжение. Если тиристор Т2 включается без запаздывания, или мертвая зона отсутствует, напряжение источника питания замыкается через открытые тиристоры Т1 и Тг.. Если оба тиристора находятся в закрытом состоянии, то VR = 0, VL= 0, следовательно, L di/dt = 0 и конденсатор С остается незаряженным.
Фаза III. В момент времени t2 тиристор Т2 включается и инициирует отрицательный полупериод. Конденсатор разряжается через L, R и Т2. Следует заметить, что электрический ток через нагрузочное сопротивление R протекает в противоположном направлении. В момент времени, когда этот ток уменьшается до нуля, тиристор Т2 выключается. Формы напряжений VL и Vc можно получить с помощью теоремы Кирхгофа: (VL + Vc = 0), величины VL и Vc должны удовлетворять условиям этого уравнения.
Р
ис.1 - Последовательный инвертор:
а) Электрическая схема;
б) Фазы работы схемы;
в) Формы напряжений и токов в цепях последовательного
инвертора
Если тиристор Т1 запустить с задержкой на величину мертвого времени, вышеупомянутые процессы повторятся.
Преимущества:
1. Простая конструкция.
2. Выходное напряжение близко к синусоидальному.
Недостатки:
1. Индуктивность L и конденсатор С имеют большие габариты.
2. Источник питания используется только в течение положительного полупериода.
3. В выходном напряжении имеются высшие гармоники из-за наличия мертвой зоны.
Последовательный инвертор лучше всего подходит для высокочастотных устройств, так как для требуемых значений 1 и С уменьшаются их габариты. Время периода для одного цикла составляет:
T0=T + 2td. где Г = l/ft и t6 - мертвое время.
Выходная частота последовательного инвертора всегда меньше резонансной частоты вследствие наличия мертвой зоны. Значение выходной частоты может варьироваться путем изменения мертвого времени.
Р
ис.1г. -Форма выходного напряжения последователного инвертора
Параллельный инвертор
Базовая схема параллельного инвертора изображена на рис.2а. Когда ключ 1 замкнут, помеченные точкой выводы обмоток A, D и С имеют положительный потенциал. Выходное напряжение - положительное. Во второй половине периода ключ 1 размыкается и замыкается ключ 2. Помеченные точкой выводы обмоток A, D и С имеют отрицательный потенциал и выходное напряжение - отрицательное.
Электрическая схема, рабочие фазы и формы выходных сигналов параллельного инвертора изображены на рис.2. Параллельные инверторы применяются в низкочастотных устройствах. В них используются трансформатор с отводом из центра первичной обмотки, два тиристора и коммутирующий конденсатор. Источник питания включается между центральным выводом и общей точкой катодов тиристоров. Эквивалентное нагрузочное сопротивление, пересчитанное в цепь первичной обмотки, подключено параллельно коммутационному конденсатору. Следовательно, инвертор такого типа является параллельным.
В момент времени t= tx тиристор Т1 включается. Напряжение источника питания Е приложено к обмотке трансформатора А. Согласно закону самоиндукции такое же напряжение Е индуцируется на обмотке трансформатора В, но противоположной полярности. Поскольку обмотки А и В соединены последовательно, на них будет суммарное напряжение 2Е. Этим напряжением конденсатор предварительно заряжается до напряжения +2Е.
В момент времени t= t2 тиристор Т2 включается. Полярность напряжений на обмотках А и В меняется на обратную, к конденсатору, и тем самым к тиристору Т1, прикладывается обратное напряжение, за счет чего тиристор Т1 выключается. Полярность напряжения на конденсаторе меняется, и он перезаряжается до напряжения - 2Е. Также меняет на обратное направление ток во вторичной обмотке, то есть через нагрузочное сопротивление протекает переменный ток прямоугольной формы. Форма выходного напряжения аналогична форме напряжения на конденсаторе.
Р
ис.2 - а) Базовая схема параллельного инвертора;
б) Фазы работы схемы;
в) Формы напряжений и токов в цепях параллельного инвертора
Недостатки
-
Номинальное напряжение конденсатора должно быть 2Е.
-
Ток источника питания не является чистым постоянным током.
-
Колебания тока источника питания, являются причиной дополнительного выделения тепла в первичной цепи параллельного инвертора.
Мостовые инверторы. Однофазный полумостовой инвертор
Однофазный полумостовой инвертор состоит из двух источников питания и двух коммутаторов. Нагрузка подключена между общим выводом источников питания и общей точкой коммутаторов.
Полумостовой инвертор с RLC – нагрузкой
Р
ис.5 - а) Схема полумостового инвертора с RLC-нагрузкой, б) Форма напряжения и тока полумостового инвертора
Электрическая схема и форма выходного сигнала однофазного полумостового инвертора с RLС-нагрузкой изображены на рис.5. Если инвертор питает RLС-нагрузку, отдельная цепь коммутирования не требуется. Это можно объяснить с помощью символического изображения на рис.5б. Рабочая частота инвертора должна быть выбрана такой, чтобы Хс > XL. При этих условиях в этой схеме ток опережает по фазе напряжение. Ток в нагрузке изменяется синусоидально. В промежутке времени от t0 до tl тиристор Т1 находится в проводящем состоянии. В момент времени t1 = t2 тиристор Т1, выключается, так как ток в цепи уменьшается до нуля. В промежутке времени от t1 до t2 диод D1 находится в проводящем состоянии и мощность передается от нагрузки к источнику питания. Диод D1 находится в проводящем состоянии до тех пор, пока на конденсаторе присутствует напряжение. Когда диод D1 находится в состоянии проводимости, тиристор Т1 смещен в обратном направлении. Таким образом, специальная цепь принудительной коммутации в этом случае не требуется. В этой схеме RLC-нагрузка обеспечивает коммутацию тиристоров. В течение отрицательного полупериода тиристор Т2 находится в проводящем состоянии, через некоторое время диод D2 начинает проводить, вследствие этого тиристор Т2 смещается в обратном направлении и запирается.
Инвертор Мак-Мюррея (инвертирующий преобразователь)
Принцип работы инвертора Мак-Мюррея основан на коммутировании тока. Полумостовой инвертор работает на индуктивную нагрузку, как изображено на рис.6. Тиристоры ТА1 и ТА2 в этой схеме являются вспомогательными. Они используются для коммутации основных тиристоров Т1 и Т2. Индуктивность L и емкость С являются коммутирующими элементами. Конденсатор предварительно заряжен слева отрицательно, а справа -положительно. Рабочие фазы этой схемы устройства следующие.
Фаза I. Тиристор Т1 запускается, тем самым инициируется положительный полупериод преобразования. Постоянный ток нагрузки протекает через тиристор Т1.
Фаза I I. В момент времени t1 запускается вспомогательный тиристор ТА1. По замкнутой цепи L, С, Т{ и ТА1 начинает протекать ток, при этом ток через конденсатор синусоидально нарастает, как показано на рис.6в. В промежутке времени от t1 до t2 значение ic 0. В момент времени t= t2; tc = I0. Ток, текущий через тиристор Т1, становится равным нулю, и тиристор выключается. Следует заметить, что в этой фазе ток через тиристор Т1, уменьшается до нуля.
Фаза III. После выключения тиристора Т1 ток продолжает протекать через D1. Диод находится в состоянии проводимости до момента времени t3 до тех пор пока ic - I0 положительны. В момент времени t = t3 диод D1, перестает проводить, так как ток через него уменьшается до нуля.
Фаза IV. После того как диод D1 запирается, постоянный ток нагрузки протекает через конденсатор и дозаряжает его слева отрицательно, а справа положительно. Напряжение на конденсаторе изменяется линейно, так как через конденсатор протекает постоянный ток.
Фаза V. Ток через диод увеличивается, в то время как ток через конденсатор уменьшается. Когда ток через тиристор Ta уменьшается до нуля, тиристор выключается.
Фаза VI. На индуктивной нагрузке изменяется полярность напряжения, и диод D1 смещается в прямом направлении. Начинается процесс рециркуляции. Энергия, запасенная в нагрузке, передается обратно в источник питания Vr После запирания диода D1 запускается тиристор Т2. Чтобы выключить тиристор Т2 необходимо включить тиристор ТA2. Далее подобные процессы повторяются аналогично вышеизложенным.
Инвертор Мак-Мюррея – Бедфорда
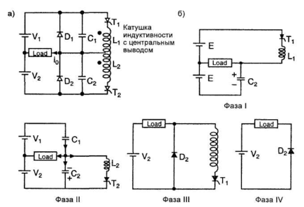
Инвертор Мак-Мюррея содержит два вспомогательных тиристора. Инвертор Мак-Мюррея-Бедфорда не требует никаких вспомогательных тиристоров. Один основной тиристор в этой схеме коммутирует другой основной тиристор. Электрическая схема, рабочие фазы и форма выходного сигнала инвертора Мак-Мюррея - Бедфорда изображены на рис.7. Рабочие фазы этой схемы устройства следующие.
Фаза I. Тиристор Т1 запущен. Постоянный ток протекает через тиристор Т1 , и индуктивность L1. Напряжение на индуктивности L1 равно нулю, так как через нее протекает постоянный ток. Конденсатор С, замкнут через Т1 и L1. Конденсатор С2 заряжен до напряжения V1 + V2: верхняя обкладка заряжена положительно, а нижняя - отрицательно.
Р
ис.7 - а) Схема инвертора Мак-Мюррея; б) Фазы работы схемы
Фаза II. После включения тиристора Т2 напряжение с конденсатора С2 подается на индуктивность L2. Это напряжение равно удвоенному напряжению питания. За счет взаимной индукции на индуктивности L1 появляется напряжение, равное напряжению на индуктивности L2. Напряжение на катоде тиристора Т1 равно учетверенному напряжению питания, а на аноде удвоенному напряжению питания. Таким образом, после включения тиристора Т2 тиристор Т1 выключается. Быстрое выключение тиристора L1 возможно благодаря тому, что энергия, запасенная в индуктивности L1 передается на индуктивность L2 поскольку общий магнитный поток должен оставаться постоянным. Из рис.7в видно, что ток в схеме перераспределяется от тиристора Т1 на тиристор Т2 в начале фазы II. По цепи L2 и С2 начинает протекать ток. Диод D2 смещается в обратном направлении напряжением на конденсаторе С2.
Фаза III. Как только полярность напряжения на конденсаторе изменяется на обратную, диод D2 переходит в проводящее состояние и тем самым шунтирует конденсатор С2. Энергия, запасенная на индуктивности L2 поддерживает неизменное направление тока через тиристор Т2 и диод D2. Постепенно запасенная в индуктивности L2 энергия рассеивается на активном сопротивлении нагрузки, и тиристор Т2 выключается.
Фаза IV. Диод D2 по-прежнему смещен в прямом направлении за счет тока, протекающего через индуктивность нагрузки. Здесь имеет место процесс рециркуляции энергии, запасенной на индуктивности нагрузки. Диод D2 находится в проводящем состоянии до тех пор, пока запасенная энергия передается источнику питания V2.
Тиристор Т2 снова включается, тем самым инициируя аналогичный отрицательный полупериод инвертора. В конце отрицательного полупериода тиристор Т1 остается в проводящем состоянии и процесс, описанный выше, повторяется.
7
Характеристики
Тип файла документ
Документы такого типа открываются такими программами, как Microsoft Office Word на компьютерах Windows, Apple Pages на компьютерах Mac, Open Office - бесплатная альтернатива на различных платформах, в том числе Linux. Наиболее простым и современным решением будут Google документы, так как открываются онлайн без скачивания прямо в браузере на любой платформе. Существуют российские качественные аналоги, например от Яндекса.
Будьте внимательны на мобильных устройствах, так как там используются упрощённый функционал даже в официальном приложении от Microsoft, поэтому для просмотра скачивайте PDF-версию. А если нужно редактировать файл, то используйте оригинальный файл.
Файлы такого типа обычно разбиты на страницы, а текст может быть форматированным (жирный, курсив, выбор шрифта, таблицы и т.п.), а также в него можно добавлять изображения. Формат идеально подходит для рефератов, докладов и РПЗ курсовых проектов, которые необходимо распечатать. Кстати перед печатью также сохраняйте файл в PDF, так как принтер может начудить со шрифтами.
















