110375 (709353)
Текст из файла
Конструирование гражданских зданий
Введение
В нашем языке существует немало слов, имеющих несколько значений. "Строительство" - одно из таких слов.
Мы говорим: "Значительную долю продукции, производимой в нашей стране, дает сегодня строительство" - и видим за этим словом гигантскую отрасль народного хозяйства, превратившую нашу страну в строительную площадку небывалых размеров.
Словом "строительство" мы называем и самостроящееся здание или сооружение, и то место, где оно строится, и род занятий строителей... Очень емкое слово.
А главное - очень важное. Потому что без строительства невозможно представить себе нашу сегодняшнюю жизнь.
На снежной северной зимовке людей спасает от мороза и пурги теплый домик экспедиции. У экватора здания прячут людей от палящего солнца или ливней. По автострадам, мостам, тоннелям вереницы автомашин везут людей на работу - в цехи и лаборатории, на учебу - в школы и институты. По железнодорожным путям грохочут поезда, мчат людей и грузы в новый город в Заполярье или к курорту у теплого моря. Всюду окружают человека, кроме лесов и полей, рек и гор, дома, города, дороги. Окружает его как бы вторая природа, созданная его собственными руками, удобная для жизни искусственная среда.
Созданием этой искусственной среды и занимается та огромная отрасль человеческой деятельности, которая называется "строительство". Машины и масштабы
Более 1000 новых городов выросло за годы Советской власти, возведены десятки тысяч промышленных предприятий, сооружены сотни тысяч школ, кинотеатров, десятки миллионов квартир.
Таких огромных масштабов и высоких темпов строительства не знала ни одна предшествующая эпоха. Каждый год мы выполняем строительных работ на 5-7% больше, чем в предыдущем, и строители продолжают наращивать темпы. Это стало возможным благодаря тем изменениям, которые произошли в строительстве за годы Советской власти.
Главные среди них - индустриализация строительного производства, механизация строительства, максимальная замена всех видов ручного труда машинным.
Сегодня с помощью машин выполняют почти все тяжелые строительные работы: роют и перемещают грунт, приготавливают и укладывают бетонную смесь, транспортируют и монтируют многотонные конструкции. Машины облегчают труд людей и на других работах - помогают штукатурить и красить, сваривать металл, завинчивать гайки и забивать гвозди.
Широкое применение машин позволило по-новому организовать строительное производство. Самое сложное и трудоемкое в строительстве - изготовление конструкций, элементов будущих построек,- как правило, выполняется сегодня в заводских условиях, на конвейере. Тысячи специальных заводов, сотни домостроительных комбинатов снабжают сегодня стройки конструкциями, деталями и материалами. А на строительной площадке стремятся оставить только процессы сборки и монтажа готовых элементов.
Изменилось и многое другое: разработаны новые, высокопрочные, легкие и долговечные строительные материалы и конструкции, усовершенствованы способы выполнения многих строительных работ, возникли новые методы строительства, более быстрые, более дешевые, требующие меньших затрат труда и времени.
Все это позволило почти в 40 раз увеличить, по сравнению с дореволюционным временем, объем строительства в стране и резко повысить производительность труда строителей.
Современное строительство - это высокоиндустриальная, гигантская по своему размаху, по масштабам и по своему значению отрасль человеческой деятельности.
Первые постройки человека: примитивные заслоны от ветра, землянки, шалаши и хижины - такие, как в этой затерявшейся в тропических джунглях деревушке,- мало отличались от окружавшей их природы и друг от друга.
Характеристика здания
Проектируемое здание жилое, которое имеет размеры в плане 36 м × 12.9 м.
Здание трёхэтажное. Высота - 2.8 м.
Здание бесподвальное, бескаркасное.
Пространственная жесткость и устойчивость здания обеспечивается за счёт стен и плит перекрытия .
По долговечности здание относится к 1 степени, так как его конструктивные элементы рассчитаны на срок службы 100 лет.
По огнестойкости в соответствии с CY< 2/02/01 – 85 здание относится к 1 степени.
Класс ответственности здания по СНиП 2.01.07 – 85 -2 класс ответственности.
Здание размещается на участке со спокойным рельефом.
Ширина дорог – 12м., проездов – 8м, тротуаров – 12м.
Выполнена координатная привязка здания к осям строительной геодезической сетки. Абсолютная отметка, соответствующая условной нулевой,137,47 м.
здание имеет благоприятную ориентацию по сторонам горизонта: окна фасада 1 – 11 сориентированы на северо - восточную сторону горизонта, окна фасада А – Д на юго – восточную сторону горизонта.
Фундаменты
В данной курсовой работе запроектированы сборные железобетонные ленточные фундаменты, состоящие из фундаментных блоков плит и стеновых фундаментных блоков. Глубина заложения фундаментов-2,6м. Отметка подошвы-2,3м.
Так как толщина стены 640мм, то привязка к координационной оси двусторонняя 200мм и 440мм.
Под внутренние несущие, как наиболее загруженные, принимаем фундаментные плиты шириной 1200 мм.
Под наружные несущие стены - на порядок ниже:1000мм. Под наружные самонесущие стены также принимаем фундаментные плиты шириной 1000 мм.
Плиты ленточных фундаментов укладывать на тщательно спланированную и утрамбованную поверхность основания. Монолитные участки выполнять из бетона класса В12,5.
В зависимости от толщины стены принимаем фундаментные блоки, толщиной:
А) Для наружных стен – 600мм.
Б) Для внутренних стен – 400мм.
Их следует укладывать на цементном растворе М50 с обязательной перевязкой швов. Число вертикальных рядов фундаментных блоков-4.
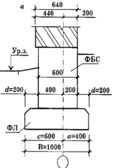
Фундамент под наружные стены
Внутреннюю грань стены совмещаем с внутренней гранью фундаментного блока. Привязка фундаментного блока к координационной оси:200мм и 400мм. Фундаментную плиту располагаем симметрично толщине фундаментного блока. Размеры уступов:
d = (1000-600):2=200мм.
а=200+200=400мм
с=200+400=600мм
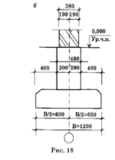
Фундамент под внутренние стены
Привязка фундаментного блока к оси центральная 200мм и 200мм.
Размеры уступов:
d = (1200-400):2=400мм
Привязка фундаментной плиты центральная:
В/2=200+400=600мм.
Монолитные участки выполняются из бетона класса В12,5.
Для защиты фундаментов от поверхностных вод по периметру здания выполняем асфальтобетонную отмостку, шириной 800мм по щебёночному основанию, толщиной 150мм, с уклоном от здания 3%.
Ведомость расчёта фундаментных плит
Таблица 1
| Пози- ция | Марка | Документа- ция | Размеры,мм | Масса,т | Кол-во, шт | ||||
| L | B | H | |||||||
| 3 | ФЛ10.24-1 | ГОСТ 13580-85 | 2380 | 1000 | 300 | 1,38 | 4 | ||
| 4 | ФЛ12.24-1 | ГОСТ 13580-85 | 2380 | 1200 | 300 | 1,63 | 8 | ||
| 2 | ФЛ10.12-1 | ГОСТ 13580-85 | 1180 | 1000 | 300 | 0,65 | 34 | ||
| 1 | ФЛ12.12-1 | ГОСТ 13580-85 | 1180 | 1200 | 300 | 0,78 | 81 | ||
| 5 | ФЛ10.8-1 | ГОСТ 13580-85 | 780 | 1000 | 300 | 0,42 | 18 | ||
| 6 | ФЛ12.8-1 | ГОСТ 13580-85 | 780 | 1200 | 300 | 0,5 | 1 | ||
В здании устроена горизонтальная и вертикальная гидроизоляция. Первый слой горизонтальной гидроизоляции укладывают по верху фундаментных подушек из цементного раствора толщиной 30 мм.
Второй слой горизонтальной гидроизоляции (рулонной) устраивают в цоколе наружных стен на 200мм выше отмостки.Во внутреннх стенах этот слой распологается на 200мм ниже уровня пола.
Вертикальная гидроизоляция подвальных стен осуществляется обмазкой их поверхностей, соприкасающихся с грунтом, горячей битумной мастикой за два раза.
Стены
В проектируемом здании внутренние стены выполнены из пустотного керамического кирпича плотностью 1400 кг/м3 с размерами 250×120×65мм сплошной кладки. Толщина внутренних стен 380мм.
Во внутренних стенах, разделяющих санузлы и кухни, предусмотрены вентиляционные каналы размерами 270×140мм.Участки стен в местах прохода вентиляционных каналов армированы двумя продольными стержнями Ø 5 Вр І с приваркой поперечных стержней с шагом 100мм, минуя отверстия вентиляционных каналов.
Теплотехнический расчёт наружных стен:
1.Находим требуемое сопротивление теплоотдачи:
tв - расчётная тем
пература внутреннего воздуха(табл.12)
tн- расчётная температура наружного воздуха
αв-коэф.теплоотдачи(табл.8)
n- коэфециент, принимаемый в зависимости от положения наружной поверхности ограждающей конструкции , для наружных стен он равен 1.
2.Требуемая толщина стены:
=(0.93-0.115-0.002-0.043)
Принимаем стену толщиной 640мм.
Наружные стены выполнены из пустотного керамического кирпича плотностью 1400 кг/м3 с размерами 250×120×65мм сплошной кладки на цементно-известковом растворе. Толщина наружных стен 640мм( наружная верста-120мм,воздушная прослойка-50мм,пенополистерол-90мм,внутренняя верста-380мм).
Утеплитель устанавливаем, плотно прижимая его к внутренней версте, предварительно раскроив его на высоту 5-ти рядов. Для установки гибких связей в пенополистероле вырезают борозды 3
3см с шагом 500мм, куда укладывают гибкие связи и заполняют раствором.
Характеристики
Тип файла документ
Документы такого типа открываются такими программами, как Microsoft Office Word на компьютерах Windows, Apple Pages на компьютерах Mac, Open Office - бесплатная альтернатива на различных платформах, в том числе Linux. Наиболее простым и современным решением будут Google документы, так как открываются онлайн без скачивания прямо в браузере на любой платформе. Существуют российские качественные аналоги, например от Яндекса.
Будьте внимательны на мобильных устройствах, так как там используются упрощённый функционал даже в официальном приложении от Microsoft, поэтому для просмотра скачивайте PDF-версию. А если нужно редактировать файл, то используйте оригинальный файл.
Файлы такого типа обычно разбиты на страницы, а текст может быть форматированным (жирный, курсив, выбор шрифта, таблицы и т.п.), а также в него можно добавлять изображения. Формат идеально подходит для рефератов, докладов и РПЗ курсовых проектов, которые необходимо распечатать. Кстати перед печатью также сохраняйте файл в PDF, так как принтер может начудить со шрифтами.















