-7403.10 (709070), страница 4
Текст из файла (страница 4)
Фильтр грубой очистки (отстойник) (рис. 16) предварительно очищает топливо, поступающее в топливоподкачивающий насос низкого давления. Он установлен на всасывающей магистрали системы питания с левой стороны автомобиля на раме.
Стакан 2 фильтра соединен с корпусом 10 четырьмя болтами 7 и уплотнен кольцом 9. Снизу в бобышку колпака ввернута сливная пробка 1. Топливо, поступающее из топливного бака через подводящий штуцер, стекает в стакан. Крупные частицы и вода собираются в нижней части стакана. Из верхней части через фильтрующую сетку 4 по отводящему штуцеру и топливопроводам топливо подается к топливоподкачивающему насосу.
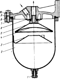
Фильтр тонкой очистки, (рис. 18) окончательно очищающий топливо перед поступлением в топливный насос высокого давления, установлен в самой высокой точке системы питания для сбора и удаления в бак проникшего в систему питания воздуха вместе с частью топлива через клапан-жиклер, закреплённый в корпусе 1. Начало сдвига клапана-жиклёра (рис. 17) происходит при давлении в полости 24,544,1 кПа (0,250,45 кгс/см2), а начало перепуска топлива из полости А в Б – при давлении в полости А 196,2235,3 кПа (2,02,4 кгс/см2). Регулируется клапан подбором регулировочных шайб 1 внутри пробки клапана.
Топливопроводы подразделяются на топливопроводы низкого [3291961 кПа (420 кгс/см2)] и высокого [более 19614 кПа (200 кгс/см2)] давления. Топливопроводы высокого давления изготовлены из стальных трубок, концы которых выполнены конусообразными, прижаты накидными гайками через шайбы к конусным гнёздам штуцеров топливного насоса и форсунок. Во избежание поломок от вибрации, топливопроводы закреплены скобками и кронштейнами.
Рис. 15. Схема системы питания двигателя топливом:
1 – топливный бак; 2 – фильтр грубой очистки топлива; 3 – подводящий топливопровод к насосу низкого давления; 4 – сливной дренажный топливопровод форсунок левого ряда; 5 – форсунка; 6 – топливопровод высокого давления; топливопровод к электромагнитному клапану; 7 – топливоподкачивающий насос низкого давления; 8 – ручной топливоподкачивающий насос; 9 – трубка топливная отводящая насоса низкого давления; 10 – топливный насос высокого давления; 11 – клапан электромагнитный; 12 – трубка топливная к электромагнитному клапану; 13 – свеча факельная; 14 – трубка топливная дренажная; форсунок правых головок; 15 – трубка топливная подводящая ТНВД; 16 – трубка топливная отводящая ТНВД; 17 – фильтр тонкой очистки топлива; 18 – трубка топливная фильтра тонкой очистки топлива; 19 – тройник крепления топливных трубок; 20 - трубка топливная сливная; 21 – топливопровод к фильтру грубой очистки; 22 – труба приёмная с фильтром.
Р
ис. 16. Фильтр грубой очистки топлива:
1 – сливная пробка; 2 – стакан; 3 – успокоитель; 4 – фильтрующая сетка; 5 – отражатель; 6 - распределитель; 7 – болт; 8 – фланец; 9 – уплотнительное кольцо; 10 – корпус.
Рис. 17. Клапан-жиклер фильтра тонкой очистки топлива:
1 – регулировочные шайбы; 2 – пробка клапана; 3 – пружина; 4 – клапан-жиклер; А – полость нагнетания; Б – полость к топливному баку.
Топливный насос высокого давления (ТНВД) предназначен для подачи к форсункам двигателя в определенные моменты времени дозированных порций топлива под высоким давлением.
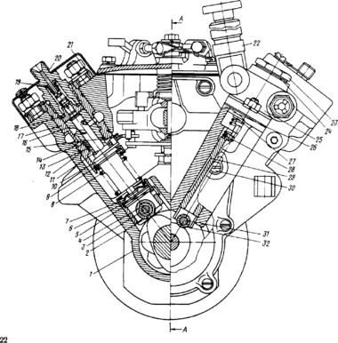
В корпусе 1 (рис. 19) установлены восемь секций, каждая состоит из корпуса 17, втулки 16 плунжера, плунжера 11, поворотной втулки 10, нагнетательного клапана 19, прижатого через уплотнительную прокладку 18 к втулке плунжера штуцером 20. Плунжер совершает возвратно-поступательное движение под воздействием кулачка вала 48 и пружины 8. Толкатель от проворачивания в корпусе зафиксирован сухарем 6. Кулачковый вал вращается в роликоподшипниках 50, установленных в крышках и прикрепленных к корпусу насоса. Осевой зазор кулачкового вала регулируется прокладками 44. Величина зазора должна быть не более 0,1 мм.
Рис. 18. Фильтр тонкой очистки топлива:
1 – корпус; 2 – болт; 3 – шайба уплотнительная; 4 – пробка; 5, 6 – прокладки уплотнительные; 7 – элемент фильтрующий; 8 – колпак; 9 – пружина фильтрующего элемента; 10 – пробка сливная; 11 – стержень.
Для увеличения подачи топлива плунжер 11 поворачивают втулкой 10. соединенной через ось поводка с рейкой 15 насоса. Рейка перемещается в направляющих втулках 35. Выступающий ее конец закрыт пробкой 38. С противоположной стороны насоса находится винт, регулирующий подачу топлива всеми секциями насоса. Этот винт закрыт пробкой и запломбирован.
Топливо к насосу подводится через специальный штуцер, к которому болтом крепится трубка низкого давления. Далее по каналам в корпусе оно поступает к впускным отверстиям втулок 16 плунжеров.
На переднем торце корпуса, на выходе топлива из насоса установлен перепускной клапан 36. открытие которого происходит при давлении 58,878,5 кПа (0,60,8 кгс/см2). Давление открытия клапана регулируется подбором регулировочных шайб внутри пробки клапана.
Смазка насоса – циркуляционная, пульсирующая, под давлением от общей системы смазки двигателя.
На двигателе с турбонаддувом установлен топливный насос высокого давления мод. 334 с повышенной энергией впрыскивания, с противодымным корректором и номинальной цикловой подачей топлива 96 мм3/цикл. Корректор, уменьшая подачу топлива, позволяет снизить дымление двигателя на малой частоте (10001400 об/мин) вращения коленчатого вала.
Регулятор частоты вращения (рис. 20) – всережимный, прямого действия, изменяет количество топлива, подаваемого в цилиндр, в зависимости от нагрузки, поддерживая заданную частоту. Регулятор размещен в развале корпуса ТНВД. На кулачковом валу насоса установлена ведущая шестерня 21 регулятора, вращение на которую передается через резиновые сухари 22. Ведомая шестерня выполнена как одно целое с державкой 9 грузов, вращающейся на двух шарикоподшипниках. При вращении державки грузы 13, качающиеся на осях 10. под действием центробежных сил расходятся и через упорный подшипник 11 перемещают муфту 12. Муфта, упираясь в палец 14. в свою очередь перемещает рычаг 33 муфты грузов. Рычаг одним концом закреплен на оси 34, а другим – через штифт соединен с рейкой 28 топливного насоса.
Рис. 19. Топливный насос:
1
– корпус; 2 – ролик толкателя; 3 – ось ролика; 4 – втулка ролика; 5 – пята толкателя; 6 – сухарь; 7 – тарелки пружины толкателя; 8 – пружина толкателя; 9, 41, 47, 49, 58 – шайбы; 10 – поворотная втулка; 11 – плунжер; 12, 13, 37, 45 – уплотнительные кольца; 14 – установочный штифт; 15 – рейка; 16 – втулка плунжера; 17 – корпус секции; 18 – прокладка нагнетательного клапана; 19 – клапан нагнетательный; 20 – штуцер; 21 – фланец корпуса секции; 22 – ручной топливоподкачивающий насос; 23 – пробка пружины толкателя; 24, 44 – прокладки; 25 – корпус насоса низкого давления; 26 – топливоподкачивающий насос низкого давления; 27 – втулка штока; 28 – пружина толкателя; 29 – толкатель; 30 – стопорный винт; 31 – ось ролика; 32 – ролик толкателя; 33 – регулировочные прокладки; 34 – ось рычага реек; 35 – втулка рейки; 36 – перепускной клапан; 38 – пробка рейки; 39 – муфта опережения впрыска топлива; 40, 59 – гайки; 42, 56 – шпонки: 43, 51 – крышки подшипников; 45 – манжета с пружиной; 48 – кулачковый вал; 50 – подшипник; 52 – упорная втулка; 53 – ведущая шестерня регулятора; 54 – сухарь ведущей шестерни регулятора; 55 – фланец ведущей шестерни регулятора: 57 – эксцентрик привода насоса низкого давления.
Рис. 20. Регулятор частоты вращения:
1 – задняя крышка; 2 – гайка; 3 – шайба; 4 – подшипник; 5 – регулировочная прокладка; 6 – промежуточная шестерня; 7 – прокладка задней крышки регулятора; 8 – стопорное кольцо; 9 – державка грузов; 10 – ось груза; 11 – упорный подшипник; 12 – муфта; 13 – груз; 14 – палец; 15 – корректор; 16 – возвратная пружина рычага останова; 17 – болт; 18 – втулка; 19 – кольцо. 20 – рычаг пружины регулятора; 21 – ведущая шестерня; 22 – сухарь ведущей шестерни; 23 – фланец ведущей шестерни; 24 – ограничивающая гайка; 25 – регулировочный болт подачи топлива; 26 – рычаг стартовой пружины; 27 – пружина регулятора; 28 – рейка; 29 – стартовая пружина; 30 – штифт; 31 – рычаг реек; 32 – рычаг регулятора; 33 – рычаг муфты грузов; 34 – ось рычагов регулятора; 35 – болт крепления верхней крышки.
На оси 34 закреплен рычаг 32, другой конец которого перемещается до упора в регулировочный болт 25 подачи топлива. Рычаг 33 передает усилие рычагу 32 через корректор 15.
Рычаг управления подачей топлива 1 (рис. 20) жестко связан с рычагом 20 (см. рис. 19). К рычагам 20, 32 присоединена пружина 27, к рычагам 26, 31 – стартовая пружина 29.
Во время работы регулятора в заданном режиме центробежные силы грузов уравновешены усилием пружины 27. При увеличении частоты вращения коленчатого вала грузы регулятора, преодолевая сопротивление пружины 27, перемещают рычаг 33 с рейкой топливного насоса, и подача топлива уменьшается. При уменьшении частоты вращения коленчатого вала центробежная сила грузов уменьшается, рычаг 32 регулятора с рейкой топливного насоса под действием усилия пружины перемещается в обратном направлении, и подача топлива, и частота вращения коленчатого вала увеличиваются.
Подача топлива выключается поворотом рычага 3 останова (см. рис. 21) до упора в болт 6. При этом рычаг 3, преодолев усилие пружины 27 (см. рис. 20), через штифт 30 повернет рычаги 32 и 33; рейка переместится до полного выключения подачи топлива. При снятии усилия с рычага останова под действием пружины 16 рычаг возвратится в рабочее положение, а стартовая пружина 29 через рычаг 31 вернет рейку топливного насоса в положение, обеспечивающее максимальную подачу топлива, необходимую для пуска.
Рис. 21. Крышка регулятора частоты вращения:
1 – рычаг управления подачей топлива (регулятором); 2 – болт ограничения минимальной частоты вращения; 3 – рычаг останова; 4 – пробка заливного отверстия; 5 – болт регулировки пусковой подачи; 6 – болт ограничения хода рычага останова; 7 – болт ограничения максимальной частоты вращения.
Топливный насос низкого давления поршневого типа предназначен для подачи топлива от бака через фильтры грубой и тонкой очистки к впускной полости насоса высокого давления. Насос установлен на задней крышке регулятора и приводится в действие от эксцентрика кулачкового вала ТНВД.
В корпусе 25 (см. рис. 19) установлены поршень, пружина поршня, втулка 27 штока и шток толкателя, во фланце корпуса – впускной клапан и пружина клапана. Эксцентрик кулачкового вала топливного насоса высокого давления через ролик 32, толкатель 29 и шток сообщает поршню топливоподкачивающего насоса возвратно-поступательное движение.
Рис. 22. Схема работы топливного насоса низкого давления и ручного топливоподкачивающего насоса:
1 – нагнетательный клапан; 2, 5, 7, 8 – пружины; 3 – поршень; 4 – поршень ручного топливоподкачивающего насоса; 6 – впускной клапан; 9 – толкатель, 10 – эксцентрик; А – полость всасывания; Б – подача от фильтра грубой очистки топлива; В – нагнетательная полость; Г – подача к топливному насосу высокого давления.
Схема работы насоса показана на рис. 22. При опускании толкателя поршень 3 под действием пружины 7 движется вниз. В полости А всасывания создается разрежение, и впускной клапан 6, сжимая пружину 5, пропускает в полость топливо. Одновременно топливо, находящееся в нагнетающей полости Б, вытесняется в магистраль, минуя нагнетательный клапан 1, соединенный каналами с обеими полостями. В свободном положении нагнетательный клапан закрывает канал всасывающей полости.
При движении поршня 3 вверх топливо, заполнившее всасывавшую полость, через нагнетательный клапан 1 поступает в полость Б под поршнем, при этом впускной клапан 6 закрывается. При повышении давления в нагнетательной магистрали поршень не совершает полного хода вслед за толкателем, а остается в положении, которое определяется равновесием сил от давления топлива с одной стороны и от усилия пружины – с другой.
Топливоподкачивающим ручным насосом система заполняется топливом и из нее удаляется воздух. Насос поршневого типа закреплен на фланце топливного насоса низкого давления уплотнительной медной шайбой и состоит из корпуса, поршня, цилиндра, рукоятки в сборе со штоком, опорной тарелки и уплотнения.
Топливную систему прокачивают движением рукоятки со штоком и поршнем вверх-вниз. При движении рукоятки вверх в подпоршневом пространстве создается разрежение. Впускной клапан 6 (см. рис. 22), сжимая пружину 5, открывается, и топливо поступает в полость А топливного насоса низкого давления. При движении рукоятки вниз нагнетательный клапан 1 открывается и топливо под давлением поступает в нагнетательную магистраль.
После прокачки рукоятку наворачивают на верхний резьбовой хвостовик цилиндра. При этом поршень прижимается к резиновой прокладке и уплотняет всасывающую полость топливного насоса низкого давления.
Автоматическая муфта опережения впрыска топлива (рис. 23) изменяет начало подачи топлива в зависимости от частоты вращения коленчатого вала двигателя. Применение муфты обеспечивает оптимальное для рабочего процесса начало подачи топлива по всему диапазону скоростных режимов, чем достигается необходимая экономичность и приемлемая жесткость процесса в различных скоростных режимах работы двигателя.
Ведомая полумуфта 13 закреплена на конической поверхности переднего конца кулачкового вала топливного насоса шпонкой и гайкой с шайбой, ведущая полумуфта 1 – на ступице ведомой полумуфты (может поворачиваться на ней). Между ступицей и полумуфтой установлена втулка 3. Грузы 11 качаются на осях 16, запрессованных в ведомую полумуфту, в плоскости, перпендикулярной к оси вращения муфты. Проставка 12 ведущей полумуфты упирается одним концом в палец груза, другим – в профильный выступ. Пружина 8 удерживает груз на упоре во втулку 3 ведущей полумуфты.
При увеличении частоты вращения коленчатого вала грузы под действием центробежных сил расходятся, вследствие чего ведомая полумуфта поворачивается относительно ведущей полумуфты в направлении вращения кулачкового вала, что вызывает увеличение угла опережения впрыска топлива. При уменьшении частоты вращения коленчатого вала грузы под действием пружин сходятся, ведомая полумуфта поворачивается вместе с валом насоса в сторону, противоположную направлению вращения вала. что вызывает уменьшение угла опережения подачи топл
ива.
Рис. 23. Автоматическая муфта опережения впрыска топлива:















