-7403.10 (709070), страница 2
Текст из файла (страница 2)
Маслосъемное кольцо – прямоугольного сечения с витым пружинным расширителем и хромированной рабочей поверхностью.
В головке поршня расположена тороидальная камера сгорания. Для уменьшения надпоршневого зазора при сборке двигателя подбором варианта исполнения поршня обеспечено выступание поршня над уплотнительным торцом гильзы в пределах 0,50,7 мм.
С шатуном поршень соединен пальцем 10 плавающего типа, осевое перемещение пальца в поршне ограничено стопорными кольцами 9. Поршневой палец изготовлен из хромоникелевой стали в виде пустотелого цилиндрического стержня и упрочнен цементацией и закалкой.
Вкладыши подшипников коленчатого вала и нижней головки шатуна – сменные, тонкостенные, трехслойные, с рабочим слоем из свинцовистой бронзы. Верхний и нижний вкладыши коренного подшипника коленчатого вала невзаимозаменяемы. В верхнем вкладыше имеется отверстие для подвода масла и канавка для его распределения.
Для ремонта коленчатого вала, блока и шатуна предусмотрены семь ремонтных размеров вкладышей (табл. 1).
Шестой и седьмой ремонтные размеры вкладышей введены в 1983 году и предназначены для установки на специализированных заводах по ремонту двигателей, так как при перешлифовке шеек коленчатого вала в эти ремонтные размеры требуется их повторная термообработка.
Обозначение вкладышей соответствующей шейки, диаметр вала и диаметр постели в блоке или шатуне нанесены на тыльной стороне вкладыша.
Толщина вкладышей подшипников:
Коренных опор --- 2,4402,452 мм
Шатунных шеек --- 2,4532,465 мм
Таблица 1
| Параметр | Значение параметра в зависимости от ремонтного размера, мм | |||||||||||
| 1 | 2 | 3 | 4 | 5 | 6 | 7 | ||||||
| Диаметр шеек: | ||||||||||||
| Коренных | 94,485—94,500 | 93,985—94,000 | 94,985—95,000 | 94,485-94,500 | 93.985—94,000 | 93,485—93,50 | 92,985—93,0 | |||||
| Шатунных | 79,487—79,500 | 78,987—79,000 | 79,987-80,000 | 79,487-79,500 | 78.987—79,000 | 78,487—78,50 | 77,987-78,0 | |||||
| Диаметр отверстий: | ||||||||||||
| в блоке | 100+0,021 | 100+0,021 | 100,5+0,021 | 100,5+0,021 | 100,5+0,021 | 100+0,021 | 100+0,021 | |||||
| в шатуне | 85+0,01 | 85+0,01 | 85,5+0,01 | 85,5+0,01 | 85,5+0,01 | 85+0,01 | 85+0,01 | |||||
| Обозначение вкладышей: | ||||||||||||
| Коренных: | ||||||||||||
| Верхнего | 740.1005170Р1 | 740.1005170Р2 | 740.1005170РЗ | 740.1005170Р4 | 740.1005170 Р5 | 740.1005170 Р6 | 740.1005170Р7 | |||||
| Нижнего | 740.1005171Р1 | 740.1005171 Р2 | 740.1005171РЗ | 740.1005171Р4 | 740.1005171Р5 | 740.1005171 Р6 | 740.1005171 Р7 | |||||
| Шатунных | 740.1004058Р1 | 740.1004058 Р2 | 740.Ю04058РЗ | 740.1004058Р4 | 740.1004058 Р5 | 740.1004058 Р6 | 740.1004058Р7 | |||||
| Толщина вкладышей: | ||||||||||||
| коренных | 2,690—2,702 | 2,940—2,952 | 2,690—2,702 | 2,940—2,952 | 3,190—3,202 | 3,190—3,202 | 3,440—3,452 | |||||
| шатунных | 2,703—2,715 | 2,953—2,965 | 2,703—2,715 | 2,953—2,965 | 3,203—3,215 | 3,203—3,215 | 3,453—3,475 | |||||
Примечание: допустимый зазор в ремонтируемых подшипниках коренных и шатунных шеек такой же, как и новых.
Механизм газораспределения.
Механизм газораспределения предназначен для впуска в цилиндры воздуха и выпуска отработавших газов. Открытие и закрытие впускных и выпускных клапанов происходит в строго определённых положениях по отношению к верхней и нижней мёртвым точкам, которые соответствуют углам поворота шейки коленчатого вала, указанным в диаграмме фаз газораспределения (рис. 7).
Рис. 7. Диаграмма фаз газораспределения (заливкой показаны фазы открытия клапана):
а – впуск; b – выпуск.
На двигателе установлен верхнеклапанный механизм газораспределения с нижним расположением распределительного вала (рис. 8).
Кулачки распределительного вала 1 в определенной последовательности приводят в действие толкатели 2. Штанги 4 сообщают качательное движение коромыслам 6, которые, преодолевая сопротивление пружин 13 и 14, открывают клапаны. Закрываются клапаны под действием силы сжатых пружин.
Крутящий момент на распределительный вал передается от коленчатого вала через шестерни привода агрегатов.
Головки цилиндров, отлитые из алюминиевого сплава, имеют полости для охлаждающей жидкости, сообщающиеся с рубашкой блока. Стыки головки цилиндра 2 (рис. 9) и гильзы 6, головки и блока 4 уплотнены прокладками. В канавку на привалочной плоскости головки запрессовано кольцо газового стыка 1, которым головка непосредственно устанавливается на бурт гильзы цилиндра. Герметичность уплотнения обеспечивается высокой точностью обработки сопрягаемых поверхностей кольца и гильзы цилиндр и, дополнительно, нанесением на поверхность кольца свинцовистого покрытия для компенсации микронеровностей уплотняемых поверхностей. Уплотнение перепускных каналов для охлаждающей жидкости осуществляется уплотнительными кольцами из силиконовой резины, устанавливаемыми хвостовиками в отверстия головки цилиндров. Подголовочное пространство, отверстие стока моторного масла и прохода штанг уплотнены формованной прокладкой головки цилиндра 3.
Рис. 8. Механизм газораспределения:
1 – распределительный вал; 2 – толкатель; 3 – направляющая толкателей; 4 – штанга; 5 – прокладка крышки головки; 6 – коромысло; 7 – контргайка; 8 – регулировочный винт; 9 – болт крепления крышки головки; 10 – сухарь; 11 – втулка тарелки; 12 – тарелка пружины; 13 – наружная пружина; 14 – внутренняя пружина; 15 – направляющая клапана; 16 – шайба; 17 – клапан (выпускной); А – тепловой зазор.
Впускные и выпускные каналы расположены на противоположных сторонах головки. Впускной канал имеет тангенциальный профиль для завихрения воздуха в цилиндре.
В головку запрессованы чугунные седла и металлокерамические направляющие втулки клапанов, которые растачивают после запрессовки. Каждая головка закреплена на блоке четырьмя болтами. Клапанный механизм закрыт алюминиевой крышкой, которая закреплена болтом 9 (рис. 8), ввернутым в головку. Под крышкой размещена уплотнительная прокладка.
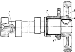
Распределительный вал выполнен из стали, установлен в развале блока на пяти подшипниках скольжения. Поверхности кулачков и опорных шеек цементированы и закалены токами высокой частоты. Подшипник задней опоры представляет собой втулку из биметаллической ленты (сталь-бронза), запрессованную в съемный чугунный корпус 2 (рис. 10). Аналогичные втулки, запрессованные в поперечные перегородки блока, служат подшипниками для остальных опор вала.
Осевое перемещение распределительного вала ограничено корпусом 2 подшипника, в торцы которого упираются с одной стороны ступица шестерни 3, с другой – упорный бурт задней опорной шейки вала. Корпус подшипника задней опоры закреплен на блоке тремя болтами.
Толкатели 2 (рис. 8) – грибкового типа с плоской тарелкой, пустотелые, с цилиндрической направляющей частью, изготовлены холодной высадкой из стали с последующей наплавкой тарелки отбеленным чугуном. Внутренняя цилиндрическая часть толкателя заканчивается сферическим гнездом для упора нижнего конца штанги.
Рис. 9. Стыки головки цилиндра и гильзы, головки и блока цилиндров:
1 – стопорное кольцо; 2 – головка цилиндра; 3 – прокладка; 4 – блок цилиндров; 5 – уплотнительное кольцо гильзы; 6 – гильза цилиндра.
Рис. 10. Распределительный вал в сборе:
1 – распределительный вал; 2 – корпус заднего подшипника; 3 – шестерня; 4 – шпонка; 5 – подшипник.
Клапаны впускной и выпускной изготовлены из жаропрочных сталей. Диаметр головки выпускного клапана меньше диаметра головки впускного. Стержни обоих клапанов на длине 125 мм от торца покрыты графитом (для этого стержни клапанов помешают в раствор графита и воды) с целью улучшения приработки.
Во время работы двигателя стержни клапанов смазываются маслом, вытекающим из сопряжений коромысел с осями и разбрызгиваемым пружинами. Чтобы масло не попадало в цилиндр по зазору стержень клапана – направляющая втулка, на втулке впускного клапана установлена резиновая манжета.
Направляющие толкателей 3 (рис. 8), отлитые из серого чугуна, выполнены съемными для повышения ремонтоспособности и технологичности блока. На двигатель установлены четыре направляющие, в которых перемешаются по четыре толкателя. Каждая направляющая установлена на двух штифтах и прикреплена к блоку цилиндров двумя болтами. Болты застопорены отгибными шайбами.
Штанги толкателей 4 – стальные, трубчатые, с запрессованными и обжатыми наконечниками. Нижний наконечник имеет выпуклую сферическую поверхность, верхний выполнен в виде сферической чашечки для упора регулировочного винта коромысла.
Коромысло клапана 6 (рис. 8) – стальное, кованое, с бронзовой втулкой, представляет собой двуплечий рычаг, имеющий передаточное отношение 1,55. В короткое плечо коромысла для регулирования зазора в клапанном механизме ввернут регулировочный винт 8 с контргайкой 7. Коромысла впускного и выпускного клапанов установлены консольно на осях, выполненных вместе со стойкой коромысел. Стойка установлена на двух штифтах и закреплена на головке двумя шпильками. Осевое перемещение коромысел ограничено пружинным фиксатором. К каждому коромыслу через отверстия в стойке коромысла подводится смазка.
Пружины клапанов – цилиндрические, с равномерным шагом витков и разным направлением навивки. На каждом клапане установлены две пружины. Нижними торцами пружины опираются на головку через стальную шайбу 16. Верхними – в тарелку 12. Тарелка упирается во втулку, которая соединена со стержнем клапана двумя конусными сухарями. Разъемное соединение втулка – тарелка дает возможность клапанам проворачиваться относительно седла.
Система смазки.
Система смазки двигателя комбинированная, с мокрым картером. Масло под давлением подается к коренным и шатунным подшипникам коленчатого вала, к подшипникам распределительного вала, втулкам коромысел, к подшипникам топливного насоса высокого давления и компрессора. Предусмотрена пульсирующая подача масла к верхним сферическим опорам штанг толкателей.
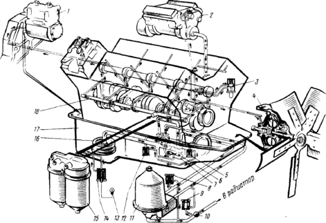
Р
ис. 11. Схема системы смазки:
1 – компрессор; 2 – топливный насос высокого давления; 3 – выключатель гидромуфты; 4 – гидромуфта; 5, 12 – предохранительные клапаны; 6 – клапан системы смазки; 7 – насос масляный: 8 – перепускной клапан центробежного фильтра; 9 – сливной клапан центробежного фильтра; 10 – кран включения масляного радиатора; 11 – центробежный фильтр; 13 – лампа сигнализатора засоренности фильтра очистки масла; 14 – перепускной клапан полнопоточного фильтра; 15 – полнопоточный фильтр очистки масла; 16 – маслоприемник; 17 – картер; 18 – главная магистраль.















