mu2 (708450), страница 4
Текст из файла (страница 4)
б) сравнением заданных допускаемых значений радиального биения качения внутреннего Ri и (или) наружного Ra колец c соответствующими предельными биениями принятых типоразмеров в *Включительно этот размер. зависимости от класса точности
(таблица 1.12 или ГОСТ 520-89).
dm, Dm - нормируемое среднее значение диаметра отверстия и наружного диаметра подшипника, соответственно.
EI, ei- нижние предельные отклонения; ES, es - верхние.
К примеру 1.- Задано предельное смещение вала в плоскости опор за счет радиального биения дорожек качения 5 мкм. Поскольку вращается только вал, а наружное кольцо в условиях жестких ограничений радиального смещения будет устанав-ливаться неподвижно, класс точности подшипника выбирается по биению Ri внутреннего кольца:
Rmax= 5 мкм Rimax (1.12)
Для принятых подшипников (d = 4 мм) условие (1.12) удовлетворяется в классе точности Р5 (Rimax =3,5 мкм).
Обозначение подшипника принимает вид
ХХ5 - 1880094. XX ...
10. Выбрать группу подшипника по радиальному зазору; указать обозначение группы по ГОСТ 24810-60 в схеме
вба
XXX - ХХХХХХХ. XX ...
Группу по радиальному задору выбирают только для радиальных подшипников. Группа, предпочтительная для приме-нения в общих случаях, именуется "основная": в обозначении подшипника либо проставляется буква М, либо ее опускают, если позиция "в" схемы окажется не заполненной.
Значения радиальных зазоров приведены в таблице 1.13. Кроме основной группы можно использовать и другие: группу 6 - для подшипника плавающей опоры в схеме Таблица 1.13 Радиальные зазоры шариковых радиальных
замыкания 3; группы 7,8,9 с увеличенным однорядных подшипников Gr мкм. Ограничение ГОСТ 24810-80
| d, мм | Группа зазора в подшипнике | ||||||||||
| 6 | основная | 7 | 8 | 9 | |||||||
| Св. | До | min | max | min | max | min | max | min | max | min | max |
| 2,5 | 10 | 0 | 7 | 2 | 13 | 8 | 32 | 14 | 29 | 20 | 37 |
| 10 | 18 | 0 | 9 | 3 | 18 | II | 25 | 18 | 33 | 25 | 45 |
| 18 | 24 | 0 | 10 | 5 | 20 | 13 | 28 | 20 | 36 | 28 | 48 |
| 24 | 30 | 1 | II | 5 | 20 | 13 | 28 | 23 | 41 | 30 | 53 |
11. Выбрать группу (ряд) по моменту трения; заполнить позицию "в" схемы обозначения:
вба
ХХХ - ХХХХХХХ. ХХ...
Группы по моменту трения, их обозначения и числовые характеристики уста-новлены специальными техническими условиями на подшипники качения. В общих условиях используется основная группа, обозначение которой на схеме не указывается.
К примеру 1. Для выбранного типоразмера приняты основные группы по зазору и моменту трения. Обозначение принимает вид:
5 - 1880094. XX…
12. Составить перечень специальных требований для оформления заказа на подшипники и согласования с подшип-никовой промышленностью. В схеме обозначения подшипника
г XXX - ХХХХХХХ. XX К… У… Т… С… Ш…
заполнить те дополнительные знаки справа от основных, которые однозначно установлены в каталоге.
Позиция "г" - знаки, указывающие на материал деталей подшипника: например, Е - сепаратор из текстолита.
Последующие позиции отражают конструктивные изменения, связанные с удовлетворением требований быстроходности (К…), к покрытиям и шероховатости поверхностей (У…), к уровню шумов и вибрации (Ш…).
Позиция Т… - температура отпуска колец: Т соответствует температуре отпуска 200 С; Т2 - 250; ТЗ - 300; Т4 - 350, Т5 - 400 С. Подшипники общего применения могут работать при температурах до 100 С без снижения их номинальной долго-вечности. Позиции Т… таких подшипников опускаются.
Позиция С - марка смазочного материала, которым заполняется закрытый подшипник (типы 88ооо, 98оооо, 98оооо и др.) на заводе-изготовителе подшипника. Можно указать, например, знаки:
С1-подшипники скоростных узлов и узлов с большим сроком службы или предэксплуатационного хранения (заполняется ОКБ 122-7);
С2-подшипники, работающие в агрессивных средах (ЦИАТИМ-221);
5 - для работы при температурах до 200 С (заполнен ВНИИ НП 207).
К примеру 1. Поскольку температура эксплуатации указана меньше 100 С, знак Т опускается. Подшипник принят закрытого типа, имеет большой срок службы. Других особых требования нет. Обозначение подшипника следует дополнить только знаком CI и указать стандарт на типоразмер подшипника:
5-1880094.С1 ГОСТ 10058-75.
1.4. Посадочные места подшипников
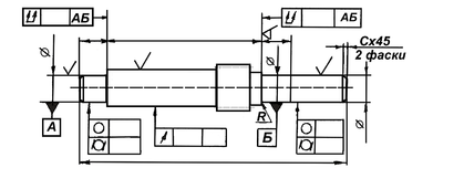
Номинальной формой посадочных мест для установки шарикоподшипников служат цилиндрические поверхности и опорные кольцевые плоскости. Если посадочный цилиндр и опорная плоскость (заплечики) образуются на одной детали, в зоне их пересечения формируется переходной участок в виде галтели (криволинейное сопряжение) или проточки (См рис.1.2). Валы и отверстия со стороны монтажа подшипников должна иметь фаски.
Номинальные размеры. Диаметр посадочного цилиндра вала принимается равным номинальному диаметру отверстия подшипника d, а диаметр отверстия в корпусе - наружному диаметру подшипника D. Высота (длина) посадочных цилиндров
L В-r, (1.13)
где В - ширина кольца подшипника, мм;
r- координата фасок подшипника (см. таблицу 1.5).
Внешний диаметр упорных торцовых поверхностей вала (заплечиков, колец, ступиц и др.) принимается обязательно больше диаметра кромки фасок:
d1>d+4r. (1.14)
Внутренний диаметр торцовых поверхностей отверстия в корпусе или в корпусных деталях (крышек, резьбовых пробок, колец) должен быть меньше диаметра кромки фаски на наружном кольце подшипника:
d2 < D-5r (1.15)
Наибольший радиус галтели (r1, r2),мм:
| r | 0,1 | 0,15 | 0,2 | 0,3 | 0,4 | 0,5 | 1,0 |
| r1, r2 | 0,05 | 0,1 | 0,1 | 0,2 | 0,2 | 0,3 | 0,6 |
Ширина проточек (рисунок 1.2): S = 0,8 мм, глубина h = 0,3 мм.
Размер фаски:
cx45 при c = r. (1.17)
Допуски размеров. Предельные отклонения размеров принятых подшипников определяют по таблицам ГОСТ 520-89. Необходимый характер сопряжения колец подшипников и посадочных цилиндров достигается выбором полей допусков вала и отверстия в корпусе из числа рекомендованных ГОСТ 3325-77. Сочетания полей допусков отверстия (KB) и наружного диаметра (h8) подшипника c полями допусков посадочных цилиндров вала и отверстия в корпусе образуют посадки с натягом, с зазором или переходные. Методика выбора посадок регламентирована ГОСТ 3325-77. Применительно к шарикоподшипникам опор механизмов приборов для выбора полей допусков и посадок можно воспользоваться таблицей 1.15 настоящих указаний.
При ударных и вибрационных нагрузках поля выбираются по нормам тяжёлого режима работы независимо от расчётной долговечности.
Подшипники точных механизмов (счетно-решающих, функциональных преобразователей и др.) устанавливаются с жестко ограниченными значениями посадочных зазоров и натягов, определяемых расчетом или экспериментально. Если предельные значения зазоров и (или) натягов выходят за границы допускаемых, в технических требованиях сборочных чертежей опытного производства записывают:
"Подшипники поз.__ осей I и III установить на вал с натягом 0,004…0,008 мм подбором подшипников по разности средних диаметров цапфы вала и отверстия подшипника в пределах 0,005…0,007 мм. Доработка цапф вала не допускается. Наружные кольца подшипников в отверстия стаканов поз. ___ установить с номинально нулевым зазором при отклонениях 0,002 мм доработкой посадочной поверхности стаканов
(Ra 0,32)".
На длину L посадочной поверхности в общих случаях устанавливают допуски 12…14 квалитетов.
Предельные отклонения радиусов галтелей и фасок назначаются в соответствии ГОСТ 25670-83.
Таблица 1.15 – Выбор посадок.
| Характер радиальной нагрузки | Вращающее-ся кольцо | Вид нагружения колец | Пример узла | |
| внутреннего | наружного | |||
| Постоянная по направлению Fr. | Внутреннее | Циркуляционное | Местное | Уравновешенные узлы зубчатых, фрикционных и кулачковых механизмов |
| Наружное | Местное | Циркуляционное | ||
| Постоянная по направлению Fr и вращающаяся Ри < Fr | Внутреннее | Циркуляционное | Колебательное | То же, но не уравновешенные, низкие скорости вращения |
| Наружное | Колебательное | Циркуляционное | ||
| То же, но Ри > Fr | Внутреннее | Местное | Циркуляционное | То же, но при вы-соких скоростях вращения |
| Наружное | Циркуляционное | Местное | ||
2.Выбор полей допусков вала и отверстия в корпусе
А. Поля допусков стальных валов
| Вид нагружения | Режимработы | Примеры узлов | Подшипник | |||||||
| Тип и размер | Класс точности | |||||||||
| 0;6 | 5;4 | 2 | ||||||||
| Циркуляцион-ное или колеба-тельное нагру-жение внутрен-него кольца подшипника | Лёгкий или нор-мальныйP<0,15C | Редукторы самописцев, реле времени, электроприводы и другие при Lh5000 ч | Радиальный d18 mm | h6 | h5 | h4 | ||||
| Радиальный и радиаль-но–упорный d<100 мм | js6 | js5 | js4 | |||||||
| Нормальный или тяжёлый при:0,07 C
| Приводы РЛС, электроприводы исполнительные и др. при: Lh<5000 ч | Радиальный d18 mm | k6 | js5 | js4 | |||||
| Радиальный и радиаль-но–упорный d<100 мм | k6 | k6 | k4 | |||||||
| Местное нагру-жение внутрен-него кольца; вращается нару-жное кольцо подшипника | Лёгкий или нормальный P<0,07Сr | Блоки колес,6apaбаны двухопорные, сателлиты, внутреннее кольцо подвижное | Все размеры радиаль-ных и радиально – упор-ных подшипников | g6 | h5 | h4 | ||||
| Нормальный или тяжёлый P>0,07Cr | То же, но когда внутреннее кольцо не должно вращаться | h6 | h5 | h4 | ||||||
| Чисто осевые нагрузки при всех режимах работы | Вертикальне валы лимбов, осевых кулачков, маховиков и др. | js6 | js5 | js4 | ||||||
| Б. Поля допусков отверстий корпусных элементов из стали, чугуна, титановых или медных сплавов* | ||||||||||
| Вид нагружения | Режим работы | Примеры узлов | Схема замыкания | Класс точности подшипника | ||||||
| 0;6 | 5;4 | 2 | ||||||||
| Местное или колебательное нагружение на-ружного кольца | Лёгкий или нормальный P<0,15Сr | Редукторы самописцев, реле времени, электроприводы и другие при Lh5000 ч | Сх.1 | Н7 | Н6 | Н5 | ||||
| Сх.2 | Js7 | Js6 | Js5 | |||||||
| Нормальный или тяжёлый 0,07C
| Приводы РЛС, электроприводы исполни-тельные и др. при: Lh<5000 ч | Сх.1 | Js7 | Js6 | Js5 | |||||
| Сх.2 | К6 | К5 | К4 | |||||||
| Циркуляционное или колебатель-ное нагружение внутреннего коль-ца подшипника; вращается наруж-ное кольцо или оба | Лёгкий или нормальный P < 0,15 Сr | Блоки колес, 6apaбаны двухопорные, сателлиты, маховики Lh5000 ч | Сх.1 | |||||||
| Сх.2 | ||||||||||
| Нормальный или тяжёлый 0,07 C
| То же при Lh<5000 ч | |||||||||
Допуски формы, допуски расположения и шероховатость посадочных поверхностей должны соответствовать значениям, приведенным: в таблице 1.16
Примеры нанесения допусков, объязателыю указываемых на чертежах или оговариваемых общем записью в технических требованиях, показаны на рис.1.2.
Рисунок 1. 2
Таблица 1.16 - Допуски формы, допуски расположения поверхностей и посадочных поверхностей для установки шарико-подшипников
| Параметры | Обозначение на чертежах | Допуски и отклонения, мкм, не более, для класса точности подшипника мкм, | |||||
| Р0 | Р6 | Р5 | Р4 | Р2 | |||
| Допуск цилиндричности вала или отверстия корпуса |
| IT/4 | IT/8 | ||||
| Допуск круглости вала или отверстия корпуса |
| ||||||
| Допуск соосности отверстия корпуса относительно общей оси | | 1,5В* | 0,5В* | ||||
| Допуск полного торцового бие-ния заплечиков вала d50 мм | | 10 | 7 | 4 | 1.6 | 1.2 | |
| Допуск полного торцового бие-ния заплечиков отверстия (D80 мм) | 25 | 16 | 10 | 4 | 2.5 | ||
| Шероховатость поверхности валов, Ra не более |
| 1,25 | 0,63 | 0,32 | 0,16 | ||
| Шероховатость поверхности отверстий корпуса, Rа не более |
| 1,25 | 0.63 | 0,32 | |||
| Шероховатость поверхности заплечиков вала и отверстия, не более | | 2,5 | 1,25 | 0,63 | |||
Примечание. После вычислений допуски округлить до меньших ближайших значений по ГОСТ 24643-81.
Обозначения: IТ- допуск на диаметр отверстия или вала по ГОСТ 25347-82, мкм; В- ширина колец подшипника, мм (см. таблицу 1.5);
d, D - диаметр цапфы (шипа) вала и отверстия в корпусной детали, соответст-венно.
Твердость посадочных поверхностей. Стальные валы и оси механизмов приборов подвергаются термохимической обработке, обеспечивающей, прежде всего, необходимые физико-механические характеристики вала как несущего элемента конструкции. Посадочные поверхности валов дополнительной обработке и покрытиям подвергаются только в особых случаях. Как правило, принятые для валов требования к твердости поверхности удовлетворяют и требованиям к твердости поверхностей для установки подшипников качения:
сталь 45 - улучшение: НRС 26...32; закалка:HRC 36...42;
сталь 20Х - закалка, цементация: HRC 52...56;
сталь 40Х - закалка, отпуск до HRC 40...46;
сталь I2XH3A - закалка, отпуск до 36...40 единиц
сталь 38ХМЮА - нормализация: HRC 32...36; или закалка, азитирова-
ние: HRC 56...62;
сталь 25XI3H2 - закалка, отпуск до HRC 38...42.
1.5 Осевое смещение валов.
Функциональная работоспособность узла “вал-опоры” во многом зависит от степени ограничения осевых смещений вала в подшипниках.
Ориентировочный осевой зазор Gao выбирают в рекомендуемых для заданных условий пределах (см. таблицу 1.8), учитывая особенности нагрузочного и кинематического режима: чем больше частота вращения и осевые нагрузки, чем выше требования к кинематической точности, тем меньше должен быть осевой зазор и больше натяг.
В технических требованиях сборочных чертежей осевые смещения вала оговаривают предельными значениями сборочного зазора (натяга), мм:
Gao min… Gaomax,
с указанием способа его обеспечения и контроля (примеры записей см. разд. 1.2). При этом
Gaomin= Gao- kiTG, (1.27)
Gaomax= Gao- ksTG, (1.28)
где Gao – по таблице 1.3; TG – допуск сборочного зазора, мм по таблице 1.3;
ki TG; ksTG – нижнее и верхнее предельные отклонения осевого зазора от номинального Gao, мм, nри условии, что ki+ks=1.
Если коэффициенты теплового расширении (КТР) материалов вала и корпуса одинаковы или близки по значениям, а разность температур вала и корпуса не превышает 20 С, принимают ki=ks=0,5. В общем случае их выбирают так, чтобы выполнялись условия:
где Gamin, Gamax - наименьший и наибольший действительные осевые зазоры в подшипниках, мм,
Gamin, Gamax - наименьший и наибольший допускаемые осевые зазоры, мм (см. таблицу 1.З)
,
- абсолютные значения наибольших изменений осевого зазора за счет тепловых вариаций размеров вала и корпуса, уменьшающих |←| и увеличивающих |→| исходный осевой зазор, вычисляемые для двух наиболее неблагоприятных режимов по уравнению:
где d1, d2, D1, D2 - внутренние и наружные посадочные диаметры подшипников 1 и 2, мм;
α1, α2 - углы контакта в подшипниках (см. таблицу 1.5); для подшипников типа 0ооо принять α = 8°;
α tk, αtв – КТР материалов корпуса и вала, °С-1;
tk, tв – заданные предельные значения температуры корпуса и вала, °С, при наиболее неблагоприятных режимах работы;
l0 – расстояние между плоскостями качения замыкающих вал подшипников, мм; верхние знаки использовать при замыкании вала по схеме 1, нижние – по схеме 2 (см. таблицу 1.2).
Если точных данных о тепловых режимах узла нет, уменьшающее
вычисляют для режима пуска при tk=tв= tmin - для схемы замыкания 1, или полагая tk=tв=tmax при замыкании по схеме 2. Увеличивающее
- вычислять для режима пуска при tk=tв=tmin - для замыкания по схеме 2, или, приняв tk=tв= tmax- при замыкании по схеме 1.
(tmin, tmax – заданные предельные значения температуры эксплуатации).
0>0>0>100>100>5000>5000>5000>
















