109165 (707905)
Текст из файла
Оглавление.
Оглавление. 1
Рисунки. 1
Команды общего редактирования. 2
Настройка программы 6
Простейший шаблон 7
Использовать шаблон 7
Использование волшебника. Выбор мастера. 7
Настройка размерных параметров. 9
Настройка размерных стилей. 12
Диаметр и радиус окружности. 13
Простановка размеров фаски. 13
Редактирование размеров. 13
1. Изменить размерные параметры 13
2. Изменить размерный текст. 14
3. Изменить положение размера. Перенести точку его простановки. Место размерного числа. 14
Текст. 14
Редактирование текста. 15
Рисунки.
Рисунок 1. Использование функции Copy 2
Рисунок 2. Использование функции Mirror 3
Рисунок 3. Использование функции Trim 4
Рисунок 4. Использование функции Chamfer 4
Рисунок 5. Использование функции Lengthen 5
Рисунок 6. Ярлык AutoCAD 2002 6
Рисунок 7. Окно сохранения изменений 7
Рисунок 8. Окно стиля размерности 9
Рисунок 9. Изменение размерных стилей 10
Рисунок 10. Новый размерный стиль. 11
Рисунок 11. Отношение вычерчиваемого размера к действительному 11
Рисунок 12. Простановка линейных размеров. 12
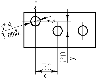
Рисунок 13. Пример простановки диаметров. 13
Рисунок 14. Пример простановки размеров. 13
Рисунок 15. Окно стиля текста. 14
Команды общего редактирования.
Кнопка ERASE
Команды стереть – стирает с экрана выбранные объекты и удаляет их из рисунка.
Можно использовать «ручки».
-
выделить «ручками» объект или мышью, и нажать на клавишу Delete.
К
нопка команды копировать (COPY).
-
выделить объект для копирования.
-
указать базовую точку или перемещение, или несколько на объекте.
-
вторую точку перемещения или считать перемещением первую точку.
В результате образуется копия выбранных объектов, которая смещена относительно оригинала на заданный вектор.
4. если вместо указания 2ой точки перемещения нажать на Enter, то координаты введенной первой точки становятся координатами перемещения. Этот вариант используется, когда сдвиг объекта заранее известен.
Н
апример: 2ая окружность копируется по координатам x, y (50, -20)
Рисунок 1. Использование функции Copy
На запрос первой точки: 50, -20, на запрос второй точки нажать Enter.
Опция Несколько (Multiple) выполняет многократное копирование выбранных объектов (векторы копирования имеют одну и ту же первую точку, но различные вторые точки).
Копка команды Зеркало (Mirror) – позволяет отображать симметричные элементы относительно оси.
Рисунок 2. Использование функции Mirror
-
выделит объекты отображения (секущей рамкой или левой кнопкой мыши), и нажать Enter
-
указать первую точку на оси отражения (использовать привязку) левой кнопкой мыши
-
указать вторую точку на оси отражения левой кнопкой мыши.
-
нажать клавишу Enter или правую кнопку мыши (это соответствует ответу «Да»- не удалять объекты оригинала)
Кнопка команды Перенести (MOVE) – позволяет переместить выбранные объекты параллельно вектору, заданному двумя точками.
-
выделить объект параллельно вектору, заданному двумя точками
-
на запрос указать первую точку (базовую точку)
-
на запрос задать вторую точку или считать перемещением 1ую точку
Если нажать на клавишу Enter, то координаты 1ой точки будут рассматриваться как координаты перемещения.
-
переместить объект в нужное место на чертеже (отключив ORTO)
-
левая кнопка мыши
-
выделить секущей рамкой объект (левой кнопкой мыши); объект выделится пунктирной линией
-
указать базовую точку на объекте (с привязкой) левой кнопкой мыши, нажать Enter
-
п
одвести курсор мыши к базовой точке и переместить объект в нужное положение и нажать левую кнопку мыши
-
Кнопка команды Повернуть (ROTATE) – дает возможность повернуть выбранные объекты относительно базовой точки на заданный угол.
Текущие установки отсчета углов в ПСК:
ANGDIR = против часовой стрелки
-
запрос после выбора объектов: указать базовую точку.
-
угол поворота или опорный угол – указать вводом с клавиатуры или с помощью мыши
Вместо ввода угла можно указать угол поворота с помощью опции Опорный угол (REFERENTECE)
Например: повернуть на такой угол, чтобы надпись стала горизонтальной
-
нажать кнопку левой кнопкой мыши
-
выбрать объект и нажать Enter
-
указать базовую точку (например, точку 1)
-
на запрос: Угол поворота или Опорный угол выбрать опцию Опорный угол [R]
-
опорный угол : выбрать точку 1 и в ответ на запрос: Вторая точка
-
указать вторую точку
-
Новый угол (New Angle) с клавиатуры: 0
Результат : размер повернут до горизонтального положения.
Кнопка команды Разорвать (BREAK) – например, нужно разомкнуть линию, чтобы потом ее удалить.
-
указать объект (это будет первая точка разрыва)
-
указать вторую точку разрыва или, при нажатии клавиши Enter, ею станет первая точка.
К
нопка команды Обрезать (TRIM)
Например :
Рисунок 3. Использование функции Trim
-
текущие установки: проекция = ПСК Кромки = Без продолжения
-
выберите режущие кромки (удаляя часть окружности, выберете и нажмите Enter)
-
выбрать обрезаемый объект или Проекция/Кромка/Отменить – выбирает объект, который нужно обрезать – это часть дуги окружности
Затем повторяем операцию Удалить для оставшихся линий от паза
-
указать режущие кромки – это будет окружность
-
указать обрезаемую часть линий
Кнопка команды Фаски (CHAMFER) – если действующие параметры фаски (снять по 10 мм с каждого) вас устраивают, то можно прямо перейти к указанию первого отрезка. Если нет, то устанавливаем свои параметры длин фаски (5х5)
Например:
Рисунок 4. Использование функции Chamfer
-
нажать на кнопку
-
в командной строке: нажать клавишу d (Длина/DISTANCE), нажимаем на клавишу Enter.
-
запрос: первая длина фаски : 5 (ввести число 5)
-
запрос: вторая длина фаски : (здесь можно нажать Enter)
-
команда заканчивает на этом работу. Нужно вызвать ее еще раз
- которая повторяет последнюю команду -
в ответ на запрос: выберите первый отрезок или полИния/Длина/Угол/Обрезка/Метод, отметить первый отрезок
-
выбрать левой кнопкой мыши второй отрезок
К
нопка команды Сопряжение(FILLET)
-
левой кнопкой мыши нажать кнопку
-
текущие настройки: режим = С ОБРЕЗКОЙ, радиус сопряжения = 10.000
-
в командной строке: r – Enter
-
: указать свой R сопряжения: например 4.5
-
- Enter
-
Enter:
-
в командной строке: укажите первую линию левой кнопкой мыши
-
в командной строке: укажите вторую линию левой кнопкой мыши
К
нопка команды Увеличить(LENGTHEN)
-
первый запрос команды: выберите ответ Дельта/проЦент/Всего/
Например: _Delta (число удлинения)
_Dynamic (величина удлинения указывается динамически мышкой)
Например: удлинить линию вправо на 10 мм
Рисунок 5. Использование функции Lengthen
-
выбрать объект
-
в командной строке: DElta, и нажать Enter
-
приращение длины или Угол =
+10 – в случае увеличения отрезка
-10 – в случае уменьшения отрезка
4. выбрать объект для измерения – левой кнопкой мыши указать на прямой ближе к тому компоненту, который нужно удлинить, и нажать Enter
Кнопка команды Масштаб(SCALE)
Пример:
-
указать базовую точку
-
масштабим опорный отрезок
Для увеличения объектов нужно ввести число большее 1 2; 2,5; 4; 5 (масштаб 2:1, 2:2,5; 4:1, 5:1).
Д
ля уменьшения меньше 1 ½(0.5); ¼(0.25); (0.2) (масштабы 1:2; 1:4; 1:5)
При увеличении объекта или его уменьшении нужно учитывать масштаб при простановке размеров. Если масштаб был применен до простановки размеров, нужно настроить стиль размеров с учетом масштабного коэффициента размерного числа. Если этого не сделано, то размерное число также увеличится или уменьшится (что будет ошибкой).
Настройка программы
Запускаем программу ярлык пакета: AutoCAD активизируем его происходит загрузка пакета (нажать левой кнопкой мыши два раза) и появится диалоговое окно Начало работы.
Необходимо подвести указатель мыши на кнопку с одним из вариантов работы, изображенных в верхней части окна:
Рисунок 6. Ярлык AutoCAD 2002
открыть рисунок
, простейший шаблон
, по шаблону и вызов мастера, а затем нажать левой кнопкой мыши по кнопке.
Чертежи системы AutoCAD хранятся в файлах с расширением dwg. Имена файлов могут содержать русские и латинские буквы, цифры, специальные знаки (@, #, $, &, -), а так же пробелы. Остальные символы, как правило, не допускаются, т. к. являются служебными и могут быть неправильно интерпретированы операционной системой Windows.
Для удобства работы желательно пользовательские чертежи хранить в отдельных папках и ни в ком случае не записывать в основные и вспомогательные папки AutoCAD, иначе такие файлы будут засорять программное обеспечение, а так же могут быть утеряны при смене версии.
Операции над файлами собраны в падающем меню Файл:
| Новый (New) | Пункт Новый – открывает в рабочей области новый рисунок по простейшему шаблону или по специальному шаблону согласно нашему выбору идентично окну Начало работы. |
| Открыть (Open) | Пункт Открыть – вызывает диалоговое окно Выбор файла. В этом пункте нужно найти папку и левой кнопкой мыши выбрать имя открываемого файла с расширением dwg. Просмотреть в области Предварительный просмотр отмеченный рисунок, после чего нажать кнопку Открыть. |
| Частичная загрузка | При необходимости можно открыть поочерёдно сразу несколько рисунков, причем любые из них могут быть открыты не полностью (частичная загрузка рисунка). |
| Закрыть (Close) | Любой из открытых рисунков может быть закрыт с помощью пункта Закрыть. AutoCAD анализирует, сохранены ли изменения рисунке, и если нет, то задает вопрос Сохранить изменения в _имя файла_(Save changes to …). Рисунок 7. Окно сохранения изменений Необходимо с помощью мыши щелкнуть по кнопке Да, если изменение нужно сохранить, или Нет, если изменения не нужны. |
| Сохранить (Save) | Пункт Сохранить позволяет сохранять изменения открытого рисунка в файле с тем же именем. |
| Сохранить как…(Save as…) | Пункт Сохранить как…- это запись в другой файл. Откроется окно, в котором нужно для сохранения выбрать папку и ввести имя файла (расширение dwg не указывается, оно будет добавлено автоматически). В данном окне есть также возможность с помощью поля Тип файла сохранения рисунка в одном из дополнительных форматов, которые понимает AutoCAD 2000(2002). При создании новых рисунков AutoCAD дает им условные имена: Drawing1, Drawing2,… Пользователь может дать им свои имена (Вал, штуцер, корпус и т. д.). |
| Экспорт (Export) | |
| Печать (Print) | |
| Утилиты (Utilities) | |
| Очистить (Clear) | |
| Выход (Exit) | Для выхода из сеанса редактирования воспользуемся пунктом Выход |
| Свойства рисунка | Как и Microsoft Office, AutoCAD дает возможность сохранить вместе с рисунком некоторую авторскую информацию. Для этого выбрать пункт Свойства рисунка, который открывает одноименное диалоговое окно. В этом окне имеются кнопки 4х вкладок, которые выбираются щелчком левой кнопки мыши. Вкладки Общие и Статистика содержат данные, заносимые системой AutoCAD, а вкладки Документы и Прочие заполняются непосредственно автором чертежа. Все эти данные охраняются вместе с чертежом. |
Простейший шаблон
Выбираем единицы измерения Метрические, и нажимаем по кнопке Ok
Использовать шаблон
Этот вид шаблона используется после того, как выполнен чертеж, используя вкладку Модель, и при выводе его на печать нужно переключаться в пространство листа.
Этот вид шаблона используется для технических чертежей, которые будут выводится на печать. Чертеж деталей выполняется в пространстве модели, а затем выбрав нужной шаблон (например Формат A4_ЕСКД.dwt), используя вертикальную линейку прокрутки, затем нажать Ok, перейти в пространство листа Layout1.
Использование волшебника. Выбор мастера.
В этом окне возможен выбор из 2-х режимов:
-
быстрая подготовка (с формой 210х297)
-
детальная подготовка
В режиме Быстрой подготовки будут запрошены только тип линейных единиц и размеры зоны рисования.
Характеристики
Тип файла документ
Документы такого типа открываются такими программами, как Microsoft Office Word на компьютерах Windows, Apple Pages на компьютерах Mac, Open Office - бесплатная альтернатива на различных платформах, в том числе Linux. Наиболее простым и современным решением будут Google документы, так как открываются онлайн без скачивания прямо в браузере на любой платформе. Существуют российские качественные аналоги, например от Яндекса.
Будьте внимательны на мобильных устройствах, так как там используются упрощённый функционал даже в официальном приложении от Microsoft, поэтому для просмотра скачивайте PDF-версию. А если нужно редактировать файл, то используйте оригинальный файл.
Файлы такого типа обычно разбиты на страницы, а текст может быть форматированным (жирный, курсив, выбор шрифта, таблицы и т.п.), а также в него можно добавлять изображения. Формат идеально подходит для рефератов, докладов и РПЗ курсовых проектов, которые необходимо распечатать. Кстати перед печатью также сохраняйте файл в PDF, так как принтер может начудить со шрифтами.
















