6673-1 (707080)
Текст из файла
Новый адаптивный фрикционный вариатор для бесступенчатой трансмиссии автомобиля
Нурбей Гулиа, Сергей Юрков
В настоящее время перспективность использования вариаторов для бесступенчатой автоматической трансмиссии автомобиля не вызывает сомнений. Особенно большой экономический и экологический эффект ожидается от применения гибридных силовых агрегатов, где двигатель работает только на оптимальном режиме, а выработанная энергия, запасаемая в накопителе, расходуется на движение автомобиля. Наиболее подходящие к использованию на автомобиле накопители механической энергии – супермаховики, требуют именно механической бесступенчатой трансмиссии, то есть вариаторов. Вариаторный привод эффективен и тогда, когда источником первичной энергии на автомобиле являются аккумуляторы или топливные элементы.
Существующие трансмиссии автомобилей на основе фрикционных вариаторов автоматические, но эта автоматичность осуществляется при помощи соответствующих датчиков, электронных блоков управления и сервоприводов изменения передаточного отношения с соответствующими электро- или гидродвигателями и редукторами. Напомним, что большинство вариаторов для автомобильных трансмиссий имеют даже механизм нажима фрикционных тел, снабженный сервоприводом. В результате сервосистемы вариаторного привода автомобилей по объему, массе и стоимости соизмеримы с его силовой частью.
Отличительной особенностью нового вариатора, делающей трансмиссию с таким вариатором автоматической, является его адаптивность к нагрузке, причем регулируемая. Адаптивность является «врожденным» или органически присущим свойством конструкции нового вариатора, как это имеет место, например, в гидротрансформаторах, где при увеличении нагрузки (момента сопротивления) на выходном валу, частота вращения этого вала снижается. Но в каждом конкретном случае эта «мягкая» характеристика зависимости момента от частоты вращения определенная и конкретная. В новом же вариаторе «мягкость» по желанию оператора может изменяться. Используя пример с гидротрансформатором можно отметить, что имеются уникальные конструкции гидротрансформаторов с переменным объемом рабочей жидкости («заливные»). При малом объеме рабочей жидкости такой гидротрансформатор резко снижает частоту вращения турбинного колеса (выходного вала) при увеличении нагрузки на него; при заполнении полости жидкостью рабочая характеристика гидротрансформатора становится все более жесткой, достигая максимума при полном заполнении. При этом частота вращения входного вала (насосного колеса) подразумевается конкретной постоянной.
Вот такую характеристику «переменной жесткости» имеет новый вариатор с регулируемой адаптивностью. С той разницей, конечно, что диапазон варьирования передаточного отношения здесь не менее восьми, а КПД всей бесступенчатой коробки передач с таким вариатором от примерно 0,8 при трогании с места до 0,95...0,96 при наиболее нужном для автомобиля минимальном передаточном отношении, что значительно больше, чем у коробки передач с гидротрансформатором (ГМП). Коробка передач с новым вариатором, кроме того, значительно меньше существующих ГМП и легче их, не требует переключения ступеней, да и не содержит их вообще; момент при движении вперед не проходит никаких зубчатых передач, что существенно улучшает акустические показатели такой коробки передач.
Такие свойства нового вариатора достигаются особенностями его конструкции, отраженными в патентах России №2140028 от 26.05.98 г. «Многодисковый планетарный вариатор» и №2138710 от 16.06.98 г. «Автоматическая бесступенчатая передача» и заявке на международный патент РСТ/RU99/00162 (автор – Н.В. Гулиа).
Принципиальная схема автоматической бесступенчатой коробки передач автомобиля на основе нового адаптивного вариатора представлена на рис. 1. На этой схеме вариатор включает всего два ряда центральных фрикционных дисков – внешних 10 и внутренних 5 с зажатыми между ними сателлитами 7 при помощи тарельчатых (или просто плоских дисковых) пружин 4 и 9, соответственно. Однако по схеме понятно, что этих рядов может быть сколь угодно много, сколько выдержат по прочностным и жесткостным показателям оси сателлитов 11, и их подшипники 6. Не исключаются и промежуточные поддерживающие опоры на осях 11, преимущественно при числе рядов выше четырех. Число сателлитов в одном ряде преимущественно шесть, хотя для мощных устройств с малым диапазоном варьирования их может быть до 12. Подшипники 6 осей 11 находятся на одном конце поворотных рычагов 21, на других концах которых размещены противовесы 12, одна группа которых снабжена роликами 13, находящимися в фасонных прорезях 22 диска 14, связанного с выходным валом 19.
Рис. 1. Схема автоматической бесступенчатой коробки передач автомобиля на основе нового планетарного дискового адаптивного вариатора: 1 – ось поворотных рычагов; 2 – пакет пластин; 3 – водило; 4 – тарельчатая пружина; 5 – внутренний центральный фрикционный диск; 6 – подшипники сателлитов; 7 – сателлит; 8 – фрикционы; 9 – плоская дисковая пружина; 10 – внешний центральный фрикционный диск; 11 – ось сателлитов; 12 – противовес; 13 – ролик; 14 – прорезной диск; 15 – рычаг; 16 – пружина; 17 – рычажный механизм; 18 – каретка; 19 – выходной вал; 20 – эпицикл; 21 – поворотный рычаг; 22 – фасонная прорезь прорезного диска; ЖСМ – жидкий смазочный материал.
Поворотные рычаги 21 сидят на осях 1, закрепленных в водиле 3. Ролики 13 отжимаются на периферию пружинами 16, усилие которых может изменяться принудительно с помощью рычажного механизма 17, воздействие на который осуществляется рычагом 15 через систему выжимных подшипников. Рычаг может передвигаться как вручную, так и с помощью усилителей, имеющих упругую характеристику (например, пневмокамер, управляемых от пневмосистемы автомобиля). Следует отметить, что вариатор является прогрессивным и без механизма изменения усилия пружин. Но тогда он будет иметь всего одну «мягкую» рабочую характеристику, например, как у гидротрансформатора или электродвигателя постоянного тока с последовательным возбуждением. Описанный механизм изменения усилия пружин (как в сторону его уменьшения, так и увеличения) изменяет лишь степень «мягкости» характеристики вариатора, позволяя работать на любом режиме, что особенно важно для автомобильной автоматической трансмиссии. В таком случае рычаг 15 будет связан с педалью управления скоростью автомобиля, с дополнительным усилителем или без него.
Крутящий момент от маховика двигателя к первичному валу коробки передач передается через пакет круглых стальных пластин 2, при этом функции сцепления выполняют фрикционы 8. При зажатии правого пакета фрикционов тормозится эпицикл 20, что в совокупности с перемещением каретки 18, связанной телескопически с выходным валом 19, влево позволяет получить передачи переднего хода. Для получения передач заднего хода зажимается левый пакет фрикционов, при этом тормозится водило 3. Эпицикл 20 вращается в сторону, противоположную вращению первичного вала и соединяется с выходным валом перемещением каретки 18 вправо. Нейтрали соответствует промежуточное или центральное положение каретки 18.
При изменении крутящего момента на выходном валу 19, ролик 13, находящийся до этого в прорези 22 в уравновешенном состоянии, под действием усилий пружин 4, 9, 16, тангенциальных усилий рабочего момента и других усилий в механизме вариатора, изменяет свое положение в прорези, меняя при этом передаточное отношение. Нажимные пружины 4 и 9 при этом упруго деформируются за счет расклинивающего действия сателлитов, что при вращении фрикционных дисков связано с ничтожным сопротивлением трению, и имея специально подобранные характеристики «сила-деформация», обеспечивают оптимальный по КПД нажим фрикционных дисков, с запасом β = 1,25...1,5. Прорезь 22 может быть выполнена и такого профиля, когда она лишь уменьшает или полностью устраняет усилие перевода ролика 13 при изменении передаточного отношения. Таким образом, свойство прогрессивности является как бы «врожденным» свойством, присущим конструкции вариатора, и достигается лишь подбором формы прорези 22 и жесткости пружины 16.
Следует отметить также оптимизированный автоматический прижим фрикционных дисков, зависящий от передаточного отношения вариатора. Это позволяет учитывать изменяющийся коэффициент упругогидродинамического (УГД) трения во фрикционных контактах, также зависящий от передаточного отношения вариатора. Такой способ прижима фрикционных элементов вариатора, являясь наиболее простым из известных, позволяет оптимизировать его по КПД применительно к современной автоматической системе управления скоростью автомобиля. Система эта разработана в МГТУ «МАМИ» под руководством проф. В.В. Селифонова, и суть ее кратко выражается в том, что основную часть работы автомобиля управление скоростью машины ведется при наиболее экономичной (практически полной) подаче топлива в двигатель только за счет изменения передаточного отношения вариатора. Позволим себе доступно пояснить суть этого способа на примере автомобиля с обычной ступенчатой коробкой передач. Допустим, что наибольшая скорость автомобиля, соответствующая максимальной мощности двигателя, достигается на прямой передаче в коробке передач, то есть когда на главную передачу поступает частота вращения двигателя. Если мы включаем так называемые «повышающие» или правильнее «экономические» передачи, допустим 0,9, 0,8, 0,7 и т.д., то скорость движения автомобиля, как известно, снижается, а экономичность – повышается. Частота вращения коленчатого вала двигателя при этом также снижается. Разумеется, с некоторыми нюансами в системе подачи топлива, особенно эффективными для дизелей и двигателей с непосредственным впрыском, экономичность автомобиля (снижение путевого расхода топлива) будет повышаться вплоть до достижения неустойчивых частот вращения коленчатого вала. Таким образом, управление скоростью ведется, с первого взгляда, парадоксальным образом – для снижения скорости включаются все более «высшие» передачи (то есть передаточное отношение снижается), а для повышения скорости передаточное отношение повышается.
Расчет показывает, что для легковых автомобилей, такой «экономичный» способ регулирования скорости может применяться начиная с 50...70 км/ч, для грузовых – с 20...30 км/ч, а для городских автобусов – с 10...15 км/ч. До этих скоростей придется работать на частичных режимах подачи топлива и при «обычном» соответствии скорости и передачи в коробке. Следовало бы отметить, что и сейчас на обычных автомобилях со ступенчатыми коробками передач мы делаем практически то же самое – трогаясь с места и достигая максимума скорости мы снижаем передаточное число в коробке передач, но и даже, включая «овердрайв», мы продолжаем снижать передаточное число, но уменьшая при этом скорость автомобиля. При этом, если сравнить, допустим, движение на скорости 100 км/ч по шоссе на легковом автомобиле с мощным двигателем, в первом случае достигаемую уменьшением подачи топлива, а во втором – включением соответствующего «овердрайва», то есть экономической передачи, то путевой расход во втором случае может уменьшиться почти на треть. Но ввиду того, что этих «экономических» передач обычно немного, мы, к сожалению, в большинстве случаев так скоростью автомобиля не управляем. А вариатор предоставляет нам бесчисленное множество этих «экономических» передач!
Так вот, возвращаясь к оптимизированному нажиму фрикционных тел нового вариатора, зависящему от его передаточного отношения, отметим, что для практически постоянного момента двигателя при такой системе управления скоростью этот способ нажима подходит идеально. Ввиду того, что наибольшие колебания коэффициента запаса по сцеплению β в 1,5...2 раза практически не отражаются на КПД вариатора, колебания момента двигателя при полной подаче топлива, но различных частотах вращения, также не отразятся на упомянутом КПД. На частичных же режимах КПД вариатора может несколько (на 2...3%) уменьшиться из-за повышения β, но это уменьшение будет незаметно из-за сильного уменьшения КПД двигателя на этих режимах. К тому же современный способ регулирования скорости автомобиля с бесступенчатой передачей оставляет работе двигателя на частичных режимах весьма малую роль.
Для подтверждения упомянутых особенностей нового вариатора и определения возможностей изготовления автоматической бесступенчатой коробки передач на его основе для автомобилей ЗИЛ и в первую очередь для автобуса ЗИЛ-3250 на АМО ЗИЛ был изготовлен опытный образец такого вариатора. Для удобства испытаний вариатор был укомплектован асинхронным электродвигателем и нагрузочным устройством на выходном валу вариатора, позволяющими снимать рабочие характеристики вариатора.
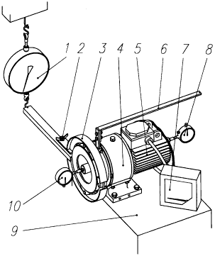
Схема испытаний вариатора представлена на рис. 2. Вариатор 4 вместе с асинхронным электродвигателем 5 и нагрузочным тормозом 3 установлены на станине 9. Регулировка адаптивности вариатора осуществляется рычагом 6. Момент на нагрузочном тормозе 3, регулируемый винтом 2, измерялся динамометром растяжения 1; частота вращения входного вала вариатора (вала электродвигателя) – тахометром 8, а выходного вала вариатора – тахометром 10; ток электромотора (для контроля крутящего момента входа) – амперметром 7. До испытаний вариатора подобным же образом был испытан непосредственно сам электродвигатель, а затем вместе с вариатором без фрикционного касания дисков. По полученным данным строилась тарировочная характеристика электродвигателя – крутящий момент на его валу в зависимости от тока и частоты вращения, а также подобная характеристика с учетом барботажных потерь (смазка вариатора осуществлялась моторным маслом М-8 погружением).
Характеристики
Тип файла документ
Документы такого типа открываются такими программами, как Microsoft Office Word на компьютерах Windows, Apple Pages на компьютерах Mac, Open Office - бесплатная альтернатива на различных платформах, в том числе Linux. Наиболее простым и современным решением будут Google документы, так как открываются онлайн без скачивания прямо в браузере на любой платформе. Существуют российские качественные аналоги, например от Яндекса.
Будьте внимательны на мобильных устройствах, так как там используются упрощённый функционал даже в официальном приложении от Microsoft, поэтому для просмотра скачивайте PDF-версию. А если нужно редактировать файл, то используйте оригинальный файл.
Файлы такого типа обычно разбиты на страницы, а текст может быть форматированным (жирный, курсив, выбор шрифта, таблицы и т.п.), а также в него можно добавлять изображения. Формат идеально подходит для рефератов, докладов и РПЗ курсовых проектов, которые необходимо распечатать. Кстати перед печатью также сохраняйте файл в PDF, так как принтер может начудить со шрифтами.
















