63774 (695444), страница 2
Текст из файла (страница 2)
Зона Б. Является наиболее удобной для доступа к определенной линии. Несанкционированный съем информации в данной зоне может осуществляться как с непосредственным подключением к линии, так и индуктивным способом. Телефонная линия может также использоваться в качестве проводника, по которому передается снимаемая информация.
Подключение к телефонной линии может осуществляться следующими способами:
Непосредственное подключение. Слушать можно, начиная с параллельного телефона, специальной монтерской трубки, записывать на диктофон, магнитофон, в память компьютера. Можно подключать специальные устройства для съема информации с телефонной линии и окружающего объема.
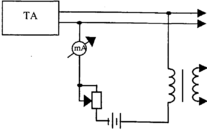
Съем информации с ТЛ при последовательном подключении через согласующее устройство с полной компенсацией изменения напряжения.
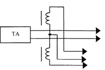
Съем информации с ТЛ при параллельном подключении через согласующее устройство с полной компенсацией изменения напряжения.
Съем телеграфных сообщений факсимильных Без непосредственного подключения к линии. Подключение бесконтактным способом. Подключение с помощью индуктивного датчика, выполненного в виде трансформатора, расположенного вблизи телефонной линии. Но здесь требуется усилитель звуковой частоты с автономным питанием.
Съем индукционным способом Зона В. Здесь уже существует проблема поиска нужной линии. Требуется спецоборудование для вычленения нужной линии.
Зона Г. Поиск необходимой линии в зоне Г не представляет трудности, но АТС является объектом с ограниченным доступом и установить в данной зоне оборудование для съема информации разрешается только по решению Прокурора. Контроль на АТС может осуществляться выборочно и совершенно свободно. Ведомственная АТС также может использоваться для контроля переговоров своих сотрудников. Рынок предлагает специальные многоканальные стационарные устройства записи телефонных переговоров от 1 до 100 каналов одновременно.
Зона Д. Для съема информации в данной зоне требуется дорогостоящее оборудование и высокая квалификация специалистов. Однако перехват возможен, хотя и связки кабелей снабжены защитой. Система "Крот", например, устанавливается на кабель и пишет все до 60 каналов одновременно на диск. Диск сменный. Снабжена "умным" маяком для ее поиска. Система "Камбала" – для съема информации с подводных кабелей. Шестьдесят магнитофонов по 150 часов записи каждый (всего 9000 часов). В 1981 г. в Охотском море русские сняли такое устройство со своего кабеля.
Зона Е. Радиоэфир. Если радиус действия базовой станции сотовой связи составляет 5…15 км, то перехват сигнала с помощью хорошей аппаратуры можно осуществить на расстоянии до 50км. По этим сигналам можно определить местонахождение абонента, снять и записать информацию. Решается задача "ведения" абонента при его передвижении от одной базовой станции к другой. В мобильной и пейджинговой связи местоположение объекта можно определить даже если разговор не ведется.
3) Несанкционированный съем информации с использованием параллельно расположенных проводников.
Съем информации радиосети, сигнализации и заземления может осуществляться как съем наведенной в параллельном проводнике информации при наличии параллельной прокладки телефонной линии и указанных сетей. Схема съема наведенной информации может выглядеть следующим образом:
Между двумя электрическими цепями (элементами, узлами, средствами), находящимися на некотором расстоянии друг от друга, могут возникать нежелательные электромагнитные связи. Наличие таких связей приводит к тому, что сигналы, циркулирующие в одной цепи (цепи источника наводки), появляются в другой электрической цепи (в цепи рецептора наводки). Основными путями возникновения нежелательных связей являются:
-
ближнее электрическое поле;
-
ближнее магнитное поле;
-
электромагнитное поле излучения;
-
соединительные провода, кабели и волноводы, цепи питания, заземления и другие токоведущие элементы и конструкции.
Связь через ближнее электрическое и магнитное поля может рассматриваться как емкостная и индуктивная и смешанная.
Связь через электромагнитное поле. В зону электромагнитных излучений, сопутствующих работе технических средств информационных систем, попадают различные токопроводящие элементы и конструкции, обладающие свойствами антенн (проводники монтажных схем технических средств, токоведущие элементы систем заземления, металлические корпуса аппаратуры, металлоконструкции систем водоснабжения и канализации, провода открытой телефонной или громкоговорящей связи, охранно-пожарной сигнализации, и электропитания и т.д.). Токи опасных сигналов, наводимые электромагнитными полями, сопутствующими работе технических средств, распространяясь по токоведущим коммуникациям, создают реальные предпосылки для утечки информации.
Электромагнитное поле возбуждается в пространстве токами различных радиотехнических устройств (РТУ) или элементов РТУ, не предназначенных для работы в качестве антенны. В зависимости от соотношения между расстоянием r от излучателя до точки приема и длиной волны λ излучаемого поля, пространство вокруг излучателя может быть разделено на три области:
ближняя зона (r << λ);
промежуточная зона (r = λ);
дальняя зона (r >> λ)
Структура и параметры электромагнитных полей, создаваемых токоведущими элементами систем и средств информатизации и связи, определяются их конструктивными особенностями, а также условиями их размещения и эксплуатации. Побочные излучения технических средств обработки информации могут быть в различных участках частотного диапазона.
Телефонные провода и кабели связи так же создают вокруг себя магнитные и электрические поля, образующие каналы утечки информации за счет наводок на другие провода и элементы аппаратуры в ближайшей зоне. Величина наводимой энергии зависит от длины параллельного пробега и расстояния между проводами.
Съем наведенной в параллельном проводнике информации 4) Утечка информации по цепям заземления (преднамеренное соединение объекта с заземляющим устройством).
Защитное заземление, предназначенное для защиты персонала от поражения электрическим током, должно иметь хороший низкоомный контакт с "землей" – наружное заземление.
Рабочее заземление – заземление силового оборудования (сильноточных цепей) и сигнальное или схемное заземление, обеспечивающее формирование опорного потенциала, необходимого для работы электронных схем.
Заземление экранирующих поверхностей (для ослабления нежелательных связей) предназначено для протекания обратных токов в сигнальных цепях и цепях электропитания.
Электромагнитное поле носителя опасного сигнала в местах расположения элементов системы заземления создает в них ток опасного сигнала, попадающий по нулевому проводу в систему заземления и в грунт. Информацию можно снимать как с элементов системы заземления, так и из грунта вокруг заземлителя с помощью дополнительно установленных специальных заземлителей.
5) Утечка информации по цепям питания.
Провода сети питания соединяют различные технические средства и системы, размещенные в различных помещениях, кроме того они являются линейными антеннами, способными излучать или воспринимать электромагнитные поля.
При использовании сети питания как соединяющих проводников чаще всего применяют так называемые сетевые "закладки". К этому типу "закладок" относят устройства, которые встраиваются в приборы, питающиеся от сети 220 В или сетевую арматуру (розетки, удлинители и т.д.). Передающее устройство состоит из микрофона, усилителя и собственно передатчика несущей низкой частоты. Частота несущей обычно используется в диапазоне от 10 до 350 кГц. Передача и прием осуществляется по одной фазе или, если фазы разные то их связывают по высокой частоте через разделительный конденсатор. Приемное устройство может быть изготовлено специально, но иногда применяют доработанные блоки бытовых переговорных устройств. Сетевые передатчики подобного класса легко камуфлируются под различного рода электроприборы, не требуют дополнительного питания от батарей и трудно обнаруживаются при использовании поисковой аппаратуры, широко применяемой в настоящее время.
При использовании сети питания в качестве линейных антенн различают ассиметричные и симметричные наводки.
Ассиметричные наводки имеют место, когда провода сети питания источника и приемника наводки прокладываются вместе и имеют одинаковые емкости относительно источника и приемника наводки. В них наводятся одинаковые по величине и по фазе относительно земли и корпусов приборов напряжения.
Эти виды распространения наводок по сети питания являются ассиметричными или однопроводными, поскольку оба провода сети питания передают сигнал наводки в одном направлении. Обратным проводом является земля.
Симметричное распространение наводки имеет место в случае, когда на проводах сети индуцируются различные напряжения относительно земли. Между проводами образуется высокочастотная разность потенциалов, и по проводам сети проходят токи наводки в разных направлениях. В приемнике наводки индуцируются равные по величине и обратные по знаку напряжения, которые не могут проникнуть в высокочастотную часть приемника и не являются опасными.
Вторичные источники питания совместно с подводящими питание линиями могут создавать условия для утечки информации, циркулирующей в питаемом техническом средстве. Колебание амплитуды информационных сигналов приводит к неравномерности потребления тока в цепи питания оконечных каскадов усилителей ТС, что, в свою очередь, приводит к колебаниям напряжения на внутреннем сопротивлении источника вторичного питания.
ЛИТЕРАТУРА
-
Барсуков В.С. Безопасность: технологии, средства, услуги / В.С. Барсуков. – М., 2001 – 496 с.
-
Ярочкин В.И. Информационная безопасность. Учебник для студентов вузов / 3-е изд. – М.: Академический проект: Трикста, 2005. – 544 с.
-
Барсуков В.С. Современные технологии безопасности / В.С. Барсуков, В.В. Водолазский. – М.: Нолидж, 2000. – 496 с., ил.
-
Зегжда Д.П. Основы безопасности информационных систем / Д.П. Зегжда, А.М. Ивашко. - М.: Горячая линия – Телеком, 2000. - 452 с.
-
Компьютерная преступность и информационная безопасность / А.П. Леонов [и др.] ; под общ. Ред.А.П. Леонова. – Минск: АРИЛ, 2000. – 552 с.
















