63774 (695444)
Текст из файла
БЕЛОРУССКИЙ ГОСУДАРСТВЕННЫЙ УНИВЕРСИТЕТ ИНФОРМАТИКИ И РАДИОЭЛЕКТРОНИКИ
Кафедра РЭС
РЕФЕРАТ
На тему:
"Условия и причины образования технических каналов утечки речевой информации"
МИНСК, 2008
Речевая информация – информация, распространение которой осуществляется посредством звуковых (акустических), вибрационных, электромагнитных сигналов. Люди говорят друг с другом непосредственно и используют для общения средства связи.
Речь характеризуется (полученный речевой сигнал):
-
разборчивостью – отношением числа правильно понятых элементов речи (звуков, слогов, слов) к общему числу принятых элементов;
-
реверберацией звука – эффектом наложения речевых отрезков друг на друга в результате отражения сигнала от поверхностей конструкций;
-
ослаблением звуковых колебаний – при прохождении речевых сигналов через различные среды (бетон, кирпич, стекло, воздух, вода …);
-
п
рисутствием шумов и помех – в месте возникновения речевой информации и по пути ее следования к пункту приема.
Средства разведки
Условиями для образования утечек в среде, окружающей источник речевой информации могут являться наличие в ней:
-
акустических и виброаккустических колебаний;
-
радио-, оптических и электрических сигналов, содержащих сведения, в различных технических средствах обработки и передачи информации;
-
нежелательных электромагнитных излучений систем и средств информатизации и связи;
-
наводок электромагнитных излучений на различные токоведущие цепи и конструкции;
-
специальных воздействий на элементы технических средств;
-
различных закладных устройств;
-
случайных электроаккустических преобразователей в отдельных элементах технических средств.
В окружающей среде возникают виброакустические, гидроакустические, акустоэлектрические, электрические (в телефонной линии) сигналы, электромагнитные сигналы в эфире (разговор по радиотелефону), побочные электромагнитные излучения и наводки. Акустическая энергия, возникающая при разговоре, может вызвать акустические (механические) колебания элементов электронной аппаратуры, что, свою очередь, приводит появлению новых или изменению существующих электромагнитных сигналов.
Утечка информации по аккустическим и виброаккустическим каналам.
Различают прямой аккустический канал - подслушивание (прямой перехват акустических колебаний в диапазоне частот от 16-25Гц до 18…20 КГц) и канал с применением микрофонов, преобразующих акустические колебания в электрические сигналы.
Наиболее простым способом перехвата речевой информации является подслушивание (прямой перехват). Разведываемые акустические сигналы могут непосредственно приниматься ухом человека, реагирующим на изменение звукового давления, возникающего при распространении звуковой волны в окружающем пространстве. Диапазон частот акустических колебаний, слышимых человеком, простирается от 16...25Гцдо 18... 20 кГц в зависимости от индивидуальных особенностей слушателя. Человек воспринимает звук в очень широком диапазоне звуковых давлений. Одной из опорных величин этого диапазона является стандартный порог слышимости. Под ним условились понимать эффективное значение звукового давления, создаваемое гармоническим звуковым колебанием частоты F= 1000 Гц, едва слышимым человеком со средней чувствительностью слуха. Порогу слышимости соответствует звуковое давление Рзв0 = 2-10~5 Па. Верхний предел определяется значением Pзв = 20 Па, при котором наступает болевое ощущение (стандартный порог болевого ощущения).
В случаях, когда уровни звукового давления, создаваемого звуковой волной, ниже порога слышимости, когда нет возможности непосредственно прослушивать речевые сообщения или когда требуется их зафиксировать (записать), используют микрофон.
Микрофон является преобразователем акустических колебаний в электрические сигналы. В зависимости от физического явления, приводящего к такому преобразованию, различают основные типы микрофонов:
- электродинамические;
- электромагнитные;
- электростатические;
- пьезоэлектрические;
- магнитострикционные;
- контактные и т.д.
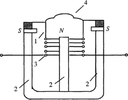
Действие электродинамического преобразователя основано на использовании явления электромагнитной индукции. В кольцевом зазоре 1 магнитной системы, имеющей постоянный магнит 2, находится подвижная катушка 3, соединенная с диафрагмой 4. При воздействии на диафрагму 4 звукового давления, она вместе с подвижной катушкой 3 совершает колебания в магнитном поле, создаваемом магнитной системой 2. В витках катушки 3, пересекающих магнитные силовые линии, возникает напряжение, являющееся выходным сигналом микрофона.
Структурная схема для иллюстрации прямого канала и канала с применением микрофона для перехвата акустической информации выглядит следующим образом:
П
ричины, приводящие к применению прямого канала утечки информации:
Отсутствие или недостатки режима безопасности;
Неадекватный обстановке подбор по функциональным возможностям технических средств защиты.
Некачественное обслуживание технических средств и систем защиты, отказ в работе.
Недостатки в работе с персоналом объекта.
Высокопрофессиональные действия "нарушителя".
Утечка информации по виброаккустическим каналам.
Как известно, виброаккустический канал создается за счет преобразования акустических колебаний в воздушной среде в вибрационные колебания в твердой среде, окружающей данную воздушную среду.
Обобщенная структурная схема виброаккустического канала может быть представлена следующим образом:
У
словия и причины утечки речевой информации в различных средах и в технических средствах обработки и передачи информации.
1) Перехват разговоров по радиотелефонам, сотовой и пейджинговой связи.
Комплекс технических средств электрорадиосвязи на любой территории включает в себя первичную сеть каналов (кабель, волновод, связь через ИСЗ и т.д.) и построенные на его базе вторичные сети, предназначенные для удовлетворения потребностей в передаче любых сообщений (телефонных, электронной почты, телевизионных и др.).
Превращение сообщения в сигнал состоит из трех операций, которые могут быть независимыми или совмещенными:
-
преобразование – превращение неэлектрических величин, соответствующих первоначальному сообщению в электрические величины.
-
кодирование – построение сигнала по некоторому определенному принципу, имеющему обычно сравнительно несложное математическое выражение (код Морзе, …код Бодо, приемы криптографии);
-
модуляция – воздействие на какой-либо параметр переносчика сигналом сообщения, в результате чего в изменениях этого параметра оказывается присутствующим передаваемый сигнал.
-
амплитудная модуляция (АМ);
-
частотная модуляция (ЧМ);
-
фазовая модуляция (ФМ).
В современных системах связи, где переносчиком является периодическая последовательность коротких импульсов, различают;
АИМ – амплитудно-импульсная модуляция – модуляция последовательности импульсов по высоте;
ДИМ – модуляция по длительности импульсов;
ФИМ – модуляция по фазе импульсов;
ЧИМ – модуляция по частоте импульсов;
ИКМ – импульсно-кодовая модуляция.
Существуют:
Основное радиоизлучение – излучение радиопередающего устройства в необходимой полосе радиочастот.
Необходимая полоса радиочастот – минимальная полоса частот данного класса радиоизлучения, достаточная для передачи сигнала с требуемой скоростью и качеством.
К нежелательным радиоизлучениям радиопередающих устройств относят радиоизлучения за пределами необходимой полосы радиочастот:
-
внеполосные - нежелательные радиоизлучения в полосе частот, примыкающей к необходимой полосе радиочастот, являющиеся результатом модуляции. Они могут быть вызваны наличием нелинейностей в модулирующей части радиопередающего устройства и другими причинами.
-
побочные – побочные излучения на гармониках, субгармониках, паразитные, комбинационные и интермодуляционные. Возникают в результате нелинейных процессов в передатчике, фидере, антенном устройстве радиопередающего устройства. Могут возникать из-за воздействия на радиопередающее устройство внешних электромагнитных полей.
-
шумовые – обусловлены собственными шумами и паразитной модуляцией генерируемого колебания шумовыми процессами радиопередатчика.
Перехват разговоров по радиотелефонам не представляет трудности. Достаточно настроить приемник (сканер) на частоту несущей радиотелефона, находящегося в зоне приема и установить соответствующий режим модуляции. Например, телефонные аппараты типа ТА-Т, ТА-12, ТА-32 с кнопочным номеронабирателем при наборе номера и при ведении переговоров излучают информацию на десятках частот в средневолновом, коротковолновом и ультракоротком диапазонах. Это излучение может быть зарегистрировано на расстоянии до 200м. У телефонов с радиоудлинителем радиус перехвата без спецзакладок достигает 800м. Перехват излучений может осуществляться с помощью малогабаритного индуктивного датчика, позволяющего улавливать побочные электромагнитные колебания практически любого телефонного аппарата даже с расстояния 1м.
Для перехвата переговоров, ведущихся по мобильной сотовой связи необходимо использовать более сложную аппаратуру. в настоящее время существуют различные комплексы контроля сотовой системы связи стандартов AMPS, DAMPS, NAMPS, NMT-450, NMT-450i, разработанных и изготовленных в России и странах Западной Европы.
Комплексы позволяют обнаруживать и сопровождать по частоте входящие и исходящие звонки абонентов сотовой связи, определять входящие и исходящие номера телефонов абонентов, осуществлять слежение по частоте за каналом во время телефонного разговора, в том числе при переходе из соты в соту. Количество задаваемых для контроля абонентов определяется составом аппаратуры комплекса и версией программного обеспечения и может достигать до 16 и более. Комплексы позволяют вести автоматическую запись переговоров на диктофон, вести на жестком диске ПЭВМ протокол записей на диктофон, осуществлять полный мониторинг всех сообщений, передаваемых по служебному каналу, а также определять радиослышимость всех базовых станций в точке их приема с ранжировкой по уровням принимаемых от базовых станций сигналов.
Стандарт GSM (Groupe Speciale Mobile), разработанный Европейским институтом телекоммуникационных стандартов (European Telecommunications Standard institute), на сегодняшний день является самым распространенным в мире - он используется в 79 млн. сотовых аппаратов, преимущественно в странах Европы и Азии. До сих пор считалось, что телефоны GSM обладают столь надежной защитой, что их нельзя не только прослушать, но и размножить, то есть сделать несколько аппаратов, одновременно пользующихся одним и тем же номером. Но, увы!
Зашифрованные данные абонента GSM хранятся в небольшой смарт-карте, которая вставляется в телефон. Без карты, называемой также модулем идентификации пользователя (SIM - Subscriber Identification Module), аппарат представляет собой бесполезную оболочку. Карту, идентифицирующую владельца, можно использовать с любым стандартным телефоном. Обнаруженная дыра в безопасности позволяет извлечь секретную информацию из одного SIM и переписать ее в другой, создав точную копию первого телефона.
2) Утечки в проводных и оптоволоконных линиях передачи информации.
Утечки информации через проводные и оптоволоконные линии передачи информации могут происходить по разным причинам. Однако во всех случаях должен присутствовать "нарушитель" оснащенный соответствующими приборами. Линии могут быть телефонные, радиосети, охранной и пожарной сигнализации, электропитания и заземления и т.п. .
Рассмотрим строение телефонной линии связи. По системе построения телефонные линии разделяют на шкафные и бесшкафные, по условиям прокладки – на подземные в специальной телефонной канализации, подземные в коллекторах и тоннелях, подземные бронированные, подводные, воздушные стечные, воздушные столбовые, настенные открытой и скрытой прокладки, и др.
Основные зоны перехвата речевой информации, передаваемой по телефонным линиям:
Зона "А" – сам телефонный аппарат (ТА);
Зона "Б" – путь сигнала от ТА к РК (распределительной коробке);
Зона "В" – распределительный кабель от РК к РШ (распределительный шкаф) включая саму РК и РШ и магистральный кабель от РШ до АТС;
Зона "Г" - АТС;
Зона "Д" – линии связи между АТС
А Б Б В В В Д
До 3 км. Г Г
Зона А. В телефонный аппарат может быть установлено закладное устройство, а также могут быть использованы конструктивные элементы, входящие в состав телефонного аппарата. Отдельные конструкции телефонных аппаратов создают вокруг себя различные излучения, которые также могут быть использованы для несанкционированного съема информации.
Характеристики
Тип файла документ
Документы такого типа открываются такими программами, как Microsoft Office Word на компьютерах Windows, Apple Pages на компьютерах Mac, Open Office - бесплатная альтернатива на различных платформах, в том числе Linux. Наиболее простым и современным решением будут Google документы, так как открываются онлайн без скачивания прямо в браузере на любой платформе. Существуют российские качественные аналоги, например от Яндекса.
Будьте внимательны на мобильных устройствах, так как там используются упрощённый функционал даже в официальном приложении от Microsoft, поэтому для просмотра скачивайте PDF-версию. А если нужно редактировать файл, то используйте оригинальный файл.
Файлы такого типа обычно разбиты на страницы, а текст может быть форматированным (жирный, курсив, выбор шрифта, таблицы и т.п.), а также в него можно добавлять изображения. Формат идеально подходит для рефератов, докладов и РПЗ курсовых проектов, которые необходимо распечатать. Кстати перед печатью также сохраняйте файл в PDF, так как принтер может начудить со шрифтами.
















