63558 (695376)
Текст из файла
БЕЛОРУССКИЙ ГОСУДАРСТВЕННЫЙ УНИВЕРСИТЕТ ИНФОРМАТИКИ И РАДИОЭЛЕКТРОНИКИ
КАФЕДРА РЭС
РЕФЕРАТ
НА ТЕМУ:
«Однофазные параллельные регистры двухтактного действия и однотактного действия. Парафазные параллельные регистры, сдвигающие регистры»
МИНСК, 2009
Под регистрами (от лат. registrum — список, указатель) в цифровой электронике и технике подразумевают узлы и устройства, осуществляющие ряд операций с информацией, представленной в виде многоразрядного двоичного кода. К этим операциям относятся: хранение, сдвиг в разрядной сетке, поразрядные логические операции и выдача числовых слов в определенном коде. Уже одно перечисление функций регистров показывает, что это самые распространенные узлы цифровых устройств.
На схемах регистры обозначаются буквами RG. В отечественных сериях микросхем регистрам соответствуют буквы ИР.
Итак, регистрами называются устройства, выполняющие функции приема, хранения и передачи информации. Информация в регистрах хранится в виде числа (слова), представленного комбинацией сигналов 0 и 1. Каждому разряду числа, записанному в регистр, соответствует свой разряд, выполненный на основе триггера CRS-, CD- и CJK-типов с управлением записью видов L, LF, и F. Другими словами, регистр – это цепочка триггеров для запоминания одного двоичного числа (обычно от 4 до 16). Общее количество триггеров равно наибольшей разрядности хранимого числа.
На регистрах могут осуществляться операции преобразования информации из одного вида в другой (последовательного кода в параллельный и т.п.), а так же некоторые логические операции (например, поразрядное логическое сложение, умножение).
Основным классификационным признаком, по которому различают регистры, является способ записи информации или кода числа в регистр. По этому признаку можно выделить регистры трех типов: параллельные (статические); последовательные (сдвигающие); параллельно-последовательные.
В параллельные регистры запись числа осуществляется параллельным кодом, т.е. во все разряды одновременно.
Последовательные регистры характеризуются последовательной записью кода числа, начиная с младшего или старшего разряда, путем последовательного сдвига кода тактирующими импульсами.
Параллельно-последовательные регистры имеют входы как для параллельной, так и для последовательной записи кода числа. В зависимости от числа каналов, по которым поступает информация на входы разрядов регистра, различают регистры парафазного и однофазного видов.
Парафазные регистры характеризуются тем, что информация на каждый разряд поступает по двум каналам (прямому и инверсному).
В однофазных регистрах информация поступает на каждый разряд только по одному каналу. Парафазные регистры выполняются, как правило, с применением триггеров CRS-типа, а однофазные – на основе триггеров CD-типа.
В зависимости от типов триггеров, применяемых при построении регистров, и способа их тактирования различают регистры многотактные и однотактного действия.
Параллельные регистры
В параллельных (статических) регистрах схемы разрядов не обмениваются данными между собой. Общими для разрядов обычно являются цепи тактирования, сброса установки, разрешения выхода или приема, т.е. цепи управления. В этих регистрах прием и выдача слов производится по всем разрядом одновременно. В них хранятся слова, которые могут быть подвергнуты поразрядным логическим преобразованиям.
При построении N-разрядных параллельных регистров необходимо применить N триггеров, каждый из которых будет иметь число входов, соответствующее числу источников информации, подключенных ко входу регистра. По сути каждый из триггеров имеет свой независимый информационный вход и свой независимый информационный выход. Тактовые входы (С) всех триггеров соединены между собой. В результате параллельный регистр представляет собой многоразрядный, многовходовый триггер.
Однофазные параллельные регистры двухтактного действия
Наиболее экономичными по числу компонентов являются однофазные регистры двухтактного действия, в качестве разрядов которых используются триггеры
- типов (двухтактные D-триггеры на рис.1).
На рис.1 приводится схема параллельного регистра двухтактного действия с однофазной записью информации для режима записи двух чисел A и B (регистр на два входа). Входы
соответствуют входам разрядов первого числа, а входы
- входам разрядов второго числа.
Рис. 1. Схема параллельного регистра на триггерах CLS-RL - типа
Первый тактирующий сигнал
осуществляет установку всех разрядных триггеров в состояние 0 (
).
Второй сигнал
обеспечивает запись в регистр числа А, а импульс
- запись числа В.
Однофазные параллельные регистры двухтактного действия характеризуются наименьшим быстродействием, но вместе с тем и наименьшими затратами по числу элементов.
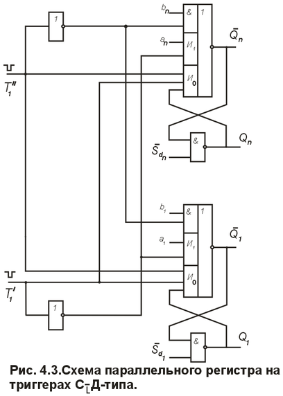
Однофазные параллельные регистры однотактного действия
Для реализации однотактных параллельных однофазных регистров применяются
- триггеры, число входов которых соответствует числу входов регистра. На рис.2 приведена функциональная схема такого регистра на два входа. Запись числа
осуществляется при поступлении импульса
, а запись числа
-при поступлении импульса
без предварительной установки разрядов в состояние 0.
Рис. 2. Схема параллельного регистра на триггерах CLD -типа
Быстродействие данного регистра увеличилось примерно в 2 раза по сравнению со схемой рис. 1, но и аппаратурные затраты на их реализацию увеличились, так как реализация
- триггера требует большего числа вентилей.
На рис. 3 показан один из наиболее экономичных вариантов схем такого регистра, каждый разряд которого выполнен на
- триггере с использованием элементов НЕ, И-НЕ, И-ИЛИ-НЕ.
Рис. 3.Схема параллельного регистра на триггерах CLD -типа
В режиме хранения информации, т.е. при отсутствии тактирующих импульсов
открыты вентили обратной связи
всех триггеров регистра. При поступлении ТИ (например
) закрываются вентили
и с задержкой
открываются вентили записи кода числа А (вентили
). В разрядах регистра
установятся уровни в соответствии с кодом числа А. Например, при
и
на выходе
сформируется уровень 0, а на выходе
-уровень 1. После окончания действия ТИ (
) вначале откроются вентили обратных связей всех триггеров и зафиксируется новый код в его разрядах, а затем через
закроются вентили записи числа А. Регистр перейдет в режим хранения информации. Схема получила широкое распространение при разработке параллельных цифровых устройств благодаря своей экономичности и надежности. Однако самые экономичные варианты схем рассмотренных регистров получаются при их реализации на основе элементов T-TTL, когда каждый разрядный триггер выполняется на одном элементе.
Парафазные параллельные регистры
Парафазные параллельные регистры (ППР) не отличаются широким многообразием, как однофазные. Все ППР по своему принципу действия являются однотактными и выполняются на триггерах
- типа. На рис. 4 приведена схема ППР на два входа (для записи чисел А и В).
Код числа поступает на регистр по двум каналам (прямому и инверсному), а тактирующие импульсы
и
открывают вентили прямого и инверсного каналов одновременно. Быстродействие ППР полностью определяется быстродействием триггеров, используемых в качестве типовых разрядов регистра.
При сравнительной оценке однофазных и парафазных регистров необходимо отметить, что однофазные являются наиболее эффективными при выполнении на ИМС, так как содержат в 2 раза меньше информационных входов, чем парафазные регистры. Уменьшение числа входов позволяет сократить число выводов микросхем, что упрощает процесс проектирования БИС.
Рис. 4. Схема параллельного регистра на триггерах CLRS-типa.
Сдвигающие (последовательные, сдвиговые) регистры и их
классификация
Сдвигающие регистры (СР) (англ. Shift Register) получили свое название от вида одной из наиболее распространенных операций, выполняемых в ЭВМ – операции сдвига кода числа. Операция сдвига – это перемещение (сдвиг) под действием внешних тактирующих импульсов содержимого регистра на определенное число разрядов вправо или влево. Чаще всего такое перемещение осуществляется на один разряд, и эту операцию можно записать в виде:
где
- содержимое i-го(последующего) разряда регистра после цикла сдвига;
- содержимое (i-1)-го (предыдущего) разряда до сдвига;
i=1,2,3,…,n – число разрядов регистра сдвига.
Наиболее общими классификационным признаком сдвигающих регистров можно считать способ управления сдвигом кода числа. Этот классификационный признак предполагает деление регистров по числу тактирующих сигналов
, необходимых для выполнения операции сдвига информации на один разряд. В соответствии с этим числом, которое в дальнейшем назовем тактовым числом регистра, СР подразделяются на регистры однотактного и многотактного действия. Особенностью однотактных СР является то, что в них сдвиг кода числа на один разряд осуществляется за один такт или с помощью одного ТИ сдвига, т.е.
. В многотактных регистрах сдвиг кода числа на один разряд осуществляется как минимум за два импульса сдвига. В свою очередь, каждый из однотактных и многотактных СР можно классифицировать по следующим признакам:
-
по виду электрической связи между разрядами;
-
по направлению сдвига;
-
по способу приема и выдачи кода числа.
Вид электрической связи между разрядами.
По этому признаку СР на триггерах подразделяются на регистры с однопроводной(однофазной), двухпроводной(парафазной) и смешанной типами связей. Первые выполняются на триггерах D-типа, вторые на триггерах RS- или JK типа, а третьи совместно, например на триггерах RS- и D- или JK- и D- типов.
Направление сдвига.
Характеристики
Тип файла документ
Документы такого типа открываются такими программами, как Microsoft Office Word на компьютерах Windows, Apple Pages на компьютерах Mac, Open Office - бесплатная альтернатива на различных платформах, в том числе Linux. Наиболее простым и современным решением будут Google документы, так как открываются онлайн без скачивания прямо в браузере на любой платформе. Существуют российские качественные аналоги, например от Яндекса.
Будьте внимательны на мобильных устройствах, так как там используются упрощённый функционал даже в официальном приложении от Microsoft, поэтому для просмотра скачивайте PDF-версию. А если нужно редактировать файл, то используйте оригинальный файл.
Файлы такого типа обычно разбиты на страницы, а текст может быть форматированным (жирный, курсив, выбор шрифта, таблицы и т.п.), а также в него можно добавлять изображения. Формат идеально подходит для рефератов, докладов и РПЗ курсовых проектов, которые необходимо распечатать. Кстати перед печатью также сохраняйте файл в PDF, так как принтер может начудить со шрифтами.















