63208 (695244)
Текст из файла
Стереофоническое радиовещание
При разработке систем стереофонического вещания прежде всего решали задачу совместимости, т.е. возможности приема стереофонического сигнала на приемник без стереодекодера и монофонического сигнала на приемник со стереодекодером.
В обоих случаях передачи, естественно, будут звучать как монофонические. По названной выше причине в системах стереофонического вещания передаются не сигналы левого (А) и правого (В) каналов, а их сумма (А+В) и разность (А–В).
Сигнал несущей УКВ передатчика модулируется, суммарным сигналом, как обычно, по частоте, и именно он принимается на монофонические приемники.
Разностный сигнал передается с помощью поднесущей, часто та которой выше спектра звуковых частот. Она также модулирует сигнал несущей передатчика по частоте.
Теперь рассмотрим коротко принцип реализация стереопередачи в отечественной полярной системе.
Сигнал поднесущей частоты (31,25 кГц) модулируется по амплитуде разностным сигналом (А–В) и добавляется к суммарному низкочастотному сиг налу (А+В).
В результате образуется полярно-модулированный сигнал (ПМС). Его форма показана на рис.1,а, спектр – на рис.1,б.
Полярным этот сигнал называется потому, что его верхняя огибающая соответствует звуковому сигналу левого канала (А), а нижняя – правого (В).
Удобство работы с ПМС в том, что для его демодуляции пригоден простейший двуполярный детектор.
Рис.1 – Полярно-модулированный сигнал
Подавать ПМС непосредственно на частотный модулятор передатчика невыгодно, поскольку большая часть разрешенной девиации частоты (±50 кГц) ушла бы на бесполезную модуляцию поднесущей.
Поэтому поднесущую при передаче искусственно уменьшают в 5 раз (на 14 дБ) по амплитуде с помощью режекторного контура со стандартизованной добротностью 100±5.
Одновременно контур ослабляет и нижние частоты боковых полос разностного сигнала (А–В), как показано к рис.1,б штриховой линией. Сформированный таким образом сигнал называется комплексным стереофоническим сигналом (КСС).
При подаче его на частотный модулятор передатчика девиация частоты сигналом поднесущей составляет всего ±10 кГц, а на полезные компоненты сигнала остается еще ±40 кГц.
Упрощенная схема стереодекодера с полярным детектором для отечественной системы показана ни рис.2.
Рис.2. - Упрощенная схема стереодекодера с полярным детектором
КСС с выхода частотного детектора приемника подается на цепочку восстановления поднесущей, состоящую из двух резисторов Rl, R2 и контура L1C1 с добротностью 100, настроенного на частоту 31,25 кГц.
Контур поднимает уровень сигнала поднесущей на 14 дБ и компенсирует ослабление нижних частот разностного сигнала (А–В).
Полученный ПМС усиливается усилителем А1 и подается на полярный детектор на диодах VD1, VD2, который выделяет сигналы левого и правого каналов (А и В).
Как известно, в передатчике при частотной модуляции до формирования ПМС в звуковые сигналы левого (А) и правого (В) каналов вводятся предыскажения с целью поднять верхние частоты звукового спектра.
Это выравнивает спектр реального звукового сигнала, основная мощность которого сосредоточена на низких частотах, и повышает отношение сигнал- шум всего тракта передачи.
Предыскажения компенсируются в нагрузочной цепи полярного детектора элементами R3C2 и R4C3. Постоянная времени этих цепей в отечественной системе должна быть равна 50 мкс.
Как видим отечественная система стереовещания строилась в расчете на применение амплитудных детекторов, и основным доводом в ее пользу была простота стереодекодеров.
Однако с появлением интегральных микросхем сложность схемы перестала быть ограничивающим фактором, и тогда высветились недостатки системы: необходимость точного подъема поднесущей именно на 14 дБ и только контуром с добротностью 100 (отклонения параметров ведут к ухудшению разделения каналов), и повышенные искажения огибающей при амплитудном детектировании сигнала.
Последний недостаток усугубляется очень низкой поднесущей частотой, фактически всего вдвое превосходящей верхнюю звуковую частоту 15 кГц. Из-за этих искажений от полярного детектирования скоро отказались, перейдя к использованию суммарно-разностных стереодекодеров, называемых также матричными.
В них КСС разделяется фильтрами на тональную и надтональную части. Последняя после подъема поднесущей детектируется двух полупериодным или мостовым детектором, частота пульсаций на выходе которого вдвое выше и легче сглаживается.
Продетектированный разностный сигнал (А–В) затем складывает ся и вычитается в резисторной матрице с тональным суммарным сигналом (А+В), образуя на выходе стереодекодера сигналы левого и правого каналов А и В.
Разработаны и еще более сложные высоко качественные стереодекодеры например, с временным переключением каналов. Некоторые из них описаны на страницах журнала «Радио».
Западная система стереовещания на УКВ возникла на базе разработок фирм Zenith Radio и «General Electric» (США), послуживших основой американского стандарта.
За падноевропейский стандарт отличается очень незначительно. В этой системе также используются непосредственная модуляция передатчика по частоте суммарным сигналом (А+В), что обеспечивает совместимость, и амплитудная модуляция поднесущей разностным сигналом (А–В).
Однако сама поднесущая с частотой 38 кГц подавляется полностью, и в КСС входят лишь боковые полосы модулированного сигнала поднесу щей, причем без частотных искажений.
Амплитудная модуляция поднесущей и ее подавление обеспечивается обычно балансным модулятором.
В стереодекодере приемника предусматривается синхронное детектирование с использованием образцовых колебаний частотой 38 кГц. Для получения или синхронизации этих колебаний в КСС вводится так же пилот-тон на половинной частоте поднесущей 19 кГц.
Амплитуда его невелика и подбирается так, чтобы можно было модулировать ЧМ сигнал пере датчика на 8...10 % от полной девиации ±75 кГц.
Предыскажения с постоянной времени 75 мкс (50 мкс в Европе) вводятся в звуковые сигналы левого и правого каналов еще до формирования КСС на пере дающей стороне и компенсируются сглаживающими RC-цепочками на выходе стереодекодера.
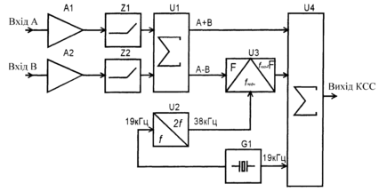
Структурная схема формирования КСС с пилоттоном на передающей стороне показа на на рис.3.
Рис.3. – Структурная схема формирования КСС
Звуковые сигналы каналов А н В через микрофонные усилители A1, A2 и цепи предыскажений Z1, Z2, поднимающие верхние частоты, подаются на суммарно-разностную матрицу М, на выходе которой образуются суммарный (А+В) и разностный (А–В) сигналы.
Последний поступает на балансный модулятор D3, где модулирует напряжение поднесущей 38 кГц, поступающее от кварцевого генератора пилоттона G1 (19 кГц) через удвоитель частоты U4.
КСС образуется на выходе сумматора U5, на который подаются три сигнала:
-
суммарный А+В (через линию задержки U2, компенсирующую задержку сигнала в балансном модуляторе),
-
сигнал боковых полос А–В (с модулятора U3)
-
пи лот-тон 19 кГц (с генератора G1).
Сформированный КСС поступает на частотный модулятор радиовещательного пере датчика.
Спектр КСС показан на рис.4, причем шкала по вертикали взя та в процентах от максимальной девиации частоты передатчика.
Полная ширина спектра КСС при диапазоне звуковых частот 30 Гц…15 кГц – 53 кГц, т. е. шире, чем в отечественной системе (46,25 кГц), что, впрочем, компенсируется и большей девиацией частоты передатчика, принятой в стандарте FCC равной 75 кГц.
Отношение сиг нал-шум на выходе приемника при этом должно быть даже лучше, чем в отечественной системе.
Рис.4. – Спектр КСС
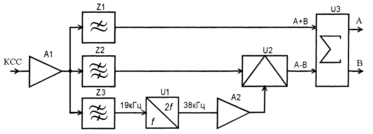
Структурная схема стереодекодера для системы с пилоттоном показана на рис.5.
КСС с выхода частотного детектора приемника усиливается каскадом A1 и поступает на устройство выделения сигнала поднесущей U1.
Этот сигнал складывается с КСС в сумматоре U2, и полученный ПМС детектируется полярным детектором на анодах VD1, VD2, образуя на выводе сигналы левого и правого каналов (А и В).
Устройство выделения сигнала поднесущей U1 содержит контур, отфильтровываю щий пилот-тон, удвоитель частоты и контур, выделяющий сигнал поднесущей.
Принципиальная схема устройства дана на рис.6. Как уже упоминалось, к недостаткам полярного детектора относится повышенный уровень нелинейных искажений, поэтому в системе с пилот-тоном чаще используют синхронный детектор и суммарно-разностную матрицу для раз деления каналов.
Рис.6. – Принципиальная схема устройств
Структурная схема матричного стерсодекодера для системы с пилоттоном показана на рис. 7 КСС после предвари тельного усиления (А1) поступает на систему из трех фильтров, которые выделяют его тональную (ФНЧ Z1 с частотой среза 15 кГц) и надтональную (полосовой фильтр Z2 с поло сой пропускания 23...53 кГц) части и пилот-сигнал (контур Z3, настроенный на частоту 19 кГц).
Пилот-сигнал подается далее на устройство выделения поднесущей U1. Выделенный сигнал поднесущей усиливается до необходимого уровня (порядка единиц вольт) усилителем A2 и перемножается в синхрон ном детекторе U2 с надтональной частью КСС, образуя разностный сигнал звуковых частот (А–В).
Путем суммиро вания и вычитания его с суммарным сигналом (А+В) в матрице U3 образуются исходные сигналы А и В.
В стереодекодерах с пилот-тоном важна правильная фазировка колебаний поднесущей при детектировании сигнала – их фаза должна соответствовать фазе подавленной поднесущей в передающем тракте.
Специальных фазовращателей обычно не используют, корректируя фазу поднесущей RC-цепью на входе усилителя поднесущей (А2 на рис.7). Цепь содержит разделительный конденсатор небольшой емкости и резистор, функции которого с успехом может выполнить вход ное сопротивление усилителя.
Окончательно фаза поднесу щей регулируется подстройкой контуров, настроенных на 19 и 38 кГц в удвоителе часто ты, ведь, как известно, крутизна фазочастотной характеристики колебательного контура максимальна вблизи его резонанс ной частоты.
Из сказанного видно, что система с пилот-тоном отличается от отечественной большей сложностью выделения поднесущей, зато в нее изначально заложен более совершенный метод синхронного детектирования, что и определяет большие потенциальные возможности повышения качества.
В системе с пилот-тоном не нужно корректировать искажения, вносимые контуром со стандартизован ной добротностью.
Нелинейных искажений сигнале при синхронном детектировании сигнала значительно меньше, поскольку, в отлична от амплитудного детектирования, здесь имеет место линейная операция преобразования частоты – перенос спектра сигнала из надтональной области в тональную. Меньше возникает и интермодуляционных искажений.
Полярные детекторы в системе с пилот-тоном также работают значительно лучше, поскольку уровень подмешиваемой к КСС поднесущей не ограничен величиной в 14 дБ и может быть сколь угодно высоким.
При этом коэффициент модуляции образованного ПМС оказывается малым, а сам полярный детектор работает в псевдосинхронном режиме с «подавленной» несущей.
Коэффициент нелинейных искажений, который в амплитудном детекторе, как показывает теория, пропорционален квадрату коэффи циента модуляции, в этом режиме значительно снижается. Дополнительным достоинством системы с пилот-тоном—является некритичность стереодекодера к параметрам КСС.
Так, например, изменение уровня поднесущей практически мало сказывается на его работе, а изменение фазы уменьшает амплитуду продетектированного сигнала про порционально косинусу разности фаз, т.е. зависимость здесь очень пологая.
Характеристики
Тип файла документ
Документы такого типа открываются такими программами, как Microsoft Office Word на компьютерах Windows, Apple Pages на компьютерах Mac, Open Office - бесплатная альтернатива на различных платформах, в том числе Linux. Наиболее простым и современным решением будут Google документы, так как открываются онлайн без скачивания прямо в браузере на любой платформе. Существуют российские качественные аналоги, например от Яндекса.
Будьте внимательны на мобильных устройствах, так как там используются упрощённый функционал даже в официальном приложении от Microsoft, поэтому для просмотра скачивайте PDF-версию. А если нужно редактировать файл, то используйте оригинальный файл.
Файлы такого типа обычно разбиты на страницы, а текст может быть форматированным (жирный, курсив, выбор шрифта, таблицы и т.п.), а также в него можно добавлять изображения. Формат идеально подходит для рефератов, докладов и РПЗ курсовых проектов, которые необходимо распечатать. Кстати перед печатью также сохраняйте файл в PDF, так как принтер может начудить со шрифтами.















