62129 (694824), страница 2
Текст из файла (страница 2)
Вариант 7
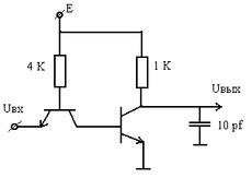
Вариант 2
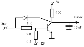
Вариант 3
Вариант 4
указываются их условно-графические обозначения со своими размерами (в масштабе).
Эквивалентная схема электрической цепи получается путем замены в ней транзисторов и диодов их моделями (схемами замещения).
Временная диаграмма поясняет логику работы анализируемой электрической цепи в динамическом режиме. Она позволяет определить значения токов и напряжений любого элемента электрической цепи в произвольный момент времени.
-
Порядок защиты
Полностью выполненная курсовая работа представляется руководителю для окончательной проверки. До защиты курсовой работы пояснительная записка и ее графическая часть должны быть подписаны руководителем и студентом. При защите курсовой работы на изложение его сущности студенту представляется 6-8 минут.
В своем докладе студент должен четко сформулировать поставленную перед ним задачу, произвести сравнительную оценку наиболее известных методов расчета нелинейных электрических целей и обосновать оригинальность решений, принятых в ходе выполнения курсовой работы, а также анализировать особенности функционирования электрической цепи по полученным результатам расчета.
При оценке выполненной курсовой работы учитываются:
-
степень творчества при выполнении курсовой работы и оригинальность принятых решений;
-
качество выполнения пояснительной записки и графических материалов;
-
содержательность и доходчивость доклада на защите курсовой работы;
-
правильность и полнота ответов студента на поставленные вопросы;
-
активность студента в период выполнения курсовой работы (планомерность выполнения графика работ, посещение консультаций и т.д)
5. Теоретическая часть
Теория электрических цепей (ТЭЦ) является общенаучной основой широкого круга технических дисциплин. В рамках ТЭЦ разрабатываются основополагающие для прикладных дисциплин методы описания электромагнитных явлений в электрических цепях и построения математических моделей процессов в них.
Тесная связь ТЭЦ не только с соответствующими разделами математики и физики, но и со специальными дисциплинами предопределяет такие развития теории, при котором приобретает важные значения ее направленность на решении новых прикладных задач, в первую очередь задач, связанных с проблемами передачи и распределения энергии и информации в сложных электрических и информационных сетях.
На развитие ТЭЦ и выбор математических методов расчета электрических цепей оказывает существенное влияние применение ЭВМ. Возможности современных ЭВМ позволяют рассчитывать переходные процессы в сложных электрических цепях. Для оптимальной реализации возможности ЭВМ потребовалось по-новому рассмотреть и процедуру формирования уравнений относительно искомых, подлежащих определению токов и напряжений, а также методы решения этих уравнений.
В качестве искомых величин для расчета переходных процессов в электрических цепях выбирают токи индуктивных катушек и напряжения конденсаторов. Такие переменные в ТЭЦ называют переменными состояния электрической цепи, а метод формирования дифференциальных уравнений, характеризующих энергетическое состояние электрической цепи называют методом переменных состояния.
При автоматизации расчета электрических цепей для формирования уравнений переходных процессов наиболее широко применяют методы узловых потенциалов и переменных состояния. В связи с этим при расчете электрических цепей используют две формы представления уравнений переходных процессов, называемых математическими моделями (ММ) электрической цепи.
В первом случае ММ представляется в нормальной форме Коши системы обыкновенных дифференциальных уравнений (ОДУ)
V = F (v , t) , (1)
где V- вектор базисных координат; F(v,t)- вектор - функция правых частей.
поиска, обнаружения и устранения НРВ, а также указания метода (алгоритма) программа запускается на расчет и начинается процесс моделирования путем численного интегрирования дифференциальных уравнений математической модели схемы (ММС).
Результаты решения уравнений ММС получаются в виде интегральных кривых напряжений (временных диаграмм изменений напряжений), представляющих картину переходных процессов в анализируемой схеме.
6. Задания к курсовой работе
Для выбранного варианта электрической схемы (цепи):
-
построить эквивалентную схему (ЭС), при этом нелинейные элементы (диоды, транзисторы) заменить их моделями (рис.2);
-
построить граф ЭС и М-матрицу контуров и сечений;
-
составить топологические уравнения по законам Кирхгофа и систему обыкновенных дифференциальных уравнений в нормальной форме Коши;
-
составить описание топологии ЭС, параметров компонентов и режимных параметров для расчета схемы на ЭВМ;
-
выполнить расчет токов ветвей заданного варианта схемы в статическом режиме;
-
выполнить расчет переходных процессов и построить временную диаграмму работы схемы с помощью программы анализа;
-
сделать выводы по полученным результатам расчета и описать работу схемы.
Вариант 1
TSAD = 30
TIMP = 40
KFRONTF = 1.0
KBACKF = 1.0
LEVEL0 = 0.7
LEVEL1 = 1.7
где TSAD – время задержки начало импульса:
TIMP – длительность импульса; LEVEL0 и LEVEL1 – напряжения, соответствующие логическому 0 и логической 1; KFRONTF и KBACKF – коэффициенты, определяющие длительности(тангенс угла наклона ) переднего и заднего фронтов входного импульса.
Режимные параметры имеют следующие значения:
M1 = 0.01
M2 = 0.001
TK = 100
HP = 2
где M1 и M2 – коэффициенты для автоматического определения шага интегрирования; ТК – конечный отрезок интегрирования, устанавливаемый в соответствии с реальной длительностью переходных процессов, протекающих в схеме; НР – шаг вывода на печать результатов расчета переходных процессов.
В программе предусмотрен вывод графиков изменения напряжений и токов ребер и хорд, в том числе напряжений на входах и выходах. В данном примере в качестве значений параметра вывода выходных сигналов SHOWUR перечислены число и номера ребер, напряжения на которых выводятся на печать, т.е. SHOWUR = 4 3 4 19 20.
так как напряжения на хордах не выводятся на печать, параметр SHOWUH=0.
Значения параметров GRAPH=1 PEREDAT=1 позволяют осуществить графический вывод и построить передаточную характеристику.
Поскольку схема ЭСЛ управляется сигналами отрицательной полярности параметр IC=1.
Описание топологии схемы вводится (считывается), а затем после синтаксического контроля проверки на отсутствие неправильно размещенных ветвей (НРВ) и автоматической коррекции структуры схемы:
Алгоритм решения системы (1) включает на очередном шаге интегрирования следующие основные процедуры:
вычисление вектора –функции F(V k-1, t k-1); определение величины шага hk; вычисление Vk согласно методу Эйлера по формуле Vk = Vk-1 + hk *F(Vk-1 ,tk-1 ) и определение нового значения времени интегрирования tk = tk-1 +hk .
Вторая форма представления ММ электрической цепи связана с использованием метода узловых потенциалов, неявных формул численного интегрирования, алгебраизацией системы ОДУ и решением ее методом Ньютона.
Нормальная форма Коши системы ОДУ удобна для применения явных методов численного интегрирования. Для ее решения также могут быть использованы и неявные методы численного интегрирования. В этом отношении метод переменных состояния, который позволяет получить ММ электрической цепи в форме (1), является более универсальным и перспективным для использования в программах с открытыми библиотеками численных методов решения уравнений и с открытыми библиотеками моделей элементов (так как в методе переменных состояния не требуется предварительная алгебраизация компонентных уравнений и, следовательно, методы формирования и решения уравнений могут рассматриваться независимо друг от друга).
Далее рассмотрим вопросы описания цепей и формирование уравнений переходных процессов в электрических цепях методом переменных состояния.
Уравнения переходных процессов- математические модели электрических цепей включают в себя уравнения компонентные и топологические.
Компонентные уравнения описывают электрические свойства компонентов ( элементов) цепи. Для линейных двухполюсников (резистора, конденсатора и катушки индуктивности) эти уравнения имеют следующий вид:
Ur = Ir * R , Ic =C * DUc/ dt и Ul = L * DIl /dt,
где R,C и L- сопротивление, емкость и индуктивность; U и I -напряжение и ток в компоненте, причем индекс характеризует принадлежность переменной компоненту определенного типа.
Сложные компоненты (например, диоды, транзисторы и т.д.) имеют модели из нескольких уравнений. Обычно эти уравнения составляются на основании эквивалентных схем замещения сложных компонентов, состоящих из двухполюсных элементов линейных и нелинейных. Нелинейные безынерционные двухполюсники в эквивалентных схемах чаще всего описываются зависимыми источниками тока I = F1 (U) или напряжения U =F2 (I) . Инерционные нелинейные двухполюсники описываются зависимыми емкостями, индуктивностями или источниками. Уравнения этих элементов связывают не только токи и напряжения, но и производные по времени некоторых из этих величин. Получение компонентных уравнений или соответствующих им эквивалентных схем - самостоятельная задача моделирования элементов электрических цепей [6;7].
Топологические уравнения отражают связи между компонентами (элементами) электрической цепи и составляются на основании законов Кирхгофа. В методах получения уравнений важное значение имеет так называемая М-матрица – матрица контуров и сечений. Эта матрица содержит в себе полную информацию о структуре эквивалентной схемы (ЭС) рассматриваемой электрической цепи. Строки М-матрицы в закодированном виде отображают уравнения закона напряжений Кирхгофа для выбранных контуров схемы, а столбцы М-матрицы – уравнения закона токов Кирхгофа для сечения схемы. Целью построения М-матрицы является упрощение процедуры формирования математической модели ЭС электрической цепи.
При построении М-матрицы используют некоторые понятия теории графов. Граф также как и эквивалентная схема электрической цепи содержит ветви и узлы (называемые вершинами). Ветви графа, соответствующие двухполюсным ветвям эквивалентной схемы представляют собой линии произвольной длины и формы. Вершины графа соответствуют узлам эквивалентной схемы.
Важным понятием теории графа является дерево графа, под которым понимают совокупность β-1 ветвей, соединяющих все узлы, не образующих ни одного контура. Ветви дерева называют ребрами, а ветви графа, не вошедшие в дерево - хордами, связями. В любом графе можно выделить более чем одного дерево. Процесс построение М - матрицы, следовательно, получение ММ в методе переменных состояния начинается с построения нормального дерева, в которое в ветви графа включаются со следующим приоритетом: сначала ветви источников ЭДС Е, затем ветви С и далее ветви R и L. Ветви источников токов J не включаются в нормальное дерево. Построение нормального дерева графа приводит к разбиению множества ветвей схемы В на подмножества ребер Р и хорд Х. При этом определяются контуры и сечения эквивалентной схемы, для которых составляются уравнения по законам
TR=
T1 0 3 6 7















