148274 (692269), страница 3
Текст из файла (страница 3)
распыла и давление впрыска. При этом следует помнить, что хороший или плохой распыл топлива определяется не только плотностью сопрягаемых поверхностей или герметичностью притирочных поверхностей конусов иглы
и седла корпуса распылителя, но и определённым сочетанием отдельных элементов форсунки и их взаимных сопряжении, которые нередко играют решающую роль и оказываются главной причиной плохой работы форсунки.
| Наименование контролируемых параметров | Д50.17 1СБ | ||
| Чертёжные | ТР-3 | Брак | |
| Величина подъёма иглы | 0,4-0,5 | 0,4-0,7 | 0,8 |
| Выход носика распылителя из корпуса форсунки (крышки цилиндра) | 4,5-5,83 | 4,5-5,83 | 5,9 |
| Ширина притирочного пояска на рабочем конце иглы распылителя | 0,4 | 0,4 | 0,5 |
| Зазор между штангой и корпусом форсунки | 0,04-0,12 | 0,3 | Более 0,3 |
| Зазор между отверстием щелевого фильтра и толкателем | |||
| Зазор между щелевым фильтром и корпусом | 0,1-0,144 | 0,1-0,144 | 0,15 |
| Условия проверки | Д50,ПД1М |
| Затяжка пружины форсунки при проверке на герметичность МПа (гкс/см2) | 40(400) |
| Граница диапазона давлений для оценки герметичности МПа (гкс/см2) | 38-33 (380-330) |
| Время падения давления в заданном диапазоне, с. | |
| Для новых | |
| Vc=20 cmj | Не менее 10 |
| При выпуске из ремонта ТР-2, ТР-3 | |
| Vc-20 см3 | Не менее 6 |
| Браковочное | |
| Vc=20 cmj | Менее 4 |
| Максимальное остаточное давление после впрыскивания МПа (кгс/см2) | - |
Приспособления, техническая оснастка, средства механизации, оборудование, применяемые при ремонте
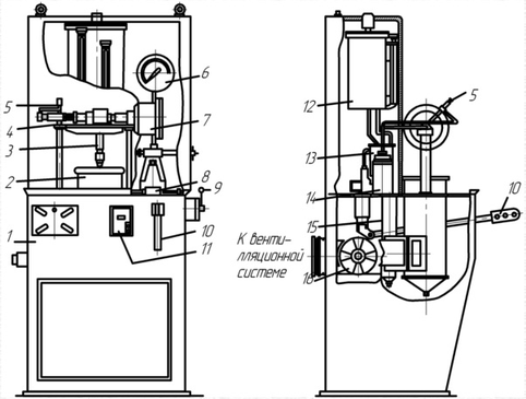
Стенд А106 для проверки работы форсунок ДВС: 1 – стол; 2 – сборник; 3 – проверяемая форсунка; 4 – зажимное устройство; 5, 9 – краны; 6 – манометр; 7 – пневмоцилиндр; 8 – топливный насос; 10 – ручка насоса; 11 – выключатель; 12 – топливный бак; 13 – фильтр; 14 – промывочный аккумулятор; 15 – отстойник; 16 – вентиляционный патрубок.
Для промывки соплового наконечника используют керосин или профильтрованное дизельное топливо, иглы.
Для ослабления заклинивших деталей применяют керосин или бензин в контейнерах. При снятии форсунки пользуются гаечными ключами угловыми и торцевыми.
Транспортировку производят на верстаках и на специальных тележках. Испытание производят на стендах (рис. 10-11.)
Организация рабочего места. Техника безопасности при ремонте, сборке и испытании.
Перед началом работы слесарь должен надеть полагающуюся ему исправную спецодежду, спецобувь и привести их в порядок:
-
застегнуть на пуговицы обшлага рукавов;
-
заправить свободные концы одежды так, чтобы она не свисала.
-
Не допускается носить спецодежду расстегнутой и с подвернутыми рукавами.
Спецодежду и спецобувь слесарь не должен снимать в течение всего рабочего времени.
Совместно с руководителем смены (мастером, бригадиром) слесарь внешним осмотром должен проверить состояние инструмента, приспособлений, строп, траверс для перемещения оборудования, у грузоподъемных механизмов и переносных лестниц - наличие трафаретов со сроками следующих испытаний, переносных домкратов - наличие клейма или бирки с обозначением номера, даты испытания и грузоподъемности.
При получении средств индивидуальной защиты слесарь должен проверить их целость, исправность, на диэлектрических перчатках и предохранительном поясе - дату их испытания, у респиратора - целость и чистоту фильтра, ковра резинового диэлектрического - отсутствие проколов, надрывов, трещин.
Слесарь должен осмотреть рабочее место, привести его в порядок, убрать посторонние детали, не используемые в работе приспособления и инструмент, проверить наличие на стеллажах и ремонтных установках запасных частей и материалов.
Неисправный инструмент и приспособления должны быть заменены на исправные.
Инструмент на рабочем месте следует располагать так, чтобы исключалась возможность его скатывания или падения.
Подготовленный к работе инструмент должен удовлетворять следующим требованиям.
Бойки молотков, кувалд и другого инструмента ударного действия должны иметь гладкую, слегка выпуклую поверхность без косины, сколов, выбоин, трещин и заусенцев.
Рукоятки молотков, кувалд и другого инструмента ударного действия должны быть изготовлены из сухой древесины твердых лиственных пород (березы, дуба, бука, клена, ясеня, рябины, кизила и граба) без сучков и косослоя или из синтетических материалов, обеспечивающих эксплуатационную прочность и надежность в работе. Рукоятки молотков и кувалд должны иметь по всей длине в сечении овальную форму, быть гладкими и не иметь трещин.
К свободному концу рукоятки должны несколько утолщаться (кроме кувалд) во избежание выскальзывания рукоятки из рук при взмахах и ударах инструментом. У кувалд рукоятка к свободному концу должна несколько утончаться. Кувалда должна быть насажена на рукоятку в сторону утолщенного конца без клиньев.
Клинья для укрепления инструмента на рукоятке должны выполняться из мягкой стали и иметь насечки (ерши).
Напильники и шаберы должны иметь исправные, надежно насаженные рукоятки с металлическими бандажными кольцами.
Зубила, крейцмейсели, бородки и керны должны иметь гладкую затылочную часть без трещин, заусенцев, наклепа и скосов. Длина их должна быть не менее 150 мм. На рабочем конце инструментов не должно быть повреждений.
Средняя часть зубил не должна иметь острых ребер и заусенцев на боковых гранях.
Рабочие поверхности гаечных ключей не должны иметь сбитых скосов, а рукоятки - заусенцев.
Инструмент ручной изолирующий (отвертки, пассатижи, плоскогубцы, круглогубцы, кусачки и т.п.) должны иметь исправные изолирующие рукоятки. Если изоляционное покрытие рукояток инструмента состоит из двух слоев изоляции, то при появлении другого цвета изоляции из-под верхнего слоя инструмент должен быть изъят из эксплуатации. Если покрытие состоит из грех слоев изоляции, то при повреждении или истирании верхнего слоя инструмент может быть оставлен в эксплуатации. При появлении нижнего слоя изоляции инструмент подлежит изъятию из эксплуатации.
Воздушные резиновые шланги пневматического инструмента не должны иметь повреждений, должны быть надежно закреплены на штуцерах для присоединения к пневматическому инструменту и воздушной магистрали. Не допускается применение проволоки вместо стяжных хомутиков для закрепления шлангов на штуцерах. Штуцеры должны иметь исправные грани и резьбы, обеспечивающие прочное и плотное присоединение шланга к пневматическому инструменту и воздушной магистрали. Рабочая часть вставного сменного инструмента (сверл, отверток, ключей, зенкеров и т.п.) не должен иметь трещин, выбоин, заусенцев и прочих дефектов, а хвостовики должны быть правильно центрированы и плотно входить в буксу пневматического инструмента.
Защитный кожух абразивного круга шлифовальной машинки должен быть надежно закреплен.
Электрифицированный инструмент не должен иметь повреждений кабеля (шнура), его защитной трубки и штепсельной вилки, изоляционных деталей корпуса, рукоятки, крышек щеткодержателей и защитных кожухов.
Перед работой необходимо проверить легкость и быстроту открытия и закрытия клапана включения пневматического инструмента, отсутствие пропуска воздуха в закрытом положении, у электроинструмента и ручных электрических машин - четкость выключения и их работу на холостом ходу. У электроинструмента и ручных электрических машин класса I дополнительно необходимо проверить исправность цепи заземления между его корпусом и заземляющим контактом штепсельной вилки.
Перед применением средств индивидуальной защиты слесарь должен внешним осмотром убедиться в их целости. Очки защитные, каска защитная, рукавицы, респираторы не должны иметь механических повреждений, перчатки диэлектрические - загрязнения, увлажнения и механических повреждений (в том числе проколов, выявляемых путем скручивания перчаток в сторону пальцев), галоши диэлектрические ~ отслоения подкладки, посторонних жестких включений и т.п., ковры диэлектрические резиновые - проколов, надрывов, трещин. Кроме этого, на перчатках диэлектрических должна быть проверена дата их испытаний.
Перед работой в помещении слесарь должен проверить работу вытяжной вентиляции и местного освещения.
При осмотре грузоподъемных механизмов необходимо проверить:
-
отсутствие внешних повреждений, трещин и деформаций деталей и узлов;
-
наличие и исправность защитного заземления (тросика) к корпусу кнопочного управления;
-
состояние стального каната и правильность его намотки на барабане;
-
состояние крюка, его крепление в обойме и наличие замыкающего устройства на нем (износ зева крюка грузозахватного приспособления не должен быть более 10% первоначальной высоты вертикального сечения крюка), отсутствие трещин, наличие шплинтовки гайки и легкость проворачивания крюка в крюковой подвеске.
После визуальной проверки технического состояния грузоподъемных механизмов слесарь, выполняющий обязанности стропальщика, должен проверить их работу на холостом ходу, а также действие тормозов и ограничителя подъема груза. При этом голосом или звуковым сигналом должен предупредить находящихся поблизости работников о предстоящем включении грузоподъемного механизма.
Требования охраны труда при ремонте дизеля и вспомогательного оборудования
При выполнении ремонтных работ пользоваться аккумуляторной батареей для проворота коленчатого вала дизеля запрещается.
Во избежание случайного проворота коленчатого вала при ремонте дизеля рубильник аккумуляторной батареи должен быть отключен и на него должна быть навешена табличка "Не включать! Работают люди".
Установка и снятие топливных форсунок должна производиться только на неработающем дизеле. Для транспортировки форсунок необходимо использовать специальные тележки или приспособления. При снятии форсунок необходимо применять специальные съемники.
Промывка осветительным керосином, бензином, обдувка сжатым воздухом и испытания топливной аппаратуры на стенде должны производиться с включенной местной вытяжной вентиляцией.
Запрещается непосредственный контакт с рабочей поверхностью и рабочей жидкостью ультразвуковой моечной машины (далее - машины) во время ее работы. Загрузку подлежащих очистке деталей и их выгрузку следует производить при выключенной машине. При этом для защиты рук от неблагоприятного воздействия контактного ультразвука необходимо пользоваться перчатками (наружные резиновые и внутренние хлопчатобумажные).
Заключение
Топливная система играет важную роль в тепловозной тяге. От её эффективности зависит надежная работа дизеля и его мощность. Фильтрующие элементы очищают топливо от посторонних частиц. Затем топливо подводится у насосу высокого давления и к форсунке. Форсунка обеспечивает непосредственную подачу топлива в цилиндр. От ее исправности зависит четкая работа дизеля. Плохой впрыск негативно влияет на мощность дизеля и расход топлива, что сказывается на его экономии. В современном мире существует оборудование, позволяющее осуществить ремонт форсунок с минимально допустимыми отклонениями. Благодаря этому обеспечивается своевременная замена и ремонт форсунок.
Л
итература
-
Володин А.И. Локомотивные двигатели внутреннего сгорания - 2-е изд. перераб. — М.: Транспорт, 1990.
-
Кузьмич В.Д. Тепловозы. Основы теории и конструкции. — М.: Транспорт, 1991.
-
Собенин Л.А., Баколдип В.И., Зипчепко О.В., Воробьев А.А. Устройство и ремонт тепловозов. — М.: Академия, 2004. — 416 с.
-
Тепловоз 2ТЭ10М: Руководство по эксплуатации и обслуживанию. — М.: Транспорт, 1987.
-
Тепловозы 2ТЭ1 ОМ, ЗТЭ 1 ОМ: Устройство и работа/СП. Филонов, А.Е. Зиборов, В.В. Ренкунаси др. — М.: Транспорт, 1986.
-
Тепловоз 2ТЭ116. СП Филонов, А.И. Гибалов, Е.А. Никитин и др. 3-е изд., перераб. и доп. — М.: Транспорт, 1996.
-
Тепловозы. Назначение и устройство: Учебник для образовательных учреждений ж.-д. транспорта, осуществляющих профессиональную подготовку / Под ред. О.Г. Куприенко. — М.: Маршрут, 2006. 280 с.
-
ФилатовП., Гибалов А.И. и др. Тепловоз 2ТЭ116. — М: Транс порт, 1985.
-
Дробинский В.А., Егунов П.М. Как Устроен и работает тепловоз – 3-е изд., перераб. И доп. – М.: Транспорт, 1980. 367 с., ил., табл.
ТЕХНОЛОГИЧЕСКАЯ КАРТА
итература














