148187 (692246), страница 2
Текст из файла (страница 2)
Усилие выключения может быть подсчитано из условия равновесия
Рвык (с — е) = Рпр (b — с);
.
Ход подшипника муфты выключения определяется суммой перемещений сечения пружины (принимается недеформируемым в осевом направлении) и лепестков при их деформации:
fпр = f1 + f2; f1 = (c — e) Δα; f2 = Pвык / сл,
где Δα — угловое перемещение; сл — жесткость лепестков.
Наибольшие напряжения испытывает элемент пружины со стороны малого торца при повороте пружины на угол α, т. е. когда пружина становится плоской. Здесь суммируются напряжения растяжения σр и напряжения изгиба σи лепестков:
σр + σи = σmax;
.
В свободном состоянии α ≈10...12°.
Лепестки диафрагменной пружины испытывают наибольшее изгибающее напряжение у основания:
,
где nл — число лепестков; ωи — момент сопротивления изгибу в опасном сечении.
Фрикционные диски. Основным расчетным параметром является давление
.
В выполненных конструкциях р0= 0,15...0,25 МПа.
Пружины гасителя крутильных колебаний
Максимальное усилие, сжимающее одну пружину гасителя:
,
где rпр.г — радиус приложения усилия к пружине; zпр.г — число пружин гасителя. Принимая во внимание большую жесткость пружин гасителя, напряжение пружины следует вычислять с учетом кривизны витка:
,
где kк.в — коэффициент, учитывающий кривизну витка пружины:
;
.
Для пружинной стали допускаемое напряжение [τ] =700...900 МПа.
Рычаги выключения сцепления. Изгибающий момент от действия силы, приложенной на концах рычагов, вызывает напряжение изгиба
,
где Р'пр— усилие пружин сцепления при выключении; l — расстояние до опасного сечения; uр— передаточное число рычага; nр— число рычагов; ωи — момент сопротивления изгибу.
Допускаемое напряжение [σи]=300 МПа. Материал рычагов — сталь 10, сталь 15. Иногда материалом рычагов служит ковкий чугун. В этом случае допускаемое напряжение примерно вдвое ниже, чем для стали.
Ступица ведомого диска. Шлицы испытывают смятие и изгиб. Напряжение смятия
,
где Pш = Mкmaxβ / rср; rср = (dн + dв)/4; F = 0,5(dн — dв) lшiш,
lш — длина шлицев; iш —число шлицев; α = 0,75 — коэффициент точности прилегания шлиц; dн и dв — соответственно наружный и внутренний диаметр шлицев.
Напряжение среза
,
где bш — ширина шлица.
Материал ступицы — легированная сталь типа 40Х, допускаемое напряжение смятия [σc] = 15...30 МПа, допускаемое напряжение [τ] =5...15 МПа.
Работа буксования сцепления. Для расчета работы буксования используют формулы, базирующиеся на статической обработке экспериментальных данных. Приведем варианты этих формул.
1)
,
где Мψ — момент сопротивления движению при трогании, приведенный к ведущему валу коробки передач, Jа — момент инерции автомобиля (автопоезда), приведенный к ведущему валу коробки передач; ωe = 0,75ωN — для дизелей; ωe = ωD/3 + 50 π — для карбюраторных двигателей; b = 0,72 — для дизелей, b = 1,23 — для карбюраторных двигателей. Расчет производится для легковых автомобилей и автопоездов на первой передаче; для грузовых одиночных автомобилей на второй передаче.
2)
.
Удельная работа буксования сцепления
Lб0 = Lб / Fн.с,
где Fн.с — суммарная площадь накладок сцепления.
Удельная работа буксования при указанных выше условиях трогания автомобиля с места для легковых автомобилей [Lб0] = 50...70 Дж/см2; для грузовых автомобилей [Lб0] = 15...120 Дж/см2; для автопоездов [Lб0] = 10...40 Дж/см2.
Нагрев деталей сцепления. Чрезмерный нагрев деталей сцепления при буксовании может вывести его из строя.
Нагрев деталей за одно включение при трогании с места
ΔT = γ Lб / (mдет сдет),
где γ — коэффициент перераспределения теплоты между деталями (γ = 0,5 — для нажимного диска однодискового сцепления и среднего диска двухдискового сцепления; γ = 0,25 — для наружного диска двухдискового сцепления); сдет—теплоемкость детали; mдет— масса детали.
Допустимый нагрев нажимного диска за одно включение
[ΔT] =10...15°С.
1.2 Коробка передач
Устройство коробки передач автомобиля ВАЗ-2108
1. Задняя крышка; 2. Ведущая шестерня V передачи; 3. Картер коробки передач; 4. Ведущая шестерня IV передачи; 5. Шарик фиксатора; 6. Пружина фиксатора; 7. Сухарь фиксатора; 8. Ведущая шестерня III передачи; 9. Ведущая шестерня II передачи; 10. Ведущая шестерня заднего хода; 11. Ведущая шестерня I передачи; 12. Картер сцепления; 13. Первичный вал коробки передач; 14. Ведущая шестерня главной передачи; 15. Вторичный вал; 16. Ось сателлитов; 17. Сателлит; 18. Полуосевая шестерня; 19. Сальник полуоси; 20. Шестерня привода спидометра; 21. Коробка дифференциала; 22. Ведомая шестерня главной передачи; 23. Шток выбора передач; 24. Рычаг штока выбора передач; 25. Трехплечий рычаг выбора передач; 26. Фиксатор вилки заднего хода; 27. Вилка заднего хода; 28. Выключатель фонаря заднего хода; 29. Промежуточная шестерня заднего хода; 30. Ось промежуточной шестерни заднего хода; 31. Регулировочное кольцо; 32. Ведомая шестерня I передачи; 33. Скользящая муфта включения 1, II передач и заднего хода; 34. Ведомая шестерня II передачи; 35. Ведомая шестерня III передачи: 36. Блокирующее кольцо синхронизатора III и IV передач; 37. Ступица муфты синхронизатора III и IV передач; 38. Скользящая муфта синхронизатора III и IV передач; 39. Ведомая шестерня IV передачи; 40. Ведомая шестерня V передачи; 41. Скользящая муфта синхронизатора V передачи; 42. А выступ блокирующего кольца; а, в, с зазоры; 43. I.Схема работы синхронизатора; 44. II.Нейтральное положение; 45. III.Начало включения; 46. IV.передачи; 47. IV.Завершение выравнивания угловых скоростей шестерни 39 и вала 15; 48. V.Полное включение IV передачи.
Анализ конструкции в соответствии с требованиями
Для анализа и оценки конструкций коробок передач служит ряд оценочных параметров, которые определяются требованиями, предъявляемыми к коробкам передач различного типа.
Диапазон передаточных чисел. Одним из важных оценочных параметров коробки передач является отношение передаточного числа низшей и высшей! передач
Д = uКПmах/ uКПmin.
Это отношение называется диапазоном передаточных чисел или диапазоном коробки передач.
В легковых автомобилях и автобусах малой вместимости на их базе Д = 3…4; в грузовых автомобилях в зависимости от грузоподъемности и назначения Д = 5…8. Такой же диапазон имеют автобусы средней и большой вместимости с механической коробкой передач; автомобили-тягачи и автомобили высокой проходимости имеют Д = 9…13. В этих пределах находится диапазон передаточных чисел коробки передач для автомобилей технологического назначения, у которых должна быть предусмотрена скорость порядка 2...3 км/ч. Устойчивое движение с такой скоростью может быть обеспечено только при большом значении передаточного числа низшей передачи. Следует иметь в виду, что такая скорость может быть получена также, если применяется раздаточная коробка с понижающей передачей.
Синхронизаторы
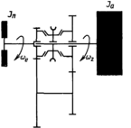
Рисунок 5. Схема динамической системы синхронизатора
Проанализируем рабочий процесс инерционного синхронизатора, рассмотрев последовательно выравнивание угловых скоростей синхронизирующих деталей, блокировку включения передачи до полной синхронизации, включение передачи.
Выравнивание угловых скоростей можно проиллюстрировать динамической системой, принятой для анализа работы инерционного синхронизатора. К подсистеме, имеющей суммарный приведенный момент инерции Jп, относятся детали, связанные с включаемым зубчатым колесом при выключенном сцеплении и нейтральном положении коробки передач: ведомый диск сцепления с ведущим валом и шестерней; промежуточный вал со всеми зубчатыми колесами, закрепленными на нем; зубчатые колеса, свободно устанавливаемые на ведомом валу и находящиеся в постоянном зацеплении с зубчатыми колесами промежуточного вала, а в ряде конструкций и зубчатые колеса заднего хода. Суммарный приведенный момент инерции Jа имеет подсистема, включающая детали, связанные с ведомым (вторичным) валом коробки передач.
Для выравнивания угловых скоростей соединяемых элементов необходимо на поверхностях конусов создать момент трения Мтр. Уравнение динамики Jпdω/dt = Мтр подсистемы с моментом инерции Jп можно проинтегрировать:
.
Считая момент трения Мтр постоянным в течение процесса синхронизации, получим
Мтр =Jп (ω1 — ω2) / t. (1)
Здесь ω2 = ωe/uКПi — угловая скорость ведомого вала до переключения (принято, что за время переключения передачи ω2=const); ω1 = ωe/uКПi+1 — угловая скорость включаемого зубчатого колеса более высокой передачи; t — время выравнивания угловых скоростей (время синхронизации). После подстановки в уравнение (1) значений ω1 и ω2получим
. (2)
Рассмотрим силовое взаимодействие элементов синхронизатора автомобиля ВАЗ 2108.
Рисунок 6. Схема инерционного синхронизатора
Момент трения, создаваемый на конусных поверхностях, может быть выражен через нормальную силу Рп на конусах синхронизации:
Мтр = Рп μ rср, (3)
где Рп — нормальная сила на поверхности трения; μ — коэффициент трения; rср — средний радиус конуса.
В свою очередь, нормальная сила может быть выражена через усилие Q, создаваемое водителем при включении передачи,
Рп = Q / sinδ. (4)
Приравняв правые части уравнений (2) и (3), используя зависимость (4), найдем связь между усилием, создаваемым на муфте синхронизатора, и параметрами, характеризующими синхронизатор:
. (5)
В частности, из этого выражения видно, что усилие Q связано с временем синхронизации обратной зависимостью: чем больше усилие Q, тем меньше время синхронизации; усилие Q тем меньше, чем больше плотность ряда коробки передач.
Работа, затрачиваемая на выравнивание угловых скоростей, т. е. работа трения, затрачиваемая на поглощение кинетической энергии вращающихся деталей:
.
Из этого уравнения следует, что работа трения (работа буксования) синхронизатора пропорциональна квадрату разности угловых скоростей соседних передач и не зависит от времени. Для уменьшения работы буксования синхронизатора необходимо увеличивать число передач в коробке, чтобы сблизить передаточные числа соседних передач; при этом также улучшаются тягово-экономические свойства автомобиля. Однако при увеличении числа передач возрастает момент инерции вращающихся деталей и, следовательно, работа буксования синхронизатора, а также усложняется управление коробкой передач. В выполненных конструкциях коробок передач рациональное согласование влияния рассмотренных противоречивых факторов нашло отражение в том, что шаг ряда передаточных чисел выбирают в пределах 1,1... 1,5.
Принято оценивать синхронизатор по удельной работе трения (буксования)
















