148187 (692246), страница 5
Текст из файла (страница 5)
Если считать карданный вал балкой с защемленными опорами, то числовой коэффициент в формуле следует принимать большим в 1,5...2,25 раза.
Критическая частота вращения карданного вала должна быть в 1,5...2 раза больше максимальной эксплуатационной. Для повышения критической частоты вращения следует уменьшать длину вала, что особенно эффективно, и увеличивать как наружный, так и внутренний диаметры. Внутренний диаметр трубчатого вала можно увеличивать до определенного предела (лимитирует прочность вала).
Скручивающие нагрузки:
Трубчатый вал изготовляют из малоуглеродистой стали (сталь 15, сталь 20), не подвергая ее закалке. Толщина стенок обычно не превышает 3,5 мм (для автомобилей ВАЗ — 2 мм; КамАЗ —3,5 мм).
Напряжение кручения трубчатого вала
; [τкр] = 100...120МПа.
Приваренные к трубе шлицованный наконечник и вилку изготовляют из легированной или углеродистой конструкционной стали 30, 35Х или 40.
Напряжение кручения сплошного вала
; [τкр] = 300...400 МПа.
При передаче крутящего момента карданный вал закручивается на некоторый угол
где J0 — момент инерции сечения вала (трубчатого
, сплошного
); G — модуль упругости при кручении, G = 850 ГПа.
Допускаемый угол закручивания 7...8° на 1 м длины вала.
Скручивающие нагрузки вызывают смятие и срез шлицев вала. Напряжение смятия шлицев от сил, действующих по их среднему диаметру,
, [σсм] = 15…20 МПа
где dш.н, dш.вн — наружный и внутренний диаметры шлицевого конца вала; nш — число шлицев; lш — длина шлица.
Напряжение среза (считая, что шлицы срезаются у основания по диаметру dш.вн; bш — ширина шлица)
[τср] =25...30 МПа
Осевые нагрузки в карданной передаче возникают в шлицевом соединении при перемещениях, связанных с изменением расстояния между шарнирами, например при колебаниях кузова на рессорах. Исследования показали, что даже при наличии большого количества смазочного материала последний не удерживается на поверхности трения и перемещение в шлицевом соединении происходит в условиях граничного трения. При этом коэффициент трения μ = 0,2, а иногда (при появлении задиров) μ = 0,4. При передаче большого крутящего момента в шлицевом соединении происходит защемление, и карданный вал, по существу, передает тяговое усилие. При этом двигатель, установленный на упругих подушках, продольно смещается в некоторых автомобилях на 10 мм, а иногда и больше. Большие осевые силы (в грузовых автомобилях 20...30 кН) независимо от того, смазано шлицевое соединение или нет, создают дополнительные нагрузки на карданные шарниры, промежуточную опору карданной передачи, а также на подшипники коробки передач и главной передачи. Повышенное трение в шлицевом соединении приводит к быстрому изнашиванию шлицев и к нарушению в связи с этим балансировки карданной передачи.
Осевые силы являются одной из главных причин того, что долговечность карданных передач в 2...3 раза ниже долговечности основных агрегатов автомобиля. Осевая сила
Сечение трубы карданного вала определяют исходя из напряжения на кручение:
τт=16ТmахDн/π(D4н –D4вн),
где τТ — предел текучести материала вала.
-
Ходовая часть шасси автомобиля
2.1 Подвески автомобиля
Рисунок 14. Кинематические схемы подвесок автомобиля
а — зависимой; б — однорычажной независимой; в — двухрычажной независимой с рычагами равной длины; г — двухрычажной независимой с рычагами разной длины; д — независимой рачажно-телескопической (ВАЗ-2108); е — независимой двухрычажной с торсионом; ж — независимой с продольным качанием.
Передняя подвеска автомобиля ВАЗ-2108
1 - шаровая опора; 2 - ступица; 3 - тормозной диск; 4 - защитный кожух; 5 - поворотный рычаг; 6 - нижняя опорная чашка; 7 - пружина подвески; 8 - защитный кожух; 9 - буфер сжатия; 10 - верхняя опорная чашка; 11 - резиновый элемент верхней опоры; 12 - защитный колпак; 13 - подшипник верхней опоры; 14 - шток; 15 - опора буфера сжатия; 16 - телескопическая стойка; 17 - гайка; 18 - эксцентриковый болт; 19 - поворотный кулак; 20 - вал привода переднего колеса; 21 - защитный чехол шарнира; 22 - наружный шарнир вала; 23 - нижний рычаг; а - стойка с полым поворотным рычагом; б - стойка с цельнометаллическим поворотным рычагом.
Задняя подвеска автомобиля ВАЗ-2108
1. Ступица заднего колеса; 2. Рычаг задней подвески; 3. Кронштейн креплений рычага подвески; 4. Резиновая втулка шарнира рычага; 5. Распорная втулка шарнира рычага; 6. Болт крепления рычага задней подвески; 7. Кронштейн кузова; 8. Опорная шайба крепления штока амортизатора; 9. Верхняя опора пружины подвески; 10. Распорная втулка; 11. Изолирующая прокладка пружины подвески; 12. Пружина задней подвески; 13. Подушки крепления штока амортизатора; 14. Буфер хода сжатия; 15. Шток амортизатора; 16. Защитный кожух амортизатора; 17. Нижняя опорная чашка пружины подвески; 18. Амортизатор; 19. Соединитель рычагов; 20. Ось ступицы: 21. Колпак; 22. Гайка крепления ступицы колеса; 23. Уплотнительное кольцо: 24. Шайба подшипника; 25. Подшипник ступицы; 26. Щит тормоза; 27. Стопорное кольцо; 28. Грязеотражатель: 29. Фланец рычага подвески; 30. Втулка амортизатора; 31. Кронштейн рычага с проушиной для крепления амортизатора; 32. Резинометаллический шарнир рычага подвески.
Анализ и оценка элементов конструкции подвески автомобиля
Рычажно-телескопическая подвеска передних колес автомобиля —качающаяся свеча (рис. 17) обеспечивает незначительные изменения колеи, развала и схождения колес, при этом замедляется изнашивание шин, улучшается устойчивость автомобиля. Подвеска имеет один поперечный рычаг внизу, ее основной элемент — амортизаторная стойка, имеющая верхнее шарнирное крепление под крылом, что обеспечивает большое плечо между опорами стойки. В верхней опоре имеется подшипник, необходимый для исключения закручивания пружины, что могло бы вызвать стабилизирующий момент и дополнительные изгибающие нагрузки. Малые размеры и масса, большое расстояние по высоте между опорами, большой ход также относятся к преимуществам этой подвески. Конструктивные трудности обусловлены нагружением крыла в точке крепления верхней опоры.
Рисунок 17. Расчетная схема рычажно-телескопической подвески
На рисунке 17 показаны силы, действующие в рычажно-телескопической подвеске. По линии еА действует сила Рв, которая может быть разложена на две составляющие силы: Рпр, действующую на пружины, и Qпр, перпендикулярную оси стойки, приложенную в точке А к опоре стойки. Под действием этой силы повышается трение штока поршня в направляющей стойке. В результате ухудшается реагирование подвески на мелкие дорожные неровности.
При совмещении осевой линии подвески с линией еА силы Рв и Рпр совпадут, а поперечная сила Qпр исчезнет. Для этой цели пружины располагают под углом или смещают пружину в сторону колеса.
Зависимая подвеска отличаются тем, что вертикальное перемещение колеса сопровождается изменением угла λ, что вызывает гироскопический эффект, возбуждающий колебания колеса относительно шкворня.
Нагрузки на подвеску автомобиля
Нагрузки на упругий элемент:
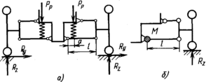
Зависимая подвеска (рис. 18, а). Нагрузка зависит от реакции Rz на колесо и веса неподрессоренных масс Gн.м:
PP = Rz — 0,5 Gн.м
Рисунок 18. Расчетная схема для определения нагрузок на упругие элементы подвески
При этом прогиб упругого элемента равен перемещению колеса относительно кузова fр = fк.
Независимая подвеска.
Для двухрычажной подвески (рис. 19, а) нагрузка на упругий элемент
Pp = (Rz — G'к) l / a,
где G'к — вес колеса и направляющего устройства.
А прогиб fp = fк a / l.
Рисунок 19. Расчетная схема для определения нагрузок на упругие элементы подвески
Пружины в качестве основных упругих элементов широко применяются в подвесках легковых машин повышенной проходимости и в качестве вспомогательных элементов, например ограничителей или корректирующих устройств, на других машинах. В первом случае используются цилиндрические пружины, витые из прутка круглого или прямоугольного сечения; характеристика их линейна. Для ограничителей хода применяются конические пружины.
Усилие, сжимающее пружину, определяется кинематической схемой подвески.
Рисунок 20. Расчетная схема подвески с цилиндрической пружиной
Pn = (Pi ai,)/bi
Усилие Рn может быть выражено также следующим образом:
Pn = λּcn,
Pnmax = λmaxּcn,
где λmах — максимальная деформация пружины; сn — жесткость пружины.
где τmах — максимальное напряжение в пружине; d — диаметр прутка; D — средний диаметр пружины; τдоп — допускаемое напряжение; τдоп = 600-700 МПа.
















