148032 (692164)
Текст из файла
Курсовая работа
"Расчет эксплуатационных свойств автомобилей УАЗ 3741 и Volkswagen Transporter T4"
Введение.
Цель работы: исследовать эксплуатационные свойства отечественного автомобиля УАЗ 3741 и его зарубежного аналога Volkswagen Transporter T4. Произвести расчет тягово-скоростных и тормозных свойств автомобилей, выполнить сравнительный анализ, построить графики и изобразить кинематические схемы, сделать выводы.
1. Перечень конструктивных параметров
Таблица 1
| Характеристики | Обозначения | УАЗ 3741 | Volkswagen Transporter T4 |
| Снаряженная масса, кг | mc | 1720 | 1855 |
| Полная масса, кг | ma | 2720 1290 1430 | 2640 1230 1410 |
| Габаритная высота, мм | Нг | 2100 | 1940 |
| Габаритная ширина, мм | Вг | 1940 | 1840 |
| База автомобиля, мм | L | 2300 | 2920 |
| Мощность двигателя, кВт | Nmax | 56 | 57 |
| Рабочий объем двигателя, куб. см | 2445 | 2370 | |
| Частота оборотов, об/мин | n | 4000 | 3700 |
| Количество передач | l | 4 | 5 |
| Передаточные числа | |||
| 1 | iкп | 4,12 | 3,77 |
| 2 | 2,64 | 2,26 | |
| 3 | 1,58 | 1,63 | |
| 4 | 1,00 | 1,29 | |
| 5 | - | 1,00 | |
| з/х | 5,22 | 4,92 | |
| Передат. число главной передачи | iгп | 4,11 | 3,84 |
| Передат. число раздаточной коробки | iрк | 1,00 1,47 | 1,00 1,35 |
| Маркировка шин | 225/75 R16 | 205/65 R15 |
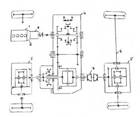
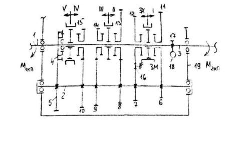
2. Кинематическая схема трансмиссии
1 – двигатель
2 – сцепление
3 – коробка передач
4 – раздаточная коробка
5 – главная передача и дифференциал
6 – полуоси
7 – карданная передача
1 – первичный вал
Промежуточный вал
3 – вторичный вал
4, 5 – шестерни постоянного зацепления
6, 7, 8, 9, 10 – ведущие шестерни
11, 12, 13, 14, 15 – ведомые шестерни
16 – промежуточная шестерня заднего хода
17, 18 – ведущая, ведомая шестерня привода спидометра
19 – ведущий фланец вторичного вала
ЗМ – зубчатая муфта
М1кп – крутящий момент на первичном валу
М2кп – крутящий момент на вторичном валу
3. Расчет тягово-скоростных свойств автомобилей, построение внешне скоростной характеристики
Тягово-скоростными свойствами автомобиля называется совокупность свойств определяющие возможные (по характеристикам двигателя или сцепления колес с дорогой) диапазоны изменения скоростей движения и предельной интенсивности разгона автомобиля при работе его в тяговом режиме в различных дорожных условиях. Тяговым считается режим, при котором от двигателя к ведущим колесам подводится мощность достаточная для преодоления сопротивлений движения и осуществления разгона или устойчивого движения.
Внешней скоростной характеристикой называется зависимость мощности, экономических параметров от частоты вращения коленчатого вала при полной подаче топлива.
Расчетные формы:
1. Эффективная угловая скорость вращения коленчатого вала:
, рад/с, где ne – эффективная частота вращения коленчатого вала (об/мин)
2. Эффективная мощность (формула Лейдермана):
, кВт,
где Nmax – максимальная мощность двигателя (кВт),
a, b, c-коэффициенты, зависящие от типа двигателя;
для карбюраторных двигателей a=b=c=1
e-угловая скорость вращения коленчатого вала, при максимальной мощности двигателя (рад/с)
3. Эффективный крутящий момент двигателя:
, кНм
По исходным данным и используя эти формулы строим таблицу внешне скоростной характеристики для отечественного автомобиля УАЗ 3741 и его зарубежного Volkswagen Transporter T4
Пример расчета для автомобиля УАЗ 3741
рад/с
Ne=56*(1*1000/4000+1*(1000/4000)2+1*(1000/4000)3)=16,625 кВт,
Me=16,625*1000/104,667=158,8376 Нм
Таблица 2. Внешне скоростная характеристика двигателей автомобилей УАЗ 3741 и Volkswagen Transporter T4
| УАЗ 3741 | Volkswagen Transporter T4 | ||||
| nе, об/мин | e, рад/с | Ne, кВт | Me, Нм | Ne, кВт | Me, Нм |
| 1000 | 104,6667 | 16,625 | 158,8376 | 18,443725 | 176,2139 |
| 1500 | 157 | 25,92188 | 165,1075 | 28,678361 | 182,6647 |
| 2000 | 209,3333 | 35 | 167,1975 | 38,462875 | 183,7398 |
| 2500 | 261,6667 | 43,20313 | 165,1075 | 46,95329 | 179,4393 |
| 3000 | 314 | 49,875 | 158,8376 | 53,305628 | 169,7631 |
| 3700 | 387,2667 | 55,39363 | 143,0374 | 57 | 147,1854 |
| 4000 | 418,6667 | 56 | 133,758 | 56,220165 | 134,2838 |
Вывод: из построенных графиков внешней скоростной характеристики видно, что при одинаковых оборотах коленчатого вала, двигатель Volkswagen Transporter T4 развивает большую эффективную мощность и эффективный крутящий момент, чем УАЗ 3741 на первой и второй передачах.
4. Расчет и построение графиков силовых и мощностных балансов для автомобилей УАЗ 3741 и Volkswagen Transporter T4
С помощью уравнений силового и мощностного баланса можно находить все параметры, характеризующие тягово-скоростные свойства автомобиля. Эти уравнения являются дифференциальными уравнениями первого порядка.
Уравнение силового баланса выглядит следующим образом:
РT=Рв+Рд+Ри,
где РT – тяговое усилие, кН;
Рв – сила сопротивления воздуха, кН;
Рд – сила сопротивления дороги, кН;
Ри – сила сопротивления разгону автомобиля, кН.
Правая часть уравнения характеризует действие на автомобиль того или иного фактора или факторов окружающей среды или самого автомобиля, препятствующего (препятствующих) движению автомобиля, а сила, находящаяся в левой части является силой обеспечивающей движениё автомобиля:
, кН
где Ме – крутящий момент, Нм;
тр – КПД трансмиссии;тр=0,9
rд – динамический радиус колеса, м;
iтр – передаточное число трансмиссии.
iтр=iкпiгпiрк
Динамический радиус колеса можно считать примерно равным статическому радиусу колеса, который определяется по формуле:
rст=rд=0,5d+Bcм, м,
где d – посадочный диаметр обода колеса, мм;
=Н/В, где Н и В-высота и ширина профиля шины, мм;
B – ширина профиля шины, мм;
cм – коэффициент, учитывающий смятие шины под нагрузкой
принимаем cм=0,84;
Расчет для автомобиля УАЗ 3741 с маркировкой шин 225/75R16
rд=0,516 25,4+0,7225 0,84= 335,5 мм
rд=335,5 мм = 0,336 м
Рт=158,8376*0,9*4,12*4,11*1,47*10-3/0,336=10,59 кН;
Расчет для автомобиля Volkswagen Transporter T4 с маркировкой шин 205/65 R15
rд=0,515 25,4+0,7205 0,84=311,04 мм
rд=311,04 мм =0,311 м.
Рт=176,2139*0,9*3,77*3,84*1,35*10-3/0,311=9,97 кН;
Силу сопротивления воздуха можно рассчитать по следующей формуле:
, кН,
где Va – скорость движения автомобиля, м/с:
, м/с
Расчет для автомобиля УАЗ 3741
Va=104,6667*0,336/4,12*4,11*1,47=1,41 м/с;
Расчет для автомобиля Volkswagen Transporter T4
Характеристики
Тип файла документ
Документы такого типа открываются такими программами, как Microsoft Office Word на компьютерах Windows, Apple Pages на компьютерах Mac, Open Office - бесплатная альтернатива на различных платформах, в том числе Linux. Наиболее простым и современным решением будут Google документы, так как открываются онлайн без скачивания прямо в браузере на любой платформе. Существуют российские качественные аналоги, например от Яндекса.
Будьте внимательны на мобильных устройствах, так как там используются упрощённый функционал даже в официальном приложении от Microsoft, поэтому для просмотра скачивайте PDF-версию. А если нужно редактировать файл, то используйте оригинальный файл.
Файлы такого типа обычно разбиты на страницы, а текст может быть форматированным (жирный, курсив, выбор шрифта, таблицы и т.п.), а также в него можно добавлять изображения. Формат идеально подходит для рефератов, докладов и РПЗ курсовых проектов, которые необходимо распечатать. Кстати перед печатью также сохраняйте файл в PDF, так как принтер может начудить со шрифтами.















