147666 (692005), страница 3
Текст из файла (страница 3)
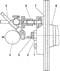
• защитный колпачок пресс-масленки; 2 - пресс-масленка; опойка; 4 - подшипник; 5 - шкворень. А - капал для прохожде-шазки в упорный шарикоподшипник
he. 337. Шарнирное соединение нижнего конца стойки: I головки рычагов передней подвески; 2 - наружная резьбовая щлт, 3 - распорная резьбовая втулка; 4 - головка стойки пещей подвески; 5 - защитное кольцо; б - гайка, 7 - палец; '■игольчатый подшипник; 9 - шкворень; 10 - масленка; С - масти канал, D - рабочее положение втулки 2; Е - сдвинутое ие-щалъпое положение втулки 2'.
При этом распорная резьбовая втулка, по отношению к пальцу, остается неподвижной. Однако, в процессе эксплуатации автомобиля затяжка пальцев может ослабнуть по разным причинам.
В результате ослабления затяжки внутренняя резьбовая втулка вывертывается из наружной до тех пор, пока наружная резьбовая втулка не упрется своим торцом в головку рычага (см. рис. 337 справа). Подвеску может заклинить и она становится жесткой. Начинается износ торцов головок рычагов, втулок и резьбовых пальцев. Этот износ может сопровождаться скрипом.
На противоположном конце открывается пространство и мимо защитного кольца, а также между втулкой и пальцем, в резьбовое соединение начинают проникать грязь и вода. Вода быстро вымывает смазку, детали коррозируют, резко увеличивается момент трения в резьбовом соединении (вплоть до заклинивания) и резьбовая втулка начинает проворачиваться и работать по пальцу. Такая ненормальная работа приводит не только к быстрому износу рычагов, пальцев и втулок, но и к поломкам головок стоек и рычагов. В том случае, когда произошло все же ослабление крепления, а резьбовые втулки "перегнало" к торцам головок, необходимо восстановить зазоры, как указано ниже.
В колесно-ступичный узел (рис. 339) входит дисковый тормоз с вентилируемым диском 2, тормозная скоба 3 плавающего типа, основание которой привернуто к кронштейну 23 с запрессованной в него цапфой, выполненный раздельно от цапфы кулак 4, ступица 1 с резьбовыми отверстиями для крепления тормозного диска 2 и диска колеса болтами. Поворотный рычаг 19 съемный и крепится через гладкие отверстия в рычаге и кулаке к кронштейну 23 болтом (передняя точка крепления) и специальным болтом 18 с удлиненной головкой, являющимся также ограничителем поворота колес автомобиля. Между кулаком и кронштейном зажат щит тормоза 20. Подшипники ступицы 24 и 25 имеют плавную бесступенчатую регулировку.
Для уменьшения усилия, необходимого для поворота передних колес, поворотный кулак и стойка соединяются друг с другом с помощью шкворня 15 через игольчатые подшипники 9, установленные в ушках стойки и защищенные от попадания грязи кольцевыми уплотнителями 10.
Шкворень в поворотном кулаке закреплен и ограничен от осевых перемещений штифтом б, входящим в полукруглую лыску 13 на верхнем конце шкворня. Между верхними ушками стойки и кулака установлен упорный шариковый подшипник 12, защищенный от попадания грязи специальным уплотнителем 11.
Особенности эксплуатации и техническое обслуживание передней подвески
Через первые 1000 км проверить сходимость передних колес (см. раздел: "Техническое обслуживание через 20000 км"
Через 5000 км пробега:
проверить сходимость передних колес и отрегулировать при необходимости (см. раздел "Техническое обслуживание через 20000 км");
перед проверкой сходимости колес проверить состояние резиновых втулок верхних и нижних рычагов подвески. Заметное смещение головок рычагов на втулках и сквозной износ втулок не допускается. Изношенные втулки заменить;
смазать резьбовые шарниры передней подвески и подшипники шкворней поворотных кулаков смазкой ТАП-15в или ТАД-17и или Омскойл Супер Т через:
Нижнюю пресс-масленку (поз. 10, рис. 337), расположенную в нижней бобышке стойки, игольчатый подшипник и нижнюю резьбовую втулку;
Среднюю пресс-масленку (поз. 2, рис. 338), расположенную в верхней бобышке стойки, игольчатый подшипник и упорный шарикоподшипник;
Верхнюю пресс-масленку (поз. 10, рис. 336) в верхней головке стойки только верхнюю резьбовую втулку.
При эксплуатации автомобиля в гористой местности, на грунтовых дорогах или на дорогах с гравийным или щебенчатым покрытием периодичность смазки сокращается до 4000 км пробега.
Смазка производится до выхода ее из-под уплотнителя шарикоподшипника и из-под защитных колец с обеих сторон резьбовых втулок.
Запрещается применять консистентную или не рекомендованную смазку, так как смазки могут быть несовместимы с применяемой и в результате закок-совываться в смазочном канале С. Смазка перестает поступать к резьбовым втулкам, которые в результате этого быстро выходят из строя. При попытках "пробить" канал давлением смазки из шприца выдавливается нижняя заглушка шкворня, а при эксплуатации автомобиля с выдавленной заглушкой выходит из строя нижний шарнир шкворня, что приведет к необходимости замены и шкворня и подшипников.
-
Деталь с чертежа
В случае непрохождения смазки следует:
поднять автомобиль домкратом и подвести опору под чашку пружины подвески;
снять колесо и очистить головки рычагов и стойки от грязи;
отвернуть гайку 6 (см. рис. 337) и вынуть палец 7. Эту и последующие операции удобнее всего производить последовательно для верхней и нижней головок стойки с левой и правой стороны подвески;
вывести головку стойки с резьбовыми втулками из головок рычагов и снять защитные кольца;
вывернуть резьбовую втулку 3 и тщательно промыть в керосине или неэтилированном бензине;
очистить масляные каналы;
смазать резьбовые втулки вышеуказанными маслами и ввернуть их в наружную резьбовую втулку головки стойки таким образом, чтобы внутренние резьбовые втулки выходили из внутренних на одинаковые расстояния для обеспечения одинаковых зазоров между торцами наружных резьбовых втулок и торцами головок рычагов. Разность в этих размерах не должна превышать 0,8 мм;
надеть защитные кольца на резьбовые втулки;
произвести сборку стойки с рычагами в порядке, обратном разборке. Гайки 6 пальцев 7 затянуть моментом 12,0-20,0 даН • м (12,0-20,0 кгс • м);
смазать резьбовые втулки через пресс-масленки до выхода смазки из-под защитных колец с обеих сторон втулок.
Через 20 000 км пробега:
смазать резьбовые шарниры и подшипники шкворней, как при пробеге 5000 км;
проверить состояние резиновых втулок рычагов подвески, как при пробеге 5000 км;
проверить состояние подушек стоек амортизатора. Допускается износ стенки подушки до толщины 6 мм;
проверить состояние подушек штанги стабилизатора. Сквозной износ подушек не допускается;
проверить зазоры между наружными втулками резьбовых шарниров и торцами головок рычагов подвески, сместив защитные резиновые кольца на наружные диаметры втулок. Разница зазоров не должна превышать 0,8 мм. Для восстановления требуемых зазоров необходимо выполнить работы рекомендованые в случае непрохождения смазки;
проверить и, при необходимости, подтянуть крепление передней подвески к лонжеронам моментом 12,5-14,0 даН «м (12,5-14,0 кгс *м), осей верхних рычагов к кронштейну поперечины подвески моментом 2,7-3,6 даН • м (2,7-3,6 кгс • м), гаек осей верхних рычагов 7,0-9,0 даН • м (7,0-9,0 кгс • м), гаек пальцев резьбовых шарниров 12,0-20,0 даН • м (12,0-20,0 кгс • м).
Снять стопорные скобы с пальцев осей нижних рычагов, проверить и подтянуть, при необходимости, затяжку пальцев на оси моментом 18,0-20,0 даН • м (18,0-20,0 кгс • м). Установить на место стопорные скобы и закрепить их болтами на бандажных кольцах осей нижних рычагов;
- проверить и, при необходимости, отрегулиро
вать подшипники ступиц передних колес.
Регулировка затяжки подшипников ступиц передних колес требует особой тщательности. При слишком слабой затяжке удары, возникающие от дороги при движении автомобиля, разрушают подшипники, а это, в свою очередь, приводит к быстрому износу фрикционных накладок колодок дискового тормоза. При тугой затяжке подшипники сильно нагреваются, что приводит к расплавлению и выдавливанию смазки из под колец и роликов и, как следствие, к разрушению подшипников.
Величину люфта в подшипниках (она должна
быть в пределах 0-0,03 мм) определяют по перемещению ступицы относительно торца цапфы при возврат-но-поступательном перемещении ступицы с диском вдоль оси ступицы с усилием не менее 10 кгс. Замеры люфта в ступице и последующую, при необходимости, регулировку рекомендуется проводить с помощью индикаторного приспособления 6999-7967 (рис. 341). Порядок регулировки:
затормозить автомобиль стояночным тормозом и подложить клинья под заднее колесо, противоположное снимаемому;
снять колпак колеса, ослабить болты крепления колеса и затяжку колпака ступицы 28 (см. рис. 339);
вывесить колесо;
вывернуть болты крепления колеса, снять колесо и отвернуть колпак ступицы;
- подобрать три вспомогательных болта М12х 1,25x30 и закрепить ими диск на ступице вместо болтов крепления колеса;
обеспечить свободное вращение ступицы, для чего снять резиновый колпачок и надеть на клапан прокачки цилиндра тормоза резиновую трубку во избежание попадания тормозной жидкости на детали автомобиля при отворачивании клапана;
отвернуть клапан прокачки;
утопить поршень тормозного цилиндра, перемещая корпус скобы на себя;
завернуть клапан прокачки, надеть резиновый колпачок;
расстопорить и отвернуть регулировочную гайку 27; v
навернуть на цапфу новую регулировочную гайку и, поворачивая ступицу в обе стороны за
Рис. 341. Индикаторное приспособление 6999-7967
для регулировки подшипников ступиц:
1 - вспомогательные болты; 2 - регулировочная гайка;3 ■ цапфа;
4 - индикатор; 5 - стойка индикатора; 6 - шпилька; 7 - тормозной
диск; 8 - ступица
тормозной диск (для сомоустановки подшипников), затянуть гайку моментом 2 даН • м (2 кгс • м);
- провернуть ступицу. Если ступица не вращается совершенно свободно, то следует устранить причину притормаживания;
отпустить регулировочную гайку, а затем снова затянуть ее моментом 0,6...0,7 даН'М (0,6...0,7 кгс-м);
снова отпустить регулировочную гайку на угол 20°...25°. После регулировки при приложении осевого усилия 10 кгс осевое перемещение ступицы относительно торца цапфы должно быть в пределах 0-0,03 мм;
застопорить гайку вдавливанием буртика гайки в пазы цапфы, как указано на рис. 336. Допускается вдавливание буртика только в один из пазов цапфы;
завернуть колпак ступицы, снять вспомогательные болты, закрепить на ступице колесо и опустить автомобиль;
- затянуть болты креления колес рекомендованным моментом и поставить колпак колеса.
Правильность регулировки подшипников окончательно проверяется по нагреву ступиц колес при движении автомобиля. Наличие ощутимого нагрева после пробега 8-10 км без применения тормозов указывает на то, что подшипники отрегулированы неправильно и регулировку необходимо повторить с установкой новой гайки 27. Допускается незначительный нагрев ступиц при установке новых подшипников или замене манжеты.
При проверке регулировки подшипников по нагреву ступиц не следует пользоваться рабочими тормозами, так как в этом случае ступицы нагре-1 ваются от тормозных дисков;
проверить зазоры между наружными втулка-1 ми резьбовых шарниров и головками рычагов пе-1 редней подвески. Разность в зазорах должна быть! не более 0,8 мм. Если требуется отрегулировать! зазоры, то необходимо разъединить головки рыча-1 гов от шарниров согласно указаниям на стр. 259; I
проверить и, при необходимости, отрегулирО'1 вать углы установки передних колес. Углы уста-1 новки передних колес - развал, продольный ка-1 клон шкворня и сходимость колес - сильно влияю: на износ шин и устойчивость автомобиля на ходу, поэтому их нужно периодически проверять и, при необходимости,регулировать.
Углы установки колес для автомобиля без пассажиров должны быть следующими:
угол продольного наклона:
шкворневой оси от 4°30' до 6* I
развал колес 0° ± 30'
сходимость колес на высоте центров колес:
при замере по шинам, мм 1-2
при замере по ободам, мм 0,7-1,3 I
на приборе стенда 0°7'-00Н|
наибольший угол поворота правого
колеса вправо и левого колеса
влево (не регулируется) 40°-42° I
Примечания
Разность углов продольного наклона шкворневых осей для левого и правого колес должна быть не более 0°30'.
Разность развала для левого и правого колес - не более О'30\
Углы поворота правого и левого колес ограничиваются жесткими нерегулируемыми упорами сошки рулевого управления в лонжероны рамы. По этим упорам устанавливается среднее положение рулевого колеса (см. раздел "Рулевое управление").
Регулировка развала и продольного наклона шкворней осуществляется изменением количества регулировочных прокладок 2 (см. рис. 336).
Развал колес считается положительным, если колеса наклонены (верхней частью) наружу, и отрицательным, если они наклонены вну-трь (к продольной осевой плоскости автомобиля).
Продольный наклон шкворня считается положительным, когда нижний конец шкворня наклонен вперед, и отрицательным, при отклонении назад.
















