126294 (690997)
Текст из файла
КУРСОВОЙ ПРОЕКТ
НА ТЕМУ:
«ПРОЕКТ ЧЕРВЯЧНОГО РЕДУКТОРА»
Днепропетровск 2010
Введение
Курсовой проект – самостоятельная конструкторская работа. При выполнении проекта нужно проявить максимум инициативы и самостоятельности.
Цель курсового проекта – углубить теоретические и практические навыки и знания, полученные в процессе обучения, а также закрепить необходимые навыки конструирования, расчета и эксплуатации червячного редуктора.
В данном курсовом проекте необходимо решить следующие задачи:
1. Спроектировать 2 червячные передачи на 5 kH*м на выходном валу.
2. Расчет на прочность.
3. Выбор подшипники из условия ТСЛ =10000 часов.
-
Назначение и область применения привода
Редуктором называют механизм, состоящий из зубчатых или червячных передач, выполненный в виде отдельного агрегата и служащий для передачи мощности от двигателя к рабочей машине.
Назначение редуктора – понижение угловой скорости и повышение вращающего момента ведомого вала по сравнению с валом ведущим.
Редуктор состоит из литого чугунного корпуса, в котором помещены элементы передачи – червяк, червячное колесо, подшипники, вал и пр. Входной вал редуктора посредством зубчато-ременной передачи соединяется с двигателем, выходной посредством муфты – с конвейером.
Червячные редукторы применяют для передачи движения между валами, оси которых перекрещиваются.
Так как КПД червячных редукторов невысок, то для передачи больших мощностей в установках, работающих непрерывно, проектировать их нецелесообразно. Практически червячные редукторы применяют для передачи мощности, как правило, до 45 кВт и в виде исключения до 150 кВт.
2. Расчетная часть
2.1 Спроектировать 2 червячные передачи на 5kH*м на выходном валу
Исходные данные для расчета: выходная мощность –
=5 кВт; выходная частота вращения вала рабочей машины –
=65 об/мин; нагрузка постоянная; долговечность привода – 10000 часов.
Рис. 1 – кинематическая схема привода: 1 – двигатель; 2 – клиноременная передача; 3 – червячная передача; 4 – муфта
Определение требуемой мощности электродвигателя
– (2.1)
где:
- коэффициент полезного действия (КПД) общий.
х
(2.2)
где [3, табл. 2.2]:
- КПД ременной передачи
- КПД червячной передачи
- КПД подшипников
- КПД муфты
Определяем частоты вращения и угловые скорости валов.
- угловая скорость двигателя;
- число оборотов быстроходного вала;
- угловая скорость быстроходного вала;
- число оборотов тихоходного вала;
– угловая скорость тихоходного вала.
Определение мощностей и передаваемых крутящих моментов валов
Определяем мощности на валах
Расчет ведем по [3]
Мощность двигателя -
Определяем мощность на быстроходном валу
(3.1)
Определяем мощность на тихоходном валу
(3.2)
Определяем вращающие моменты на валах
Определяем вращающие моменты на валах двигателя, быстроходном и тихоходном валах по формуле
(3.3)
Расчет червячной передачи
Исходные данные
Выбор материала червяка и червячного колеса
Для червяка с учетом мощности передачи выбираем [1, c. 211] сталь 45 с закалкой до твердости не менее HRC 45 и последующим шлифованием.
Марка материала червячного колеса зависит от скорости скольжения
(4.1)
м/с
Для венца червячного колеса примем бронзу БрА9Ж3Л, отлитую в кокиль.
Предварительный расчет передачи
Определяем допускаемое контактное напряжение [1]:
[ун] =КHLСv0,9в, (4.2)
где Сv – коэффициент, учитывающий износ материалов, для Vs=0,75 он равен 1,21
в, – предел прочности при растяжении, для БрА9Ж3Л в,=500
КHL – коэффициент долговечности
КHL =
, (4.3)
где N=5732Lh, (4.4)
Lh – срок службы привода, по условию Lh=10000 ч
N=573х1,03х10000=5901900
Вычисляем по (4.3):
КHL =
КHL =1.068
[ун] =1.068х1,21х500=646
Число витков червяка Z1 принимаем в зависимости от передаточного числа при U = 17 принимаем Z1 = 2
Число зубьев червячного колеса Z2 = Z1 x U = 2 x 17 = 34
Принимаем предварительно коэффициент диаметра червяка q = 10;
Коэффициент нагрузки К = 1,2; [1]
Определяем межосевое расстояние [1, c. 61]
(4.5)
Вычисляем модуль
(4.6)
Принимаем по ГОСТ2144–76 (таблица 4.1 и 4.2) стандартные значения
m = 4.5
q = 10
Тогда пересчитываем межосевое расстояние по стандартным значениям m, q и Z2:
(4.7)
Принимаем aw = 100 мм.
Расчет геометрических размеров и параметров передачи
Основные размеры червяка.:
Делительный диаметр червяка
(4.8)
Диаметры вершин и впадин витков червяка
(4.9)
(4.10)
Длина нарезной части шлифованного червяка [1]
(4.11)
Принимаем b1=42 мм
Делительный угол подъема г:
г =arctg(z1/q)
г =arctg (4/10)
г = 21 є48’05»
ha=m=4 мм; hf=1,2x m=4,8 мм; c=0,2x m=0,8 мм.
Основные геометрические размеры червячного колеса [1]:
Делительный диаметр червячного колеса
(4.12)
Диаметры вершин и впадин зубьев червячного колеса
(4.13)
(4.14)
Наибольший диаметр червячного колеса
(4.15)
Ширина венца червячного колеса
(4.16)
Принимаем b2=32 мм
Окружная скорость
(4.17)
червяка -
колеса –
Скорость скольжения зубьев [1, формула 4.15]
КПД редуктора с учетом потерь в опорах, потерь на разбрызгивание и перемешивания масла [1, формула 4.14]
Уточняем вращающий момент на валу червячного колеса
(4.18)
По [1, табл. 4.7] выбираем 7-ю степень точности передачи и находим значение коэффициента динамичности Kv = 1,1
Коэффициент неравномерности распределения нагрузки [1, формула 4.26]
В этой формуле коэффициент деформации червяка при q =10 и Z1 =2
[1, табл. 4.6]
При незначительных колебаниях нагрузки вспомогательный коэффициент Х=0,6
Коэффициент нагрузки
Таблица 1. Параметры червячной передачи
| Параметр | Колесо | Червяк |
| m | 4.5 | |
| z | 34 | 2 |
| ha, мм | 4 | |
| hf, мм | 4,8 | |
| с, мм | 0,8 | |
| d, мм | 153 | 40 |
| dа, мм | 162 | 48 |
| df, мм | 142.2 | 30,4 |
| dаm, мм | 168.25 | - |
| b, мм | 32 | 42 |
| г | 21є48’05» | |
| V, м/с | 0,75 | 0.75 |
| Vs, м/с | 0.8 | |
| Ft, Н | 6370 | 138 |
| Fa, Н | 138 | 6370 |
| Fr, Н | 4989 | |
2.2 Расчет на прочность
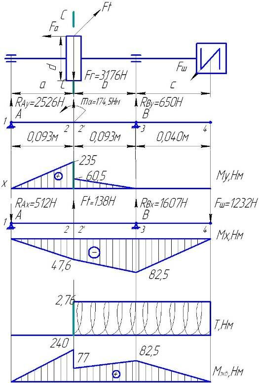
Расчет ведущего вала – червяка
Заменяем вал балкой на опорах в местах подшипников.
Рассматриваем вертикальную плоскость (ось у)
Изгибающий момент от осевой силы Fа будет:
mа=[Faxd/2]:
mа=6370·4010-3/2=127,4Нм.
Определяем реакции в подшипниках в вертикальной плоскости.
1mАу=0
RBy·(a+b)+Fr·a – mа=0
RBy=(Fr·0,093 – mа)/ 0,186=(4989·0,093–127,4)/ 0,186=649,8 Н
Принимаем RBy=650Н
2mВу=0
RАy·(a+b) – Fr·b – mа=0
RАy=(Fr·0,093+ mа)/ 0,186=(4989·0,093+174,5)/ 0,186=2526,2 Н
Принимаем RАy=2526 Н
Проверка:
FКу=0
RАy – Fr+ RBy=2526–3176+650=0
Назначаем характерные точки 1,2,2’, 3 и 4 и определяем в них изгибающие моменты:
М1у=0;
М2у= RАy·а;
М2у=2526·0,093=235 Нм;
М2’у= М2у – mа(слева);
М2’у=235–174,5=60,5 Нм;
М3у=0;
М4у=0;
Строим эпюру изгибающих моментов Му, Нм.
Рассматриваем горизонтальную плоскость (ось х)
1mАх=0;
Fш·(a+b+с) – RВх·(a+b) – Ft·a=0;
1232·(0,093+0,093+0,067) – RВх·(0,093+0,093) – 138·0,093=0;
RВх=(311,7–12,8)/0,186;
RВх=1606,9Н
RВх1607Н
2mВх=0;
– RАх·(a+b)+Ft·b+Fш·с= 0;
RАх=(12,834+82,477)/0,186;
RАх=512,4Н
RАх512Н
Проверка
mКх=0;
– RАх+ Ft – Fш+ RВх=-512+138–1232+1607=0
Рис. 2. Эпюры изгибающих и крутящих моментов ведущего вала
Назначаем характерные точки 1,2,2’, 3 и 4 и определяем в них изгибающие моменты:
М1х=0;
М2х= – RАх·а;
М2х=-512·0,093=-47,6Нм;
М3х= – Fш ·с;
М3х=-1232·0,067=-82,5Нм
М4х=0;
Строим эпюру изгибающих моментов Мх.
Крутящий момент
ТI-I=0;
ТII-II=T1=Ft·d1/2;
ТII-II=2,76Нм
Определяем суммарные изгибающие моменты:
Характеристики
Тип файла документ
Документы такого типа открываются такими программами, как Microsoft Office Word на компьютерах Windows, Apple Pages на компьютерах Mac, Open Office - бесплатная альтернатива на различных платформах, в том числе Linux. Наиболее простым и современным решением будут Google документы, так как открываются онлайн без скачивания прямо в браузере на любой платформе. Существуют российские качественные аналоги, например от Яндекса.
Будьте внимательны на мобильных устройствах, так как там используются упрощённый функционал даже в официальном приложении от Microsoft, поэтому для просмотра скачивайте PDF-версию. А если нужно редактировать файл, то используйте оригинальный файл.
Файлы такого типа обычно разбиты на страницы, а текст может быть форматированным (жирный, курсив, выбор шрифта, таблицы и т.п.), а также в него можно добавлять изображения. Формат идеально подходит для рефератов, докладов и РПЗ курсовых проектов, которые необходимо распечатать. Кстати перед печатью также сохраняйте файл в PDF, так как принтер может начудить со шрифтами.
















