126265 (690988), страница 8
Текст из файла (страница 8)
«Сеть» обмен по сети Ethernet между сервером и АРМ операторов.
«РМИП» изготовление пропусков на основе проксимитикарт, печать учетных карточек о пропусках.
«Табельный учет» формирование отчетов о состоянии трудовой дисциплины и табелей учета использования рабочего времени.
В качестве системы управления базами данных (СУБД) используется SQLсервер (InterBase, MicrosoftSQL, Oracle и др.). Модульный принцип построения программного обеспечения позволяет создавать АРМ с заданной функциональностью за счет инсталляции соответствующих модулей. Для повышения уровня защиты от несанкционированных действий на каждом АРМ может устанавливаться соответствующий аппаратно-программный комплекс типа «SecretNet».
При обеспечении контроля и управления доступом обеспечивается:
индивидуальные перечни разрешенных зон и графика работы по каждому абоненту;
поддержка временных и скользящих графиков работы;
функция antipassback по всей территории объекта, включая нештатные и аварийные ситуации при наличии неконтролируемых связей между зонами объекта (открыта аварийная дверь, точка доступа снята с контроля и т. п.);
высокая интеграция функций охраны и доступа;
использование любого сочетания режимов управления охраной помещений (автоматического, централизованного);
реализация принципа работы по правилу «2... 6» лиц;
создание комплексов с малопроводными линиями связи,
удаление контроллеров от станционной части до 5 км с обеспечением грозозащищенности магистралей; дистанционный контроль СО;
коммутация питания СО;
широкий диапазон рабочих температур (от 50 до +50 "С) для контроллеров с охранными функциями.
Система обеспечивает различные режимы управления охраной зон объекта при подключении СО, датчиков, кнопок экстренного вызова, кнопок отметки наряда и др., имеющих выход в виде нормально-замкнутой или нормально-разомкнутой контактной группы реле. Система обеспечивает дистанционный контроль СО, имеющих соответствующие цепи управления в автоматическом режиме до 10 раз в сутки по случайному закону и по командам с АРМ оператора Автоматический режим охраны внутренней зоны реализуется при оснащении всех входов в нее средствами контроля и управления доступа, при этом считыватели пропусков устанавливаются с обеих сторон точки доступа. Система автоматически распознает события: вход первого абонента в зону, выход последнего абонента из зоны. При входе первого абонента автоматически в зоне снимаются с контроля СО, которые были указаны для этой цели в процессе конфигурирования системы. При выходе последнего абонента из зоны СО ставятся на контроль.
Защита информации системы «ЦирконийС2000» от несанкционированного доступа обеспечивается реализацией развитых механизмов контроля и управления, имеющих трехуровневую архитектуру. Первый уровень защиты, основанный на объединении операторов в различные по своим полномочиям группы, обеспечивается конфигурированием операционной системы АРМ.
Большинству операторов предоставляется возможность работы только с модулями системы «Цирконий-С 2000». Второй уровень защиты обеспечивается системой управления базой данных (СУБД), реализованной на SQL сервере. Механизм защиты информации строится на возможности разграничения доступа к информации, хранящейся в таблицах базы данных. При подключении к СУБД проводится обязательная проверка подлинности клиента, после которой ему предоставляются полномочия по просмотру или редактированию данных. Третий уровень защиты обеспечивается ПО системы. Работа любого оператора в системе «ЦирконийС2000» начинается с идентификации по коду пропуска и личному коду, после чего предоставляются полномочия по управлению системой.
3.4 ИСБ «TSS2000Profi» и «TSS20000ffice»
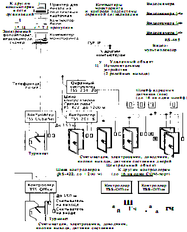
«TSS2000Profi» и «TSS20000ffice» полнофункциональные, универсальные системы контроля и управления доступом для малых, средних и крупных предприятий. Структурная схема «TSS2000Profi» приведена на рис. 24, a «TSS20000ffice» на рис. 25.
Рис. 24. Структурная схема СКУД «TSS2000Profb>
Системы представляют собой программноаппаратные комплексы на базе контроллеров серии TSS и одного или нескольких персональных компьютеров, объединенных в локальную компьютерную сеть.
Рис. 25. Структурная схема СКУД «TSS20000ffice»
В общем случае в состав оборудования систем входят:
универсальные контроллеры серий TSS201 и TSSWA48 (TSSOffice), а также универсальные программируемые контроллеры TSSGlobal Net, предназначенные для обработки информации от считывателей идентификаторов, принятия решения и управления исполнительными устройствами;
элементы оборудования пунктов прохода (дверей) в контролируемые помещения: электрозащелки, электромеханические или электромагнитные замки, датчики состояния дверей, кнопки открывания дверей, считыватели идентификаторов (ключей) пользователей и т. п.;
компьютеры в системе «TSS2000Profi», объединенные в локальную сеть и осуществляющие мониторинг и управление доступом в комплексном режиме работы;
компьютер в системе «TSS20000ffice», осуществляющий мониторинг и управление доступом в комплексном режиме работы.
Контроллеры системы «TSS2000Profi» способны регулировать доступ как под управлением компьютера мониторинга (сетевая система, комплексный режим), так и автономно (автономная система). В автономных системах управление доступом осуществляет автономно работающий контроллер.
Система может круглосуточно функционировать в двух основных режимах в комплексном (штатном) режиме и в автономном. Продолжительность автономной работы системы в случае отсутствия электропитания в сети может достигать 8 ч. Двухрежимность работы системы особенно важна при контроле датчиков сигнализации. Все факты срабатывания датчиков в автономном режиме сохраняются в памяти контроллера с указанием времени, места (зоны) и типа датчика.
Контроллеры системы «TSS20000ffice» способны регулировать доступ как под управлением компьютера мониторинга (сетевая система, комплексный режим), так и автономно (автономная система). В автономных системах управление доступом осуществляет автономно работающий контроллер.
Компьютер в таких системах либо полностью отсутствует, либо подключается только на время программирования и загрузки кодов идентификаторов в память контроллера, а также с целью переписывания из нее сообщений о событиях, накопленных за время автономной работы, в «системный журнал».
К контроллерам серии TSS201 относятся контроллеры шести типов TSS2018W, TSS2018T, TSS2014W,TSS2014T, TSS2012W, TSS2012T. Последняя цифра в маркировке типа контроллера указывает на число портов, служащих для подключения оборудования пунктов прохода и интерфейс подключаемых считывателей (Т для считывателей идентификаторов типа «тач-мемори», W для считывателей с интерфейсом Виганда (2648 бит).
В памяти контроллера сохраняются до 2000 кодов идентификаторов пользователей и до 2000 сообщений о событиях. Используются двухпортовые контроллеры двух типов Т и W, предназначенные соответственно для подключения двух считывателей идентификаторов «тач-мемори» или двух считывателей с интерфейсом Виганда (2648 бит). В памяти контроллера сохраняются 504 кода идентификаторов пользователей, 7444 сообщения о событиях, а также сведения о расписании доступа по определенным датам (16 временных зон, 256 праздников).
В качестве программного обеспечения системы «TSS2000Profi» используется программный комплекс TSS2000Profi. Он предназначен для работы в ОС Windows 2000 или Windows NT и состоит из нескольких независимых программных модулей, каждый из которых поддерживает определенные функции системы:
«Двери-объекты» (описание контроллеров, считывателей ключей, кнопок, датчиков и их привязки к поэтажным планам);
«Персонал» (ввод и редактирование информации о персонале, контроль за работой системы, работа с системным журналом базы данных);
«Мониторинг» (управление работой контроллеров, контроль за работой системы, экстренное вмешательство, выдача визуальных и речевых сообщений на русском языке об экстренных событиях);
программы отчетов (формирование, просмотр и печать отчетов. «Все события», «Нарушения», «Проходы», «Рабочее время»);
«Дистанционный монитор» (просмотр текущего системного журнала и списка владельцев ключей);
«Проходная» (наблюдение за пересечением проходной: фото владельца ключа сопоставляется с его изображением с видеокамеры, управление дверями объекта);
План Browser (отображает состояние системы на поэтажных планах).
Упрощенная версия программного обеспечения TSS2000Profi система TSS-Office. Она предназначена для работы на одном компьютере и используется в качестве программного обеспечения системы «TSS20000ffice». Этот программный комплекс предназначен для работы в ОС Windows 2000 или Windows NT и состоит из нескольких независимых программных модулей, каждый из которых поддерживает определенные функции системы, аналогично как для системы «TSS2000Profi».
3.5 ИСБ «Фокус ОПД»
«Фокус-ОПД» система управления доступом и охранной сигнализацией. Она предназначена для организации комплексов управления доступом и охранной сигнализацией малой и средней ёмкости с отображением информации на ПК (табл. 1).
Таблица 1. Технические характеристики системы управлениидоступом и охранной сигнализацией «Фокус-ОПД»
Возможность подключения различных шлейфов сигнализации и внешних устройств, а также модульный принцип построения и простота в эксплуатации позволяют создавать системы управления и контроля доступом, охранной сигнализацией малой и средней ёмкости любой конфигурации и легко адаптировать их к требованиям различных объектов.
3.6 ИСБ «OnGuard Access»
«OnGuard Access» интегрированная система контроля и управления доступом компании Lenel Systems. Система позволяет организовать контроль доступа в помещения здания или группы зданий через неограниченное число дверей для неограниченной численности персонала. Данная система является частью решения «OnGuard» компании Lenel для создания комплексной системы безопасности как одного здания, так и территориально распределенной группы зданий компании. «OnGuard Access» представляет собой аппаратно-программный комплекс и позволяет осуществлять интеграцию оборудования Lenel и сторонних производителей как на аппаратном, так и на программном уровне. Это единственное на сегодняшний день много-серверное решение с уникальной технологией синхронизации баз данных, обеспечивающее создание реально интегрированной системы безопасности корпорации с территориально удаленными объектами. Структурная схема системы управления доступом и охранной сигнализации «OnGuard Access» приведена на рис. 26.
На базе СКУД Lenel и ПО OnGuard можно объединить в глобальный комплекс безопасности предприятия: системы контроля и управления доступом, видео-наблюдения, охранной и пожарной сигнализации, изготовления карт доступа, видео-идентификации, мониторинга тревожной сигнализации, управления учетом и движением имущества, управления персоналом и посетителями. Данная система имеет открытую архитектуру, которую можно наращивать и модифицировать, подключая неограниченное число устройств сторонних производителей.
Автономная или входящая в состав интегрированной системы безопасности система контроля и управления доступом «OnGuard» создается на базе контроллеров, модулей входов, модулей выходов, модулей управления считывателями и ПО «OnGuard Access» компании Lenel Systems. В зависимости от размеров и конфигурации СКУД специалисты Lenel предлагают использовать следующие устройства:
интеллектуальные контроллеры LNL500, LNL1000 и LNL2000, представляющие собой мастер-контроллеры, которые предназначены для осуществления обмена данными с сервером со скоростью до 115,2 кбит/с через порт RS232/RS485, через модем или по сети Ethernet, сохраняя в СКУД информацию о 350000 владельцах карт и 1000000 событий;
модули входов LNL1100 и модули выходов LNL1200, которые имеют
разъемы для подключения соответственно до 16 охранных датчиков и до 16 исполнительных устройств;
модули управления считывателями LNL1300 и LNL1320, предназначенные для подключения одного или двух считывателей карг доступа соответственно.
ПО СКУД «OnGuard Access» имеет русифицированные интерфейсы и разработано на платформе многозадачной и многопотоковой 32битовой ОС Windows 2000/ХР. Оно может использовать единый банк данных и единую сетевую инфраструктуру с другими подсистемами интегрированной системой безопасности «OnGuard». Помимо стандартных функций СКУД, система «OnGuard Access» содержит функцию контроля местоположения, осуществляющую учет времени нахождения сотрудника или посетителя на территории охраняемого объекта. При считывании карты доступа посетителю отводится определенное время, в течение которого он должен воспользоваться считывателем в пункте назначения. Эта функция также может оказаться полезной для контроля длительности пребывания персонала за пределами здания во время обеденного перерыва, а также для контроля местонахождения посетителей (гостей) внутри здания.
Благодаря поддержке биометрических технологий данная СКУД предоставляет возможность использовать биометрические считыватели для контроля и управления доступом в определенные помещения, группы помещений или зоны. Программный модуль «OnGuard Biometrics» может работать со считывателями отпечатков пальца таких компаний, как Biocentric Solutions, Bioscript, Identix, Sagem или со считывателями геометрии кисти руки Recognition Systems. Система видео-верификации «OnGuard Video Verification» позволяет сотрудникам охраны сравнивать фотографии владельцев карт, хранящиеся в базе данных СКУД, с «живым» изображением, передаваемым с телекамер, расположенных в зонах местонахождения считывателей карт доступа. Система видео-верификации интегрирована с системой мониторинга тревожной сигнализации OnGuard, что позволяет наблюдать за владельцами карточек в зонах особой важности.
При использовании «OnGuard Asset» в составе СКУД интеллектуальным контроллерам Lenel можно делегировать принятие решений, связанных с контролем движения имущества. Благодаря распределенной архитектуре системы, разрешение на вынос единицы имущества из конкретного помещения офиса или из здания принимается контроллером СКУД в режиме реального времени и без участия компьютера. В случае, когда контроллер системы управления имуществом временно отключен от сервера, все решения, связанные с управлением имуществом, принимаются им и сохраняются в его памяти до момента восстановления связи.
Современные технологии управления имуществом, с которыми может работать в составе СКУД система «OnGuard Asset», включают радиочастотную идентификацию (RFID), штрих-код, локальные системы навигации и определения положения (LPS), любые стандартные считыватели с интерфейсом Виганда, считыватели HID RFID RS485, ручные считыватели и регистраторы серии Symbol PDT 6100. Более того, «OnGuard Asset» разработана с расчетом на последующую интеграцию инновационного оборудования.
На базе ПО «OnGuard Intrusion» и управляющей электроники Lenel можно организовать систему охранной сигнализации с функцией постановки и снятия с охраны помещений и возможностью интеграции со СКУД и системой видеонаблюдения. В этом случае охранные датчики подключаются к системе через модули входов LNL1100. Через контроллеры Lenel сигналы с датчиков передаются на рабочую станцию, а сообщения о тревоге выводятся на общий экран мониторинга тревожной сигнализации интегрированной системы безопасности.
Для интеграции СКУД с системой видео-наблюдения используется ПО «OnGuard Video», которое связывает систему видео-наблюдения со всеми другими подсистемами интегрированной системы безопасности OnGuard, а все сообщения о тревоге отображаются на общем мониторе тревожной сигнализации. Для подключения телекамер можно использовать матричный коммутатор любого производителя, управление которым осуществляется с помощью команд ASCII, или видеорегистраторы Lenel. Для записи видеоизображений с аналоговых телекамер рекомендуется использовать видеорегистраторы LDVR (Lenel Digital Video Recorder), а с сетевых телекамер или видеосерверов сетевой видеорегистратор LNVR (Lenel Network Video Recorder). Для записи и хранения видео можно использовать внутренние жесткие диски компьютера или RAIDмассив.
4. Основные рекомендации по выбору средств и систем контроля
















