126183 (690954)
Текст из файла
МІНІСТЕРСТВО ОСВІТИ ТА НАУКИ УКРАЇНИ
МИКОЛАЇВСЬКИЙ ДЕРЖАВНИЙ ПОЛІТЕХНІЧНИЙ КОЛЕДЖ
СУДОВА АВТОМАТИЗОВАНА ЕЛЕКТРОСТАНЦІЯ РЕФРІЖЕРАТОРА
Пояснювальна записка до курсового проекту
5.092214.КП.Е-415.ПЗ
Керівник проекту Шевченко Р. П.
Студент Білоконь О.О.
2009р.
ЗМІСТ
ВСТУП
1. ЗАГАЛЬНА ЧАСТИНА
1.1 Коротка характеристика судна
1.2 Вибір основних параметрів
2. СПЕЦІАЛЬНА ЧАСТИНА
2.1 Вибір кількості і потужності генераторів СЕЕС
2.2 Вибір структурної схеми СЕЕС та її опис
2.3 Розрахунок генераторних фідерів і фідерів , які відходять від ГРЩ
2.4 Вибір апаратів захисту для генераторів і споживачів
2.5 Вибір електровимірювальних приладів генераторної панелі ГРЩ
2.6 Розрахунок струмів короткого замикання
2.7 Перевірка автоматичних вимикачів
2.8 Перевірка шин ГРЩ на термічну й електродинамічну стійкість
2.9 Розрахунок провалу напруги синхронного генератора під час пуску потужного асинхронного короткозамкненого двигуна
2.10 Опис конструкції ГРЩ
2.11 Опис пристроїв , які встановлюються на генераторної секції ГРЩ
Література
1. ЗАГАЛЬНА ХАРАКТЕРИСТИКА
1.1 Коротка характеристика судна
Рефрижераторне судно призначене для перевезення: бананів, цитрусових, мороженого м’яса, та інших рефрижераторних вантажів, передбачена можливість перевезення невеликих партій рибного борошна в мішках або пакетах у верхньому твіндеці.
Судно призначено до прийому від крупно та середньотонажних промислових суден контактними засобами у морі рефрижераторних вантажів та рибного борошна. Одночасно можна приймати на верхню палубу й кришки люків до 43 контейнерів, 16 з яких можуть бути рефрижераторними, з електропостачанням від суднової мережі.
При частковій або повній відсутності рефрижераторних вантажів судно може транспортувати у вільних трюмах генеральні вантажі зі середнім питомо-завантажувальним об’ємом 1,8 м3/т, 20-и 40-футові контейнери, легкові автомобілі та інші вантажі. В варіанті завантаження тільки генеральним вантажем кількість 20-футових контейнерів збільшується до 103.
Район плавання судна необмежений, з довгою експлуатацією в помірних та тропічних зонах ,включно літній період в Арктиці в розряджених битих кригах і весь рік в замерзаючих неарктичних морях в легких льодових умовах. Непотоплюваність забезпечена при затопленні одного будь- якого відсіку у всіх спеціфікаційних випадках завантаження судна. При плаванні на максимальну дальність 16000 миль запаси палива зберігаються у незаміщенних цистернах.
Головні характеристики судна.
| Довжина між перпендикулярами ,м………………...……….…………………… … | 130,0 |
| Ширина ,м………………………………………………………………… | 17,7 |
| Осадка ,м………………………………..………………..………………... | 7,2 |
| Висота борту до ВП,м……………………………………………………. | 9,3 |
| Водотоннажність ,т……………………………………………………….. | 11000 |
| Швидкість,уз……………………………………………………………… | 15 |
| Палубний вантаж,т……………………………………………………….. | 250 |
1.2 Вибір основних параметрів.
До основних параметрів суднової електроенергетичної системи (СЕЕС) відносяться: рід струму, величина напруги та частота. Від правильного вибору цих параметрів залежить надійність роботи всієї СЕЕС.
В основу вибору роду струму повинні бути покладені наступні фактори:
-
надійність роботи електрообладнання;
-
вага та габарити електрообладнання;
-
вартість електрообладнання;
-
забезпечення характеристик електродвигунів електроприводів суднових механізмів і пристроїв.
Машини змінного струму не мають колектора і пов'язаного з ним щіткового апарату, цьому надійність їх роботи значно вища, ніж машин постійного струму. Крім того, синхронні генератори в теперішній час не мають машинних збуджувачів постійного струму, а мають статичну систему самозбудження та автоматичного регулювання напруги, які забезпечують високу надійність та швидкодію.
Опір ізоляції суднової системи постійного струму складає 0,2 – 0,5 МОм, змінного струму - 1-5 МОм. В суднової мережі змінного струму силова мережа відділена від мережі освітлення через знижувальні трансформатори, що підвищує опір ізоляції всієї суднової мережі. Магнітні пускачі набагато надійніше пускових реостатів.
Таким чином, з точки зору надійності, всі переваги на боці змінного струму.
Вага та габарити електричних машин змінного струму значно менше через відсутності колекторно-щіткового пристрою. Для двигунів потужністю до 12 кВт вага та габарити магнітних пускачів і пускових реостатів приблизно однакові. Для двигунів потужністю більш ніж 12 кВт вага та габарити магнітних пускачів значно менше в порівнянні з вагою та габаритами пускових реостатів. Вага та габарити кабелів практично від роду струму не залежить. Електрообладнання змінного струму має меншу вагу та габарити, тому воно потребує менше металоконструкцій для кріплення. Тобто, електроустаткування змінного струму мають переваги і за вагою та габаритами.
З точки зору вартості перевага також на боці змінного струму через те, що на виготовлення машин змінного струму іде менше міді, латуні та інших кольорових металів, а також зменшуються витрати на ремонт електрообладнання із-за його більшої надійності.
Тільки 20 - 30% споживачів вимагають плавного регулювання швидкості (палубні механізми). Інші механізми (вентилятори, насоси, компресори) не потребують плавного регулювання швидкості, саме тому для них може бути рекомендовано змінний струм. А споживачі, для живлення яких потрібен постійний струм, зможуть отримувати його від статичних перетворювачів.
При виборі величини напруги доводиться враховувати два прямо протилежних фактори: вагу та габарити електрообладнання і безпеку його обслуговування. З точки зору ваги та габаритів доцільно застосовувати підвищену напругу, з точки зору техніки безпеки - понижену. Значення номінальної напруги знаходиться в оберненій залежності від перерізу струмопровідних жил кабелю. В СЕЕС потужністю в декілька мегават перевід напруги з 220 В на 380 В дозволяє знизити вартість кабелю на 20 - 25% та масу - на 25 - 40%.
Згідно з вимогами нормативної документації [2] напруга і частота на затискачах джерел електроенергії не повинна перевищувати:
- 7500В при 50Гц - в єдиних СЕЕС трифазного змінного струму;
- 400В при 50Гц - в автономних і комбінованих СЕЕС трифазного змінного струму;
- 230В при 50Гц - в СЕЕС однофазного змінного струму
- 230В - в СЕЕС постійного струму.
Підвищення частоти електричних мереж з 50 до Гц викликає зниження сумарної маси і габаритів СЕЕС електроприймачів в 2 - 3 рази. Але при цьому зростають рівень шумів, рівень радіоперешкод, а також вартість і обсяг обслуговування. Тому СЕЕС частотою 400Гц застосовуються в основною на суднах з динамічними принципами піддержування, де маса і габарити відносяться до першочергових показників.
На підставі вищезазначеного на проектуємому судні вибираємо змінний трифазний струм напругою 400В частотою 50Гц.
2. СПЕЦІАЛЬНА ЧАСТИНА
2.1 Вибір кількості і потужності генераторів СЕЕС
Вибір кількості і потужності генераторів СЕЕС в інженерній практиці виконується методом таблиць електричних навантажень, який відрізняється простотою розрахунків і наочністю.
При виборі генераторів табличним методом Правилами Регістра передбачається розглядати наступні основні режими:
-
стоянка без вантажних операцій;
-
стоянка з вантажними операціями;
-
ходовий режим;
-
маневрений режим (знімання з якоря);
-
аварійний режим.
Крім перерахованих вище основних режимів для кожного типу судна передбачаються свої характерні режими.
Порядок складання таблиці навантажень (табл. 1) наступний:
- у графу 1 заносять усі споживачі, установлені на судні;
- у графу 2 проставляється кількість споживачів;
- у графу 3 - одинична встановлена потужність, за якою по каталогах вибираються асинхронні двигуни;
- у графи 4 і 5 проставляються к.к.д. і коефіцієнт потужності двигунів.
Потім визначається одинична споживана потужність за формулою:
(2.1)
де РОД.СП. - одинична споживана потужність, кВт;
РОД.ВСТ. - одинична встановлена потужність, кВт;
η - коефіцієнт корисної дії.
Далі визначається загальна споживана потужність за формулою:
(2.2)
де РЗАГ.СП. - загальна споживана потужність, кВт;
n - кількість однойменних споживачів.
Потім у кожнім режимі роботи судна визначається коефіцієнт одночасної роботи однойменних споживачів (графи 8, 13, 18, 23), коефіцієнт завантаження споживачів (графи 9, 14, 19, 24) і коефіцієнт потужності (графи 10, 15, 20, 25). Коефіцієнт одночасної роботи однойменних споживачів визначається за формулою:
(2.3)
де РФАКТ.СП - фактично споживана потужність, кВт;
РНОМ.СП - номінальна споживана потужність, кВт;
nРОБ. - кількість одночасно працюючих у даному режимі однойменних споживачів;
nВСТ. - кількість встановлених однойменних споживачів;
Коефіцієнт завантаження К3 визначається досвідом експлуатації:
(2.4)
Коефіцієнт потужності визначається по кривій, що представляє залежність [3]:
(2.5)
Далі в кожнім режимі роботи судна визначається активна споживана потужність, кВт:
(2.6)
і реактивна споживана потужність, кВА:
(2.7)
Після внесення в таблицю навантажень перелічених вище параметрів, виконується вибір генераторів у наступному порядку:
-
визначається сумарна споживана потужність у кожнім режимі роботи судна шляхом арифметичного додавання потужностей усіх споживачів, що працюють у даному режимі;
-
визначається сумарна споживана потужність довгостроково працюючих споживачів;
-
визначається сумарна споживана потужність з урахуванням коефіцієнта одночасної роботи споживачів, що працюють у даному режимі роботи судна;
визначається розрахункове навантаження і середньо-взважений коефіцієнт потужності в кожному режимі за формулами:
(2.8)
(2.9)
(2.10)
(2.11)
де Рр - активне розрахункове навантаження, кВт;
QР - реактивне розрахункове навантаження, кВАр;
SР - повне розрахункове навантаження, кВА
1,03 - коефіцієнт обліку втрат потужності у мережах;
Кв - коефіцієнт імовірність спільної роботи споживачів.
Коефіцієнт імовірності спільної роботи споживачів приймається [3] з урахуванням режиму роботи суден:
-
0,75 - 0,85 - стоянка суден в порту;
-
0,75 - 0,80 - стоянка суден на промислі;
-
0,80 - 0,90 - ходовий і промисловий режими;
-
0,90 - 1,00 - аварійний режим.
Якщо cosφСР.ВЗВ > cosφNG = 0,8, то вибір генераторів виконується за активним розрахунковим навантаженням Рр.
Якщо cosφСР.ВЗВ < cosφNG = 0,8, то вибір генераторів виконується за повним розрахунковим навантаженням SP. cosφNG - номінальний коефіцієнт потужності генератора.
При виборі генераторів повинні виконуватися 2 вимоги:
-
завантаження генератора повинне складати не менш 70-80%;
-
число типорозмірів повинне бути мінімальним.
Перша вимога пов'язана з раціональним використанням моторесурсу, друга - з кращою взаємозамінністю і полегшенням умов ремонту.
Спочатку вибирають основні, потім - резервний і аварійний генератори Максимальна кількість генераторів суднової електростанції (разом з резервним не повинно перевищувати чотирьох. Аварійний генератор вибирається за потужністю, отриманої в аварійному режимі незалежно від основної електростанції.
На підставі вищевикладеного і таблиці 1 вибираємо 2 основних генераторів типу МСС 92-4 і потужністю 100 кВт кожен, один резервний генератор типу МСС 92-4 потужністю 100 кВт і аварійний генератор типу МСС 92-4 потужністю 100 кВт.
2.2 Вибір структурної схеми СЕЕС і її опис
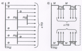
Суднова електрична мережа - це сукупність суднових ліній електропередач, що передають електроенергію від джерел до приймачів електроенергії. За структурою розрізняють наступні силові електричні мережі:
-
фідерну - з розподілом і передачею електроенергії фідерними лініями електропередач (фідерами);
-
магістральну - у який ті ж самі функції здійснюють магістральні лінії електропередач (магістралі) (Рис. 2.1).
Фідерна силова мережа забезпечує живлення перетворювачів і приймачів електроенергії від ГРЩ окремими лініями Ф чи безпосередньо через вторинні розподільні щити (в останньому випадку її іноді називають фідерно-груповою), що гарантує її високу надійність і живучість, але ускладнює ГРЩ, збільшує витрати кабелю і підвищує трудомісткість електромонтажних робіт.
Рис.2.1. а)фідерна; б) магістральна.
Магістральна силова мережа забезпечує живлення приймачів електроенергії: від ГРЩ по декількох магістралях через послідовно включені в них вторинні розподільні щити і має протилежні властивості.
Магістрально-фідерна силова мережа по надійності живлення займає проміжне положення.
Характеристики
Тип файла документ
Документы такого типа открываются такими программами, как Microsoft Office Word на компьютерах Windows, Apple Pages на компьютерах Mac, Open Office - бесплатная альтернатива на различных платформах, в том числе Linux. Наиболее простым и современным решением будут Google документы, так как открываются онлайн без скачивания прямо в браузере на любой платформе. Существуют российские качественные аналоги, например от Яндекса.
Будьте внимательны на мобильных устройствах, так как там используются упрощённый функционал даже в официальном приложении от Microsoft, поэтому для просмотра скачивайте PDF-версию. А если нужно редактировать файл, то используйте оригинальный файл.
Файлы такого типа обычно разбиты на страницы, а текст может быть форматированным (жирный, курсив, выбор шрифта, таблицы и т.п.), а также в него можно добавлять изображения. Формат идеально подходит для рефератов, докладов и РПЗ курсовых проектов, которые необходимо распечатать. Кстати перед печатью также сохраняйте файл в PDF, так как принтер может начудить со шрифтами.















