126183 (690954), страница 3
Текст из файла (страница 3)
ГРЩ
При виборі електровимірювальних приладів необхідно враховувати їх нормальне робоче положення (горизонтальне чи вертикальне), клас точності, призначення, виконання і межі вимірювання. Шкала амперметрів, ватметрів і т.і. повинна складати не менш 120 - 150% номінального значення величини, що виміряється, пікала вольтметрів - не менш 120% номінальної напруги. Разом із приладами вибирають відповідні їм чи шунти або трансформатори струму. Всі електровимірювальні прилади витримують короткочасні перевантаження, а саме: один удар десятикратним струмом протягом 5с. чи дев'ять ударів десятикратним струмом тривалістю по 0,5с. інтервалом в одну хвилину. Тому електровимірювальні прилади витримують пускові струми двигунів, струми к.з. у мережі і т.і. [4].
Вибір електровимірювальних приладів здійснюється за приведеними положеннями і принциповою схемою генераторної секції ГРЩ, яка наведена у графічній частині курсового проекту.
Вибір електровимірювальних приладів генераторної секції ГРЩ зводиться у таблицю 2.5.
Таблиця 2.5 – Таблиця електровимірювальних приладів
| Найменування приладу | Тип | Межа вимірювання | Спосіб включення |
| Ватметр | Д1503 | 0-200 кВт | Через трансформатор струму |
| Амперметр | Д1500 | 0-300 А | Через трансформатор струму |
| Вольтметр | Д1500 | 0-450 В | Через трансформатор напруги |
| Частотомір | Д1506 | 45-55 Гц | Через трансформатор напруги |
| Амперметр | Д1500 | 0-150 А | Через трансформатор струму |
| Вольтметр | Д1500 | 0-250 В | Через трансформатор напруги |
| Мегаомметр | Д1503 | 0-5 МОм | Через трансформатор напруги |
2.6 Розрахунок струмів короткого замикання
2.6.1 Визначення основних параметрів
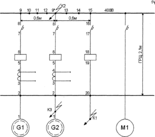
Для перевірки апаратів захисту і шин на дію струму к.з. приймаються наступні точки короткого замикання:
-
точка К1 – на фідері, що відходить, для перевірки автоматів приймачів електроенергії;
-
точка К2 – на шинах ГРЩ, для перевірки шин ГРЩ;
-
точка К3 – на затискачах генераторів G1 або G2 для перевірки генераторних автоматів.
Складається розрахункова схема (рис. 2.3).
SNG = 125 кВА P = 0,75 ∑ РG
U = 400 B
cos φ = 0,8
Ra = 0,0303
Xd″ = 0,176
Рис. 2.3 – Розрахункова схема
На підставі розрахункової схеми складається схема заміщення, у якій всі елементи розрахункової схеми замінюються еквівалентними опорами (рис. 2.4).
Рис. 2.4 – Схема заміщення
Робиться розрахунок активних і реактивних опорів для схеми заміщення, наведеної на рис. 2.4. Розрахунок опорів зводиться у таблицю 2.6.
Таблиця 2.6 – Розрахунок опорів
| Елемент схеми | Ділянка схеми | Довжина, м | Кількість жил (од.) і переріз, мм2 | Опір, Ом | |
| Активний | Реактивний | ||||
| 1 | 2 | 3 | 4 | 5 | 6 |
| Кабель | Від затискачів генератора G1 до шин ГРЩ (точка 12) | 10 | 3х95 | 0,00227 | 0,00075 |
| Шина | 2,7 | 25х4 | 0,0006 | 0,0004 | |
| Розчеплювач автомата | — | 0,00006 | 0,000105 | ||
| Всього | r1 = 0,00293 | x1 = 0,001255 | |||
| Кабель | Від затискачів генератора G2 до шин ГРЩ | 10 | 3х95 | 0,00227 | 0,00075 |
| Шина | 2,1 | 25х4 | 0,0005 | 0,0003 | |
| Розчеплювач автомата | — | 0,00006 | 0,000105 | ||
| Всього | r2 = 0,00283 | x2 = 0,001155 | |||
| Кабель | Від шин ГРЩ до точки к. з. | 10 | 3х70 | 0,00309 | 0,00076 |
| Шина | 2,7 | 15х3 | 0,0014 | 0,0005 | |
| Розчеплювач автомата | — | 0,000507 | 0,00422 | ||
| Всього | rк = 0,004997 | xк = 0,000422 | |||
Визначається базисна потужність:
(2.20)
де S1 і S2 – повні номінальні потужності генераторів G1 і G2, кВА.
Визначається базисний струм:
(2.21)
де Uб – базисна напруга (номінальна напруга генераторів або напруга на шинах ГРЩ), В.
Опори ділянок розрахункової схеми приводяться до базисних умов:
-
активний опір обмоток статорів генераторів G1 і G2
(2.22)
- зверх перехідні реактивні опори по повздовжній осі генераторів G1 і G2
(2.23)
- активні і реактивні опори ділянок від затискачів генераторів G1 і G2 до шин ГРЩ:
(2.24)
(2.25)
(2.26)
(2.27)
-
активний і реактивний опори ділянки від шин ГРЩ до точки короткого замикання К1:
(2.28)
(2.29)
2.6.2 Розрахунок струмів к. з. у точці К1
Виконується спрощення схеми заміщення, яка представлена на рис. 2.4, шляхом об’єднання активних і реактивних опорів (рис.2.5), і визначаються опори для даної схеми заміщення:
Рис. 2.5 – Спрощена схема заміщення
(2.30)
(2.31)
(2.32)
(2.33)
(2.34)
(2.35)
Електрорушійні сили паралельно працюючих генераторів при розрахунках струмів к. з. приймаються однаковими і рівними, тобто Е1 = Е2 = Е, тому коло з опорами R1 і X1 виявляється включеним паралельно колу з опорами R2 і Х2. Змінюються ці два кола – одним, з еквівалентними опорами R12 і Х12 (рис. 2.6).
Рис. 2.6 – Спрощена схема заміщення
Генератори G1 і G2 однотипні, тому значення R1 і Х1 майже однакові зі значеннями R2 і Х2, отже метод проводимостей можна не застосовувати, а величини еквівалентних опорів визначаються таким чином:
(2.36)
(2.37)
Знову спрощуємо схему заміщення, шляхом об’єднання активних і реактивних опорів (рис. 2.7).
Рис. 2.7 – Спрощена схема заміщення
Визначаються опори:
-
активний опір
(2.38)
-
реактивний опір
(2.39)
-
повний опір кола к. з.
(2.40)
Визначаються значення періодичної складової струму к. з. у відносних одиницях за розрахунковими кривими [4] відповідно повному опору Zр = 0,257 для наступних моментів часу:
t = 0 I0* = 5,7
t = 0,01 I0,01* = 5
t = 0,1 I0,1* = 3,85
t = 0,25 I0,25* = 3,55
t = ∞ I∞* = 5,75
Визначається ударний коефіцієнт по кривій, що представляє залежність
[4]:
Визначається залишкова напруга:
(2.41)
Визначається діюче значення періодичної складової струму підживлення двигуна:
(2.42)
де Е – протиелектрорушійна сила (приймається 0,9 в. о.);
Визначається ударний струм:
(2.43)
=5787,63
2.6.3 Розрахунок струмів к. з. у точці К2
На підставі схеми мал. 6 виконується схема заміщення для розрахунку струмів к. з. у точці К2 (рис. 2.8).
Рис. 2.8 – Спрощена схема заміщення
У цій схемі: Rр = R12 і Хр = Х12. Подальший розрахунок струмів к. з. виконується аналогічно п. 2.6.2. Результати розрахунків зводяться в таблицю 2.7.
Таблиця 2.7 – Результати розрахунку струмів к. з.
| Найменування розрахункової величини | Умовне позначення | Одиниці вимірювання | Точка к. з. на відходящому фідері (точка К1) | Точка к. з. на шинах ГРЩ (точка К2) | Точка к. з. на затискачах генератора (точка К3) | |
| Струм від G1 | Струм від G2 | |||||
| 1. Параметри схеми заміщення: - активний опір - реактивний опір - повний опір - відношення Хр/Rp | ||||||
| Rp | в. о. | 0.0415 | 0,0328 | 0.0706 | 0,0606 | |
| Xp | в. о. | 0.1799 | 0,177 | 0,356 | 0,352 | |
| Zp | в. о. | 0.185 | 0,18 | 0,363 | 0,36 | |
| — | — | 4.34 | 5.4 | 5.04 | 5,8 | |
| 2. Ударний коефіцієнт | КУД | — | 1.47 | 1,56 | 1.53 | 1,59 |
| 3. Періодична складова струму к. з. для моментів часу: - 0с - 0,01с - 0,1с - 0,25с - ∞ | ||||||
| I0* | в. о. | 5.7 | 5.75 | 2.85 | 2.87 | |
| I0,01* | в. о. | 5 | 5.05 | 2.6 | 2.62 | |
| I0,1* | в. о. | 3.85 | 3.9 | 2.35 | 2.38 | |
| I0,25* | в. о. | 3.55 | 3,6 | 2.3 | 2.32 | |
| I∞* | в. о. | 3.75 | 3,8 | 2.82 | 2.85 | |
| 4. Залишкова напруга на шинах ГРЩ | ∆U | в. о. | 0.05 | 0 | 0,015 | 0 |
| 5. Діюче значення струму підживлення двигуна | IДВ | в. о. | 3.2 | 3,38 | 3,33 | 3.38 |
| 6. Результуюче значення ударного струму к. з. | ІУД | А | 5767.63 | 6197.8 | 3958.4 | 4092.8 |
| 7. Періодична складова струму к. з. для різних моментів часу | І0,1 | А | 1463 | 1482 | 893 | 904.4 |
| І0,25 | А | 1349 | 1368 | 874 | 881.6 | |
2.6.4 Розрахунок струмів к. з. у точці К3















