125941 (690773), страница 7
Текст из файла (страница 7)
Розрахунки проводять по вищенаведеному методі (див. п. 3.1.3) з наступними особливостями:
середній діаметр визначається по формулі:
dm = m z;
висота зуба:
h = 0,8 m.
3.2 Основні розміри корпуса редуктора
Корпусні деталі редукторів загального призначення мають складну форму, при цьому найбільш раціональної є технологія їхнього виготовлення з виливків (частіше із чавуну марки СЧ15) з наступною механічною обробкою. Корпус редуктора, вали якого розміщені в одній площині, виконують, що складається з підстави корпуса й кришки з розніманням у площині валів.
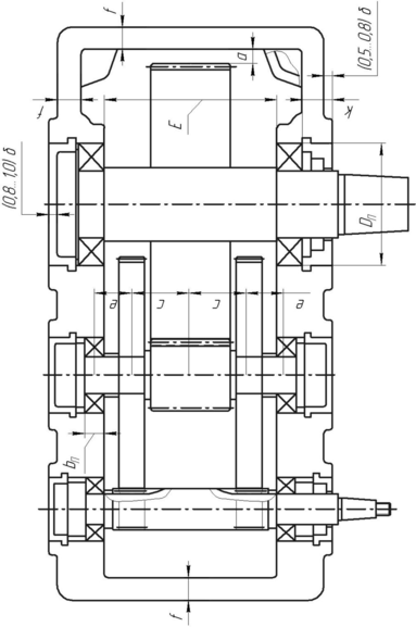
Конструювання корпуса рекомендується починати із його внутрішньої порожнини, використовуючи результати попередніх розрахунків (див. п.1.3.2) і зображення на мал. 1.1 і 1.2, у натуральну величину. При цьому отримані раніше розміри зубчастих коліс, міжосьові відстані, зазори між колесами й корпусними деталями відтворюються без змін. На цьому зображенні попередньо пророблені (див. п.1.4) конструкції валів (див. мал. 1.4.) з підшипниками й розглядаються можливі варіанти конструкцій кришок підшипників фланцевих або зловмисників. Заставні кришки (див. гл. 7 [2]) не вимагають додаткових кріплень, що істотно спрощує конструкцію корпуса в цілому. Кришки, через які проходять вали редуктора мають отвори й розточення під ущільнювальні манжети, наприклад за ДСТ 875279. Між упорними торцями кришок і зовнішніх кілець підшипників передбачають зазори, у які укладаються дистанційні кільця або втулки,, що підбираються звичайно при складанні для установки оптимальних зазорів у підшипниках.
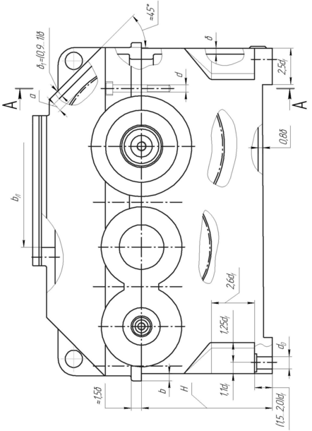
Ескіз редуктора у двох проекціях показаний на мал. 3.1 (штрихування не показане). Розміри c і e знайдені раніше (див. п.1.5 і мал. 1.4). Основні розміри, що визначають зовнішні обриси корпуса знаходять у функції товщини стінки ( (мм), що обчислюється по формулі
.
Ширина фланця рознімання корпуса f, діаметр d різьблення гвинта, що з'єднує кришку й підставу корпуса, діаметр df фундаментних гвинтів, розмір k відстань від підшипника до торця припливу корпуса й ін. визначаються наближеними рівностями:
f = (2...2…2,5);
;
k=(0,18...0…0,20)DП ≥ 18 мм; df = 1,25d;
b = (0,25...0…0,40)
Значення, отримані розрахунком по цих формулах, необхідно округлити до цілих значень, бажано по ряду Ra 20, а діаметри різьблення приймають по стандарті на метричні різьблення ДЕРЖСТАНДАРТ 872481.
3.3 Вибір деталей нарізних сполучень
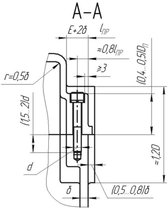
З'єднання кришки й підстави корпуса може бути виконано різними способами (див. [3, 4 і ін.]). У варіанті, зображеному на мал. 3.2 (штрихування не показане), використані гвинти ДЕРЖСТАНДАРТ 1173872, головки яких розміщені у відповідних розточеннях кришки корпуса. Координата осі гвинта визначається графічно відповідно до зображення, на якому показаний розмір Е, певний, для нашого випадку, на мал. 3.1 графічно або розрахунком
E = 2(c + e) bп.
Мал. 3.1.а.
Мал. 3.1.б.
Мал. 3.2.
Гвинти розташовуються симетрично щодо осей валів, по можливості ближче (але не ближче, чим 4...5 мм) до зовнішніх кілець підшипників, інші гвинти (болти, шпильки) приблизно рівномірно по стику кришки й корпуса.
Розмір прорізу люка bл визначається з умови доступності у внутрішню порожнину корпуса в різних ситуаціях, при яких розбирання редуктора небажане, наприклад, влучення сторонніх предметів внаслідок необережних дій і т.п., тобто bл ≥ 150 мм.
3.4 Загальні рекомендації до виконання ескізів
У рамках РГР зображення, виконане в масштабі 1:1 на міліметровому або гладкому папері, відповідно до мал. 3.1, досить для подання викладачеві з метою визначення можливості й доцільності подальшої розробки даного варіанта в рамках курсового проекту по дисципліні «Деталі машин і основи конструювання».
Оформлення текстової документації по РГР повинне містити логічно зв'язаний виклад змісту всіх розрахунків, відповідно до послідовності, представленої в даних методичних вказівках, відповідно до вимог ЕСКД і стандарту підприємства СТП УГАТУ 00298. Роботу оформляється у вигляді пояснювальної записки на аркушах формату А4. Малюнки й схеми розташовуються по тексту або на окремих аркушах. Послідовність подання даних заголовний аркуш, титульний аркуш, зміст, введення, основна частина, розбита на розділи з відповідною нумерацією, висновок. Список літератури оформляється відповідно до п. 1.8 СТП УГАТУ 00298.
ВИСНОВОК
У методичних вказівках рекомендуються алгоритми дій, спрямованих на розробку конструкції редукторів приводів загального призначення, вантажопідйомних машин і машин безперервного транспорту. Можливі й інші способи розробки оптимальних по тим або інших параметрах оптимізації виробів даного класу. Сучасний стан розрахункових методів досить різноманітно, тому не виключається використання іншої літератури, різних програмних продуктів і аналогічних засобів, що гарантують відповідність виробу встановленим вимогам. Однак для розуміння сутності процесу проектування необхідно безпосередньо ознайомитися з алгоритмом створення ескізного проекту як бази для подальшої роботи зі створення конструкторської документації, що і є головним завданням виконання РГР по дисципліні деталі машин і основи конструювання.
СПИСОК ЛІТЕРАТУРИ
1. Завдання на курсовий проект: методичні вказівки до курсового проектування по дисципліні «Деталі машин і основи конструювання» / Прокшин С.С., Сидоренко А.А., Федоров В.А. -К., 2006.
2. Иванов М.Н. Детали машин: Учеб. для студентов вузов. 6е изд., перераб. М.: Высш. шк., 2000 383 с., ил.
3. Дунаев П.Ф., Леликов О.П. Конструирование узлов и деталей машин: Учеб. пособие для машиностроительных специальностей вузов. 8е изд., перераб. и доп. М.: Высшая школа, 2003 496 с., ил.
4. Дунаев П.Ф., Леликов О.П. Детали машин. Курсовое проектирование: Учеб. пособие. 2е изд., перераб. и доп. М.: Высшая школа, 1990 399 с., ил.
5. Підшипники кочення: Довідник каталог / Під ред. В.Н. Наришкіна й Р.В. Коросташевського. К., 1994. 280 с., іл.
6. Підшипники кочення й вільні деталі: Каталог / під. Ред.. Л.Г. Бордишева, Л.П. Носова. – К., 2003
7. Анурьєв В.И. Довідник в 3х томах. – К., 2003
8. Стандарт підприємства. Графічні й текстові конструкторські документи. Вимоги до побудови, викладу, оформленню. – К., 2003
9. Довідник по геометричному розрахунку евольвентних зубчастих і черв'ячних передач / Під ред. І.О. Болотовського. – К., 2003
















