125941 (690773), страница 4
Текст из файла (страница 4)
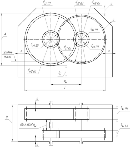
b0=(3...4…4)a,
де da2 max найбільша із двох величин da2 Б або da2 Т; a зазор між корпусом і обертовими деталями передач (колесами) (мм), обумовлений по формул:
.
Для інших схем (схеми 20 і 22) ескіз по мал. 1.1 виконується аналогічно, однак, для схеми 24 прийняте співвісне розташування швидкохідного й тихохідного валів і зображення приймає інший вид, наведений на мал. 1.2.
У цьому випадку, розміри, що визначають характеристики, знаходимо по формулах:
A = da2 max ;
B = bw Б + bw Т + 2a + (0,45...0…0,55)aw;
L=aw+0,5(da2Б + da2 Т).
Мал. 1.1
З умови оптимізації коефіцієнта перекриття 1,1……1,2ширину колеса швидкохідного щабля bw Б необхідно попередньо уточнити по формулі:
bw Б = m / sin.
Порівняння варіантів рекомендується робити по діаграмі, що будується в наступному порядку.
Мал. 1.2.
Обсяг корпуса редуктора, що визначає масу редуктора, можна оцінити по формулі:
V = ABL.
Масу заготівель для зубчастих коліс, що характеризує витрати на матеріали, обчислюється по формулі:
.
де
коефіцієнт пропорційності, для сталевих зубчастих коліс можна прийняти рівним 6,12, кг/дм3. Якщо при розрахунках V і m розміри коліс виражати в дм, тоді обсяг виразиться в літрах, а маса в кг.
Діаграма, що показує зміну маси й обсягу залежно від розглянутого варіанта, представлена на мал. 1.3.
Мал. 1.3.
1.3.3 Оцінка умов змащення й вибір способу змащення передач редуктора
Двоступінчасті редуктори звичайно змазуються картерним способом, при цьому в корпус редуктора заливається масло, що при експлуатації привода періодично заміняється. Такий спосіб рекомендується при окружних швидкостях коліс до 5 м/с і контактних напругах H 1000 МПа. Більшість проектованих студентів редукторів відповідає цим умовам.
Обраний варіант повинен відповідати умові змащення зубчастих коліс передач редуктора. Оптимальним уважається випадок, коли колесо швидкохідної передачі редуктора при окружній швидкості
Vокр = 0,3...12…12,5м/із занурено в масляну ванну на глибину (2……2,5)m... При цьому колесо тихохідної передачі поринає в масло не більш, ніж на 0,3da2 Т. Уважають, однак, що при окружній швидкості Vокр Т 1 м/с у масло можна занурювати тільки тихохідне колесо, при цьому змащення швидкохідної передачі й підшипників надійно забезпечується за рахунок розбризкування масла.
У редукторах, виконаних за співвісною схемою, у масло занурюють обоє зубчастого колеса приблизно на однакову глибину.
На мал. 1.1 і 1.2 відзначений рівень масла, що відповідає вищенаведеним вимогам, якщо обсяг масла Vм у корпусі не суперечить умові
Vм = (0,25...0…0,5)Р, (л)
1.3.4 Графічне оформлення результатів по оптимальному варіанті
Перший етап компонування
Зображення, що відповідає першому етапу компонування, на міліметровому папері в масштабі 1:1. Бажано кожну проекцію представити на окремому аркуші формату А1 з урахуванням подальшого пророблення конструкції редуктора.
1.3.5 Геометричний розрахунок передач редуктора
Геометричний розрахунок виконується в мінімальному обсязі. Визначенню підлягають: ділильні d1 і d2 і початкові dw1 і dw2 діаметри коліс; коефіцієнти зсуву X1 і X2; діаметри окружностей вершин da1 і da2; кут зачеплення w; коефіцієнт торцевого перекриття ; коефіцієнт осьового перекриття для косозубих коліс. Всі колеса нарізані рейковим інструментом з вихідним контуром за ДСТ 1375581 з параметрами: кут профілю = 20; коефіцієнтом головки (ніжки) зуба
; коефіцієнт радіального зазору з* = 0,25.
1.3.5.1 Прямозубі передачі
Коефіцієнти зсуву коліс визначаємо по контурах, що блокують, [9], використовуючи лінію 15 лінію вирівняних питомих ковзань. Сумарний коефіцієнт зсуву X = X1 + X2 = X заданий у роздруківці. Далі:
кут зачеплення
;
ділильні діаметри приводяться в роздруківці. Проте:
діаметри вершин:
діаметри западин:
початкові діаметри:
коефіцієнт перекриття:
де
для кожного з коліс.
1.3.6.2 Косозубі передачі
Розрахунок основних розмірів проводять по формулах п. 1.3.6.1., за винятком діаметрів d1 і d2 . Приймають:
Далі розміри da1 , da2 , df1 і df2 обчислюють у функції ділильних діаметрів d1 і d2.
Коефіцієнт торцевого перекриття для косозубих передач:
.
Коефіцієнт осьового перекриття:
.
Сумарний коефіцієнт перекриття:
.
1.4 Конструювання валів редуктора привода
Проектний розрахунок валів носить орієнтовний характер і має на меті визначити основні розміри й форму вала, пов'язані з навантаженнями й призначенням його основних елементів. У даній роботі використаний метод, викладених в [3] з деякими уточненнями, адаптований до конструкції редуктора у відповідності зі схемою на мал. 1.1 (схема 21) із шевронною швидкохідною передачею.
Конструкції швидкохідного, проміжного й тихохідного валів наведені на мал. 1.4.
Діаметри ділянок валів можна визначити по формулах:
для швидкохідного вала,
, мм;
Мал. 1.4.
Отриманий розмір погодити з діаметром вала електродвигуна d1 .
для проміжного вала діаметр у місці установки зубчастих коліс,
, мм;
для тихохідного вала,
, мм.
Отриманий результат погодити зі стандартним рядом чисел.
Для інших ділянок валів діаметри визначаються по формулах, що має рекомендаційний характер, оскільки результати, одержувані при їхньому використанні, можуть ввійти в суперечність із вимогами, пропонованими до конкретного вала.
Для швидкохідного й тихохідного валів можна приймати:
діаметр цапфи вала під підшипником:
dП = d + 2 tцил
або
dП = d + 2 tкон.
Отримані значення варто округлити до кратного п'яти відповідно до діаметрів внутрішніх коліс підшипників кочення;
діаметр буртика для упору кільця підшипника:
dБП = dП + 3 r;
діаметр шийки вала в місці установки зубчастих коліс:
dК dБП .
Для проміжного вала:
dП = dК 3 r або dП dК ,
з метою уніфікації бажано для швидкохідного й проміжного валів прийняти однакові значення dП;
dБК = dК + 3 f;
dБП = dП + 3 r dК .
Значення перехідних радіусів, заплічок і фасок наведені в табл. 1.9.
Розміри хвостовиків швидкохідного й тихохідного валів визначаються залежно від прийнятої конструкції кришок підшипників і після розрахунків по нижчеподаних формулах підлягають уточненню на подальших етапах проектування.
Таблиця 1.9
| d | 17...22…22 | 24...30…30 | 32...38…38 | 40...44…44 | 45...50…50 | 52...58…58 | 60...65…65 | 67...75…75 | 80...85…85 | 90...95…95 |
| tцил | 3,0 | 3,5 | 3,5 | 3,5 | 4,0 | 4,5 | 4,6 | 5,1 | 5,6 | 5,6 |
| tкон | 1,5 | 1,8 | 2,0 | 2,3 | 2,3 | 2,5 | 2,7 | 2,7 | 2,7 | 2,9 |
| r | 1,5 | 2,0 | 2,5 | 2,5 | 3,0 | 3,0 | 3,5 | 3,5 | 4,0 | 4,0 |
| f | 1,0 | 1,0 | 1,2 | 1,2 | 1,6 | 2,0 | 2,0 | 2,5 | 2,5 | 3,0 |
Довжина посадкової ділянки швидкохідного й тихохідного валів:
LМБ = LМТ = 1,5 d.
Довжина проміжної ділянки швидкохідного вала:
LКБ = (1...1…1,4)dП.
Довжина проміжної ділянки тихохідного вала:
LКТ = (0,8...1…1,2)dП.
Зовнішнє різьблення хвостовика швидкохідного або тихохідного вала має діаметр (погодити зі стандартом ДЕРЖСТАНДАРТ 915059)
dР 0,9 [d 0,1 LМБ].
Довжина різьбової ділянки:
LР (1,0...1…1,2)dР.
Діаметр внутрішнього різьблення для тихохідного вала (погодити зі стандартом)
dР 0,6 d.
1.5 Вибір підшипників кочення для валів редуктора
Підшипники кочення в значній мірі визначають ресурс редуктора, оскільки ресурс підшипників обмежений, тоді, як ресурс зубчастих передач може бути необмежено більшим.
З економічних міркувань і з особливостей технології складання краще застосування кулькових однорядних підшипників легкої серії ДЕРЖСТАНДАРТ 833875. У випадку, якщо на інших етапах проектування з'ясується їхня недостатня вантажопідйомність, можна застосувати підшипники інших типів.
Підбор підшипників здійснюється по діаметрі внутрішнього кільця, що відповідає прийнятому раніше (п. 1.4) діаметру dП. Необхідно по таблицях каталогу визначити характеристики підшипників динамічну вантажопідйомність ІЗ, статичну вантажопідйомність ІЗ0, розміри підшипника d, D і bП , також інші параметри.
Для підшипників тихохідного вала перевірити виконання умови:
З [З],
де [З] необхідна динамічна вантажопідйомність, що втримується в роздруківці (див. п. 1.3.1).
Для проміжного вала (мал. 1.4) необхідно визначити координати середніх площин підшипників і зубчастих коліс.
















