125892 (690745), страница 3
Текст из файла (страница 3)
Гравітаційна подача являється головною перевагою заводу з вертикальною схемою розміщення обладнання. Транспортуючих пристроїв між вагами, змішувачем і фасувальною машиною в цьому випадку не потребується. При горизонтальному розміщенні обладнання саме транспортуючі пристрої створюють проблеми при чергуванні рецептур. Необхідність будівництва потужної опорної конструкції, несучої навантаження від заповнених силосів являється недоліком вертикальної схеми.
ІІ. Машини для перемішування сухих будівельних сумішей. Опис конструкції і роботи проектованої машини
Машини для перемішування сухих будівельних сумішей мають ряд особливостей, пов’язаних із особливостями технології СБС.
Часто змішувачі додатково оснащують деагломераторами, які дозволяють диспергувати у складі суміші компоненти, схильні до налипання і утворення грудок.
Для зручності чищення і візуального контролю при зміні рецептури на корпусі змішувачів є великі оглядові люки з відкидними кришками.
У зв’язку з особливостями упаковки СБС у днищі змішувача роблять два розвантажувальні клапани. Через один з них готова суміш вивантажується в бункер і поступає на упаковку в мішки. Другий клапан не використовується, він зарезервований на випадок, якщо знадобиться відвантажувати продукцію в упаковці іншого типу, наприклад біг-бегах або маленьких пакетах.
Найчастіше при виробництві сухих будівельних сумішей використовують два типи змішувачів: центрифужні та двобальні лопатеві. Вони забезпечують швидке та якісне перемішування компонентів.
Центрифужні змішувачі призначені для інтенсивного перемішування в дискретному режимі сухих порошкоподібних компонентів. Змішувач обладнаний розвантажувальним клапаном клапаном, який знаходиться всередині розвантажувального патрубка с фланцем. Привод розвантажувального клапана пневматичний. Сам корпус змішувача циліндричний, розміщення осі горизонтальне.
В верхній частині є три отвори з фланцями:
- для завантаження основних компонентів для ручного ввода добавок
-
для аспірації
На боковій поверхні корпуса розміщені:
- спереду - смотровий люк с кришкою
- сзаду - три отвори з фланцями для установки деагломераторів.
Для ефективності перемішування сухих сумішей в якості робочого органа змішувача використовують основні лопаті, які забезпечують осьове переміщення компонентів суміші до центру, в той час як додаткові лопаті, розміщені на меншому радіусі, використовуються для организації осьового переміщення компонентів в зворотньому напрямі.
Рис. 2.1. Центрифужний змішувач СЦ-1200К
Технічна характеристика:
| Принцип дії | циклічний |
| Кількість циклів за годину | 15…24 |
| Число Fr | 7,81 |
| Загальний об’єм, м3 | 1,2 |
| Степінь заповнення, % | до 70 |
| Потребна в стисненому повітрі, МПа; м3/ч | 0,6; 0,01 |
| Електроживлення, В, Гц | 380, 50 |
| Встановлена потужність (с деагломераторами), кВт | 38,5 |
| Встановлена потужність (без деагломераторов), кВт | 22,0 |
| Габаритні розміри, мм | 3675х1400х1400 |
| Масса, кг | 2500 |
В якості проектованої машини мною був вибраний двобальний змішувач безперервної дії. Його установка, разом з установкою автоматичних ваг та фасувального обладнання дозволяє зменшити вплив людського фактора у виробництві та відкриває широкі можливості для автоматизації технологічного процесу.
Для перемішування глини при напівсухому і пластичному пересуванні керамічних виробів, а також для підготовки шихти в скляному, силікатному та інших виробництвах, а також при виробництві залізобетонних та бетонних конструкцій, асфальтних та будівельних сумішей широко використовують двовальні лопатеві змішувачі безперервної і циклічної дії. Їх застосовують як для приготування сумішей із кількох компонентів, так і для приготування гомогенної маси в сухому вигляді чи зі зволоженням. Зволожувати масу можна водою або паром низького тиску, а при виробництві асфальтних та залізобетонних сумішей розігрітим бітумом при температурі 160 –1800С. У разі зволоження паром досягають вищої якості виробів, оскільки пар прогріває масу, а потім, конденсуючись, зволожує її.
Рис. 2.2. Двовальний змішувач безперервної дії
а) загальний вигляд; б) кінематична схема приводу валів;
1 – електродвигун; 2 – пасова передача; 3 – редуктор; 4 – зубчаста передача; 5 – розвантажувальний патрубок; 6 – лопатевий вал; 7 – лопать; 8 – корпус.
Даний змішувач буде вписаний в вертикальну схему компоновки обладнання заводу для виробництва СБУ. Крім змішувача до неї будуть входити бункерні ваги, фасувальний комплекс та силоси для вихідних компонентів. Така схема дозволяє забезпечити гравітаційну подачу, тобто транспортуючих пристроїв між вагами, змішувачем і фасувальною машиною в цьому випадку не потребується.
ІІІ. Розрахункова частина
Вихідні дані: річна продуктивність змішувача Пр=30000 т/рік
Визначимо годинну продуктивність змішувача:
П=Пр/ρ∙Те=Пр/ρ∙Тр∙zзм∙tзм∙Кв=30000/1,1∙280∙1∙8∙0,81=14,9м3/год≈15м3/год,
де ρ – щільність матеріалу; Тр – кількість робочих днів у році; zзм – кількість змін; tзм – тривалість зміни; Кв – коефіцієнт використання устаткуванні в часі.
3.1 Розрахунок параметрів змішувача
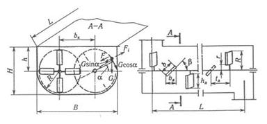
Рис. 3.1. Схема до розрахунку основних конструктивних параметрів змішувача
Продуктивність змішувача
П=3600π(R2-r2)b′лknkзn,
де R, r – відповідно зовнішній і внутрішній радіуси, м;
b′л – проекція ширини лопаті на напрям обертання, м;
kn – коефіцієнт повернення суміші, який залежить від кількості лопатей із зворотним кутом їх установлення, kn=0,7;
kз – коефіцієнт заповнення змішувача, kз=0,58;
n – частота обертання лопатей:
,
де ω – кутова швидкість обертання лопатей, приймаємо ω=5,7 рад/с.
З формули для визначення продуктивності шляхом математичних перетворень визначаємо зовнішній радіус обертання лопатей, при цьому прийнявши, що:
r=R/2; b′л=bлcosα=0,42Rcos45,
де bл-ширина лопаті; α – кут між лопаттю та горизонтальною площиною в момент виходу лопаті за поверхню розділу, α=40….45˚.
Тоді:
Критична швидкість вала, рад/с
де f – коефіцієнт тертя, f=0,45.
Геометричні розміри змішувача на основі аналізу розмірів існуючих машин визначаються із таких співвідношень
bk=1,5R=1,5∙0,253=0,380 м
h=1,35R=1,35∙0,253=0,342 м
hл=0,5R=0,5∙0,253=0,127 м
bл=0,42R=0,42∙0,253=0,106 м
tл=0,75R=0,75∙0,253=0,109 м
B= bk +2R=3,5R=3,5∙0,253=0,886 м
H=h+R=2,35R=2,35∙0,253=0,595 м
Довжина корпуса змішувача
L=(0,12…0,14)Bkл=0,14∙0,886∙32=3,8 м
де В – ширина корпуса;
kл – кількість парних лопатей на кожному валу, kл=32 (табл. 4.1 [3])
Крок лопатей на валу
S=L/ kл=3,8/32=0,12 м
Відстань від осі кінцевої лопаті до торцевої стінки корпусу змішувача:
S1=S/3=0,12/3=0,04 м
Місткість змішувача у вагових одиницях, кг
Gм=SLρk3=0,185∙3,8∙1100∙0,58=978,56 кг,
де S – площа перерізу матеріалу, при α=40….45˚
S=(2,854…2,933)R2=2,894∙0,2532=0,185 м2
Маса матеріалу
Gм=(1,21…1,41) R3 ρk3 kл=1,31∙0,2533∙1100∙32∙0,58=945 кг
Місткість змішувача в об’ємних одиницях, м3
V=(1,21…1,41) R3 k3 kл=1,31∙0,2533∙32∙0,58=0,394 м3
Площа проекції лопатей на радіальну площину
S=π(R2-r2)ψ=3,14(0,2532-0,12652)0,08=0,012 м2,
де ψ – коефіцієнт довжини лопатей по окружності, ψ=0,08 (табл. 4.1 [3]) Середній радіус
Rср=(R+r)/2=(0,253+0,1265)/2=0,190 м
Швидкість руху матеріалу вздовж осі змішувача, м/с:
v1= Rсрωtgα=0,190∙1∙5,7=1,083 м/с
Тиск суміші на лопать в осьовому напрямку, Па:
q1=Cρ v12=6∙1100∙1,0832=16889,6 Па.
де С=3...9 – коефіцієнт опору. Значення коефіцієнта С залежать від складу і консистенції суміші і можуть змінюватися в широких межах, тому потужність електродвигуна лопатевого змішувача вибирають із запасом.
Осьове зусилля на одну лопать, Н:
P1=π∙C∙ρ∙ω2∙tgα∙Rcр∙(R2-r2)∙ψ=3,14∙6∙1100∙5,72∙1∙0,1902∙(0,2532-
-0,12652)∙0,08=203,9 Н
Окружне зусилля на одну лопать, Н:
Pв= 2∙π∙C∙ρ∙ ω2∙∙tgα∙R3cр∙(R-r)∙ψ=2∙3,14∙6∙1100∙5,72∙1∙0,1903∙
∙ (0,253-0,1265) ∙0,08=201,6 Н
Осьове зусилля, що діє на лопатевий вал, Н:
Pв=P1 ∙ kл∙ k3=204∙32∙0,58=3264 Н.
Визначаємо потужність електродвигуна привода обертання лопатевих валів.
Потужність на подолання опору суміші в осьовому напрямку:
N1=π∙C∙ρ∙ω3∙tg3α∙R3cр∙(R2-r2)∙i∙ψ∙k3=3,14∙6∙1100∙5,73∙13∙0,1903∙(0,2532-
-0,12652) ∙64∙0,08∙0,58=7058,62 Вт,
де і – загальне число лопатей, і=64.
Потужність для подолання сили тертя суміші по поверхні лопатей:
N2=
∙π∙C∙ρ∙ω3∙tg2α∙R2cр∙(R2-r2)∙i∙ψ∙k3∙f=
∙3,14∙6∙1100∙5,73∙13∙0,1902∙
∙(0,2532--0,12652) ∙64∙0,08∙0,58∙0,6=4386,25 Вт,
де f=0,5…0,65 – коефіцієнт тертя суміші по сталі.
Потужність для подолання опору суміші по поверхні корпуса, Вт
=
Потужність для подолання опору суміші обертанню кронштейнів, Вт:
bк - ширина кронштейна лопаті, мм; bк=0,07 м; табл.[4.1] bк= 70 мм.
R1- зовнішній радіус обертання кронштейна лопаті, мм;
табл. [4.1], R1=200=0,2 м.
r1 – внутрішній радіус обертання кронштейна лопаті, мм
табл. [4.1] r1=80 мм=0,08 м.
Сумарна розрахункова потужність електродвигуна, кВт,
= 1,1...1,3 – коефіцієнт запасу потужності, що враховує можливість заклинювання лопатевого вала.
= 0,8...0,9 – ККД передачі привода.















