125420 (690537)
Текст из файла
ФЕДЕРАЛЬНОЕ АГЕНСТВО ПО КУЛЬТУРЕ И КИНЕМАТОГРАФИИ
САНКТ-ПЕТЕРБУРГСКИЙ ГОСУДАРСТВЕННЫЙ
УНИВЕРСИТЕТ КИНО И ТЕЛЕВИДЕНИЯ
Кафедра механики
Расчетно-пояснительная записка к курсовому проекту
на тему
"Редуктор двухступенчатый соосный двухпоточный с внутренним зацеплением тихоходной ступени"
Санкт-Петербург 2009г.
Содержание
_Toc231388737
Техническое задание на курсовое проектирование 3
1. Кинематический расчет и выбор электродвигателя 4
2. Выбор материалов и определение допускаемых напряжений 9
3. Расчет тихоходной ступени привода 11
3.1 Проектный расчет 11
3.2 Проверочный расчет по контактным напряжениям 14
3.3 Проверочный расчет зубьев на изгиб 15
4. Расчет быстроходной ступени привода 17
5. Проектный расчет валов редуктора 20
5.1 Расчет тихоходного вала редуктора 21
5.2 Расчет быстроходного вала редуктора 25
5.3 Расчет промежуточного вала 30
6. Подбор и проверочный расчет шпонок 36
6.1 Шпонки быстроходного вала 36
6.2 Шпонки промежуточного вала 37
6.3 Шпонки тихоходного вала 37
7. Проверочный расчет валов на статическую прочность 39
8. Выбор и проверочный расчет подшипников 43
9. Выбор масла, смазочных устройств 46
Список использованной литературы 48
Техническое задание на курсовое проектирование
Механизм привода:
электродвигатель;
муфта;
редуктор зубчатый цилиндрический двухступенчатый соосный двухпоточный с внутренним зацеплением тихоходной ступени;
муфта;
исполнительный механизм.
Потребный момент на валу исполнительного механизма (ИМ) Тим=30Нм;
Угловая скорость вала ИМ ωим=5,8с-1.
Разработать:
сборочный чертеж редуктора;
рабочие чертежи деталей тихоходного вала: зубчатого колеса, вала, крышки подшипника.
1. Кинематический расчет и выбор электродвигателя
Исходные данные:
потребный момент на валу исполнительного механизма (ИМ) Тим=30Нм;
угловая скорость вала ИМ ωим=5,8с-1;
Определяем мощность на валу
ИМ Nим= Тимх ωим=30х5,8=174Вт.
Определяем общий КПД привода по схеме привода
ηобщ=ηкп ηшп ηм ηп(1.1)
где [1, с.9,10]: ηзп=0,972 - КПД зубчатой цилиндрической передачи;
ηм=0,982 - потери в муфтах;
ηп=0,994 - коэффициент, учитывающий потери на трение в подшипниках 4-х валов.
Сделав подстановку в формулу (1.1) получим:
ηобщ. =0,972*0,982*0,994=0,868
Определяем потребную мощность электродвигателя [1, с.9]
Nэд≥Nим/ηобщ. (1.2)
где Nэд - требуемая мощность двигателя:
Nэд=174/0,877=198,4Вт
Выбираем электродвигатель [1, с.18, табл. П2]
Пробуем двигатель АИР71В8:
Nдв. =0,25кВт;
nдв=750об/мин;
S=8%.
Определяем номинальную частоту вращения электродвигателя по формуле (5) [1,c.11]:
nном=nдв·(1-S/100); nном=750·(1-0,08);
nном=690 об/мин
Определяем угловую скорость вала двигателя
ωдв=πnдв/30=π*690/30=72,2рад/с;
Определяем общее передаточное число привода
U=ωдв. /ωим=72,2/5,8=12,5
Производим разбивку передаточного числа по ступеням. По схеме привода
Uобщ. =U1· U2; (1.3)
Назначаем по рекомендации [1, табл.2.3]: U2=5;
тогда
U1= Uобщ. /U2;
U1=2,5.
Принимаем окончательно электродвигатель марки АИР71В8.
Угловые скорости определяем по формуле
ω=πn/30(1.4)
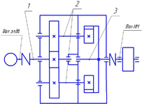
Рис.1 Схема валов привода: 1 - быстроходный вал; 2 - промежуточный вал; 3 - тихоходный вал.
По схеме валов (рис.1) и формуле (1.4) определяем частоты вращения и угловые скорости каждого вала
n1= nном.
ω1= ωдв=72,2рад/с;
n2= nном/U1=650/3,5=185,7об/мин;
ω2=πn2/30=π*216,7/30=19,45 рад/с;
n3= n2/U2=216,7/3,55=52,3 об/мин;
ω3=πn3/30=π*61,1/30=5,48 рад/с.
Определяем мощность на каждом валу по схеме привода
N1=Nдв ηм=0,25*0,98=245Вт;
N2=N1 ηзп ηп3=245*0,97*0,993=230Вт;
N3=N2 ηзп ηп =233*0,97*0,99=221Вт;
Nим=N3 ηм =224*0,98=217Вт.
Определяем вращающие моменты на каждом валу привода по формулам [1, с.12,14]:
; Т2=Т1•U1; Т3=Т2•U2; (1.5)
Т1=245/72,2=3,4 Н•м;
Т2=3,4•2,5=8,5 Н•м;
Т3=8,5•5=42,5 Н•м.
Все рассчитанные параметры сводим в табл.1.
Таблица 1
Параметры кинематического расчета
| № вала | n, об/мин | ω, рад/с | N, Вт | Т, Нм | U |
| Дв | 690 | 72,2 | 250 | 3,5 | |
| 1 | 690 | 72,2 | 245 | 3,4 | 2,5 |
| 2 | 185,7 | 19,45 | 230 | 8,5 | |
| 5 | |||||
| 3 | 52,3 | 5,48 | 221 | 42,5 | |
| ИМ | 52,3 | 5,48 | 217 | 42,5 |
2. Выбор материалов и определение допускаемых напряжений
Выбираем материал для шестерни и колеса по табл.3.2 [4,c.52]:
шестерня - сталь 40Х, термообработка - улучшение 270НВ,
колесо - сталь 40Х, термообработка - улучшение 250НВ.
Определяем допускаемое контактное напряжение по формуле [4,c.53]:
(2.1)
где σHlimb - предел контактной выносливости при базовом числе циклов;
КHL - коэффициент долговечности;
[SH] - коэффициент безопасности;
по [1,c.33]: КHL =1; [SH] =1,1.
Определяем σHlimb по табл.3.1 [4,c.51]:
σHlimb =2НВ+70; (2.2)
σHlimb1 =2270+70; σHlimb1 =610МПа;
σHlimb2 =2250+70; σHlimb1 =570МПа.
Сделав подстановку в формулу (2.1) получим
;
МПа;
;
МПа.
Определяем допускаемое расчетное напряжение по формуле [4,c.53]:
(2.3)
;
МПа.
Определяем допускаемые напряжения по по табл.3.1 [4,c.51]:
[σ] Fo =1,03НВ;
[σ] Fo1 =1,03x270=281МПа;
[σ] Fo2 =1,03x250=257МПа.
3. Расчет тихоходной ступени привода
3.1 Проектный расчет
Определяем межосевое расстояние передачи по формуле [4,c.61]:
(3.1)
Где Ка - числовой коэффициент, Ка =49,5 [4,c.61] ;
КHβ - коэффициент, учитывающий неравномерность распределения нагрузки по ширине венца, КHβ =1 для прямозубых колес [4,c.54] ;
- коэффициент ширины венца колеса,
=0,315 назначаем по ГОСТ2185-66 с учетом рекомендаций [4,c.61] ;
U - передаточное отношение, U2=5 (см. табл.1):
Т - вращающий момент на колесе, Т3 =42,5 Нм (см. табл.1).
Подставив значения в формулу (3.1) получим:
Принимаем окончательно по ГОСТ6636-69 [4, табл.13.15]
Определяем модуль [2,c.36]:
(3.2)
mn=(0,01…0,02) ·70;
mn=0,7;
Принимаем модуль mn=1мм [2,c.36]
Так как тихоходная ступень внутреннего зацепления определяем разность зубьев зубьев по формуле [5, т.2, c.432]:
z2-z1=2aw/mn(3,3)
z2-z1=2·70/1;
z2-z1=140.
Определяем число зубьев шестерни и колеса по формулам (3.13) [2,c.37]:
z1= z2-z1/(U2+1); z1=140/6=23,3; z1=24;
z2= z2-z1-+z1=140+24=164; z2=164.
Отклонения передаточного числа от номинального нет.
Определяем делительные диаметры шестерни и колеса по формуле [5, т.2, c.432]:
d=mn·z; (3.4)
d1=mn·z1=1х24=24мм;
d2=mn·z2=1х164=164мм;
Определяем остальные геометрические параметры шестерни и колеса по формулам [5, т.2, c.432]:
;
;
;
;
(3.5)
;
(3.6)
мм;
мм;
мм;
мм;
;
мм;
;
мм;
;
мм
;
мм;
;
мм;
Определяем окружные скорости колес
;
м/с.
Назначаем точность изготовления зубчатых колес - 7F [2,c.32].
Определяем силы в зацеплении [4, табл.6.1]: окружная
(3.7)
;
Н;
Таблица 2
Параметры зубчатой передачи тихоходной ступени
| Параметр | Шестерня | Колесо |
| mn, мм | 1 | |
| ha, мм | 1 | |
| ht, мм | 1,25 | |
| h, мм | 2,25 | |
| с, мм | 0,375 | |
| z | 24 | 164 |
| d, мм | 24 | 164 |
| dа, мм | 26 | 162 |
| df, мм | 21,5 | 166,5 |
| b, мм | 50 | 54 |
| аW, мм | 70 | |
| v, м/с | 0,23 | |
| Ft, Н | 531 | |
| Fr, Н | 193 | |
радиальная
; где α=20° - угол зацепления; (3.8)
;
Н;
Осевые силы в прямозубой передачи отсутствуют.
Все вычисленные параметры заносим в табл.2.
3.2 Проверочный расчет по контактным напряжениям
Проверку контактных напряжений производим по формуле {4, c.64]:
; (3.9)
где: - К - вспомогательный коэффициент, для прямозубых передач К=436;
Ft =531Н (табл.2);
U2=5;
КНα - коэффициент, учитывающий распределение нагрузки между зубьями, для прямозубых колес КНα =1;
КНβ - см. п.3.1;
КНυ - коэффициент динамической нагруки, зависящий от окружной скорости колес и степени точности передачи, КНυ =1,04 [4, табл.4.3].
(3.10)
Определяем ∆σН
;
Характеристики
Тип файла документ
Документы такого типа открываются такими программами, как Microsoft Office Word на компьютерах Windows, Apple Pages на компьютерах Mac, Open Office - бесплатная альтернатива на различных платформах, в том числе Linux. Наиболее простым и современным решением будут Google документы, так как открываются онлайн без скачивания прямо в браузере на любой платформе. Существуют российские качественные аналоги, например от Яндекса.
Будьте внимательны на мобильных устройствах, так как там используются упрощённый функционал даже в официальном приложении от Microsoft, поэтому для просмотра скачивайте PDF-версию. А если нужно редактировать файл, то используйте оригинальный файл.
Файлы такого типа обычно разбиты на страницы, а текст может быть форматированным (жирный, курсив, выбор шрифта, таблицы и т.п.), а также в него можно добавлять изображения. Формат идеально подходит для рефератов, докладов и РПЗ курсовых проектов, которые необходимо распечатать. Кстати перед печатью также сохраняйте файл в PDF, так как принтер может начудить со шрифтами.
















